Постройка басовой секции

  • Автор темы Автор темы Пётр
  • Дата начала Дата начала
Rezvoy, спасибо за уделённое время. Воспользуюсь Вашими рекомендациями. Подкорректирую схемку.
Ещё меня волнует вопрос про шунтирование резистором вторичной полуобмотки межкаскадного трансформатора. Встречаю, что многие ставят параллельно вторичной полуобмотке подобный резистор. Следует ли мне такое предусмотреть? Если "да" - то какого номинала?
 
Дядя Пётр, ввязываться в трансформаторную тему с нуля, без опыта намотки и двадцать раз подряд перемотки негодных вариантов , оно как бы не лучший путь к двухтактному звуку.
Разве что у тебя появилось море свободного времени, которое нужно занять. В это верится плохо.
 
40 килоом примерно я бы поставил сразу, а дальше надо смотреть по АЧХ.
 
Александр (Бока) - я Вас услышал. Конечно, времени свободного особо нет. Но есть любопытство. Довольно большое. Я и не питаю особых надежд. И сам уже давно напуган другими - как тяжело мотать изготовить межкаскадный транс, особенно парафазный. Но и Вы меня поймите - когда-то я потратил уйму времени, пытаясь намотать его. И что теперь - так и будет валяться, занимать сердечник и место на полке? На мой взгляд - пришло время поставить точку в этом вопросе (для себя).
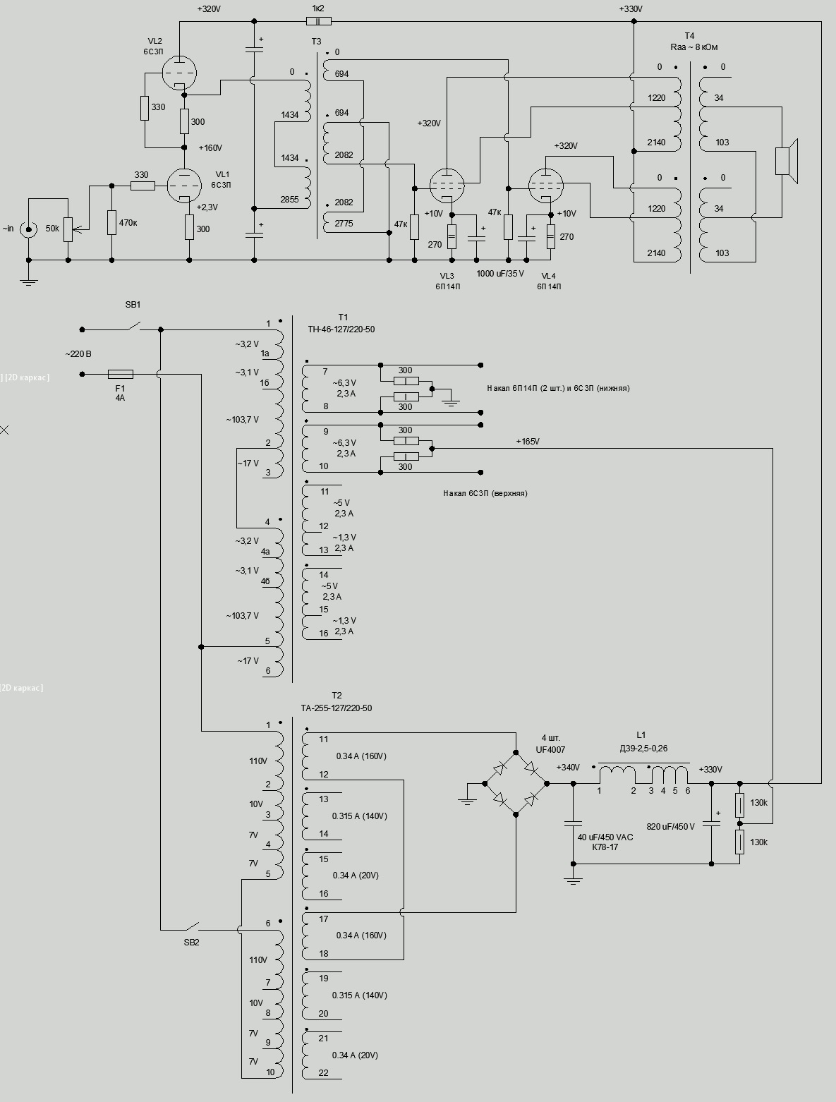
Я лишь одного от всех прошу: взгляните пожалуйста, верно ли я составил схемку, чтобы подключить и послушать, снять АЧХ.
1.jpg
 
Схема-три детали, что в ней можно сделать неверного. А вот трансик намотать, чтобы на верхнем крае диапазона не съехал фазой набекрень- это вряд ли.
Причем, что забавно, амплитуда на половинках вторички сохраняется одинаковой во всей полосе и дальше, а фаза разъезжается дико, на резонансе достигая чудовищной величины. Ни о каком стерео речи уже не идет. Хотя, на верхнем крае уже и звука как бы нет...
 
Главное не стОит оно того. Намотать 1:0,5:0,5 и меньше ещё можно, а 1:1:1 уже разъедется, вопрос где. При некоторых познаниях можно очень неплохой 1:1:1:1 сделать, но его надо парафазно возбуждать.
 
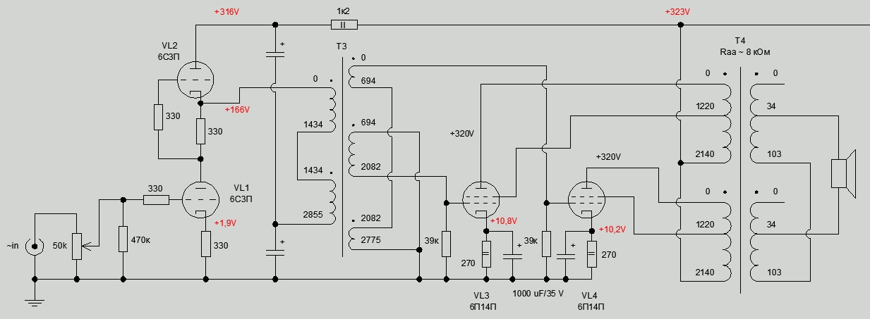
Собрал макет с межкаскадным трансформатором.
Реальные номиналы и замеренные напряжения (красным):
1.jpg

выглядит всё это на фанерке так:
Изменение размера 2.jpg

Посмотрел на осциллографе - вроде, нормальная синусоида на вид на выходе... Пошёл за ноутбуком. Пришёл, подключил, запустил спектралаб. Вот так это выглядело:
Изменение размера 3.jpg

Измерял АЧХ на выходе усилителя, с нагрузкой 8 Ом. Амплитуда сигнала на выходе была 1 В. Вот какие получил результаты АЧХ:
4.jpg

Раз уж Спектралаб был запущен - заодно посмотрел и какие возмущения даёт 1 кГц. Амплитуда напряжения при этом на выходе усилителя была 1,5В:
5.jpg

Завтра планирую послушать.

Подскажите, каким способом можно посмотреть, насколько разбегаются синусоиды после межкаскадного трансформатора?
 
Самое простое - посмотреть что происходит на выходе трансформатора на ВЧ. Посмотрите полосу вверх и её неравномерность. Как и насколько они отличаются в половинках.
Спектралаб тут не устроит. Подаем сигнал с генератора в полосе килогерц до ста или выше, если межкаскадник при этом ещё работает. Смотрим на нагрузочных резисторах.
 
Увидеть расфазировку можно, соединив выходы драйвера, они же сетки вых каскада парой одинаковых резисторов, кил по 50-70. И в точке их встречи смотреть, той же спектрой, где начинается раскосяк. В норме там нет сигнала. он вычитается сам из себя, остаются мизеры за счет несимметрии.
 
Интересно, что скажет Александр Резвой?
Я посмотрел бы на этих резисторах полосу и неравномерность.
 
Кто мешает по очереди посмотреть? Уж если двухлучевика нет...
А по очереди там все суперски, амплитуда и полоса одинаковы . И разбежка только по фазе, на верхнем крае. на резонансе , мой был на 17кгц и 27кгц. 27гкц-дикого уровня.А на ачх просто спад отдачи , никаких выбросов.
При случае повторю опыт с двумями лучами в режиме вычитания каналов.
У Волкова Валеры на половинках вторички ещё и амплитуда получалась неодинаковая с ростом частоты, в одной полосине спад раньше.
И тоже. не в полосе пропускания. а за пределами ея.
 
Не знаю, отчетливо видно разницу амплитуд, а на двухлучевике ещё и разбег по фазе. Впрочем если нагрузка у транса большая можно и не заметить сразу, но повыше видно.
 
А по очереди там все суперски, амплитуда и полоса одинаковы . И разбежка только по фазе, на верхнем крае. на резонансе , мой был на 17кгц и 27кгц. 27гкц-дикого уровня.А на ачх просто спад отдачи , никаких выбросов.
При случае повторю опыт с двумями лучами в режиме вычитания каналов.
По идее на ВЧ и полоса разной будет и неравномерность.
Не так?
 
Не знаю, отчетливо видно разницу амплитуд, а на двухлучевике ещё и разбег по фазе. Впрочем если нагрузка у транса большая можно и не заметить сразу, но повыше видно.
Вот, разбег по фазе отмечал и Валера, а я поленился запустить два канала скопа. Но повторю.
Только фиг разницы, как смотреть, в диагонали моста, в точке двух резисторов или то же самое- двумя каналами скопа.Результат ясен, раскосяк.

По идее на ВЧ и полоса разной будет и неравномерность.
Не так?
Авот хрен там. Идентичные вторички.
 
Послушал макет.
Сначала слушал с выходными лампами в УЛ режиме. Звучание хорошее. Могу отметить, что если в случае с "Лофтин" - у меня присутствовало ощущение о необходимости отрицательной обратной связи - то в данном случае, с межкаскадником - такого ощущения не возникало. Но, должен признаться, что и звучание несколько менее яркое. В общем - этот макет с межкаскадником и УЛ режимом - звучит вполне интересно, но ранее в последнее время - были результаты и поинтереснее.
Затем - перевёл выходной каскад в триодный режим. Здесь особо сказать нечего. При сверке с SE на 6С4С - макет проиграл на всей музыке, в том числе и на роке.

Всем выражаю благодарность - своё третье заветное желание (послушать самомотанный парафазный межкаскадный трансформатор) - я осуществил с вашей помощью.

Что касается дальнейших разбирательств и выяснений - как же там разбегается фазировка на выходах вторички межкаскадника... то это как бы не имеет смысла теперь особо для меня. Практически все - даже пытались отсоветовать мне послушать этот межкаскадник изначально.
Поэтому - дальнейшими разбирательствами с межкаскадником займусь только если кто-то посоветует тут заняться мне этим дальше.
Что скажете?
 
а дальше смотрим пост 2354.Лучше будет соединить оба резюка на нагрузке, притянутой к земле. Кил 100.Что такое резисторный сумматор нужно рассказывать? Или так дойдет?
 
Мне кажется, Александр понятно разъяснил. Если фазы точно совпадают, то результурующие колебания в точке двух резисторов будут ноль. А вот как только фазы начнут разъезжаться - появится в этой точке некое пульсирующее напряжение, так как при сложении напряжения по одному и второму каналу в этот момент - уже не будет ноль.
И таким образом, вроде как, - даже однолучевым осциллографом можно будет зафиксировать момент возникновения пульсаций - это будет означать, что фазы разбежались.
 

Вложения

  • 1.jpg
    1.jpg
    31.9 KB · Просмотры: 120
Тогда имеет смысл посмотреть это на Вашем макете. Интересно же.
Так оценим качество меж каскадного трансформатора.
 
У меня нет генератора кроме компьютерного. Более-менее что-то увидеть смогу лишь до 18 кГц.
 

Статистика форума

Темы
3,304
Сообщения
263,138
Пользователи
2,544
Новый пользователь
vlad'mir
Назад
Сверху Снизу