Постройка басовой секции

  • Автор темы Автор темы Пётр
  • Дата начала Дата начала
(ИМХО) мне кажется это идея фикс. Могу и ошибаться.
Не все процессы можно масштабировать. Тоись то, что работает на микроуровне, перестает работать в большем масштабе, и наоборот. Примеров - валом.

Продолжая:
вот сравни выстрел из пушки в кинотеатре и в реале.
В кинотеатре при самой лучшей аккустике ты услышишь громкий звук и эхо.
А в реале тебе даст волной по телу, штаны начнут телепаться и уши заложит.
 
Последнее редактирование:
Продолжая:
вот сравни выстрел из пушки в кинотеатре и в реале.
В кинотеатре при самой лучшей аккустике ты услышишь громкий звук и эхо.
А в реале тебе даст волной по телу, штаны начнут телепаться и уши заложит.
Однозначно невозможно да и незачем тащить себе в комнату все что слышал где-то на концерте, невозможно в принципе, не тот масштаб. Слушай, домысливай, масштабируй . Все равно не получится звучать 17-см динамику так же. как делает это 15" . зато звук куцего мида родной и привычный. И как бы ни звучала чужая домашка, своя все равно радует .
 
Однозначно невозможно да и незачем тащить себе в комнату все что слышал где-то на концерте, невозможно в принципе, не тот масштаб. Слушай, домысливай, масштабируй . Все равно не получится звучать 17-см динамику так же. как делает это 15" . зато звук куцего мида родной и привычный. И как бы ни звучала чужая домашка, своя все равно радует .
домашний музыкальный комплекс люди придумали, чтобы на концерт не ходить :)
Прийдется смириться c некоторыми потерями в качестве.
 
"Не в бровь, а в глаз!"
Это как у горного туриста спросить: "зачем люди идут в горы?"
Действительно. Изначально пытался "муссировать" людей на Аудиопортале тогдашнем своими вопросами про ламповые УНЧ. Меня там быстро прикрывали - просто переносили мои сообщения в какую-нибудь близкую по смыслу тему. А мою созданную тему - просто закрывали.
Тогда я создал тему на Вегалабе: "Сборка лампового УНЧ для энергичной музыки с нуля". Тогда, моим главным сподвижником был Сергей Перов (Normann) - за что я ему благодарен. Он даже безвозмездно прислал мне пару винтажных межкаскадных конденсаторов для усилителя. Бока тогда тоже участвовал в обсуждении, но я на его высказывания не очень обращал внимание, всё больше слушал тех - "возвышенных и всёзнающих", типа Алекс Торрес, Юрий Новиков. Результатом той темы стал УНЧ на 6SN7+6V6GTA, однотакт. Это было просто знакомство с ламповым звуком. Само то обстоятельство, что схема в принципе играла - заставляло меня трепетать. Тема была очень долгой и длинной. Но я наблюдал: просмотров у неё было тоже очень много, она висела на первой странице при упорядочиванию по количеству просмотров (не смотря на то, что тематика усилителей на Вегалабе - очень обширна) - значит, людям было интересно.
Через некоторое время, на том же Вегалабе создал новую тему "Сборка лампового УНЧ для энергичной музыки - 2". Бока участвовал там как бы заочно - через эл. почту, т.к. на форуме не писал. Я уже с бОльшим вниманием относился к его рекомендациям. Случилось так, что в самом разгаре темы и моих действий - модератор удалил обе мои ветки. Я был в замешательстве - к тому моменту были куплены лампы (6П14П), панельки и намотаны выходники. Александр Бокарёв поддержал меня в переписке по эл. почте - и удалось собрать законченный усилитель - PP на 6П14П, с ФИ на 6Н6П с "длинным хвостом".
Далее - была длинная эпопея на закрытом форуме Дмитрия Горнова (ULF). Там было немного человек-участников, общались хорошо и довольно открыто, дружелюбно. Там-то Александр Бокарёв и написал, когда я собрался покупать 6С33С: "не трать денюхи, я тебе привезу". И была встреча и я получил кучу ламп. В том числе и 6С4С. И тогда, результатом и открытием стало для меня УНЧ на 6С4С - только эта схема макета смогла однозначно "переиграть" PP на 6П14П (всё это, конечно - по сугубо личному мнению). И был собран УНЧ, который сейчас и слушаю.
Но, то что тяжёлый рок - слабое место этого УНЧ - я понимаю, вспоминая звучание PP на 6П14П, где такая музыка - была его "коньком". Всё же, беря звучание в целом - SE на 6С4С интереснее. Но мысль про "для энергичной музыки" - всё равно будоражит моё сознание.
Но на самом деле - я не меломан и не аудиофил. Мне нравится процесс. Мне нравится повозиться (иногда, временами на меня это находит) с макетом. Нравится общаться тут, со всеми вами. К тому же - с течением времени у меня появляются некоторые новые радиодетали. Появляется некоторое понимание, что к чему. Появляется понимание, что за некоторые детали всё же лучше заплатить, нежели пытаться изготовить самому. Много всякого разного происходит - меняется жизнь, меняюсь я сам, мои представления по тому же вопросу - могут изменяться со временем.

Надеюсь, я смог донести мысль, что мне не надо обязательно собрать какую-то конструкцию. Но есть желание перебрать сколько-то новых вариантов. Благо - этих вариантов настолько много (с вашей помощью) - что и жизни не хватит, пожалуй, перепробовать всё.
И да - пушпулл пентодный я уже слушал ранее. Но хочу послушать ещё. Воспоминания притупились. Возможно - теперь я услышу его по-новому. Я уверен - рекомендуют мне здесь схемы не от "балды". Каждый человек - предлагая очередной вариант - желает мне хорошего. Особенно в этом нет причины сомневаться - когда вариант исходит от знакомого мне человека, а не какого-то "Гостя".
Мне более менее понятно. Сам зачастую делаю то что интересно, а не то что надо.
В частности РР усилитель заинтересовал. На кой хрен он мне нужен пока сам не знаю, но интересно.
Для себя решил что это будет усилитель по схеме Александра Резвого на 6Н7С - 6П6С. Но у меня закончились октальные панельки, т.е. пару штук я ещё найду, а за остальными надо ехать к Александру Бокареву. Чтобы его не объедать, решил заменить 6П6С на 6П1П. Выходные трансформаторы соберу из двух ТВЗ-1-1. Они ещё есть у барахольщиков на Авито. Я себе быстро нашёл и приобрёл. По идее должен получиться простой и малогабаритный УНЧ. Сделаю его просто так, из интересу.
 
домашний музыкальный комплекс люди придумали, чтобы на концерт не ходить :)
Прийдется смириться в некоторыми потерями в качестве.
Ой, знаешь, я сколько раз на концертах ловил себя на мысли, что такое паскудное звучание оркестра себе домой притащить - себя наказать. А иногда ничего, красиво звучит. Но там сама обстановка живой прослушки и реакции зрителей многое списывает, лажа бывает, но её прощают легко. Это дома вслушиваются в любой пук- и из этого трагедию делают))))
 
Последнее редактирование:
Однозначно невозможно да и незачем тащить себе в комнату все что слышал где-то на концерте, невозможно в принципе, не тот масштаб. Слушай, домысливай, масштабируй . Все равно не получится звучать 17-см динамику так же. как делает это 15" . зато звук куцего мида родной и привычный. И как бы ни звучала чужая домашка, своя все равно радует .
Это точно. Причём понимание того, что не надо гоняться за призраками приходит не сразу. Я, например, понял что можно прожить без колонок с большими динамиками в один момент - услышал АС с хорошим тональным балансом на 16-ти см динамиках. Низкого баса там нет, но звучит приятно и без него. И всё. В комнате освободилось место.
На SE усилителе, наверное нет урагана телепающего штаны, но есть радость и эмоции, можно услышать интонации исполнителя так, как ни на чем ином.
И зачем тащить домой концерт?! - он всё равно останется на стадионе.
 
Если денех как у дурака махорки, так почему бы и не потешить себя колонками размером с шифонер. В остальных случаях зад в любом случае прийдет в соответствие со штанами :)
 
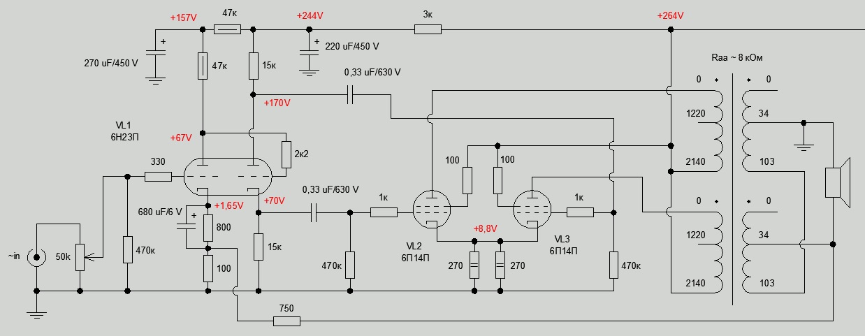
перечертил схему. Прошу взглянуть - не допустил ли я где ошибку:
1.jpg
 
Полярность вторички, точнее, точки подключения цепи общей ООС , узнать можно по наличию или отсутствию генерации . Лучше сделать это на резисторе вместо динамика, иначе вой будет невыносимый, если полярность не та и ООС превратится в ПОС и генератор.
 
Добротность у басовиков низкая. Они в ЗЯ. С точки зрения опускания басовой полки вниз по частоте - действительно нужно повышенное выходное сопротивление усилителя.
Но из моих опытов - это выходное сопротивление УНЧ влияет на "низкость" баса. Но сама подача музыки - она слышна в любом случае. Даже на динамике 4А-28, который ранее стоял у меня рядом с макетом, вообще без акустического оформления.

Подскажите, резистор 750 Ом в цепи обратной связи - можно сразу заменить на переменный резистор 1 кОм с целью выяснения оптимальной глубины ОС на слух?
 
Я бы на 6н1п и РР*6п14п, и без ООС
 

Вложения

  • Трошкин.jpg
    Трошкин.jpg
    163.4 KB · Просмотры: 164
а что, так тоже можно было?
Вот блин....
Я делал так на этапе определения с обвязкой лампы выходного каскада, чтобы выставить нужное выходное сопротивление, потом к полученному пристыковать драйверный каскад.
Другими словами, это делается не от балды или на слух, а по приборам, а слушаем позже..
 
Сергей, в старой тетради, 2009г
Никуда уже не надо было, оставалось творить.
ПС: пентоды в УМ - зло, в 2007г разобрался. Хотя времени вечно не хватало, работа, стройка, транспорт один, машина, жил за городом. Но на работе 30-40 минут, запросто. Поздно, 20 мин, скорость не соблюдал, ес-нно, 120-130 когда мог. Тогда была Нексия, всегда брал все авто с рук, и без аварий по кузову, остальное сделаю.
ПС2: схема все та же
 

Вложения

  • IMG_1968.jpg
    IMG_1968.jpg
    197.5 KB · Просмотры: 165
Эта схемка на 6П1П в триоде практически то же, что и схемка А. Резвого. Надо понимать классика.

Но не то, что ищет Петя. Ему пентодный сверхдрайвовый надо.
 
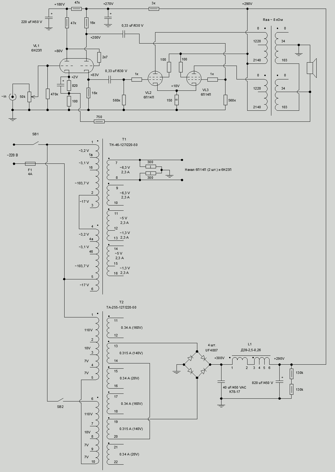
Собрал макет.
У меня не очень большой выбор номиналов резисторов. Поэтому - точно по исходной схеме не получилось. Подставлял ближайшие имеющиеся у меня номиналы. Напряжение в сети сегодня вечером у нас пониженное (200В). Вот какие номиналы в макете и реально замеренные напряжения:
1.jpg
Лампы 6П14П перебрал. У наиболее похожих, расхождение напряжения на катодах (при отдельных катодных резисторах по 270 Ом) составило 250 мВ. Их и поставил в макет. Вместо резистра 750 Ом в цепи ОС поставил переменник, но выставил прежде на нём значение 750 Ом. И пока что его не крутил. Цепь ОС проверил - попал с первого раза. При замыкании цепочки - амплитуда сигнала на выходе, по осциллографу - сразу уменьшалась.
Изменение размера 2.jpg

Хоть и поздно уже было, дети ко сну готовятся, - немного послушал макет, не громко.
Но отпишусь по свежим следам. Ничего фееричного не произошло. Но звучание классное. Такое... как бы это сказать... - без грязи.Чувствуется нотка оптимизма, присущая "пентодному" звуку. Но не ярко выпяченная. Вообще, кабы я впервые собрал такой звук при знакомстве с лампами - то на попу бы сел, открыв рот.
Но тяжёлый рок - не злится, не рокочет особо.
Рок полегче - хорош... Песню "Чёрная волга" Сплина - макет отыграл интереснее, чем играет её мой SE на 6С4С. Думаю что и группа Кино будет также в выигрыше. Не успел послушать. Жена и так ругалась - детям спать пора. Планирую завтра ещё послушать. Но, думаю, перевес в сторону лучшего звучания рока - ещё не столь велик, чтобы воплощать в законченный усилитель и иметь их дома два...
 
Как вариант- сделай резистор цепи оос, 750 ом. переменным, накрути по звуку.
Вызывает уважение твой стремительный переход от одной схемки к другой. При этом понятно, что заботу о семье никто не отменял.
ПС. Как увидишь, что дети притопывают при звуках Кино или Раммштайна- значит, звук сложился)))
 
Сегодня послушал макет погромче. Моё личное мнение - рок он воспроизводит поинтереснее, чем мой SE на 6С4С. SE усилитель - он как бы вперёд подаёт голос и основную мелодию. А пушпулльный макет - он голос как бы чуть назад отводит, а вперёд преподносит ритм и подчёркивает звучание разных инструментов. А рок-музыка она как бы для меня в том и заключается, что ритм и аккорд - они вперёд, они и передают эмоции - а голос - он постольку поскольку - орут там обычно как правило - какая уж тут красота.
Но именно этот вариант макета - он как бы не перекошен именно на ритм. Он как бы аккуратный. В этом смысле - не вижу для себя вариант останавливаться на нём. Он не является антиподом моему SE, - были варианты и более разительные.
Резистор в цепи обратной связи (750 Ом) изменял. У меня там стоит переменник на 1 кОм. При уменьшении этого номинала - звук становится тише (но это не суть), но что более важно - акценты притупляются, всё замыливается. При увеличении номинала этого сопротивления - звук становится громче (но это опять же, не суть), звук становится более ярким, более драйвовым и ритмичным. Но далее - при ещё большем увеличении - окончания в голосе на буквы "Т" "С" "Ц" - начинают "подцикивать", слышны артефакты в звучании инструментов на средне-высоких частОтах. Приходится возвращать крутилку назад (на уменьшение сопротивления ОС). Туда-сюда прогнал несколько раз - и понял, что регулятор в оптимальном на мой слух звучании - останавливается как раз в районе 750 Ом (на глаз, по риске на крутилке).
 
Сегодня послушал макет погромче. ...

Но именно этот вариант макета - он как бы не перекошен именно на ритм. Он как бы аккуратный. В этом смысле - не вижу для себя вариант останавливаться на нём. Он не является антиподом моему SE, - были варианты и более разительные.
Получается, что SE двухтактник не переиграл?
Я слушаю всевозможную музыку, и джаз, и классику, и рок. Рок очень люблю с детства. Лед Зеппелин остаётся любимой группой.
И всё это играет на SE усилителе.
Двухтактник интересен, просто тем, что его у меня нет. Значит надо сделать. А если удастся сделать хороший, который понравится как однотактный, буду счастлив.
Думаю, не обязательно иметь другой усилитель для рока. Его следует сделать просто так, но хороший. Пока хороший для меня триодный. А там кому как.
Сергей Z, КЛАСС!
А моя любимая - Stairway to Heaven
Я слушаю весь Лед Зеппелин кроме Коды. Кода составлена из давно записанных композиций не включённых в другие альбомы. Не включили и правильно сделали. Мне они тоже не нравятся.
 
Получается, что SE двухтактник не переиграл?
Рок музыку я бы предпочёл слушать на получившемся макете (двухтактнике). По моему мнению - по части такой музыки "SE двухтактник не переиграл", то есть двухтактник тут - мне нравится больше. Но разница не настолько значительна, чтобы ради этих нюансов собирать целый второй усилитель.
Ещё наблюдаю интересный момент: чем больше разных вариантов я пробую на макете отслушивать - тем больше развивается у меня любовь к звучанию моего SE. Вот такой парадокс. (это касается - на музыке в общем, а не только рок)
 
РР на 2а3(6с4с) точно понравится!
 
Так может быть и Пете имеет смысл такой делать?
Пётр, Юрий советует на 6С4С.
 
Делать PP на 6С4С - дорого, на мой взгляд. Особенно, если при этом ещё рассчитывать на подбор ламп в пары. Я не претендую на этот уровень.
У меня в моём SE одна лампа начала барахлить - немножко качается в цоколе. Периодически раздаётся шорох в АС. Я её ногтём по колбе слегка - шорох прекращается. Благо, Александр мне и запасные подарил. Есть спокойствие за SE. Но PP на них - это роскошь. Не моя.
 
Делать PP на 6С4С - дорого, на мой взгляд. Особенно, если при этом ещё рассчитывать на подбор ламп в пары. Я не претендую на этот уровень.
Выше прекрасная схема балансировки приведена. Думаю использовать подобную.
У меня в моём SE одна лампа начала барахлить - немножко качается в цоколе. Периодически раздаётся шорох в АС. Я её ногтём по колбе слегка - шорох прекращается. Благо, Александр мне и запасные подарил. Есть спокойствие за SE. Но PP на них - это роскошь. Не моя.
Никая не роскошь. При желании можно неспешно лампочек докупить, они есть ещё. Не обязательно сразу кучу денег грохать.
 
Схемы 3 и 8, всё. Наелся...
 

Вложения

  • 8.jpg
    8.jpg
    167.2 KB · Просмотры: 150
Именно. Звучит чуть интереснее чем 6 и 7. И живинка от УЛ присутствует и почти триодное спокойствие от КО.
У меня, к сожалению - нет на выходнике отдельной катодной обмотки. На каждой катушке - всего две секции первички, между ними секция вторички. То есть отвод у меня один, только на УЛ. Но на будущее - буду иметь в виду. Я так понимаю что без катодной обмотки - перекрёстное подключение УЛ делать нет смысла. Судя по названию "суперпентодное" - предполагаю, что искажений будет ещё больше, чем при пентодном подключении, так?
 
Нет. Катодная обмотка тоже обратная связь. Уменьшает искажения.
 
Попробую понятнее сформулировать.
У меня нет катодной обмотки. Но есть УЛ отводы. Из двух вариантов:
1. УЛ отводы подключены - к каждой лампе со своей части первички (рисунок 2)
2. УЛ отводы подключены перекрёстно (отвод берётся с части первички, работающей на соседнюю лампу)
Так вот, - из этих двух случаев - где отрицательная обратная связь будет глубже (сильнее)?
 

Статистика форума

Темы
3,304
Сообщения
263,139
Пользователи
2,544
Новый пользователь
vlad'mir
Назад
Сверху Снизу