NEULO
1 ранг
- Регистрация
- 14 Июл 2019
- Сообщения
- 4,242
- Реакции
- 2,510
- Баллы
- 122
- Возраст
- 52
- Страна
- Россия
- Город
- Одинцово
- Предупреждений
- 7
Они не хвалёные и не единственные. Просто проверены тысячи раз уже и работают. А штатные модели из набора любого симулятора- могут преподнести весьма неприятный сюрприз.

"Чудо": изменения ГВС от величины выходной катушки, степ катушки от 0.1мкГн до 5.1мкГн с шагом 1мкГн.(вх фильтр отключён)
Вот такое мошенничество. Опять же- катушка вне цепи ООС и никаких таких весомых искажений вносить не может. Зато "СИД" "повороты фазы" "TIM" и прочую несуществующую хрень- очень даже вносит. Ну понятно, в "устоявшемся режиме" измерения неправильные же, надо бурусами только мерить- ими мошенничать удобнее.
Немного о разнице моделей, на графике шаг с током базы 1мА. Три разных модели из стимулятора, подписаны.

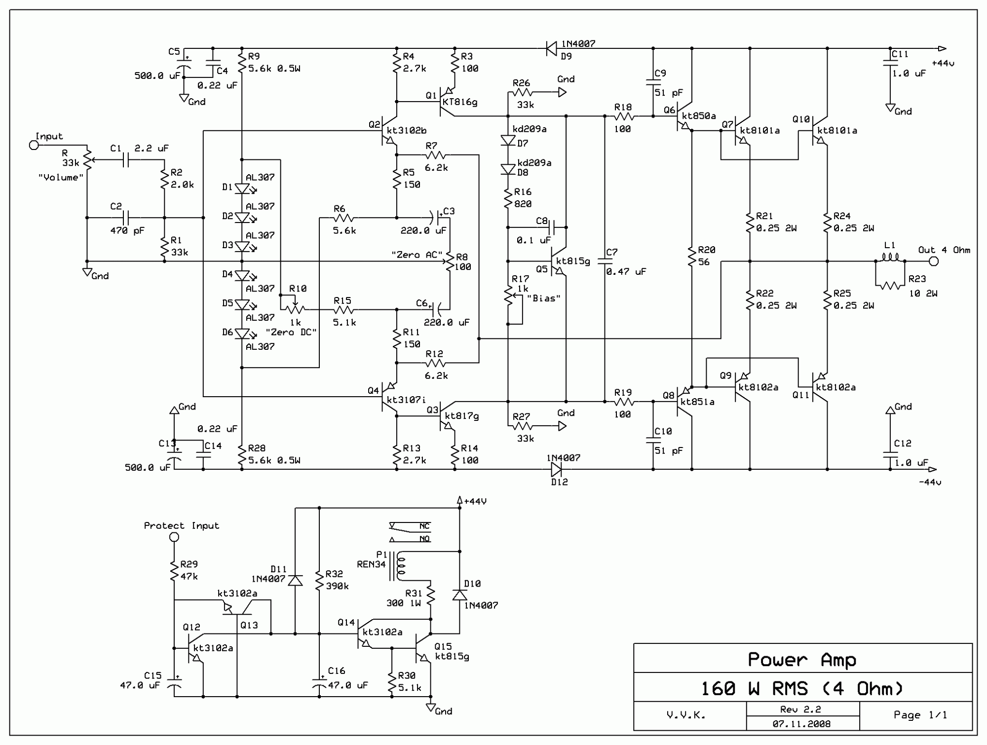
Схема измерения такая же как у канструхтыря в микрокапе.
Приводить график одной модели это конечно хорошо и очень умно, но сравнить не с чем.
А надо сравнивать.
У моделей даже частотные свойства разные:


"Чудо": изменения ГВС от величины выходной катушки, степ катушки от 0.1мкГн до 5.1мкГн с шагом 1мкГн.(вх фильтр отключён)
Вот такое мошенничество. Опять же- катушка вне цепи ООС и никаких таких весомых искажений вносить не может. Зато "СИД" "повороты фазы" "TIM" и прочую несуществующую хрень- очень даже вносит. Ну понятно, в "устоявшемся режиме" измерения неправильные же, надо бурусами только мерить- ими мошенничать удобнее.
Немного о разнице моделей, на графике шаг с током базы 1мА. Три разных модели из стимулятора, подписаны.

Схема измерения такая же как у канструхтыря в микрокапе.
Приводить график одной модели это конечно хорошо и очень умно, но сравнить не с чем.
А надо сравнивать.
У моделей даже частотные свойства разные:

Вложения
Последнее редактирование модератором:



