Схемотехника усилителей 2021

  • Автор темы Автор темы rngtng
  • Дата начала Дата начала
Это то самый случай, когда хочешь как лучше, а получается как всегда)) Схема (Шиклаи) с усилением в ВК просто печалит)). Шиклаи в чистом виде вполне себе, а если перед ним добавить повторитель то это лучший ВК по всем параметрам.
Тройка Локарни лучший ВК

Тоже вот довелось столкнуться, а в чём фишка этих самых термалтраков?
считай идеальное отслеживание температуры перехода транзистора.
 
считай идеальное отслеживание температуры перехода транзистора.
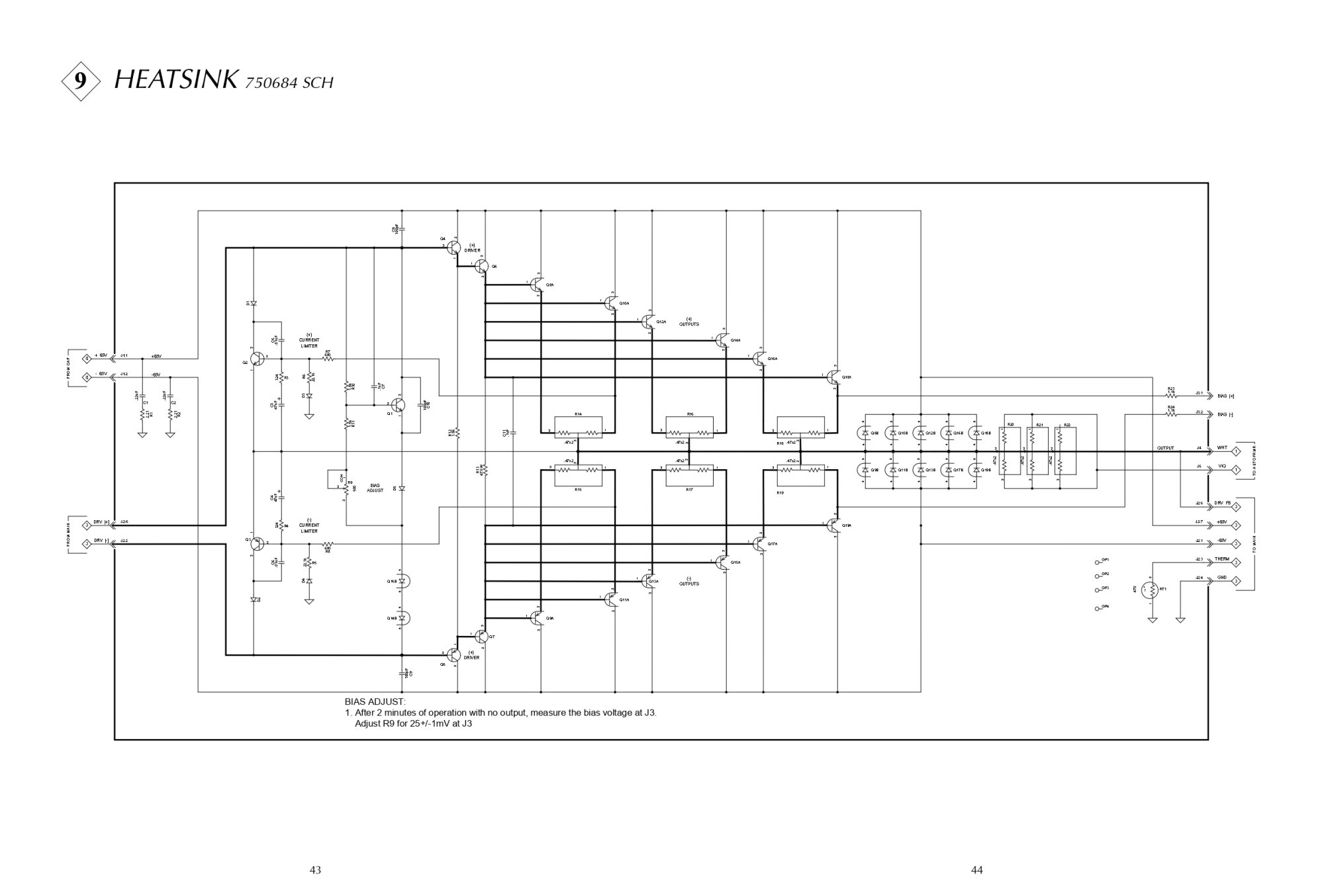
Нет, это не работает. Попал в ремонт усилитель Макинтош с вот этими самыми термалтраками. Все диоды что в транзисторах, включены чтобы отбить все возмущения автотрансформатора и нагрузки, а 2 диода включены в цепь терморегулировки. Я неделю не мог угомонить выбег тока покоя. Ставлю на ночь включенный усь (питание от лабораторных БП), в момент включения ток 0,35 А на два канала, к утру ЛБП в ограничении (0,5 А). Так что эти термалтраки просто высос денег у доверчивых)) Схему прилагаю, я так думаю у вас найдётся много выражений богатого русского языка)) Пока чинил постоянно употреблял настойку пустырника))
 

Вложения

  • ma7000 (1)_page-0024.jpg
    ma7000 (1)_page-0024.jpg
    163.5 KB · Просмотры: 234
Просто надо делать гальваническую развязку диодов и цепи регулировки тока токоя.
 
Нет, это не работает. Попал в ремонт усилитель Макинтош с вот этими самыми термалтраками. Все диоды что в транзисторах, включены чтобы отбить все возмущения автотрансформатора и нагрузки, а 2 диода включены в цепь терморегулировки. Я неделю не мог угомонить выбег тока покоя. Ставлю на ночь включенный усь (питание от лабораторных БП), в момент включения ток 0,35 А на два канала, к утру ЛБП в ограничении (0,5 А). Так что эти термалтраки просто высос денег у доверчивых)) Схему прилагаю, я так думаю у вас найдётся много выражений богатого русского языка)) Пока чинил постоянно употреблял настойку пустырника))
Что из деталей схемы термостабилизации термически связано с термалтраками? Только 2 диода? или и транзюк мелкий - внутри?
 
или и транзюк мелкий - внутри?
Транзюк мелкий имеется (см. схему выше, правда качество отвратное, но что есть то есть) Но! Он просто установлен на плате и никого контакта с радиаторами НЕ имеет! Вот такая американская вундервафля))
На завтра прогон на полной мощности. Если усилитель выживет я типа в прибыли, а если нет то значит попал так попал))
 
Транзюк мелкий имеется (см. схему выше, правда качество отвратное, но что есть то есть) Но! Он просто установлен на плате и никого контакта с радиаторами НЕ имеет! Вот такая американская вундервафля))
На завтра прогон на полной мощности. Если усилитель выживет я типа в прибыли, а если нет то значит попал так попал))
Если мелкий транзюк НЕ ИМЕЕТ теплового контакта с источником тепла, то Вы его не настроите, ибо... ибо 2 нагретых диода никогда НЕ СКОМПЕНСИРУЮТ 6 нагретых переходов БЭ! Его надыть вынесть на радиатор.
 
никогда НЕ СКОМПЕНСИРУЮТ 6 нагретых переходов БЭ!
Полностью с вами согласен, но модернизировать аппарат не буду потому что не мой он) Стабильности добился изменив пару номиналов в схеме, завтра жестокая проверка.
 
крутые детальки
Sony.jpg
 
Интересно как сильно эту схему заругают
 

Вложения

  • Nuclon.gif
    Nuclon.gif
    29.6 KB · Просмотры: 240
Вот вам информация к размышлению.
ruro.jpg

По моим понятиям, резисторы цепи ООС R1, R2 должны отличаться не более чем в два раза, только тогда ООС будет работать эффективно.
Остальное усиление добирается низкоомным делителем R3, R4 со специального выхода, работающего только на ООС.
потому что - сигнал ООС надо снимать с отдельного выхода, там где нет влияния ПЭДС динамика/АС, только тогда ООС будет работать корректно и точно.
2. Выходной каскад идущий на АС, ООС не охватывается,
3. предывыход + сигнальный выход на ООС, и силовой выход (АС) должны разделяться диодами.
ПОЧЕМУ?... это логично и понятно.
4.Здесь нарисована двойка,(для экономии времени) но конечно лучше поставить тройку.
Должно получиться интересно.
Пока все.
p.s. Для начала, выход ООС можно взять и с обычного выхода, главное соблюсти соотношение резисторов ООС R1, R2 и обязательно поставить низкоомный делитель R3 R4. чтобы добрать нужное усиление в петле ООС
 
Последнее редактирование:
Вот вам информация к размышлению.
Посмотреть вложение 55912
Остальное усиление добирается низкоомным делителем R3, R4 со специального выхода, работающего только на ООС.
Что-то новенькое....
потому что - сигнал ООС надо снимать с отдельного выхода, там где нет влияния ПЭДС динамика/АС, только тогда ООС будет работать корректно и точно.
А зачем нужна корректно сама для себя работающая ООС, не дающая корректного результата на входе АС?
2. Выходной каскад идущий на АС, ООС не охватывается,
Постоянку не мешало бы отслеживать, выходные транзисторы однако разные.
3. предывыход + сигнальный выход на ООС, и силовой выход (АС) должны разделяться диодами.
Д2 и Д4 лишние.
Кстати, в TDA7293 есть выход драйвера (обычно не используется), я пробовал с него снимать ООС. В целом на небольшой громкости неплохо, постоянки на выходе почти не было (за пару минут наблюдений).
 
Что-то новенькое....
Про "новенькое" отвечу позже, много писать.
А зачем нужна корректно сама для себя работающая ООС, не дающая корректного результата на входе АС?
Если бы не ПЭДС генерируемая на спаде сигнала самой АС, можно было бы брать и с выхода АС, но по сути, ООС исправляет искажения самого тракта, и это ее главная задача, но выбросы ПЭДС, она контролировать не обязана, поэтому с предвыхода сделан сплиттер на два выхода: первый - для ООС, которая занимается только своей основной задачей , второй - просто как танк, он повторяет предвыход с ООС, но изолирует ООС от ПЭДС, чтобы она работала в комфортном и точном режиме.(без ненужных шараханий от ПЭДС)
Я считаю, усилитель не должен заниматься проблемами АС, его задача, повторить на выходе сигнал входа, на любую приемлемую нагрузку.
То есть выход не должен чувствовать нагрузку ( Танк ), мне видится это правильным решением.
Макетные испытания в железе, показали убедительность такого подхода к схеме оосника.

Постоянку не мешало бы отслеживать, выходные транзисторы однако разные.
Да, у меня стоит интегратор ноля, только включен он нестандартно, но это работает, и работает хорошо.
333.jpg
Согласен. Можно и без них.
Кстати, в TDA7293 есть выход драйвера (обычно не используется), я пробовал с него снимать ООС. В целом на небольшой громкости неплохо, постоянки на выходе почти не было (за пару минут наблюдений).
Сначала я так и делал, снимал ООС с предвыхода, а выход на АС работал без ООС (Танк), но потом пошел чуть дальше,когда понял что резисторы цепи ООС, должны расчитываться иначе (паралельная ООС +низкоомный делитель). Итоговый вариант сейчас и показываю.

Что-то новенькое
Наверное мне повезло с выбором основного усилителя, с его архитектурой и как следствие- типом ООС, применяемой в нем.
Это линейник-инвертор с параллельной ООС.
Вот этот.
Эталон.jpg


Этот усилитель прошел хорошее крещение на практике, никогда не разочаровывал звуком, был всеяден к деталям, и надежен, поэтому для себя я взял схемные решения примененные в нем, за некий эталон, основных их три:
1. Инвертор. ( точный и динамичный звук)
2. Параллельная ООС ( резисторами)(самая быстрая и точная ООС)
3. УН с ОЭ.
Собственно этих решений и придерживаюсь до сих пор, и в коротком тракте, которым я сейчас занимаюсь.
Это я к чему... а к тому, что просмотрев самые передовые усилители, я увидел что в них применено почти то же самое, что и в моем случае, кроме варианта УН, чсейчас стало модным делать УН с ОБ, может он и более линейный, но по звуку мне больше нравится УН с ОЭ.
И вот все вроде хорошо, но раздумывая о механизме работы ООС в инверторе (паралелльная ООС), я как бы "увидел", что по сути, входной каскад сравнения входного сигнала и ООС, это обычный сумматор, как в микшерских пультах, и я подумал, если это сумматор, значит и резисторы должны быть одного номинала, то есть надо создать максимально одинаковые условия для входного и оосного сигнала, а это - резисторы одного или близкого номинала.
Тогда токи и напряжения входа и ООС,будут смешиваться корректно и правильно.
Но если делать их одинаковыми, или не сильно разными, то сильно упадет Ку в петле обратной связи, значит нужен делитель, и конечно же низкоомный, это понятно.
Дальше уже дело техники.
Конечно я пришел к этому далеко не сразу, но после того как заменил в коротком тракте резистор ООС, на близкий к входному, и поставил низкоомный делитель, качество звучания прилично улучшилось, хотя и до этого было неплохим, но с доработанной ООС, оно стало более детальным и чистым.
 
Это так называемый усилитель STONECOLD, посмотрите про такую схемотехнику:
Радио 1985 №9 с32
Радио 1986 №8 с43
Радио 1994 №2 с13
http://interlavka.narod.ru/nabor/nab200W.htm
https://interlavka.su/articles/usilitel-moschnosti-sound-barrel-150
Это усилитель Шмидта, за 70 какой то год.
Но конкретно моя схема, это доработанная Форманта м50-2
formanta-m50-2-shema2 (1).jpg
Путь в никуда. Хотя вот. Потом удалю. Пока пофлужу в схемотехнике.
Я выложил схему унч по топологии Шмидта, что бы было понятно, как и почему. я пришел к идее низкоомной паралельной ООС, а не для продвижения самой схемы.
Для дома он конечно не очень, не дает сверхдетальности из за особенностей включения ОУ, но как хороший концертник - он на высоте.
 

Kenwood:​

Dual Sigma Drive​

внедрила свою фирменную технологию в автоусилители класса Д - сигнал обратной связи снимается после выходных фильтров. Это то, что у нас назвали "каблечисткой":)
«В усилителях Kenwood серии X контроль выходного сигнала производится непосредственно на выходе фильтров, это уже учитывает взаимодействие усилителя с динамиком, и даже при небольшой мощности усилитель легко контролирует ход диффузора, бас получается очень точным и чётким», — отмечают специалисты.
55-780x400.jpg

Здесь статейка про сигма драйв. Можно скопировать кусками и сунуть в переводчик:)
 
Последнее редактирование модератором:

Kenwood:​

Dual Sigma Drive​

внедрила свою фирменную технологию в автоусилители класса Д - сигнал обратной связи снимается после выходных фильтров. Это то, что у нас назвали "каблечисткой":)
«В усилителях Kenwood серии X контроль выходного сигнала производится непосредственно на выходе фильтров, это уже учитывает взаимодействие усилителя с динамиком, и даже при небольшой мощности усилитель легко контролирует ход диффузора, бас получается очень точным и чётким», — отмечают специалисты.
Это не фильтры АС, там-же написано - выходные фильтры D-шника. В совсем говённых, типа 3116D2 эти фильтры не в петле ООС, а от них очень многое зависит. В нормальных усях класса D сделано как на схеме выше.
 
Это не кабелечистка, разумеется. Так делается охват катушки на выходе усилителя (в настоящих усилителях).
Логика одинаковая - охватить петлёй ООС все элементы, которые дают искажения на сопротивлении нагрузки
 
Сухов новый ролик выпустил. Все настолько спорно, понятно ,что не рискнул на открытых площадках дискуссировать.
 
Сухов новый ролик выпустил. Все настолько спорно, понятно ,что не рискнул на открытых площадках дискуссировать.
Посмотрел начало.
Насчет симметрии запитки УН я с ним согласен, что это неоднозначный вариант "как -лучший" , правда он говорит о каких то емкостях, но я вижу это иначе: - верхнее и нижнее плечо при симметрии, запитываются "разными" токами, это приводит к не согласованности работы плеч, и скорее добавит искажений, чем уберет.
Если делать в УН оба плеча активными, то их надо запитывать единым током, вроде такого варианта со смещением между базами.
IMG_20221222_140752.jpg
Тогда плечи будут работать синхронно, и теоретически, это более благоприятно для уменьшения искажений УН.
Я пока еще не пробовал в макете, нет возможности, но скоро попробую, самому интересно.
 
Спорно все там. Не жду откровений от коммерсантов. Каскод ему не нравится . Симметрия поперек горла. Петлевое помешало.Оно не помешало,если бы ввшник мог им похвастаться.
 
Спорно все там. Не жду откровений от коммерсантов. Каскод ему не нравится . Симметрия поперек горла. Петлевое помешало.Оно не помешало,если бы ввшник мог им похвастаться.
Есть понятие - золотая середина, глобальный баланс между всеми составляющими - для достижения максимального результата, она применима ко всем физическим процессам, и к схемотехнике тоже.
Это вас рус "заразил" антисуховщиной.
Как по мне, Сухов нормальный товарищ, правда объясняет несколько туманно и размазанно, но у него есть козырь ВВ 1989г, который повторили наверное десятки тысяч человек, и это работает, и работает хорошо.
И причем там Видерхольд, непонятно, можно подумать Видерхольд изобрел это с нуля, хотя он всего лишь поставил на входе ОУ. Не он, так другой бы поставил, но чуть позже.
Чем Сухов попал в десятку, это тем, что применил на выходе тройку Локанти, не сделай он этого, усилок по параметрам и повторяемости, был бы прилично хуже. Но с тройкой Локанти усилок стал образцовым.
 
Я сам кого хошь заражу. Видерхольд создатель ,Сухов адаптировал его на советскую элементную базу . Не украл,а на базе творения гэдеэровского товарища создал современный аппарат с более высокими характеристиками.Это тоже надо уметь. Ну и приукрасил пиаром . А вот с его нынешними высказываниями можно поспорить. Правда за деньги я на его площадку не пойду.Не екнулся еще.
 
Сухов новый ролик выпустил. Все настолько спорно, понятно ,что не рискнул на открытых площадках дискуссировать.
Роскошный материал, ни убавить ни прибавить. Блеск.
Кто бы так рассказал 40 лет назад, сколько дурных движений не пришлось бы делать.
 
Есть понятие - золотая середина, глобальный баланс между всеми составляющими - для достижения максимального результата, она применима ко всем физическим процессам, и к схемотехнике тоже.
Это вас рус "заразил" антисуховщиной.
Как по мне, Сухов нормальный товарищ, правда объясняет несколько туманно и размазанно, но у него есть козырь ВВ 1989г, который повторили наверное десятки тысяч человек, и это работает, и работает хорошо.
Нередко ВВ просто не запускался. Нормально работал только с "двойкой" на выходе.
Что повторили десятки тысяч, тоде спорно. И в те годы это была не единственная схема усилителя.
И причем там Видерхольд, непонятно, можно подумать Видерхольд изобрел это с нуля, хотя он всего лишь поставил на входе ОУ. Не он, так другой бы поставил, но чуть позже.
Чем Сухов попал в десятку, это тем, что применил на выходе тройку Локанти, не сделай он этого, усилок по параметрам и повторяемости, был бы прилично хуже. Но с тройкой Локанти усилок стал образцовым.
Его усилитель не относится к образцовым. Скорее к типовым, стандартным, обычным.
 
Нередко ВВ просто не запускался. Нормально работал только с "двойкой" на выходе.
Даже Худ на 4 трнз. иногда не запускается, это понятно.
Что повторили десятки тысяч, тоде спорно. И в те годы это была не единственная схема усилителя.
Я не ставлю Сухова выше всех, скорее реабилитирую его самолично, ибо в последние годы слишком много помоев вылили на него незаслуженно.Особенно оголтело это делают на рцл... так проявляется тщеславие человечье.
Насчет десятков тысяч, я имел ввиду весь мир, а не только Россию.
Его усилитель не относится к образцовым. Скорее к типовым, стандартным, обычным.
Согласен.
Просто на рцл кое- кто, делает из него Идола, ну причины я думаю, понятны.
 

Статистика форума

Темы
3,304
Сообщения
263,058
Пользователи
2,544
Новый пользователь
vlad'mir
Назад
Сверху Снизу