Схемотехника усилителей 2021

  • Автор темы Автор темы rngtng
  • Дата начала Дата начала
На сегодня я не вижу никакой необходимости применять ОУ в звуковом тракте из - за специфики музыкального звукового сигнала.
Ой, беда! А мужики-то в студиях звукозаписи ничего этого и не знают.

Если это мелкоосник или безООСник, делать исходный тракт широкополосным - нет необходимости.
А это вы А.Б. срочно расскажите, чтобы он больше не мучился зря с вытягиванием полосы своих усилителей.
 
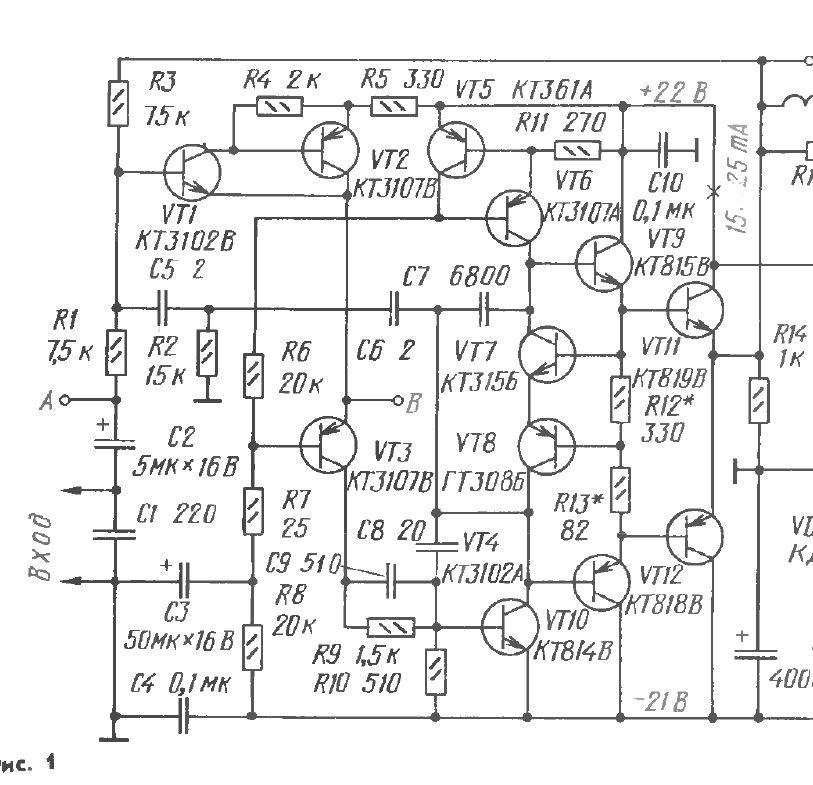
набери схему усилителя А.Данилова УМВТ50-84 и измерь
Моделировал данную схему. Наверное для вас будет великим открытием что если выкинуть "обход" и нормально сделать коррекцию то схема работает куда лучше.
Задержки это хорошо, но каскад на КП303 вносит так дохрена искажений что смысла в таком решении просто нет.
 
по поводу глубокоОСников. В них не просто получить малое время задержки прохождения сигнала. Вот один из примеров популярного разработчика с вегалаба (да простит меня Белка). Протестирована модель автора без каких либо вмешательств с моей стороны. Вот параметры:
петлевое на частоте 20 кГц - 150 дБ
tPD около 400 нс от DC до 100 кГц (точнее указано на схеме и видно на диаграмме Боде)
уже со второй полуволны сигнала нет никаких искажений (ничтожно малы), но в начале и конце бурстов видим искажения до 50 мВ!
Там, и другие нюансы могут вылезти боком, в динамическом режиме.
Глубокоосники ныне все больше царствие армии диванных симуляторщиков, которые в принципе не будут брать паяльник в руки.
В общем, еще один аргумент заниматься малооосниками и безоосниками.
 
Не увидел ещё одного аргумента.
Ціле покоління рукосуїв виховане на заповітах Метью Отала щодо так званих "динамічних спотворень" (С), які виявились оманою. Про це освітчені інженери дійшли висновку ще в нульових-десятих роках нашого сторічча. Але іх висновки сприйняли не всі. Не варто витрачати час на недолугих, нехай бавляться в свої затримки. Аби не плакали.
 
негоже в качестве учебного примера пользоваться кривыми моделями транзисторов
Он не моделями учит пользоваться, а симулятором.
Модели вы можете легко заменить. А вот недостатки слабого симулятора исправить - нет!
 
Знаете,я вот здесь немного попробовал с вашей подачи ЛТС 4, (с вашей интерпретацией моего мелкоосника ), и когда я начал что то там немного менять по мелочи, то,что в железе работало бы стопроцентно, он отказался считать транзиент,вернее пытался, но тупил на 1-2% от начала, до бесконечности.
и тогда я понял что с ним,что-то не то.
После этого,желание им пользоваться,как то резко поуменьшилось.
На остальное отвечу позже.
Это- недостаток симулятора ЛТС, я с ним много раз сталкивался, и знаю как с этим бороться. Опыт, понимаешь. Опыт- лучший учитель. Хочешь получить опыт- спрашивай у тех кто хочет им поделиться.
 
Моделировал данную схему. Наверное для вас будет великим открытием что если выкинуть "обход" и нормально сделать коррекцию то схема работает куда лучше.
Толку с того "обхода"- ОУ обошёл, а всё остальное как было, так и осталось.
 
Выражайтесь точнее, - недостаток именно LTspice v4, а не всего LTspice в целом.
В данный момент существует и поддерживается LTspice v17.1.15, в которой и точность, и скорость расчётов значительно повышены.
А.П.Бордодынов тестирует новый симулятор. - Qspice, в нём заложены ещё более мощные возможности. В частности, добавлена способность учитывать рассеиваемую элементом мгновенную мощность, влияющую на мгновенный нагрев, меняющий параметры транзистора в такт с усиливаемым сигналом (так называемые тепловые искажения).
Остальные симуляторы ЛТС с другими цифрами- довольно убогое поделище которое я лично, и большинство людей которых я знаю- не используют. Люди которые делали ЛТС-17 не смогли даже обеспечить нормальной совместимости с предыдущей версией. Да что там говорить- даже шрифты нормально на схеме не работают. О чем вы вообще?
 
Плавающее питание ОУ, для меня вообще нонсенс, это что же получается...на низких частотах питание плавает, а на средних и высоких уже нет, и что это за усилитель такой ?...
Просто оно (следящее питание ОУ) сделано не лучшим образом. Оно должно отслеживать входной сигнал, а не выходной.
 
У меня как раз трудности не получением большого значения петлевого усиления, а со способностью совладать с ним, - пришлось вспоминать институтские лекции.
Трудностей с получением большого петлевого усиления - нет. Тыкай ещё каскадов, пять десять, тридцать- получай 200, 300 , 1000 децибел усиления. Проблема как раз именно в коррекции.
Но так как я институтские лекции вспоминать не могу, чем мне поможет молярность, моляльность, нормальность, валентность с ковалентостью и комплексными соединениями? То я просто много читал товарища Жуковскаго.)

Просто оно (следящее питание ОУ) сделано не лучшим образом. Оно должно отслеживать входной сигнал, а не выходной.
Это зависит от. Вообще то выходной сигнал от входного (в нормальном усилителе) отличается только размахом. Так что - всё там нормально со слежением. Главное кратность делителя правильную подобрать и скорректировать петлю слежения тоже.
Чудеса СТТЛа появляются от его дремучести и незнания простейших вещей.
 
О чем вы вообще?
Вот и я спрашиваю, - о чём вы? Вам шрифты или расчёт схемы нужен?
Со шрифтами и Notepad отлично справляется.

Трудностей с получением большого петлевого усиления - нет. Тыкай ещё каскадов, пять десять, тридцать...
Нет, нагнать огромное петлевое усиление можно и не добавляя лишние каскады. Есть другие способы.
Заодно и линейность усилителя до замыкания петли ООС повышается.
 
Вот и я спрашиваю, - о чём вы? Вам шрифты или расчёт схемы нужен?
Со шрифтами и Notepad отлично справляется.
Зачем слепому рассчёт схемы? ЛТС-4 с нормальными шрифтами справляется с рассчётами ничуть не хуже. Причём, вы конечно удачно строите из себя дофига умного, но я проверял- ЛТС-17 точно так же спотыкается в тех же местах что и ЛТС-4, если бы не спотыкалась- я бы может на неё и пересел. Но нет.
Шрифты это мелочь, симптом. Но оно показывает наглядно уровень "доработок" в ЛТС-17. Команда там ещё те болваны.

Нет, нагнать огромное петлевое усиление можно и не добавляя лишние каскады. Есть другие способы.
Заодно и линейность усилителя до замыкания петли ООС повышается.
Можно нагнать. Но толку с большого усиления если вы его не можете использовать- будет совсем чуть.
 
большинство людей которых я знаю- не используют.
Это аргумент из серии "миллионы мух не могут ошибаться".
Я тоже когда-то на EWB (Electronic WorkBench) смотрел, не пойдёт ли дым из какой-нибудь схемы. Попутно и со SwitcherCAD'ом (предшественником LTspice) знакомился.
А понадобилось исследовать серьёзную схему, - пришлось воспользоваться LTspice.
Сперва, как и вы, нашёл v4, ибо она на каждом углу выложена, но быстро оказалось, что не справляется с задачей. Не может обсчитать интересуещее меня устройство.
А LTspice v17, - даже не самый сввежий, - легко решает.

Шрифты это мелочь, симптом. Но оно показывает наглядно уровень "доработок" в ЛТС-17. Команда там ещё те болваны.
Вы чем печатные платы разводите? Мне очень нравится Sprint Layout, хотя в нём нет поддержки Кириллицы.

Можно нагнать. Но толку с большого усиления если вы его не можете использовать- будет совсем чуть.
Да, если с достойным лучшего применения упорством цепляться за старое ПО (LTspice v4), то вы не сможете оптимально скорректировать УНЧ с большим уровнем петлевого усиления.
Но с помощью современного , например, - v17.1.15, - это вам удастся.
 
Вы чем печатные платы разводите? Мне очень нравится Sprint Layout, хотя в нём нет поддержки Кириллицы.
Я развожу Dip Trace .
Что касаемо ваших "устройствов" , я не знаю что там у вас легко решает нелегко решает. У меня нерешаемых устройствов для ЛТС-4 - не попадалось. Я же не СТТЛ который умудрился схему на трёх транзисторах так завесить что комп задымился. Руки просто надо иметь не из задницы, а хотя бы из плеч.

Да, если с достойным лучшего применения упорством цепляться за старое ПО (LTspice v4), то вы не сможете скорректировать УНЧ с большим уровнем петлевого усиления.
Но с помощью современного , например, - v17.1.15, - это вам удастся.
150дБ хватит, или надо побольше? Без малейших проблем.
Что касаемо. Вот спектр моей довольно уже старой разработки , всего 110дБ усиления в петле.
1704026535448.png
Хрен его знает как это в железе измерять.
 
Я развожу Dip Trace .
Хороший выбор, мне в Sprint Layout'е не хватает связи между схемой и рисунком платы с помощью списка связей.
Что касаемо ваших "устройствов" , я не знаю что там у вас легко решает нелегко решает. У меня нерешаемых устройствов для ЛТС-4 - не попадалось.
А мне - попалось, например, блок усилителя напряжения в "Корвет 200УМ-088С". Там присутствуют две модели ОУ, выполненные на транзисторах (КР1407УД1 и КР544УД2). Не то, чтобы показать ЛАХ петлевого усиления даже рабочую точку найти LTspice v4 не может (по крайней мере - в моих руках). В тех же условиях LTspice v17 с задачей справляется.
Надеюсь, когда полноценно выйдет Qspice, - смогу воспользоваться и его возросшей скоростью, точностью и новыми возможностями.

150дБ хватит, или надо побольше? Без малейших проблем.
Ещё раз, не в децибеллах петлевого усиления дело, а в сложности схемы. LTspice v4 не со всякой схемой справится, - особенно, если модели ОУ не "сферические в вакууме", типа LT1022, а действительные, отрисованные со всеми внутренними подробностями, как, например, в случае КР544УД2.
 
Ещё раз, не в децибеллах петлевого усиления дело, а в сложности схемы. LTspice v4 не со всякой схемой справится, - особенно, если модели ОУ не "сферические в вакууме", типа LT1022, а действительные, отрисованные со всеми внутренними подробностями, как, например, в случае КР544УД2.
В 150дБ схеме использована модель была 574уд1. Такая же как в случае с 544уд2
Я вообще обычно наши ОУ использую. Спектр выше от усилка на базе 157УД2.
Хороший выбор, мне в Sprint Layout'е не хватает связи между схемой и рисунком платы с помощью списка связей.

А мне - попалось, например, блок усилителя напряжения в "Корвет 200УМ-088С". Там присутствуют две модели ОУ, выполненные на транзисторах (КР1407УД1 и КР544УД2). Не то, чтобы показать ЛАХ петлевого усиления даже рабочую точку найти LTspice v4 не может (по крайней мере - в моих руках). В тех же условиях LTspice v17 с задачей справляется.
Надеюсь, когда полноценно выйдет Qspice, - смогу воспользоваться и его возросшей скоростью, точностью и новыми возможностями.
Ну так, модельку бы, на поглядеть то на такое чудо?)
 
Не увидел ещё одного аргумента.
О них уже сто раз говорено. Но если что о стенку горохом, то продолжайте виртуальные забеги за нулями после запятой, и децибелами глубины ооос, бессмысленные и беспощадные.
 
Последнее редактирование:
О них уже сто раз говорено. Но если что о стенку горохом, то продолжайте виртуальные забеги за нулями после запятой, и децибелами глубины ооос.
Зачем мне забеги? Я паяю то что мне нравится. А не то что якобы я должен кому то что то доказывать. Например Святославу. Да схрена ли?
1704029454735.png
Проект "Белый дракон" на завершающей стадии настройки.
 
Да вы хоть себе уразумейте, что чем глубже ооос, чем больше там деталей для этого, тем больше и так приближенная модель усилителя отличается от реальной.
Заканчивается проект? Так прогоните его на сложную комплексную нагрузку, повышение/понижение в разы сопротивления нагрузки, на реакцию на противо-ЭДС на выходе, и не только на синусе. На способность усилителя сохранять свои параметры и устойчивость в случае крайних точек вилки разброса параметров транзисторов.
 
Да вы хоть себе уразумейте, что чем глубже ооос, чем больше там деталей для этого, тем больше и так приближенная модель усилителя отличается от реальной.
Заканчивается проект? Так прогоните его на сложную комплексную нагрузку, повышение/понижение в разы сопротивления нагрузки, на реакцию на противо-ЭДС на выходе, и не только на синусе. На способность усилителя сохранять свои параметры и устойчивость в случае крайних точек вилки разброса параметров транзисторов.
Я даж не знаю. Тут глубина оос около 70дБ на 20кГц и около 80 ниже по диапазону.
Но давным давно уже работает у меня усилок с 96дБ и до 120 ниже.
Какая нагрузка для усилителя может быть сложнее и комплекснее АС? Ответ- никакая. Потому что утюг на выход подключать усилителя- никто не будет. Так же как и газову плиту с холодильником. Тут вам надо чутка осетра урезать и знать границу испытаний.
Тем не менее- обе схемы спокойно жуют меандр 20 кГц и в клипе- тоже. Спокойно кушают синус до 300кГц. И нахрен мне эту вашу противо ЭДС , которой в общем и целом- просто не будет.
А то будете как Могильный на выход усилка без катухи вешать ёмкость 10мкФ и говорить "ой, усилитель неустойчивый".) _hm_
 
Да вы хоть себе уразумейте, что чем глубже ооос, чем больше там деталей для этого, тем больше и так приближенная модель усилителя отличается от реальной.
Навпаки.
Заканчивается проект? Так прогоните его на сложную комплексную нагрузку, повышение/понижение в разы сопротивления нагрузки, на реакцию на противо-ЭДС на выходе, и не только на синусе. На способность усилителя сохранять свои параметры и устойчивость в случае крайних точек вилки разброса параметров транзисторов.
Це ми, ніби, вже обговорювали і зійшлись на тому, що єдиний значущий фактор струм в навантаження. Вірніше, здатність підсилювача віддати в навантаження потрібний струм, що пов'язана з його вихідним опором. Це не проблеми, а витрати.
 
Кстати про разброс- транзисторы- не подбираю совсем. Как то так.
 
Де ж навпаки? Приблизність моделей деталей по ланцюжку деталей сумується. Можливо, що і помножується. На виході вже буде зовсім приблизно.
Це ми, ніби, вже обговорювали і зійшлись на тому, що єдиний значущий фактор струм в навантаження. Вірніше, здатність підсилювача віддати в навантаження потрібний струм, що пов'язана з його вихідним опором. Це не проблеми, а витрати.
Маю підсилювачі з вихідним опором в кілооми. Які спокійно віддають в навантаження ампери.

Кстати про разброс- транзисторы- не подбираю совсем. Как то так.
Это характерно для любителей глубокой ооос. Акулиничев ставил на свой глубокооосник, кажись, всего две пикушечки, помеченные звездочкой - типа, если у кого засвистит, поиграйтесь с этой емкостью.
 
Де ж навпаки? Приблизність моделей деталей по ланцюжку деталей сумується. Можливо, що і помножується. На виході вже буде зовсім приблизно.
Це вирішує загальний зворотній зв'язок. Чим він глибший, тим ближче практична реалізація до симуляції і тим менше впливає на кінцевий результат дисперсія параметрів компонентів і їх кількість.
Маю підсилювачі з вихідним опором в кілооми. Які спокійно віддають в навантаження ампери.
Це предмет для окремої розмови. ;) Бо інша схемотехніка.
Більшість підсилювачів для звуку, проект за який говорить NEULO
включно, джерела напруги сигналу.
 
Последнее редактирование:
Что касаемо широкополосности- с появлением нормальных транзисторов приходится полосу сужать коррекцией.
Коррекция широкополосности ?....это как то ненормально,значит где то критическая несостыковка каскадов.
Рассказывать про убитый звук(не объясняя чем и как он убился у вас), про некую "микродинамику" которую нечем замерить, и про задержки, которые у усилителя на порядки меньше чем у ДГ.
Ваша проблема в том,что вы не слухач ни разу, поэтому к усилителям относитесь оч.однобоко. Если бы вы их Слушали, вы бы услышали разницу между сухим стерильным звуком глубокоосников , и дышащим объемным - мелкоосников на дискретах
И я не говорю что глубокоосники звучат плохо,но они звучат специфично. Например для просмотра кинофильмов,где много послезвучий,куда лучше заходит мелкоосник, который отлично передает атмосферу фильма, а вот глубокоосники, это отличные концертники и инструментальные усилки
Это- недостаток симулятора ЛТС, я с ним много раз сталкивался, и знаю как с этим бороться. Опыт, понимаешь. Опыт- лучший учитель. Хочешь получить опыт- спрашивай у тех кто хочет им поделиться.
Хорошо, обязательно обращусь,как будет проблема. Спс.
Чудеса СТТЛа появляются от его дремучести и незнания простейших вещей.
У меня свой путь, отличный от проторенного.
Я же не СТТЛ который умудрился схему на трёх транзисторах так завесить что комп задымился. Руки просто надо иметь не из задницы, а хотя бы из плеч.
Там непонятно, после изменений схемы, транзиент сначала считает,потом не считает, я глубоко не копал, просто отложил в сторону
Ладно, с этим позже, пока надо с макетом в железе закончить
 
Это характерно для любителей глубокой ооос. Акулиничев ставил на свой глубокооосник, кажись, всего две пикушечки, помеченные звездочкой - типа, если у кого засвистит, поиграйтесь с этой емкостью.
Прикол в том что надо в том самом усилке играться не пикушечками а резистором R2 , см схему выложенную Алексеем. Увеличить его до 20-27к, примерно.
 
Нет в учебниках и объяснений откуда же у вас в музыкальном сигнале вдруг возьмутся обрывки синусоид.
Там ещё про Оталу интересно в конце. ТИМ искажения, туда сюда. Моделировал я пару его усилков, три каскада усиления, глубина ООС- 20 децибел. Могучий какой. Про ТИМ искажения рассказывает.. да... обалдеть.
 
Последнее редактирование:
Для начала внимательно ознакомьтесь с этим материалом. Когда то готовил для тех кто не понимает механизма возникновения искажений. Этого нет в учебниках. Если поймете что к чему куча вопросов отпадет сама собой...
Коллизия токов из -за не синхронизированности открывания/закрывания переходов ?...
На границе коллизии токов возникают пучности и ямы токов - гармонические искажения, я так это понимаю...
 
так музыкальный сигнал вообще не содержит синусоид, это скорее импульсный сигнал и для усилителя это сплошное изменение сигнала (читай - начало первого периода, или окончание последнего в бурсте, причем от начала трека и до его окончания). Отсюда и разница в звучании усилителей имеющих одинковые параметры на синусе и имеющие разные tPD
Осциллограф показывает на музыке кашу из синусоид разной частоты и амплитуды. Шоб прям таки импульсы- эт смотря какую скорость развертки выбрать.

п.1. Ничто не приходит раньше срока
п.2. Обещанного три года ждут
п.3. Если вы не согласны с п.2. смотри п.1.
:)

Я ценю ваши усилия, подвижки, и таланты, но у меня свой путь.
И мой мелкоосник на базе Локанти....я что-то не видел именно такой схемы - ни разу, получается что это именно - моя схема :unsure:
И вы правы, раньше я повторял и улучшал чужое, но это мой первый опыт, где что -то свое, пусть и простое, но свое.
Так же у меня было и с гитарными перегрузами, сначала я повторял и улучшал чужие схемы, а потом стал делать свои, из своих идей и понимания, правда с перегрузами это произошло гораздо быстрее, чем с усилками
Кивну насчет тройки Локанти, она для работы на низкоомную нагрузку лучший вариант, в чем убедился на собственном затылке. Выход по Агееву не справился с провалами импеданса как бы 8-омной колонки, на деле 6-омной, а с учетом НЧ фильтра дай бог чтобы 3 омной. Тогда как двойка повторителей по типу Локанти спокойно работает на любую нагрузку в широченной полосе.
 

Статистика форума

Темы
3,304
Сообщения
263,139
Пользователи
2,544
Новый пользователь
vlad'mir
Назад
Сверху Снизу