Транзисторные винил-корректоры

С учётом фазоидно-шизоидных искажений самого принципа механической записи и воспроизведения, считаю, что корректор тут уже не поможет и концерты (а ля оратория) пора слушать только на SACD 🎧. Но предпочтение следует отдавать корректорам на полевых транзисторах, не опасаясь их малой [звуковой] крутизны
А что касается фазовых искажений при записи и воспроизведении за счет глубокой RIAA коррекции, то теоретически, виниловый корректор делает как бы обратно зеркальные преобразования. И при высокой точности его работы можно получить ровную АЧХ и ФЧХ. Но поскольку разные головки имеют разные АЧХ, то тут может быть существенная погрешность при работе с типовым корректором. Это дело как раз многие и слышат, описывая явные преимущества одной головки над другой примерно с одинаковыми нелинейными искажениями. Люди слышат разные АЧХ и разные ФЧХ! Вот именно поэтому, а также из-за влияния линейных искажений в АС и нужно делать индивидуальную настройку системы для конкретной точки прослушивания в КП. От части именно для этого и для системы ближнего поля я и разработал виниловый корректор с возможностью подстройки его АЧХ под разные типы головок. Но, ту же функцию может выполнить и программный, например, многополосный, графический эквалайзер. Программу такогого эквалайзера можно скачать бесплатно.
 
Последнее редактирование:
Но поскольку разные головки имеют разные АЧХ, то тут может быть существенная погрешность при работе с типовым корректором.
Понятное дело, нужно сделать корректор сразу на 3 головки, для НЧ, СЧ и ВЧ, тогда будет полная гармония и гегемония.
 
Да, а проигрыватель нужно ставить лицом на юг, чтобы как китайский император!
 
Понятное дело, нужно сделать корректор сразу на 3 головки, для НЧ, СЧ и ВЧ, тогда будет полная гармония и гегемония.
Эти имели ввиду?

АЧХ головок.jpg

Обратите внимание на амплитуду щелчка от царапины +10 дБ!!!

И на нижнем графике сетевая помеха 50Гц прет выше полезного сигнала аж на на 2-3 дБ. Кто тут сомневался в моих графиках с измерениями уровня помех на уровне - 65-80 дБ?)))

А кто-нибудь слушал квадро в живую - с пластинки?
 
Последнее редактирование модератором:
Да, а проигрыватель нужно ставить лицом на юг, чтобы как китайский император!
Лицом головки или лицом АС?

Это для которого надо четыре иглы (через 45 градусов) штоле?
Честно говорю - я не в теме и не слушал в живую. Но слышал, что, это дело не пошло. Хорошо бы у знатоков выяснить, в чем была причина. Я подозреваю, что нелинейные искажения были еще раза в два выше. И простые домохозяйки запутались в проводах.:unsure:
 
Честно говорю - я не в теме и не слушал в живую. Но слышал, что, это дело не пошло. Хорошо бы у знатоков выяснить, в чем была причина. Я подозреваю, что нелинейные искажения были еще раза в два выше. И простые домохозяйки запутались в проводах.:unsure:
Причина была в стойкой биометрической и антропометрической двуухости большинства слушателей, которая не поддается медикаментозному лечению. Что и погубило горе-режиссеров квадрозвука.
 
в чем была причина
Двухканальный аналоговый сигнал и .матричное сложение\вычитание- два канала истинные + ненастоящие. Хотя в видео были подобные многоканальные системы Долби до появления цифровых многоканалок.
 
Причина была в стойкой биометрической и антропометрической двуухости большинства слушателей, которая не поддается медикаментозному лечению. Что и погубило горе-режиссеров квадрозвука.
А как же вы поступите с современными многоканальными системами и стандартами?_shok_
 
Двадцать лет назад у нас в городе через газету познакомился с одним дедком -коллекционером винила,которого у него было чуть больше 10000 шт. Основная его тематика оркестры всего мира.Но было много рока и диско.Он давал объявления в местную газету в которых предлогал за деньги записать с винила на CD Вербатим балванки .Для пробы я заказал диск с концертом Поля Мориа ,таким точно как и у меня был лицензионный штампованый CD.Я специально не интересовался его аппаратурой,чтобы это не повлияло на моё мнение о качестве записанного им диска. Когда я начал отслушивать и сравнивать эти оба CD (на Naim CD3 c TDA1541 c короной,усилитель Marantz PM-17 серия" Super Audio" ,акустика WIGO WB70 -флагманская четырёх полоска).Результат был не в пользу лицензионного диска.Оцифровка звучала прозрачнее,хрустальные колокольчики с длинными послезвучиями меня вообще восхитили, НЧ были более раскатистые, но ещё больше я был удивлён стереопанарамой ,которая имела глубину.Когда я услышал его ответ,на вопрос на чём он писал-я был в негодовании от ответа ,даже больше -я шокирован!Это перевернуло всё моё представление. Вертушка DUAL 741 c родной Шуровской (не самой лучшей ММ головой),корректор DUAL WV-46 с питанием от 2 крон. ,выносная аудиокарта среднего ценового диапазона от Креатив и CD -ROM TEAC W-540,провода обычные микрофонные .И всё это звучало ЗАМЕТНО ЛУЧШЕ фирменного диска! Прав СТАЛКЕР 001 на все 100% ,не в тысячных долях правда. Что-то мы упускаем из виду ,может тут и короткий тракт, и что-то ещё.
не смотря на предельную простоту корректора его параметры достаточно на высоком уровне
 

Вложения

  • TVV-46_10kHz-spectr.png
    TVV-46_10kHz-spectr.png
    48.3 KB · Просмотры: 96
  • TVV-46_Bode.png
    TVV-46_Bode.png
    50.4 KB · Просмотры: 85
не смотря на предельную простоту корректора его параметры достаточно на высоком уровне
Нужны графики АЧХ и ФЧХ звука с винила в точке прослушивания в конкретной КП. Все эти графики ни о чем - конь в вакууме.
 
не смотря на предельную простоту корректора его параметры достаточно на высоком уровне
смотря с чем сравнивать. с другими двухтранзисторниками- тогда да. Добавляешь повторитель на выход- и усе, уже параметры двухтранзисторого- на недостаточно высоком уровне.
 
Нужны графики АЧХ и ФЧХ звука с винила в точке прослушивания в конкретной КП. Все эти графики ни о чем - конь в вакууме.
а если музыкант у тебя в комнате (скрипач, гитарист, саксофонист или баянист...), тоже будешь искать ему место (куда поставить/усадить) и себе искать оптимальную точку прослушивания в конкретной КП?
Головки ММ раньше начинают валить АЧХ, все что нужно от правильно работающего УК - максимально выровнять АЧХ в области ВЧ с помощью RC-элементов оговоренных в паспорте конкретной головки при проигрывании измерительной пластинки.
А лепить на входе модели корректора от балды индуктивность на мой взгляд неправильно.
 
Последнее редактирование:
а если музыкант у тебя в комнате (скрипач, гитарист, саксофонист или баянист...), тоже будешь искать ему место (куда поставить/усадить) и себе искать оптимальную точку прослушивания в конкретной КП?
Головки ММ раньше начинают валить АЧХ, все что нужно от правильно работающего УК - максимально выровнять АЧХ в области ВЧ с помощью RC-элементов оговоренных в паспорте конкретной головки при проигрывании измерительной пластинки.
А лепить на входе модели корректора от балды индуктивность на мой взгляд неправильно.
На начальном этапе возни с замерами корректоров подавал сигнал с генератора на вход через земляной провод тонарма с башкой на нем. Ничего особенного не увидел, без измервинила эти движения обычная бессмыслица. С тем же успехом в УВ магнитофона подавать, без понятия, что творит реальная головка. Сквозняк нужен, а не пародия на него с умной рожей.
 
На начальном этапе возни с замерами корректоров подавал сигнал с генератора на вход через земляной провод тонарма с башкой на нем. Ничего особенного не увидел, без измервинила эти движения обычная бессмыслица. С тем же успехом в УВ магнитофона подавать, без понятия, что творит реальная головка. Сквозняк нужен, а не пародия на него с умной рожей.
совершенно верно. Одна и та же магнитная головка будет по разному воспроизводить высокие частоты в зависимости от скорости движения ленты (от нескольких см/сек до 76 см/сек). И по барабану какая у нее индуктивность 0,1 Гн или 1 Гн. Больше зависит от зазора.
 
на полевых транзисторах,
добавлю, на джифет, а т.к. работает он с волной без ограничения, то - однотакты. Лампочка имеет те же свойства.
Тут Петр-51, как коммутационные искажение на сумматоре (выходной каскад, где в нижнем плече у кривойда (Линн) всегда плохо - перекос), добавить симулятор сможет?

45 градусов) штоле?
с первачком, там градус до 70 догнать можно.
 
Последнее редактирование:
добавлю, на джифет, а т.к. работает он с волной без ограничения, то - однотакты. Лампочка имеет те же свойства.
Тут Петр-51, как коммутационные искажение на сумматоре, добавить симулятор сможет?
Применив джифеты антагонистической природы (в помощь к тем нормальным), можно и двухтактные корректоры делать.
Один местный предложил ставить на выходе корректора ультраяркий светодиод – видимое свечение начинается при малом прямом токе, как индикатор щелчков грампластинки. Можно через удвоитель напряжения
 
Последнее редактирование:
1747379248927.png

Ток затвора 10мА оптимальный, где деградация, но то - расходник.

можно и двухтактные корректоры делать.
да, петлевое в 2 раза выше, но, кто же пары комплементарные подбирать будет? А со временем их от перекоса (как деградация одного) уровнять?
Тут, токовые зеркал из учебника "подтянул", Эрли с мерли можно снижать толщиной пластины на кристалле (во, оно как в ИМС), коррекцию, вообще забанить (что очень хорошо, всегда к этому стремился)
 
Нечетную нечисть плодить и ступеньку. ага!
Та ступенька просто обогатит гитарные соло, на классике (скрипки) она практически незаметна будет

да, петлевое в 2 раза выше, но, кто же пары комплементарные подбирать будет? А со временем их от перекоса (как деградация одного) уровнять?
Тут, токовые зеркал из учебника "подтянул", Эрли с мерли можно снижать толщиной пластины на кристалле (во, оно как в ИМС), коррекцию, вообще забанить (что очень хорошо, всегда к этому стремился)
Петлевое усиление (от слова " петля") будет петлëю душить виниловый звук на корню. Мой мозг деградирует быстрее, чем те джифеты. Ток джифетам дать поболее : 0,7 от максимального и деградация снизится, плюс слабый обдув. Нагрев не на пользу кристаллам
 
0,7 от максимального
можно и так попробовать, но при 10мА не сильно греет (радиатор от ОЗУ ПК, 5х5мм на всю группу или с Т.З. подпирающими по - и +)

с глубокой ООС
второй день пытаюсь Ваш композит в мультфильм (симулятор) забросить (интересно с ТДА2030, что с них можно "выжать"), ОСь - отпущу по максимум возможного.
 
За словосочетание "петлевое усиление", применительно к (ламповым) корректорам без никакой ООС, можно отправлять на второй год этого форума 😆
 
второй день пытаюсь Ваш композит в мультфильм забросить (интересно с ТДА2030, что с них можно "выжать"), ОСь - отпущу по максимум возможного.
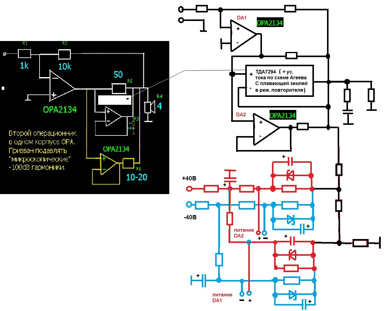
Попробуйте. Если вы про УНЧ, то потом дорисуйте до этой схемки (та, что слева, в схеме справа есть опечатки). И микросхема не 7294, а 2030 с питанием как и доп. ОУ от +15-20 у 2134 или +18-25В в случае 5532 и с плавающим питанием. С обычным питанитем симметрия +_ 18 или +-22В. И на схеме забыл нарисовать полевики - усилители тока с питанием, допустим ,+-35В или +-45В и ООС с их выхода, если делать плавающее питание для 2030. Про... 7294 - так не прокатит как на схеме. Тут нужно обеспечить К хотя бы порядка 5-7 и изменить цепи ООС у других микросхем, чтобы не было возбуда. Надо схемы дорисовать правильно. Сталкер с ютуба на 2030 обещал -110-114 дБ. Тут фишка в том, что у 2030 100% ООС, а другие микросхемы служат: первая - как усилитель напряжения с общей ООС, и дополнительный фильтр - компенсатор микро искажений, которые ниже -100 дБ.

Умощненный вариант УНЧ с малыми искажениями.jpg
 
Последнее редактирование:
Согласен. Каждый раз при слове петлевое усиление думается что-то типа Усиление с замкнутой петлей обратной связи. Но нет, для этого у чиновников от электричества заготовлена другая фразочка, и тоже малопонятная. . Оттого так корчит чиновников жаргон типа бутстрепа, или цобеля, понятный всем, кроме них. Нет простора развернуться словесной важной унылой бессмыслице.
Навчатись, дядьку бокарьов ніколи не пізно. Якщо ви чого-небудь не розумієте, це таки ви не розумієте, і нема чого на дзеркало пальцем тикати. Це не інтелігентно. Жаргон вигадали фахівці, аби всякі інженери-заочники з дипломами медиків його вивчили, аби не нести в світ маячню. Бо збоку ваша маячня ваиглядає смішно.
А взагалі, я від вас всих в захваті. Освічені інженери та рукосуї що мають вдосталь практики, аби не вигадувати вчергове банальне колесо, спочатку озираються навкруги, аби побачити доробок попередників. В мене склалось враження, що жоден з активних учасників обговорення не чув прізвищ Баксандалл, Джанг, Селф, Фогль кінець-кінцем. Вони мають величезний практичний досвід по темі відтворення грамзапису. долучайтесь до іх доробку, дещо є в бібліотеці на цьому сайті. І не робіть поважному товариству смішно.
 
Последнее редактирование:

Статистика форума

Темы
3,304
Сообщения
263,126
Пользователи
2,544
Новый пользователь
vlad'mir
Назад
Сверху Снизу