Винил - корректор Сухова на дискретных элементах.

  • Автор темы Автор темы jpatay
  • Дата начала Дата начала
В корректорах, и не такое прокатывает. Тут дело не в схемах,
Народ на германии всерьез делает и хвалят.
Делают на двух транзисторах секретные схемы, папирусы и глиняные таблички с этими корректорами передают по наследству детям и внукам.
Это просто движ и бесконечный, холливар лампадников, глубокоосников, свидетелей самых лучших микросхем, самых лучших транзисторов, секты "старых проверенных схем".
Не важна схема, важна легенда.
Лихницкого уже забывают, да. Легендарный человек был.
 
неизменное преобладание 2-ой гармоники, при всех уровня входного, что достигается равномерной глубиной ОС по диапазону
Не-а. Это достигается самым искажающим каскадом корректора: выходным, с ОЭ. Он асимметричен, отсюда вносимую им вторую гармонику мелкая ООС подавить не в силах. УК заведомо проектировался, как некачественное поделие по вовкиному принципу: сойдёт и так.

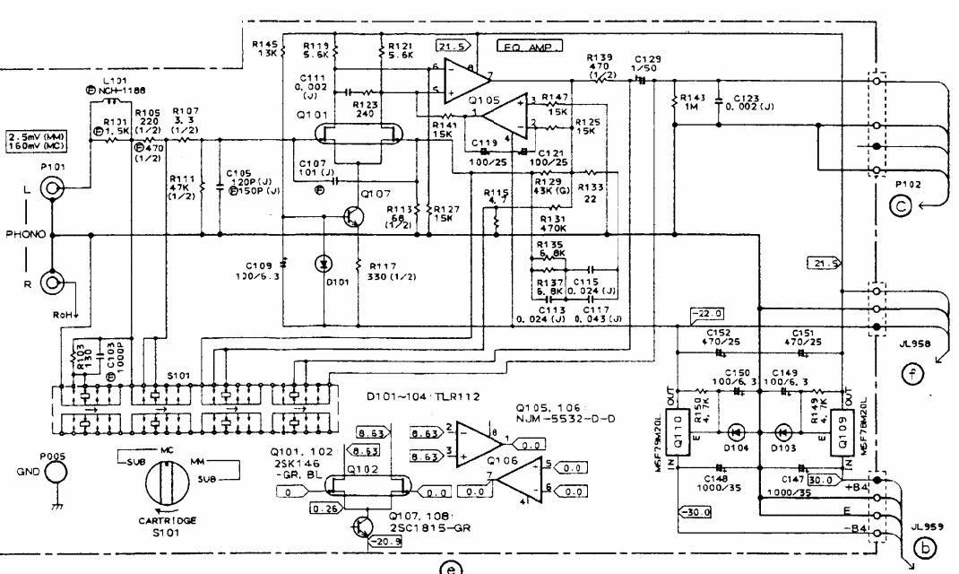
Всё же, Кенвуд - не Онкио, те более продвинутые в схемотехнике и лажу не гнали. Практически, в корректоре Кенвуда всё, что правее входного дифа - поганенький ОУ. Тогда логично заменить эту часть на хорошенький ОУ, профессиональный, как Онкио:

1763071115065.png


Но и у них тоже болтался ноль и они тоже вставили интегратор:

Onkyo_8700_Phono.png

Можно вбить этот УК в симуль: глубину ООС на НЧ они потеряли.
1763071611467.png

Да и тут.
Вот таких монстров могли бы мы паять, попадись Сухову на глаза они, а не кенвудское поделие.
 
На грампластинке без RIAA ничего быть не может.
(мы же не будем воспроизводить запись программ для компьютера!)
А я о чем писал?
Или ты не понимаешь, что меандр записанный на пластинке со стандартной коррекцией риаа для записи, при воспроизведении через линейный усилитель (без коррекции риаа для воспроизведения) будет очень даже не меандр.
 
Тогда это прокатило.
Тогда - все кто мог его повторили в союзе. Как и ВВ, до сих пор в работе.
Швейную машинку не Зингер изобрел. Главное кто в массы, реальную конструкцию внедрил.
 
се кто мог его повторили в союзе
А с этим кто-то спорил? Но если бы он глянул чуть правее, он увидел бы Онкио. И все повторяли бы вариант с ОУ. Так ведь? А ОУ проектируются на высокие взаимозаменяемость, КОНИП и усиление. Вот этих вопросов с низкими петлевым и КОНИПОМ кенвудского корректора изначально не было бы, а ОУ ставь любой.

Случайно так вышло, что мы делаем Кенвуд 9100. Неслучайно то, что схема у него плохая и автор копии этого не понимает.
 
А с этим кто-то спорил? Но если бы он глянул чуть правее, он увидел бы Онкио. И все повторяли бы вариант с ОУ.
Ага и полетим на солнце ночью.
Аматоры в 81году, видели ОУ только в журнале и плевали на эту страницу.
Почему ты на квантовых транзисторах УНЧ не рисуешь, слабо?
Через лет 20 в твои схемы селёдку заворачивать будут.
 
Посмотреть вложение 158927
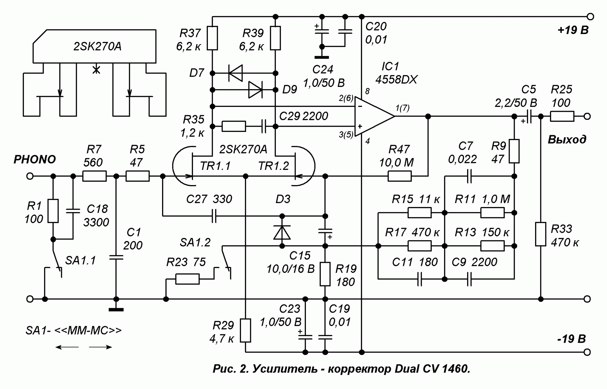
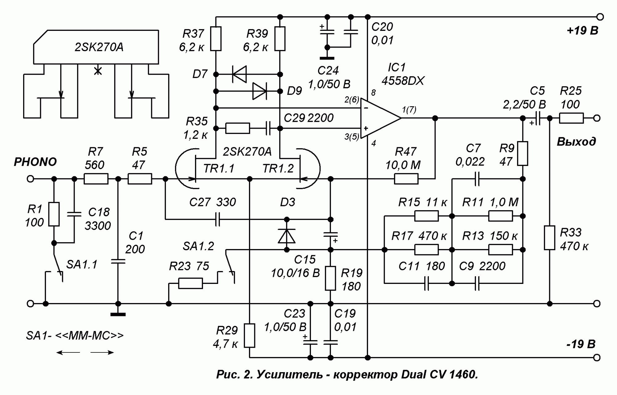
Реверс-инжиниринг УК Дюала CV1460. Довольно простенькая штука, а с ОУ - и малогабаритнее кенвудского.
Делали такой. Во всех УНЧ того времени такое. Серенькая мышка, как и Суховский.
Как МС корректор, есно - примус.
 
Серенькая мышка, как и Суховский.
Как МС корректор, есно - примус.
Те же входные транзисторы КП303, определяющие шум - но примус, ОУ по линейности и подавлению помех лучше кенвудской добавки - но мышка.
Разобраться, почему так, никто не смог и ты спешишь нас об этом проинформировать.
 
Аматоры в 81году, видели ОУ только в журнале и плевали на эту страницу.
Ну не так уж всё было дремуче...;)
В 1974\75 году в студентами НЭТИ (ФЭТ, Промэлектроника) изучали уже операционник.
Преподователь (ф.Подьяков, кажется...) расзрисовывал схему на доске.
Было вполне интересно и понятно, что где и как работает.
Это он про uA701 рассказывал.
А в 1976 для института - СНИИГиМС делал на К140УД1 приладу для
смотрения/измерения распостранения звуковых волн в образцах породы.
 
Аматоры в 81году, видели ОУ только в журнале и плевали на эту страницу.
Не знаю, почему ваши "аматоры в 81году" ослепли на все глаза и не видели ОУ, но в 1972 году уже был в доступе 1УТ401.
Саморучно делал макет (к диплому), где, помимо "дискретной рассыпушки", использовались восемь 1УТ140А (которые покупал на свои "стипендюшные").

Что ты мелешь? ОУ были в публикациях "Радио" за 10 лет до этого УК.
Или с тобой на 10.000 долларов поспорить?
Он профукал пачку зеленых.
 
А чем он тебе не нравится? Если злобные коммунистические упыри умудрились создать ОУ опередивший своё время лет так на 40. Тебе прям свербит по этому поводу?
Ты не переживай, сейчас вон в ЦАПах стоят частенько даже более древние ОУ 5532. Чёто не бегаешь производителей цапов не осуждаешь?
Однако ты предлагаешь совсем уж хернёй заниматься.
The uA709 operational amplifier was released in 1965

The CA3130 was originally developed by RCA in the 1970

544уд2 - заурядный оу, на западе в 70-х подобных десятки, выделяется разве что неимоверно большим шумом
 
Последнее редактирование:
544уд2 - заурядный оу, на западе в 70-х подобных десятки, выделяется разве что неимоверно большим шумом
1763126353203.png
покажь мне тут неимоверно большой шум?
709-ый и 3130 никакого отношения к 544уд2 не имеют.
первый это обычный 153уд1, а второй вообще МОП не слишком быстродействующий и шумящий как раз как паровоз что видно из его ДШ.
 
Посмотреть вложение 158957
покажь мне тут неимоверно большой шум?
709-ый и 3130 никакого отношения к 544уд2 не имеют.
первый это обычный 153уд1, а второй вообще МОП не слишком быстродействующий и шумящий как раз как паровоз что видно из его ДШ.
1763126871663.png

1763126891304.png



данные 1981 года - чтобы ты не вилял про опередил свое время
 
Кто древний 544уд2 таскает по всем проектам?
Не "таскает", а плодотворно применяет.
Ибо - нет другого ОУ, с таким же высоким К.У. на 20kHz, у которого предоставлен доступ к внутренней коррекции.
 
данные 1981 года - чтобы ты не вилял про опередил свое время
и чтобы это всё значило? А значило это следующее- у меня есть старые 544 в "высоком" металлостеклянном корпусе. Однако более новые КР544УД2А сильно отличаются от древнего ДШ 1981 года, ибо технологию поменяли в 1984-85 году, ежели ты не в курсе так будь в курсе.
А причём тут АД513 я вообще ХЗ. АД513 это аналог 574УД1.
 
Любое изменение технологии - жопа.
Могу показать микрофотографию кристалла КР1407УД1 первых выпусков и современной топологии.
Жопа - не там, где вы её ищете.
 
и чтобы это всё значило? А значило это следующее- у меня есть старые 544 в "высоком" металлостеклянном корпусе. Однако более новые КР544УД2А сильно отличаются от древнего ДШ 1981 года, ибо технологию поменяли в 1984-85 году, ежели ты не в курсе так будь в курсе.
А причём тут АД513 я вообще ХЗ. АД513 это аналог 574УД1.
виляние пошло.
Да ничего в нем выдающегося нет, кроме шума.
насчет шумов 3130 -
Equivalent Input Noise Voltage eN BW = 0.2MHz, RS = 1M
какой шум у 544 при таких условиях будет?
не думаю, что меньше.
 
Никому не нужны в пром количествах такие микросхемы. Справляются однополюсной коррекцией.
Потому на западе и не развивают это дело.
Были у них разные, в том числе и uA739/749, LF357 это из того, что помню, но выпускают из года в год тоннами по прежнему LM358, NE5532, TL074.

1763129241209.png
 
Никому не нужны в пром количествах такие микросхемы. Справляются однополюсной коррекцией.
Потому на западе и не развивают это дело.
Были у них разные, в том числе и uA739/749, LF357 это из того, что помню, но выпускают из года в год тоннами по прежнему LM358, NE5532, TL074.

Посмотреть вложение 158966
да там десятки и даже сейчас есть и быстрее и тише в разы, просто надо искать
 
Беда Ахелов вторых в том что до них никак не доходит что уровень шумов в огромной степени зависит не от даташитных параметров ОУ, а вот схемы включения и сопротивления источника. Но в пустой голове нашего друга такие сложные мысли- не помещаются.
 
Были у них разные, в том числе и uA739/749, LF357 это из того, что помню, но выпускают из года в год тоннами по прежнему LM358, NE5532, TL074.
Ничего не подходит для сравнения с 544уд серией,хоть иногда смотрите внутреннюю структуру микросхемы.
 

Sergei_S

Да слушаю,вертушка одна G-602 головка аудиотехника корректор на 548ун-1 в родной коробочке но немного доработан,второй это вега-122с подключена к корректору преда амфитон-уп-003.
 
Ну не измерял сразу скажу,а так даже не замечаю разницы,в G602 он встроен в корпус и выход 700мв,а веге-122с нет корректор вот ее и слушаю через амфитон,тут зависит от правильного сопрежения головы с корректором,точная настройка головки хороший кабель для подключения его емкость.
 
тебе думать нечем. Глянь спектр что я выложил. Уверенно могу сказать что в такой же схеме 5534 шуметь будет ровно так же.
Что мы имеем с гуся? Некий тупорылый Ахел2 по какой то причине желает вкорячить на вход микрофонного усилителя 544уд2 и он внезапно там ШУМИТ. Да нихера себе!!
Ты дубовый в пояс. Никакой такой особой тишины от ОУ в усилителях мощности и не требуется. Ибо на входе у них довольно большой сигнал, а в предах использовать быстродействующие ОУ особого смысла нет.
суть в том, что у 3130 шумы не больше.

зачем ты пишешь отсебятину постоянно?
 
а надо алису попросить чтоб она за меня писала? не знаю про 3130, МОП транзисторы совсем не моя тема и замеров у меня просто нет. И не предвидится.
но ты, тем не менее ,уверен, что у 544 меньше?

смешно.

а по сути - 544 - ничего выдающегося, есть много оу с большим усилением на 20кгц и меньшим шумом.

уже обсуждали-единственный его плюс, что у тебя их много)))))
 

Статистика форума

Темы
3,304
Сообщения
263,070
Пользователи
2,544
Новый пользователь
vlad'mir
Назад
Сверху Снизу