Винил - корректор Сухова на дискретных элементах.

  • Автор темы Автор темы jpatay
  • Дата начала Дата начала
Никому не нужны в пром количествах такие микросхемы. Справляются однополюсной коррекцией.
Ладно бы - действительно справлялись!
Вместо качества звуковоспроизведения - западники наворачивают "улётно-пафосный дизайн", накручивая цену.
 
Что интересно, я писал о любителях, аматорах. О людях для которых электроника хобби. Но ответили только профи.
Я сильно сомневаюсь, что для курсовой или диплома, кто то шел в магазин и без проблем покупал опер. усилители.
Отвечаю за все написанное.
В Ленинграде, в те годы, это уже было в доступности - даже студентам.
Для закрытых дипломов были в доступе даже импортные микросхемы, правда только на производствах и по запросам руководителей проекта. Все было пучком.

P.S.
Отвечаю только для уточнения, а не "для надувания щек".
 
в розничной продаже ОУ не было.
Разве надо только в розницу покупать? Я в Харькове ОУ брал на стаканы.
А в редакции "Радио" вёлся спор: можно ли публиковать конструкции с отсутствующими в рознице деталями? Они тогда, при живом ОБХСС, решили да, можно.
Я тебе пишу, что

Спасибо, что не забываешь. И я тебе могу написать:
1763144331122.png
1763144430413.png


1763144487592.png

1763144590276.png

1980, №1
Сухов был сотрудник НИИ, мог себе ОУ позволить как тогда, так и сейчас.
Хотя бы, мог глянуть, какие помехи лезут в тракт через миллеровскую коррекцию и генераторы тока, и лезут ли подобные помехи через токозадающие цепи ОУ:

1763144957412.png


1763145055950.png

До 40к - -100 дБ помех с +питалова и
1763145139340.png

до 80к -96 дБ помех с -питалова.

Это было тайной для Сухова, что ОУ имеют хороший КОНИП?
1763145376095.png

В частности, высокий КОНИП ОУ К157УД2 обеспечен питанием базовой цепи токозадающего Т14 от истокового напряжения ПТ Ж1, стабильного в широком диапазоне питающих напряжений, да с применением ООС по току через Т15. Это на три головы выше по КОНИПу от суховских предательских генераторов тока, кидающих помеху в тракт.

Вот из таких мелочей состоит чистое усиление звукового сигнала.
Чего бы не использовать ОУ? Кто Сухову в розницу мешал их купить?
 
Беда Ахелов вторых в том что до них никак не доходит что уровень шумов в огромной степени зависит не от даташитных параметров ОУ, а вот схемы включения и сопротивления источника. Но в пустой голове нашего друга такие сложные мысли- не помещаются.
Помнишь, как он бесновался, что в РУБЕЖЕ шумит 544УД2, без приведения цифр уровня шума? Ему даже не доходило, что там 3 В на входе, и на этом фоне шума остаётся -110...-120 дБ, сравнительно с УМ Зуева с точно таким же ОУ и 1 В на входе с С/Ш не более -100 дБ. Если ему тогда не дошло, что сейчас изменилось?
 
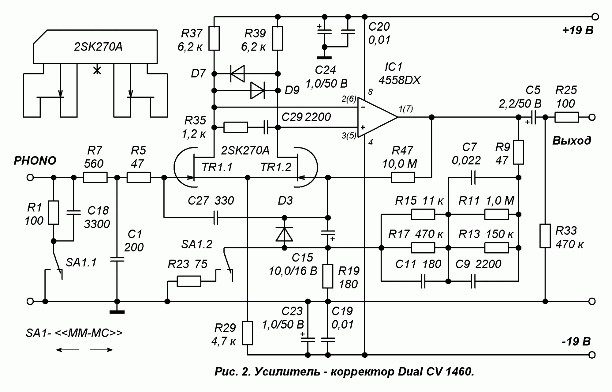
Ну, справедливости ради, суховский клон корректора Kenwood KA9100 сорок лет назад был шагом вперёд, по сравнению с двух~трёхтранзисторными поделками тех времён. Клон был на "простых" деталях, что облегчало повторение бóльшему числу радиолюбителей. Мне - в том числе.

А попадись тогда, - сорок лет назад, - Сухову схема Dual CV1460, не справился бы он (Сухов) с подбором и коррекцией ОУ. Сухов и сегодня, даже с помощью симулятора, не может скорректировать свои жалкие 70dB на 20kHz.
 
Ничего не подходит для сравнения с 544уд серией,хоть иногда смотрите внутреннюю структуру микросхемы.
Ну, я тут спец по внутренним структурам ОУ. И Пабло.
Так вот, 553УД1 - вполне себе бомба по усилению, наравне с 544УД2. Это - улучшенная К140УД1 (мА702 Видлара), и потому очень широкополосна:

1763146285604.png

Вот она в усилителе с Ку=+6. Благодаря нештатной спецкоррекции по Найквисту, усилитель имеет петлевого свыше 80 дБ на 20 кГц:
1763146461736.png

А усиления холостого хода - 95 дБ/20к.
Осталось вывести ВК из класса В в класс А, и сверхлинейный усилитель на древнем ОУ готов.

Чисто для сравнения:
1763146751302.png

Любимый МУСЕС-3 Сухова: 55 дБ/20 кГц: благородное альпийское нищенство, хуже на 40 дБ, аль в 100 раз, при стоимости в 10.000 рубасиков:

1763146989690.png

Вот чем знать лучше, чем не думать.
 
Последнее редактирование:
А некоторые на картинки на мониторе дрочат.
А чем кульман лучше? Плоскость отображения что то, что то. Творчество не в плоскости, а в голове, и уже оттуда его чертят или карандашом, или компьютером - на что попало.
 
Нет. Я же приводил схемы современных ему корректоров Онкио - они на голову выше.
Ну, не знаю...
Я бы (тогда, сорок лет назад) побоялся прыгать с двухтранзисторноой схемы сразу на эквивалент ОУ на рассыпухе...
Клон Kenwood KA9100 был как раз: не слишком сложен, но достаточно более линеен и малошумен, чтобы не спугнуть новичков.
ЛУТ-метод тогда не существовал, повторение печатной платы было гораздо более трудным делом... Это только СТТЛ может гордиться своими крысиными гнёздами.
 
Я бы (тогда, сорок лет назад) побоялся прыгать с двухтранзисторноой схемы сразу на эквивалент ОУ на рассыпухе...
То ты и в 85-м, а мы говорим о Сухове на вершине славы.
Я в 85-м под стол на скейте катался, так что ж теперь.
 
По тем временам - да. Ну, дык, помилуйте, батенька, тогдашние девочки - давно бабушки, пора бы Койкому и ума набраться.
О том и речь.
Но Сухов, как любимая "улыбочка" восьмого юаня, - с дятлом, - так сорок лет и долбит одну и ту же схему....
Ладно бы, - долбил её в правильную сторону, к DualCV1460, да на К157УД2 с T-цепочками коррекции.
Нет этого. Один застой и позор наблюдаем.
 
Сухов нам глаза открыл на Высокую Верность: УК,УВ,ВВ89,СДП.
А кто спорит? За это и уважаем. Я - так точно. Как шумовика, я его слушаю: понимает. Он меня, как схемотехника, слушать не хочет: назло дедушке отморожу кокот.

В этой эпопее с Кенвудом он неправ. Он должен себе развивать мозгу, а нам давать высокосортные вещи, стараясь выбраться из кареты прошлого. Застрял.
 
Сухов нам глаза открыл на Высокую Верность: УК,УВ,ВВ89,СДП.
В этом и есть причина зависти и всего вылитого негатива. В нужное время, на пике популярности аудио, сделал новое и опубликовал. Сегодня эти паровозы только на любителя.
Он должен, а нам давать высокосортные вещи,
Он ни кому, кроме своей семьи, ничего не должен. Тем более тебе.
Продает он наборы - это его личное дело. Тебе какая забота?
Продавай свои наборы, какие проблемы?
Тебе элементарно завидно. Но поздно слезы лить и зубы истирать. Не то время, не те интересы у молодого и активного поколения.
Время популярности аудио прошло.
 
Последнее редактирование:
В этом и есть причина зависти и всего вылитого негатива.
Кому-чему завидовать? Запоротому КОНИПУ? Может, низкому петлевому! Или непониманию работы ООС?
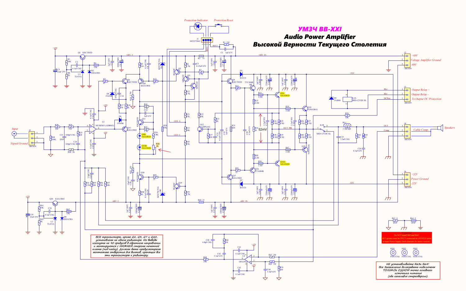
Когда-то - да, я смотрел на Сухова снизу вверх. Если ты так не смотрел - это ЧСВ мешало. Теперь, по факту, можем просто вспомнить, что у Сухова усилитель 1 (один, прописью), а у меня - с 30, и качеством выше буквально все. Выражается это в том, что улучшить их практически невозможно. А уж Сухову... да дай Бог, но - нет. Если бы ты понимал в усилителях, по темам которых шлындраешь с постами без ума и понятия, ты бы видел, что ВВ-21 Сухов содрал с ВВС-2011:

2. Схема УМЗЧ ВВС-2011.GIF

XXI_cxema.png


Сравни подетально схемы и ты прозреешь, кто кому папа.
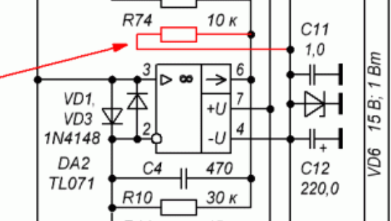
А что он выбросил вот этот фрагмент:
1763155786766.png

так просто не понимает, зачем он нужен. Чудом Господним усь не сгорел.
Кто теперь кому должен завидовать? Если не завидует, то ЧСВ мешает.
 
Последнее редактирование:
И - да, если кто не понял. Сухов сделал ВВ по-моему, а я - по-агеевски: большое напряжение опор баз ОБ и ГСТ: 5,6 В, двухэтажное питалово УН-ВК, две пары выходных транзисторов, охват катушки ООС. Против всего этого протестовал Сухо, всё это он применил по моей схеме. Так закончился спор меж Суховым и Агеевым, чей усилитель лучше.
 
Последнее редактирование:
Небольшая разница:
1763156412140.png

Я знаю, зачем этот резистор, Сухов - нет:
1763156062316.png
 
544уд2 - заурядный оу, на западе в 70-х подобных десятки
Прошлый раз ты не показал ни одного. В этот раз хоть подготовился?
А чо - не?

Давай, показывай западный ОУ с Ку20 кГц в свыше 80 дБ, до 94-х.

К544УД2+-15в2в вых 2,4кОмнагр 30кОмвходИМД.png
К544УД2+-15в2в вых 2,4кОмнагр 1кОмвходИМД.png


И с такой линейностью. Пруф - или пустобол.
изображение_2024-01-19_194128887.png

Всё же, второе. И это Юра ещё занизил линейность низкоомной нагрузкой.
 
5033764289_10.jpg

Усилению с ООС = 6 соответствуют по условиям устойчивости только АЧХ 3 и 4 на рис.3-72. Они ясно показывают, что, со штатной коррекцией, на частоте 10 кГц Кухх = 1000 (60 дБ) и 100 (40 дб) соответственно. Я показал выше Кухх=96 дБ - около 60.000 раз, а петлевое - 80 дБ - 10.000 раз.

Разницу 1000 раз и 60.000 раз понимаешь отчётливо?
The uA709 operational amplifier
Не даст Кухх 96 дБ/20 кГц со штатной коррекцией. С моей - даст. Но ты же этого не знал? Чего топорщишься?
 
злобные коммунистические упыри умудрились создать ОУ опередивший своё время лет так на 40
Именно. Полгода искал равных - найти не смог. Вывод: плохой ОУ.
Так радовался бы: представил усилитель с лучшим ОУ и победил наши.
Это ж легко.

Легче, чем искалечить схему МАСТЕРА своими добавками-ампутациями, а потом показывать её на форуме, и спрашивать: а чо такой меандр?
 
Прошлый раз ты не показал ни одного. В этот раз хоть подготовился?
А чо - не?

Давай, показывай западный ОУ с Ку20 кГц в свыше 80 дБ, до 94-х.

Посмотреть вложение 159011Посмотреть вложение 159012

И с такой линейностью. Пруф - или пустобол.
Посмотреть вложение 159013
Всё же, второе. И это Юра ещё занизил линейность низкоомной нагрузкой.
1763189093332.png
[URL
1763189281079.png


https://www.alldatasheetru.com/datasheet-pdf/view/54849/FAIRCHILD/UA709.html
1763189186421.png

1763189234299.png

 
Последнее редактирование:
Совсем не понимаю потуги прикрутить древнее говно мамонта, когда есть широкий ассортимент современных ОУ на любой вкус, скоростных, малошумящих, мощных, или 3в1.
1763190862900.png
 
Было:
1763202471687.jpeg

Стало:
1763202524689.jpeg

Спасибо инженеру-технологу завода "Экситон" за предоставленные сведения, позволившие создать SPICE-модель ОУ КР1407УД1.
 

Версия фонокора Cy-XXI_v.14-1 это усовершенствованная схема c качественным рокот-фильтром на основе ОУ САРы по постоянке [ https://www.*******.com/posts/novaia-versiia-v-143040437 ] , бонусом в которой - снижение на порядок (практически до незаметности на слух) длительности импульса переходного процесса при влючении/выключении питания, и дополнительно новая PCB со следующими изменениями:
+ охлаждение транзистора T1 генератора тока входного каскада и обоих транзисторов T3, T4 выходного каскада улучшено почти вдвое благодаря дополнительному использованию для охлаждения обратного слоя печатной платы с тепловым контактом через десятки переходных отверстий (thermal vias array), заполненных припоем [ https://jlcpcb.com/blog/thermal-vias-in-pcb-design-for-heat-management ]
+ второй дифференциальный каскад T2 выполнен на спаренном BC846BDW1T1G в шестиногом корпусе SC70-6/SOT-363, а ОУ OPA192 применён в пятиногом миникорпусе SOT-23-5, благодаря чему размеры платы уменьшены до 20х35х3 мм (по сравнению с 20х45х3 мм у версий v.4-v.11 и 50х70х25 мм у версий v.1-v.3 ). На сегодняшний день это самый маленький в мире (и одновременно самый совершенный) фонокорректор.
+ встроенный двухполярный стабилизатор на TPS7A39 (на одном из каналов, который можно как...​

Наконец-то дошло Коле, что необходимо лучше охлаждать три транзюка. Ещё позаимствует коррекцию Корвета и плата ещё меньше будет. _hm_
 
Было:
Посмотреть вложение 159045

Стало:
Посмотреть вложение 159046

Спасибо инженеру-технологу завода "Экситон" за предоставленные сведения, позволившие создать SPICE-модель ОУ КР1407УД1.
В каком году сменился кристалл?, и можно модельку под LTSpice и если есть под MicroCap
 

Статистика форума

Темы
3,304
Сообщения
263,093
Пользователи
2,544
Новый пользователь
vlad'mir
Назад
Сверху Снизу