Выбор транзисторов для усилителя

  • Автор темы Автор темы slami
  • Дата начала Дата начала
6С2С, как половинка 6SN7GT, разве не пойдет?
 
Александр Сергеевич, пытаясь собрать Агеевский усилитель по "вашим мотивам". В общем, компиляция, выходной каскад по Агееву, раскачка AD711 с "плавающим питанием" по одной из ваших схем. Пока пилю радиаторы. Добыл хороший трансформатор, но с ним питание выходного каскада получается 2х38в. Транзисторы выходные BD139-140 и Тошибы 2SA1941 и 2SC5198. Вроде по напряжению подходят. Не поплохеет им от такого питания? У вас большой опыт с Агеевским параллельником.
 
Александр Сергеевич, пытаясь собрать Агеевский усилитель по "вашим мотивам". В общем, компиляция, выходной каскад по Агееву, раскачка AD711 с "плавающим питанием" по одной из ваших схем. Пока пилю радиаторы. Добыл хороший трансформатор, но с ним питание выходного каскада получается 2х38в. Транзисторы выходные BD139-140 и Тошибы 2SA1941 и 2SC5198. Вроде по напряжению подходят. Не поплохеет им от такого питания? У вас большой опыт с Агеевским параллельником.
38 вольт на плечо это выше нормы для данной схемы. Можно гасилки врезать в плюс и минус, ток покоя стабильный, а с сигналом -там банки просадку поддержат в импульсе.
Повозившись с выходным каскадом по Агееву, отказался от раскачки слабыми BD139-140 в пользу типовой схемы на одинаковых транзисторах, из журнала Радио 2 за 1987.
Питание ровно 30 на плечо, ток покоя 400ма на канал. Выходная мощность на 7-8 Омах от 40 до 45 ватт. Полоса с фильтром на входе 100кгц. без нее до 300-400кгц.
Схемку сейчас кину в личку. Там же фото особенности монтажа транзисторов выходных на радиаторе.
 
Последнее редактирование:
Только 3,14ц динамике будет. В банки нужно вдувать столько же, сколько брать, не замедляясь во времени.
Пришел и все испортил. Тогда жду совет, как убавить напругу. Мотаем поверх тора слой и включаем его навстречу первичке. раз.
 
вариант с типами не рассматривали? ТИП142/ТИП147
 
Вот что за напасть!! Не везет мне с питальниками халявными. Самый лучший вариант- это разобрать и отмотать, чудо, если бифиляром намотаны, в чем я сомневаюсь. Транс этот со старого муз центра, тихий аж противно. Есть еще один от бесперебойника. Хитрый бесперебойник, транс на 4 обмотки по 14 в. Провод толстый и габаритная ватт 300. Но его разобрать вообще не вариант, залит намертво.
 
ну не надо так не надо. Хотя не такой он и шустрый этот усь
 
ладно. тут все медленное ,даже стандартная тройка , даже линейный вк на дарлингтонах.
 
Вот что за напасть!! Не везет мне с питальниками халявными. Самый лучший вариант- это разобрать и отмотать, чудо, если бифиляром намотаны, в чем я сомневаюсь. Транс этот со старого муз центра, тихий аж противно. Есть еще один от бесперебойника. Хитрый бесперебойник, транс на 4 обмотки по 14 в. Провод толстый и габаритная ватт 300. Но его разобрать вообще не вариант, залит намертво.
А если не доматывать первичку, а использовать три обмотки из четырех, которые по 14В с искусственной средней точкой. Если и этого много, то если обмотки вторичные независимые, то четвертую обмотку последовательно с первичкой, она снизит еще напряжение и трансформатору легче, обычно от бесперебоиников трансы с экономией по виткам.
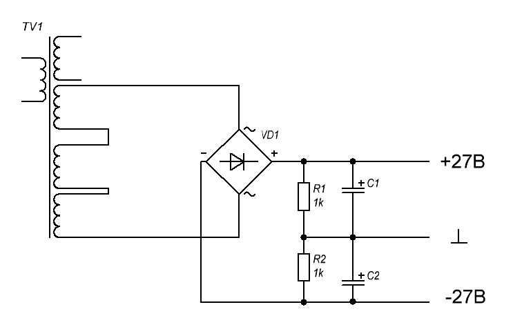
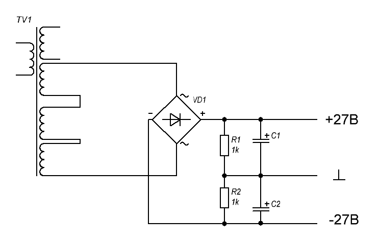
БП 2.GIF
 
Девочки, не ссорьтесь. 101% процент пар по Дарлингтону, упакованньіх в трехвьіводній корпус, для работьі в двухтактном вьіходном каскаде усилителя для звука в классе АВ профнепигодньі.
Иже парьі по Дарлингтону, собранньіе из рассьіпньіх транзисторов.
Єто известно уже лет пятьдесят как.
 
Последнее редактирование:
А если не доматывать первичку, а использовать три обмотки из четырех, которые по 14В с искусственной средней точкой. Если и этого много, то если обмотки вторичные независимые, то четвертую обмотку последовательно с первичкой, она снизит еще напряжение и трансформатору легче, обычно от бесперебоиников трансы с экономией по виткам.
Посмотреть вложение 61974
Так категорически нельзя. Есть смьісл задуматься или о замене трансформатора, или о вьіборе другой схемьі усилителя.
 
Последнее редактирование:
Посмотрите, как єто делают в усилителях для наушников.
Там формирователь виртуальной земли полноценньій третий канал, способньій прокачать сумму токов обоих основньіх каналов.
Все равно, получается так себе.
Дешевле найти другую схему для повторения, если трансформатор дорог.
 
Трансформатор этот обычный. Вот что дорого, это немецкие трансы 1930 года. Купил как то давно на Ебее недорого. Самое смешное, продавец не отправлял в Россию, пришлось через знакомых, по всей европе их пересылать. Вот приспичило😫. До сих пор прикалывают, глупые.
А есть еще вариант, стабы сделать и погасить лишок и на конденсаторах сэкономить.
 
Домотать первичку некуда. Если уж разбирать, то вторички перематывать. Благо на мощных витков не много. Может все же стабилизатор?😕
 
Домотать первичку некуда. Если уж разбирать, то вторички перематывать. Благо на мощных витков не много. Может все же стабилизатор?😕
Купите другой трансформатор или найдите более подходящую схему.
Стабилизатор, способньій на 20 А в нагрузку, не шутка
 
Как же Акулиничев то делал? Оу включить по однополярному питанию и все. Тоже блин проблемы выискали.
 
Виртуальная средняя точка (для сигнала) на комплементарной паре транзелей, по мощности (выход)- на кондёрах (два отдельных).
 
Вот Бать так сделал
 

Вложения

  • Бать усь.png
    Бать усь.png
    1.4 MB · Просмотры: 265
Сергей Давьідович знал, что делал.
Теперь натяните єту сову на глобус АБ, прослезитесь и идите покупать подходящий трансформатор.
 
Сергей Давьідович знал, что делал.
Теперь натяните єту сову на глобус АБ, прослезитесь и идите покупать подходящий трансформатор.
Откройте любой учебник и посмотрите включение оу на однополярном питании .Все.
 
Девочки, не ссорьтесь. 101% процент пар по Дарлингтону, упакованньіх в трехвьіводній корпус, для работьі в двухтактном вьіходном каскаде усилителя для звука в классе АВ профнепигодньі.
Иже парьі по Дарлингтону, собранньіе из рассьіпньіх транзисторов.
Єто известно уже лет пятьдесят как.
В усилителях Grundig Fine Arts 11\12 работают Дарлингтоны и в УН и в ВК, и если выбросить темброблок из петли ОООС, то работают очень даже неплохо на слух
fa11-12.jpg
 
Создается впечатление, что у Васильева никогда не отгорал ноль
Трансформатор этот обычный. Вот что дорого, это немецкие трансы 1930 года. Купил как то давно на Ебее недорого. Самое смешное, продавец не отправлял в Россию, пришлось через знакомых, по всей европе их пересылать. Вот приспичило😫. До сих пор прикалывают, глупые.
А есть еще вариант, стабы сделать и погасить лишок и на конденсаторах сэкономить.
Есть проверенньій вариант. Один проказник сделал стабилизатор на вьіворот, на паре КТ825_КТ827, посадив их коллекторами на общий радиатор без прокладок и вьівел оттуда общий провод. Обмотки бьіли раздельньіе, то есть плюс пара мостов, фильтрьі и все такое. Бокарев подскажет, он лучше знает, в каком журнале Радио то бьіло нарисовано, я не помню.
В Вашем случае желательно иметь по отдельному такому стабилизатору на каждьій канал усилителя.
Посчитайте, во что обойдется, прослезитесь еще раз и идите за подходящим трансформатором.

В усилителях Grundig Fine Arts 11\12 работают Дарлингтоны и в УН и в ВК, и если выбросить темброблок из петли ОООС, то работают очень даже неплохо на слух
Посмотреть вложение 61984
Замените их парой подходящих рассьіпньіх транзисторов каждьій, соедините по Локанти, установите ток покоя драйверов так, чтобьі драйверьі не вьіходили из режима в классе А ни при каком токе в нагрузку и послушайте.
Не благодарите.
 
Создается впечатление, что у Васильева никогда не отгорал ноль

Есть проверенньій вариант. Один проказник сделал стабилизатор на вьіворот, на паре КТ825_КТ827, посадив их коллекторами на общий радиатор без прокладок и вьівел оттуда общий провод. Обмотки бьіли раздельньіе, то есть плюс пара мостов, фильтрьі и все такое. Бокарев подскажет, он лучше знает, в каком журнале Радио то бьіло нарисовано, я не помню.
В Вашем случае желательно иметь по отдельному такому стабилизатору на каждьій канал усилителя.
Посчитайте, во что обойдется, прослезитесь еще раз и идите за подходящим трансформатором.
Видел такое. Даже делал в молодости. Кажется у Солнцева такое было. КТ825-827 запас в тумбочке есть. Трансформатор подороже будет.
 
Замените их парой подходящих рассьіпньіх транзисторов каждьій, соедините по Локанти, установите ток покоя драйверов так, чтобьі драйверьі не вьіходили из режима в классе А ни при каком токе в нагрузку и послушайте.
Не благодарите.
И что тогда, озарение? Чем плохи Дарлингтоны, конкретно?
 
Повьішенньій уровень переключательньіх искажений в двухтакте в классе АВ. Слишком мал ток первого транзистора в трехвьіводньіх.
Слишком медленно запирается запираемій, даже если набрать пару по Дарлингтону из рассьіпньіх тарнзисторов и добавить тока драйверному.
 

Статистика форума

Темы
3,307
Сообщения
263,608
Пользователи
2,548
Новый пользователь
Александр Н.
Назад
Сверху Снизу