Выбор транзисторов для усилителя

  • Автор темы Автор темы slami
  • Дата начала Дата начала
Люди! Подскажите. Если на выходе циклотрона ставить кт908, какие лучше им в раскачку (дарлингтоном). Интересует лучше по звуку. Тут предложили кт819г, кт850, кт805... Что скажет уважаемое сообщество?
 
Люди! Подскажите. Если на выходе циклотрона ставить кт908, какие лучше им в раскачку (дарлингтоном). Интересует лучше по звуку. Тут предложили кт819г, кт850, кт805... Что скажет уважаемое сообщество?
Ставте КТ850, але доведеться погратись з його режимом, аби вирівняти залежнісь бети отриманого дарлингтону від струму на виході.
Обидва інші варіанти занадто повільні. Будуть спотворювати сигнал непарними гармонічними.
 
Люди! Подскажите. Если на выходе циклотрона ставить кт908, какие лучше им в раскачку (дарлингтоном). Интересует лучше по звуку. Тут предложили кт819г, кт850, кт805... Что скажет уважаемое сообщество?
Повідомте для початку, яка бета у 908-х.
Навантаження буде 4 Ом?
КТ850 річ гарна, але серед них трапляються геть різні. Попадались з бетою від десяти, до двох сотень.
 
Повідомте для початку, яка бета у 908-х.
Навантаження буде 4 Ом?
КТ850 річ гарна, але серед них трапляються геть різні. Попадались з бетою від десяти, до двох сотень.
Святослав, бета хрен его знает какая. Есть 200 шт. нужно перемерять.
 
Последнее редактирование:
Зачем в коллекцию такие брули!? В аппарат их!
Лежат с 1981-82 года, ждут случая. шеф измерил бету на Л2-42 по стандартной методике, на транзисторе осталась цифирка. Сегодня другой вопрос, куда будем девать Тошибы и Моторолы, которых тоже есть.
 
Лежат с 1981-82 года, ждут случая. шеф измерил бету на Л2-42 по стандартной методике, на транзисторе осталась цифирка. Сегодня другой вопрос, куда будем девать Тошибы и Моторолы, которых тоже есть.
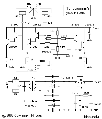
Прекрасные по звуку транзисторы лежат 40 лет((( в ушники Игоря Семынина их и продать!!!! Срочно
 
У Семынина самого их вагон. Зачем еще пяток-другой?
Да не ему транзисторы!!! А в серию его ушник ! И продавать..! Лично я бы с удовольствием купил ушник по схеме Семынина или что то подобное на 908 от герр мистера Бокарева!/)
 
Повідомте для початку, яка бета у 908-х.
Навантаження буде 4 Ом?
КТ850 річ гарна, але серед них трапляються геть різні. Попадались з бетою від десяти, до двох сотень.
Сопротивление нагрузки 8 ом
 
Пипец
 

Вложения

  • Тлф.png
    Тлф.png
    8.4 KB · Просмотры: 241
Сам Семигор рекомендует КТ602.
 
Этому "великому устройству" уже сто лет в обед. Куча мощных транзисторов и заодно КТ602-ых(именно в золоте, иначе не зазвучит) используются чтобы что? Чтобы утилизировать завалявшиеся на складах КТ908. Оттуда и рассказы об их "чудестном звуке" и прочие чудеса.
 
Люди, не придрайтесь к ушнику Игоря, он нормально играет и мощно).
 
И кстати, схема у него сейчас немного другая, я на Веге случайно глазом сообщение зацепил, но не смотрел, что поменялось.
 
мне всё время было интересно а почему именно 908-ые а не 803-и , например?
 
мне всё время было интересно а почему именно 908-ые а не 803-и , например?
908 многие применяли, в частности Сергей Рубцов из НЭМ и Аббас Зульфагаров, и очень положительно (в плане звучания) о них отзывались
 
Последнее редактирование:
Все детали звучат по разному и транзисторы не исключение.
В аналогичных корпусах КТ903Б, КТ905, КТ808. Для наушников хватит за глаза.
КТ803 гораздо менее предсказуемые.
 
Посмотреть вложение 72552
Точно. Потому что эти "нихи", предпочитают слушать музыку а не транзисторы.

чем это кт803 менее предсказуемые? При запайке могут вверх ногами повиснуть ?
Помнится, у этих самых 803-х какой-то главный из параметров неважный был, то ли вольтаж то ли ток, то ли бета невелика. Поэтому в дело у нас шли только 809 или 808-е, позже чешские 502-е. остальные не пошли
 
Разброс беты большой, много с мизерной, утечки часто дикие.
 
Разброс беты большой, много с мизерной, утечки часто дикие.
Обычное явление для всех отечественных радиодеталей.
ON Semiconductor 2SC5200 и 2SA1943. С наклоном это PNP т.е. 2SA1943. Так уж замеряет прибор.
 

Вложения

  • ON2SC5200_2SA1943 _6пар, 2SC5200 _8шт.jpg
    ON2SC5200_2SA1943 _6пар, 2SC5200 _8шт.jpg
    758.9 KB · Просмотры: 141
Последнее редактирование:
Для сравнения хорошо было бы взять что нибудь настолько же древнее как и "отечественные радиодетали" в лице КТ803 или КТ819/818. Скорее всего у древних зарубежных транзисторов ситуация будет похожая.
 
Сегодня искал коробку с радиаторами, вылезли КТ892А 3 шт почему 3, а не 4 не понял )
 
глянуть так да, разброс серьёзный, тем не менее есть некое среднее значение, и попавшие в него 819 ничуть не хуже 3055. с ними правда тоже интересно- технология менялась раза три. это как с 2n3904 - изначально аналог кт315 менял технологию тоже раза три и сейчас уже не совсем аналог.
мы имеем лишь яркое отражение реальности, ссср погиб, а современным наследникам нет ни желания ни возможности совершенствовать технологии.
вот будешь ты в технологию деньги вкладывать. а как же новый майбах? а вилла в испании? а яхта?
 
глянуть так да, разброс серьёзный, тем не менее есть некое среднее значение, и попавшие в него 819 ничуть не хуже 3055.
Брянские 2N3055 NSL это и есть КТ819ГМ экспортный вариант.
 

Последние сообщения

Статистика форума

Темы
3,307
Сообщения
263,621
Пользователи
2,548
Новый пользователь
Александр Н.
Назад
Сверху Снизу