slami
1 ранг
- Регистрация
- 15 Янв 2021
- Сообщения
- 1,441
- Реакции
- 1,185
- Баллы
- 58
- Возраст
- 53
- Страна
- Россия
- Город
- Иркутская обл.
- Имя
- Вячеслав
Возбуд транзистора, у БП на выходе электролиты
Керамику (не пленку) на выход БП подсовывал, возбуд на коллекторе 66 кГц не явное (частоту осциллограф такую показал), а какое-то изменяющееся, как бы пропадающее, наверное 2-3 нФ сорвало бы его. Здесь еще нюанс - провода от мультиметров и БП длинные, возможно из-за них.
Магазин безреактивный
Даташит такой есть
Испытание КП958А и КП972А


Вроде по усилению на 5В нормально, а вот 12В и 24В опять..., особенно у КП972А. Пытаясь понять такой эффект на больших токах при увеличении напряжения обнаружил у КП972А (у КП958А есть такой же, но его труднее обнаружить не спалив его, так как у сгоревшего он на 6А, у целого чуть выше). Эффект можно назвать тиристорный или триггерный...
При увеличении базового тока у данного КП972А, при 19,4мА (ток базы) ток коллектора достиг 6А и начал падать до 5А (напряжение 5В), далее с прогревом он немного опять повышается и вот при уменьшении тока базы на 42 мА ток стока начинает повышаться с 5,8А до 6,3А, при этом сам ток базы уменьшается до 35мА. Все это выглядит очень заметно в скачкообразном изменении тока базы с 20 до 40 мА (грубо) при его увеличении и с 40 до 20 мА при его уменьшении.
Такой же эффект заметен при 12В 2А и токе базы 1,895/3,99 мА, при 24В 1А ток базы 0,689/8,02 мА
Защиту на БП ставил на 6,3А, при "разносе" транзистора БП начинал снижать напряжение с 5-6В до 2-2,5В, возможно из-за этого транзистор не вылетел, потому что прошлый при 12В сгорел, и я сейчас не уверен что возбуд виноват, хотя он тоже наблюдался на малом токе и без конденсатора.
Керамику (не пленку) на выход БП подсовывал, возбуд на коллекторе 66 кГц не явное (частоту осциллограф такую показал), а какое-то изменяющееся, как бы пропадающее, наверное 2-3 нФ сорвало бы его. Здесь еще нюанс - провода от мультиметров и БП длинные, возможно из-за них.
Магазин безреактивный
Даташит такой есть
Испытание КП958А и КП972А


Вроде по усилению на 5В нормально, а вот 12В и 24В опять..., особенно у КП972А. Пытаясь понять такой эффект на больших токах при увеличении напряжения обнаружил у КП972А (у КП958А есть такой же, но его труднее обнаружить не спалив его, так как у сгоревшего он на 6А, у целого чуть выше). Эффект можно назвать тиристорный или триггерный...
При увеличении базового тока у данного КП972А, при 19,4мА (ток базы) ток коллектора достиг 6А и начал падать до 5А (напряжение 5В), далее с прогревом он немного опять повышается и вот при уменьшении тока базы на 42 мА ток стока начинает повышаться с 5,8А до 6,3А, при этом сам ток базы уменьшается до 35мА. Все это выглядит очень заметно в скачкообразном изменении тока базы с 20 до 40 мА (грубо) при его увеличении и с 40 до 20 мА при его уменьшении.

Такой же эффект заметен при 12В 2А и токе базы 1,895/3,99 мА, при 24В 1А ток базы 0,689/8,02 мА
Защиту на БП ставил на 6,3А, при "разносе" транзистора БП начинал снижать напряжение с 5-6В до 2-2,5В, возможно из-за этого транзистор не вылетел, потому что прошлый при 12В сгорел, и я сейчас не уверен что возбуд виноват, хотя он тоже наблюдался на малом токе и без конденсатора.
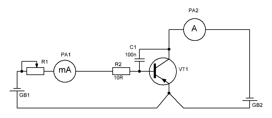
неустойчивый германий какой-то, если на 5В более-менее, то 12 и 24 кошмар. Чуть отвернулся, у тебя дым идет... Суть эксперимента "как безопасно измерить усиление германиевого транзистора". В ходе испытания еще одного 1Т910АД выяснилось, классическая схема как для кремния не подходит. Если на 5В ток коллектор-эмиттер у кремния нулевой (с оборванной базой или с большим сопротивлением базового токозадающего резистора) у данного экземпляра достигал пары миллиампер, то при 12В - 8,8 мА, при 24В 70-100 мА (измерено кратковременно, с ограничением тока) и об измерении в классическом варианте нельзя и думать. Был опробован низкоомный делитель базового тока, между ним и базой включен миллиамперметр, но для этого нужны условие: сопротивление база-эмиттер (сумма нижнего резистора делителя + сопротивление базового миллиамперметра) не должно превышать определенного критического значения. Экспериментально опробован метод: подаем на коллектор-эмиттер напряжение через миллиамперметр, закоротив цепь база-эмиттер магазином сопротивления. Примерно получилось что с большим сопротивлением (1-10 кОм) при 5В было порядка 10мА ток коллектор-эмиттер, причем при прежнем измерении было пара мА??? Магазином выбираем такое сопротивление при котором ток коллектора при небольшом увеличении его начинает резковато увеличиваться. Получилось при токе примерно 10 мА (у других транзисторов может быть другой ток) такие сопротивления: 5В - 100-200 Ом, 12В - примерно 40-50 Ом, при 24В - 20-25 Ом. При таких условиях более-менее можно производить измерения, иначе обратный ток отрицательный (от транзистора к базовому делителю) и измерять невозможно.


Есть вероятность, что у "худших" транзисторов будут больше обратные токи и меньше Uкэ(кб).
