Германиевые УНЧ

Да, действительно, редкость.
 
Интересно, а 323 в природе есть? Я пытался найти и не нашёл... 1-2 штуки...
Лично в руках держал аж 2 штуки, и даже в усилитель их поставил. 1Т323В, 1969 года (месяц не помню), с приемкой - в виде звезды, по тогдашним правилам. Комплементарным к нему засунул 1Т321Е. Правда, было то еще в 1993 году. С тех пор больше не попадались. Хотя специально их и не искал. Но - не миф, это точно. В природе были.

Любителям заглянуть под юбку в брюхо транзисторов.
Спасибо! У меня в зажигании такой стоит, с 1989 года. ГТ806Д. 1Т813 людям тоже ставил в эту схему. Теперь буду знать, какая "неонка у них в нутре" (с) ))
 
Добрый вечер! Извиняюсь, уважаемые знатоки, а если вместо 321-го и 605-го, использовать ГТ402? Вот, например, у 404, я измерял китайской коробочкой, был экземпляр с hFe 181. Но и 606-е или 609-е (? забыл, какие... ) были по 160.
402 медленный, обвалится скорость отклика и полоса. В этом плане 605 точно лучше.
 
Кстати, подумалось вот. По идее, ГТ402 и ГТ404 должны неплохо в каскоде работать. Базу ему привязать к источнику напряжения, а в эмиттер зацепить чего-нибудь шустрое, но низковольтное. Например, ГТ311 + ГТ404 - связка, конечно, диковато выглядит. Но не вижу причин, по которым она не смогла бы работать. И уж точно пошустрее будет, чем одиночный ГТ404 с ОЭ.
 
Доработанная схема Филина ВРЛ 91.
Искажения 2 кГц - 0,1 %, 20 кГц - 0,63 %.
источник
Лет 30 назад собирал нечто подобное, из чистого любопытства. Только питание было однополярка, 15 В. Ни одного транзистора выпуска позже 1963 года: все сплошь П10 ... П15. И П4 на выходе. Специально так отбирал. Просто интересно стало, чего могли бы сотворить инженеры в начале 60-х, ежели б они умели современных схемотехник. Завелось, работало. Даже вполне неплохо, и не гадко на слух. На высоких только чуть сипилявило: все же, выше скорости нарастания прыгнуть оно не могло.

Сейчас вот подумал вдогонку: надо было его в инвертирующем включении попробовать.
 
Последнее редактирование:
Такие хорошо работали
 

Вложения

  • .jpg
    .jpg
    78.6 KB · Просмотры: 646
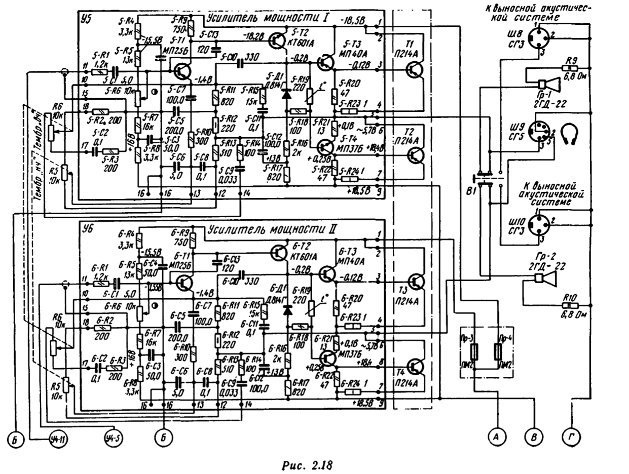
"Юпитер-201", если не ошибаюсь? Именно его мне слышать не доводилось, а вот следующий - "Юпитер-202" на ВЧ был просто ужасен. Слушать после него "Маяк-203", к примеру, было просто бальзамом на уши. На встроенном же УМ.

Правда, в 202-м на выходе стояли П217, если мне не изменяет память. У них было одно большое достоинство: они не сгорали в той схеме никогда (!!!). Что угодно: МПшки в драйвере, эмиттерные резисторы по 1 Ом, - но случаев выгорания П217 не помню там ни одного. Правда, на этом их достоинства и заканчивались.

Насмотрелся (и наслушался) в свое время на это дело достаточно: у моего одноклассника было такое чудо. Он когда-то откусил там провода к АС, а потом просто примотал их на скрутках, не удосужившись даже толком заизолировать. Соответственно, УМ выгорали постоянно, а я их чинил и набирал статистику. Но за одно доброе дело я ему благодарен: впервые услышал у него записи Deep Purple и Led Zeppelin. С тех пор на том и стою, вот уже лет 40.
 
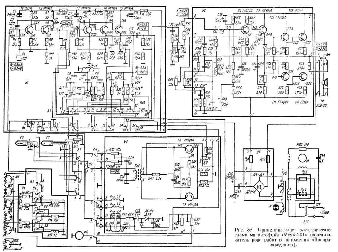
Это Маяк-201, в колхозе на первом курсе был, 1974г, Бэнд он зе Ран Маккартни...
 
Band On The Run forever! Long live Paul! (y):)
Покорнейше прошу меня извинить, но "Маяк" чуть отличался, хотя и очень похож. А это именно "Юпитер", и именно 201.
Хотя первоисточник там явно был один и тот же.
маяк_201.pngмаяк_201_УМ.pngюпитер_201_УМ.png
 
Спасибо!!! А сайд 1 там далеко от него лежит?
 
Завтра на "Эстонии" послушаю. Здесь и сейчас только ноутбук имеется.
Даже скачал правильно - по телефонной линии. Как-никак, она именно под звук специально заточена. Не то, что всякое там Б-гомерзкое оптоволокно 🤣🤣🤣

Кстати... За неимением 6Н28Б - 6С51Н подойдут? Просто знаю, где их можно взять в потребном количестве.
 
Последнее редактирование:
6C51H отменно звучащие лампы для корректора. Как замена 6н28-х , не скажу, что напрямую, но схема на этих триодах есть, разработана и отслушана, автор схемы профессор Гурский из Минска.
Найти её сейчас не получилось, архив большой слишком. Получится- выложу.
 
Олег, 6с51н можно как и 6ж38п, смещение за счет протекания сеточных токов на 2,7-5,1 МОм, в аноде 20-36 ком. 6с51н в поролон амортизировать, и груз прицепить, и будет тихо.
 

Вложения

  • _ 3-КАСКАДНОГО КОРРЕКТОРА ОТ ЮРЫ.png
    _ 3-КАСКАДНОГО КОРРЕКТОРА ОТ ЮРЫ.png
    633.4 KB · Просмотры: 415
  • IMG_1755.jpg
    IMG_1755.jpg
    226.1 KB · Просмотры: 342
Спасибо! Правда, что-то не нравится мне этот способ подачи смещения. Так же, как и у транзисторов током базы (мегаомным резистором на + питания). Вот как-то внутреннее неприятие вызывает, как моветон. Ну, это такое - сугубо личное мнение, спорить и навязывать его не буду.

Пола М. от Александра Б. сейчас, как раз, слушаю. Creative Sound Blaster Live! 5.1 + "Эстония-стерео" с родными АС. Весьма годный рип, огромное спасибо! (y)
 
Последнее редактирование:
В схеме АБ1 - такой способ смещения очень даже себе годный. Базу в землю, ток смещения вдуваем в эмиттер, туда же ООС.
 
В том-то и дело, что в эмиттер. При этом ток коллектора абсолютно предсказуем и предопределен, с точностью до альфа. А вот если ток вдувать одиночным резистором в базу в схеме с ОЭ, как это делалось на заре транзисторной техники...
 
Посмотрите схемы магнитофонов Айдас, Дайна, Комета...
 
Спасибо, посмотрел. Честно говоря, не в восторге. Наверное, в реальной жизни это работало для 6С62Н. Но вот как-то аморфно и неубедительно оно там все. Для "Айдас-9М" резистор 5,1 МОм и бумажный конденсатор 0,047 мкФ. Тогда как для "Дайны" там всего лишь 1 МОм, и при этом электролит на 2 мкФ. Вот как-то не люблю я такие схемы, когда нельзя наверняка сказать, хотя бы с точностью до 10%, какой там будет ток анода. И соответственно, напряжение на этом самом аноде. Про потенциал сетки при этом говорить не буду, поскольку сам по себе, в отрыве от анодного тока, он представляет, в бОльшей степени, чисто академический интерес.

Опять же, сигнал с ГВ в магнитофоне примерно на порядок меньше, чем сигнал с головки звукоснимателя, особенно на ВЧ. Соответственно, и нелинейность такого каскада проявится в бОльшей степени. Это я к вопросу об отсутствии местной ООС в каскаде. (Опять же, это чисто субъективное мнение. Просто излагаю, чем именно мне не нравится такая схемотехника).
 
Последнее редактирование:
У Саши Бокарёва была такая схема на 6с51н для корр-ра, с 4,7-5,1 МОм в старом моём компе, оно всё с компом накрылось... И схемы профессора Гурского.
ПС: схема, если разобраться, имеет много преимуществ...
 
Да я ж не спорю. Так, чисто личное впечатление. Возможно, вся моя проблема в том, что я сильно испорчен ОУ и Хоровицем с Хиллом. Отсюда и привычки соответствующие, вкупе с предубеждениями. Что хорошая схема должна просчитываться в уме или на коленке, но с достаточной точностью. И сразу работать правильно, в четко и ясно предопределенном режиме, без подбора компонентов. А на самом деле надо быть проще, и не заморачиваться из-за таких мелочей, быть может.
 
Спасибо, посмотрел. Честно говоря, не в восторге. Наверное, в реальной жизни это работало для 6С62Н. Но вот как-то аморфно и неубедительно оно там все. Для "Айдас-9М" резистор 5,1 МОм и бумажный конденсатор 0,047 мкФ. Тогда как для "Дайны" там всего лишь 1 МОм, и при этом электролит на 2 мкФ. Вот как-то не люблю я такие схемы, когда нельзя наверняка сказать, хотя бы с точностью до 10%, какой там будет ток анода. И соответственно, напряжение на этом самом аноде. Про потенциал сетки при этом говорить не буду, поскольку сам по себе, в отрыве от анодного тока, он представляет, в бОльшей степени, чисто академический интерес.

Опять же, сигнал с ГВ в магнитофоне примерно на порядок меньше, чем сигнал с головки звукоснимателя, особенно на ВЧ. Соответственно, и нелинейность такого каскада проявится в бОльшей степени. Это я к вопросу об отсутствии местной ООС в каскаде. (Опять же, это чисто субъективное мнение. Просто излагаю, чем именно мне не нравится такая схемотехника).
Как учит нас товарищ Никита Трошкин, смещение сетки с помощью резистора в ней не выше 0,6-0,8 Вольта. Можете убедиться лично, дав смещение с помощью резистора, измерив анодное, а потом дать в сетку 0,6в от диода с током через него. Если закоротить сетку, анодное просядет до какого-то уровня, исходного. Могучее преимущество такого решения- нулевой фон первого каскада от переменного тока накала. Схема упрощается в разы.
 
И при одном и том же токе сетки оно будет отличаться в 5 раз у "Айдаса" и "Дайны". Хотя у последней, судя по всему, его просто можно считать нулевым.

Фон не проблема, в таких каскадах накал все равно лучше питать постоянкой.
 
И при одном и том же токе сетки оно будет отличаться в 5 раз у "Айдаса" и "Дайны". Хотя у последней, судя по всему, его просто можно считать нулевым.

Фон не проблема, в таких каскадах накал все равно лучше питать постоянкой.
Ясно, что вы без понятия по теме. Что 1 М, что 5М, сеточное смещение останется в пределах 0,6-0,8 вольт. Хехе.

И при одном и том же токе сетки оно будет отличаться в 5 раз у "Айдаса" и "Дайны". Хотя у последней, судя по всему, его просто можно считать нулевым.

Фон не проблема, в таких каскадах накал все равно лучше питать постоянкой.
Вам схему моей Ноты-М нарисовать?
 
Ясно, что вы без понятия по теме. Что 1 М, что 5М, сеточное смещение останется в пределах 0,6-0,8 вольт. Хехе.
Тогда ток сетки меняется в 5 раз, что ли? Или закон Ома не работает для данной цепи? За счет чего тогда получается падение напряжения на сеточном резисторе, если не от протекания через него тока сетки? А если сеточный резистор уменьшить до нуля, тогда что получится? Я действительно без понятия в этом случае.

Или я просто не понял Вашу мысль, что смещение на сетке не величиной более 0,6 ... 0,8 В не окажет существенного влияния на ток анода? Но это тоже не совсем так, особенно для ламп с высокой крутизной.
 
Последнее редактирование:
Сеточный резистор =0 даст смещение , равное 0. Смотрите ВАХи на пересечении с Uc=0 .
Разные резисторы сеточного смещения- они под разные лампы, с разным током сетки. У кого больше. у кого меньше. у кого- караул. Нельзя, только автоматическое.
 

Статистика форума

Темы
3,306
Сообщения
263,406
Пользователи
2,548
Новый пользователь
Александр Н.
Назад
Сверху Снизу