Германиевые УНЧ

Сеточный резистор =0 даст смещение , равное 0. Смотрите ВАХи на пересечении с Uc=0 .
Это естественно, вопрос был риторический
Разные резисторы сеточного смещения- они под разные лампы, с разным током сетки. У кого больше. у кого меньше. у кого- караул. Нельзя, только автоматическое.
Так, стало быть, таки разное напряжение смещения будет для 5,1 М и для 1 М. Спасибо, я именно так и думал. А лампа одна и та же (по крайней мере, тип). Вот именно это мне и не понравилось: подбирать номинал под конкретный экземпляр лампы. А еще дрейф есть, старение...

Я же говорю - дурная привычка у меня. Люблю, чтобы автоматом нужный режим получался, для любого компонента "из коробки".

Вам схему моей Ноты-М нарисовать?
Если она авторская, и существенно отличается от заводской, то буду очень признателен. Для расширения кругозора такие вещи всегда полезны. Так, звучание Вашего корректора мне действительно понравилось.
 
Последнее редактирование:
ТЛФ для 50 Ом и выше, класс А, вроде ничего не забыл.
Сначало был диф. каскад и п605, потом еще упростил
 

Вложения

  • IMG_1807.jpg
    IMG_1807.jpg
    482.4 KB · Просмотры: 415
А у меня на рабочем столе как раз 311 валяются, нашел в запасниках. Сменить- два удара паялом.
Но прежде лабораторка , глянуть пробивное К-Э у 311. Тогда видно будет, что это за Сухов такой.
Полез за блоком питания.
 
Интересно, как запоет.
12 В у него К-Э. Кроме буквы "И". У той 10. Вот.
В данной схеме не более половины предвидится.
 
Не лишним будет проверить, все же. Скажем, зацепить 1К Б-Э. Или сколько там предстоит в реальной схеме. И столько же в коллектор. В общем, ограничить Iк до безопасного значения. Подать питание и посмотреть, при каком напряжении оно начнет пробиваться.
 
Последнее редактирование:
За основу взял эту
 

Вложения

  • 1979-10.064.jpg
    1979-10.064.jpg
    222 KB · Просмотры: 784
Помню такую. Кажется, была у Терещука в справочнике.
 
И еще одна "Дайна". Вроде бы, та же самая. А номинал сеточного резистора отличается в 5 раз. Именно это и вызвало вопросы.
дайна.png
 
Последнее редактирование:
Не лишним будет проверить, все же. Скажем, зацепить 1К Б-Э. Или сколько там предстоит в реальной схеме. И столько же в коллектор. В общем, ограничить Iк до безопасного значения. Подать питание и посмотреть, при каком напряжении оно начнет пробиваться.
Впаял 311Б. Фон при включении, режим съехал , нет нуля на выходе. Ничего не дымит. Выпаял, впаял обратно МП10б. Тишина и благодать, чистейший звук.
Ребята, заводите свою тему по переделке Бокиной схему на 311 триод. Будет интересно.
 
Много чести заводить повторителю с резистором в эмиттере ещё и следящую защиту от превышения тока . И так работает.
С языка сняли. Хотел написать: а нафига там еще и защита нужна? А потом поленился. Но чуть было не написал. Подумал - так уж точно.:D

Впаял 311Б. Фон при включении, режим съехал , нет нуля на выходе. Ничего не дымит. Выпаял, впаял обратно МП10б. Тишина и благодать, чистейший звук.
Ребята, заводите свою тему по переделке Бокиной схему на 311 триод. Будет интересно.
А первоисточник оной где можно глянуть? А то я что-то потерялся.
 
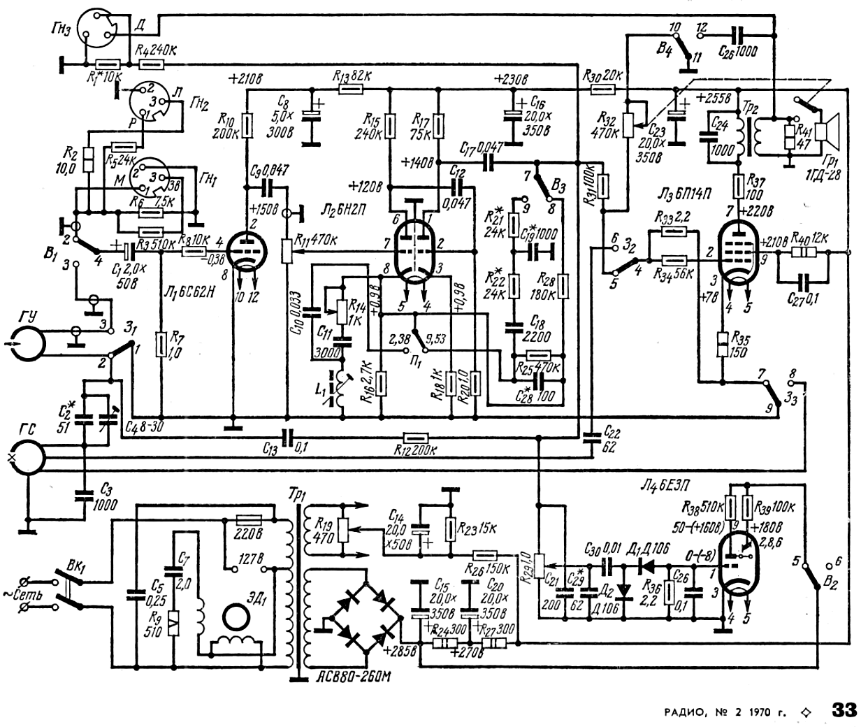
Странная схема, э-лит 2мкф и 1 мом
 
Странная схема, э-лит 2мкф и 1 мом
Скриншот с отсканированной страницы в журнале. Я тоже удивился. Радио 2/70. с.33.

Спасибо.

Впаял 311Б. Фон при включении, режим съехал , нет нуля на выходе. Ничего не дымит. Выпаял, впаял обратно МП10б. Тишина и благодать, чистейший звук.
Ребята, заводите свою тему по переделке Бокиной схему на 311 триод. Будет интересно.
Александр, а Вы можете более подробно рассказать, что именно, и в какую сторону там перекосило с 311-м? Сколько было на выходе, и сколько на выводах 311-го транзистора? Это очень сильно поможет в понимании того, куда и как двигаться дальше. Лично поковыряться и поэкспериментировать я, к сожалению, сейчас не могу - за неимением 311-х. Заранее благодарю.
 
Впаял 311Б. Фон при включении, режим съехал , нет нуля на выходе. Ничего не дымит. Выпаял, впаял обратно МП10б. Тишина и благодать, чистейший звук.
Ребята, заводите свою тему по переделке Бокиной схему на 311 триод. Будет интересно.
Может, загенерил УМ? Странное стечение симптомов.
 
Как вариант.
Как там писали у Лавриненко и Ко.: "Следует учитывать возможность самовозбуждения транзисторов, как высокочастотных элементов с большим коэффициентом усиления." 😂
 
Времени выяснять причину фона не было, поздно , глаза не видят. Приборы убраны. Будет случай- займусь. Транзистор крепкий, по картинкам там К-Э 20-25 вольт минимум, а так и выше держит.
 
Сегодня нашел трансформатор с бОльшим напряжением, теперь минус 24-25в, ток покоя сделал 200-250 ма, и теперь ОК

1т311 с хода не нашел, но были где-то...

1т,гт320 должны тоже быть, f т=200мгц с буквой В
 
320-е вполне хороши, но они p-n-p.
 
Значит так.
1. 1Т 910АД от дяди Паши Пыжэ приказали долго жить. Сами жили недолго, не успев и понять, что произошло. До 20 в как бы живы. выше наворачиваются. К-Э пробивается . Они переключательные, поэтому видимо в А режиме не живут.
2. 1Т311б заработал, но на 30 вольтах питания началась генерация.
3. п609 загенерил сразу, зашуршал и захрустел, словно лампа.
4.п605 вместо 1 т321 прекрасно стал , нужно лишь чуток уменьшить резистор смещения МП10-го.
Скорее всего, финальный вариант схемы будет на мп10, П605 и паре 1т806а. Остальные сошли с дистанции по разным причинам.
 
Блин тема раздвоилась...Думаю,что не финальный- всё же стоит ещё попробовать 1Т813 (Карта где то вагон купил весь форум DIY аудио снабдил) по тех. характеристикам и визуально по кристаллу 1т806 круче,но по звуку вроде все пишут 1т813 значительно получше будет.
 
Блин тема раздвоилась...Думаю,что не финальный- всё же стоит ещё попробовать 1Т813 (Карта где то вагон купил весь форум DIY аудио снабдил) по тех. характеристикам и визуально по кристаллу 1т806 круче,но по звуку вроде все пишут 1т813 значительно получше будет.
У 813-го, если глянете справочник, область безопасной работы УЖЕ чем у 806го. То есть, в импульсе 813 круче, на постоянном токе- 806 лучше. У нас А класс, постоянный ток максимальный.
Выводы делайте сами.
813-е есть, проверю с ними. В схеме они оба годятся, режим не выходит за ворота рамок, я учел эти вещи. А насчет звука круче- сомнения у меня. Звучат все, кто выжил ))) А выжили далеко не все, единицы.
 
Все время говорил, говорю и буду говорить, гт, лучше 1т806 - неубиваемый, с 1981 года знаком!
 
У 813-го, если глянете справочник, область безопасной работы УЖЕ чем у 806го. То есть, в импульсе 813 круче, на постоянном токе- 806 лучше. У нас А класс, постоянный ток максимальный.
Выводы делайте сами.
813-е есть, проверю с ними. В схеме они оба годятся, режим не выходит за ворота рамок, я учел эти вещи. А насчет звука круче- сомнения у меня. Звучат все, кто выжил ))) А выжили далеко не все, единицы.
Кто 813 на выход ставил,все говорят намного раньше 806 х открываются,поэтому при замене можно и ток покоя им меньше сделать,и область безопасной работы увеличится.А в теории,я и сам знаю,что вы правы.
 
Обидно за 910-е
Теперь над уголками придется думать...
 
DIM,не расстраивайтесь,я же вам написал в кл B с межкаскадником 910 будут прекрасно работать.
 

Статистика форума

Темы
3,306
Сообщения
263,418
Пользователи
2,548
Новый пользователь
Александр Н.
Назад
Сверху Снизу