юан8
1 ранг
- Регистрация
- 9 Мар 2024
- Сообщения
- 3,828
- Реакции
- 761
- Баллы
- 58
- Страна
- РФ
- Город
- Санкт-Петербург
- Имя
- Юрий
- Предупреждений
- 5
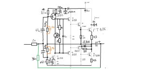
схема шлак ,даже не думайте,и вообще п213,214 и тд годятся только для схем с ОК,при включении ОЭ-нижнее плечо,у них очень низкая граничная частота около 3,,,4кгц что порождает большие искажения на вчА что спецы скажут по этой схеме? Стоит терять время?
из германцев на выход хороши гт806, и прочие с высокой частотой,П605а отлично звучат но хилые и больше 5вт на них получить не получится,если большая мощность не нужна хороши гт402\404б,г,е,можно пустить по три впараллель и поставить радиаторы,резисторы 0.5...1ом при этом надо поставить каждому в эмиттер
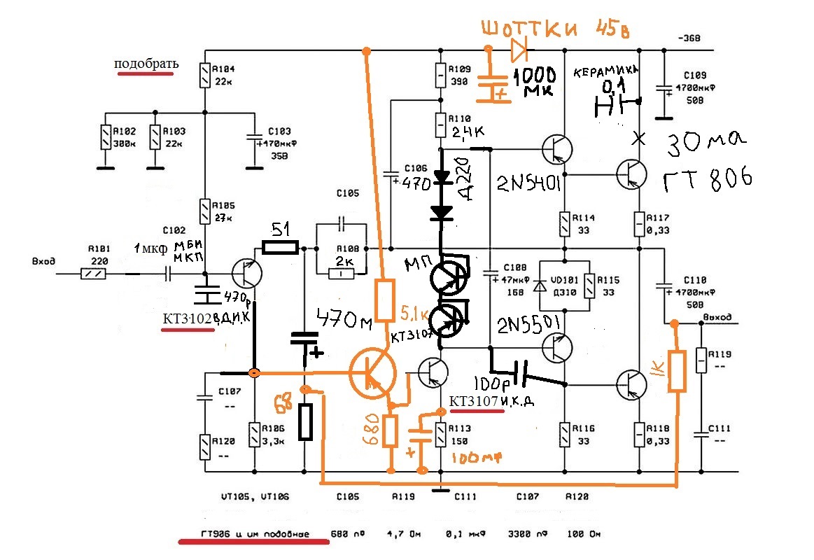
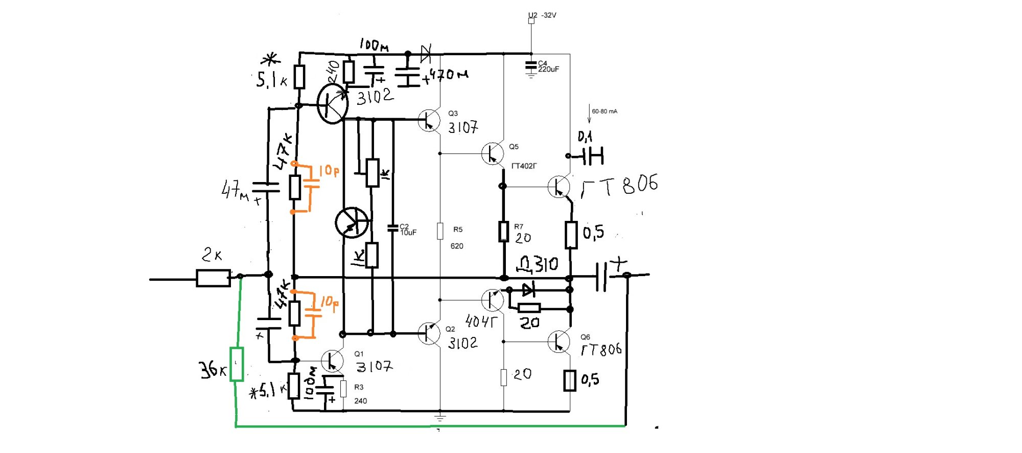
схема классическая ,в первый каскад и второй лучше поставить кремний кт3102 и кт 3107 с высокой бэтта и малой емкостью в предвыход лучше гт402\404бг.е
при питании до 20в в предвыход хорошо мп38А\мп20а
еще лучше оставить германий только на выходе,а в предвыход поставить 2n5401\2n5501.это даст более плавное переключение плеч
вот нормальная схема,если нет германиевого диода Баксандалла д310,можно поставить германиевый транзистор ,ГТ 308,П4хх соединив базу и коллектор
Вложения
Последнее редактирование:
