Германиевые УНЧ

DIM,а мне их послушать не пришлось.Мне кажется ,что у них должна быть немного"кричащая" верхняя середина,или нормально там всё?
 
Я в трехполосках слушал, там с подмагничиванием только НЧ был. Так что пример не совсем адекватный.
 
Только сейчас вспомнил про схему Акулиничева с подстройкой тока покоя от температуры.
А самое главное за сегодня: транзисторы 1Т813В ОС становятся вместо 806 перетыком без подстройки режима.
 

Вложения

  • 1-1.jpg
    1-1.jpg
    30.1 KB · Просмотры: 521
Не слушал звук, только впаял, убедился, что режимы на месте. А насчет измерения в звуке- это вряд ли. Схема с ООС, там все устаканивается до среднего уровня. Генератор покажет, что там с полосой и импульсом.
 
Только сейчас вспомнил про схему Акулиничева с подстройкой тока покоя от температуры.
А самое главное за сегодня: транзисторы 1Т813В ОС становятся вместо 806 перетыком без подстройки режима.
Интересный способ стабилизации тока в прикрепленной схеме однотактника. Насколько я понимаю, с этой целью отслеживается падение напряжения на омическом сопротивлении первички трансформатора. Чего-то там в районе 1,7 ... 1,8 В на ней должно упасть, чтобы Т1 начал открываться.

М-да, немало было всяческих, впоследствии забытых, решений - хороших и разных. Данное мне представляется скорее хорошим, нежели просто разным. Единственное, что - я бы резистор воткнул в эмиттер Т1. Все же, при этом получится нормальный и полноценный источник тока - с высоким внутренним сопротивлением, и вносящий малые искажения. Без резистора подобие источника тока будет довольно грубым, как мне кажется.

Ну, и резистор Б-Э у Т4, конечно. Тут без комментариев.

Насчет звучания 806-х и 813-х тоже не думаю, чтобы оно должно было заметно отличаться. Блин - каскод, все-таки, хотел бы попробовать. По-дурному как-то эта мысль зацепила. Наверное, все-таки, проверю ее как-нибудь - если посчастливится раздобыть 311-е. Не понравится - окончательно похороню эту идею. Но зато с чистой совестью, хотя бы.
 
Последнее редактирование:
Отгадайте с одного раза...
 

Вложения

  • Бестрансформаторные УНЧ mrb0706 1969г_044_.jpg
    Бестрансформаторные УНЧ mrb0706 1969г_044_.jpg
    130.6 KB · Просмотры: 516
  • 1-1.jpg
    1-1.jpg
    30.1 KB · Просмотры: 472
Решения по термостабилизации схемы на германии нет пока . В ум пришло вот что. В прохладную погоду даем полное питание, два по 15 в. В жару перекидываем вторичку с четырёх накальных секций по 6, 3 в на три, вольт 7 долой, на 24 вольтах схема работала стабильно без проблем.
Вчера решив проверить её на нагрев, феном нагрел три радиатора , не успел ничего измерить, как с эмиттерных резисторов дымок пошёл, в итоге один выходной транзистор гигнулся.
Причем, хитро: на половинном питании схема работает, стоит поднять до полного питания, ток улетает за 2 Ампера и начинается дым. Прозвонил- разницы особой не увидел. Заменил подозреваемого- все стало на место.
 
У меня Худ на п605-1т806 не вылетал, хотя в жару, при токе 1,8 ампера, даже жалко...
 
Саша, про Никитича могу только сказать, товарищ не понимает, с ООС или безООС...
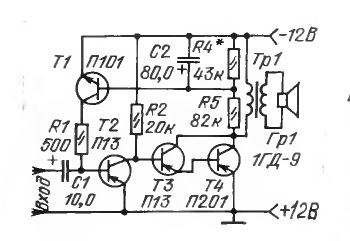
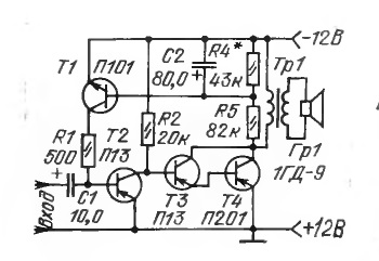
Вас братов-акробатов не понять, то вам нужно безосный то осный... :D Ты лучше Юра скажи, нахрена собирать усилитель в классе А на германии? Гемора хочся? Ну хочется, тогда собери что то типа
германий.png
 
Сочинением схем на германии занялся из желания продолжить одну тему в журнале Салон AV . Там есть несколько схем от Цихисели, малопригодных без дополнительных согласующих каскадов.
Заодно убедился в возможности работы выходных транзисторов с током покоя под Ампер. Звук тоже откровенно порадовал, спектр красивый . Привязать к схеме операционник - до такого и капиталист додумается. А ты на нашем сделай)))))
 
У Дюала есть схемы на 3 и 4 транзисторах с ac128 на выходе в B классе.При правильном подборе к нему акустики сложно найти ему транзисторных конкурентов.Звук пройдя через тройные Дарлингтоны такой прозрачностью наделён не будет,не смотря на нули после запятой.Обычно Дарлингтон ставят,чтобы мощный транзистор на выходе раскачать,а здесь для нулей...
 
Привязать к схеме операционник - до такого и капиталист додумается. А ты на нашем сделай)))))
Александр, у тебя до усилителя хуча микросхем стоят в CD и ничего. Худао-бедно можно только на выходе германцев поставить.
 
Дык, идея-то была чисто на германцах все сделать, от входа до выхода. А то разве забыл бы я про свои любимые 2SC2240 2SA970 ?
Сейчас другая мысль, есть схемочка из Радио за 1978 год, её взял за основу Сухов, для своего УМЗЧвв. Макетил эту схему, драйвер.Там все суперски, разве что току добавить источникам тока. Тогда в хвост можно ставить пару латералов и получается бомба.
 
Простые, но звучные, германий
Улучшеие звучания приемника mrb0756 1971г_023.png

А это В. Колосова, хоть и кремний
Колосов Магнитофон mrb0864 1974г_017.pngКолосов Магнитофон mrb0864 1974г_039.png
 
Последнее редактирование модератором:
Решения по термостабилизации схемы на германии нет пока . В ум пришло вот что. В прохладную погоду даем полное питание, два по 15 в. В жару перекидываем вторичку с четырёх накальных секций по 6, 3 в на три, вольт 7 долой, на 24 вольтах схема работала стабильно без проблем.
Вчера решив проверить её на нагрев, феном нагрел три радиатора , не успел ничего измерить, как с эмиттерных резисторов дымок пошёл, в итоге один выходной транзистор гигнулся.
Причем, хитро: на половинном питании схема работает, стоит поднять до полного питания, ток улетает за 2 Ампера и начинается дым. Прозвонил- разницы особой не увидел. Заменил подозреваемого- все стало на место.
Терморезисторы в базе драйверного каскада? Причем два параллелить, и каждый из двух приклеить рядом с выходником на радиатор?
 
Дык АБ-Пасс-Линсли-Худ :)
Я макетил такую схему, узнать параметры выходного каскада на германии в идее Линси Худа. По сути, тот же Пасс, без входного транзистора Режим по постоянному току выгнать- да. А как усилитель её использовать-таки вряд ли.
IMG_20201220_223402.jpg

Можно базовый резистор взять термик, на 680 ом. Найду-проверю. Составной из двух, 100ом термик и 510 ом обычный не дал ничего. Термик почернел от паяла, ток покоя не снизился.
 
Последнее редактирование модератором:
Вас братов-акробатов не понять, то вам нужно безосный то осный... :D Ты лучше Юра скажи, нахрена собирать усилитель в классе А на германии? Гемора хочся? Ну хочется, тогда собери что то типа Посмотреть вложение 12852
Не подскажете, где можно разыскать библиотеку моделей германиевых диодов и транзисторов для LTSpice? Я был бы безмерно Вам признателен, если бы Вы ею поделились. Заранее огромное спасибо!
 
 

Вложения

Можно базовый резистор взять термик, на 680 ом. Найду-проверю. Составной из двух, 100ом термик и 510 ом обычный не дал ничего. Термик почернел от паяла, ток покоя не снизился.
Если терморезистор в базе драйвера поставить, его изменение сопротивления ОС все равно выровняет
IMG_20210318_131652 (1).jpg
Ток задается резисторами в цепи коллектора драйвера, может вместо одного из них включить цепочку.
Термостабилизация.GIF

Терморезистор нагревается, закрывает транзистор, ток уменьшается
Ещё можно попробовать цепочку R2 и R3 (терморезистор с резистором) поставить параллельно база-эмиттер верхнего ГТ806
 
LTSpice пользую уже много лет, а за модели огромное спасибо! (y)
Кстати, под Linux (через Wine) он тоже превосходно работает.
 
Если терморезистор в базе драйвера поставить, его изменение сопротивления ОС все равно выровняет
Посмотреть вложение 12888
Ток задается резисторами в цепи коллектора драйвера, может вместо одного из них включить цепочку.
Посмотреть вложение 12889
Терморезистор нагревается, закрывает транзистор, ток уменьшается
Ещё можно попробовать цепочку R2 и R3 (терморезистор с резистором) поставить параллельно база-эмиттер верхнего ГТ806
Хе..Надо термик врезать в опорное напряжение стаба по питанию, чтобы с нагревом вокруг стаб снижал питающее напряжение. Либо сделать стабилизатор с отрицательным углом нагрузки. чуть вырос ток покоя, как стабилизатор его чик- и назад. Такие стабы были у меня, звать их 142 ЕН3 и 4.
А проще всего подобрать позистор(несгораемый предохранитель) . Пользуюсь таким в проверочном блоке питания по работе, ему кз фиолетово. Пропало напряжение, позистор чуть остыл-напряжение вжик - и вернулось.
 
Александр,а разве изменение 220 Ом в базе верхнего транзистора не изменяет ток покоя? Если его термистором заменить?
 
Снимок экрана в 2021-03-24 03-54-57.png
Все нормально завелось, еще раз спасибо!

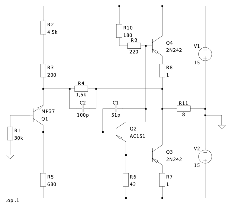
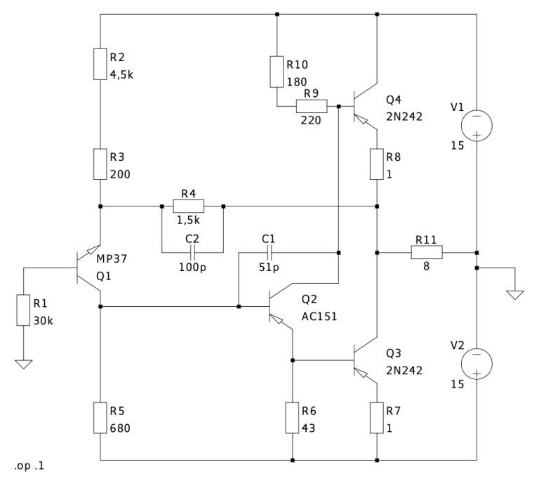
Нарисовал схему А.Б. в LTspice - на тех транзисторах, которые там нашлись среди германиевых моделей, более-менее подходящие. Сразу (без подбора номиналов) запустилось с постоянным напряжением на выходе 0,48 В. Токи выходных транзисторов при этом 0,60 и 0,69 А. Как для первого тыка - вполне удовлетворительно, по-моему. Полная таблица режимов в прикрепленном файле op.txt внутри архива, а файл со схемой - bokarev.asc

Имею мысль поиграться номиналами резисторов и посмотреть, что и как будет влиять на ток покоя. Но на досуге. Сейчас люто хочу спать.

Снимок экрана в 2021-03-24 04-58-02.png
 

Вложения

Александр,а разве изменение 220 Ом в базе верхнего транзистора не изменяет ток покоя? Если его термистором заменить?
База верхнего выходного триода получает смещение из двух точек, одна из которых 220 ом, вторая коллектор нижнего. Термистор только добавит начальный ток выходному каскаду.

Нарисовал схему А.Б. в LTspice - на тех транзисторах, которые там нашлись среди германиевых моделей, более-менее подходящие. Сразу (без подбора номиналов) запустилось с постоянным напряжением на выходе 0,48 В. Токи выходных транзисторов при этом 0,60 и 0,69 А. Как для первого тыка - вполне удовлетворительно, по-моему. Полная таблица режимов в прикрепленном файле op.txt внутри архива, а файл со схемой - bokarev.asc

Имею мысль поиграться номиналами резисторов и посмотреть, что и как будет влиять на ток покоя. Но на досуге. Сейчас люто хочу спать.

Посмотреть вложение 12897
Да, ток покоя в прохладной комнате 0,6 А. С прогревом он вырастает до 0,85-0,9А.
Подкидываем на сигнале конденсатор вольтдобавки и выходной сигнал вырастает амплитудой раза в полтора. Менял точку подключения вольтдобавки - разницы не увидел. Можно двумя резисторами по 200 Ом спаять- то ж самое. Просто у меня они в дефиците.

Нарисовал схему А.Б. в LTspice - на тех транзисторах, которые там нашлись среди германиевых моделей, более-менее подходящие. Сразу (без подбора номиналов) запустилось с постоянным напряжением на выходе 0,48 В. Токи выходных транзисторов при этом 0,60 и 0,69 А. Как для первого тыка - вполне удовлетворительно, по-моему. Полная таблица режимов в прикрепленном файле op.txt внутри архива, а файл со схемой - bokarev.asc

Имею мысль поиграться номиналами резисторов и посмотреть, что и как будет влиять на ток покоя. Но на досуге. Сейчас люто хочу спать.

Посмотреть вложение 12897
Спасибо за первый отзыв о схемке. Ноль на выходе крутим резистором 4.3 ком.
 
Причесал, исправил Тлф
Ток покоя 250ма, Rвых=4 Ома, нагрузка 50-600 Ом
 

Вложения

  • IMG_1810.jpg
    IMG_1810.jpg
    176 KB · Просмотры: 359
Работает сейчас на АС от Симфонии(!), слушаю записи Саши Бокарёва на винил в виде вавок, и даже мощности хватает для комфортного прослушивания...

МП38 вместо МП11 пойдет, Ку=2
 

Статистика форума

Темы
3,306
Сообщения
263,430
Пользователи
2,548
Новый пользователь
Александр Н.
Назад
Сверху Снизу