A-1
1 ранг
- Регистрация
- 25 Июн 2020
- Сообщения
- 1,212
- Реакции
- 134
- Баллы
- 31
- Страна
- Россия
- Имя
- Александр
- Предупреждений
- 1
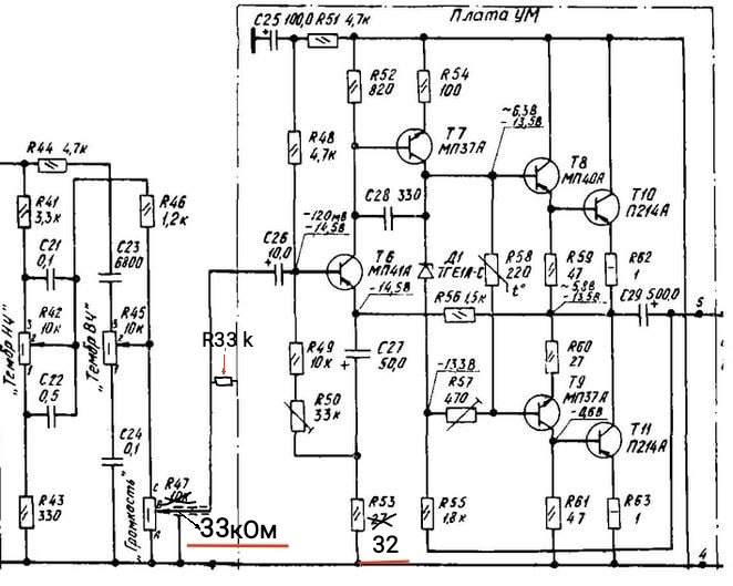
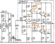
В режиме прозвонки тестера между базой и коллектором у него показывает 700 единиц остальные ноги не звонятсяГт404г нашёл только одну штуку
Есть одна штука кт-3102д февраль восемьдесят пятого года



