A-1
1 ранг
- Регистрация
- 25 Июн 2020
- Сообщения
- 1,213
- Реакции
- 134
- Баллы
- 31
- Страна
- Россия
- Имя
- Александр
- Предупреждений
- 1
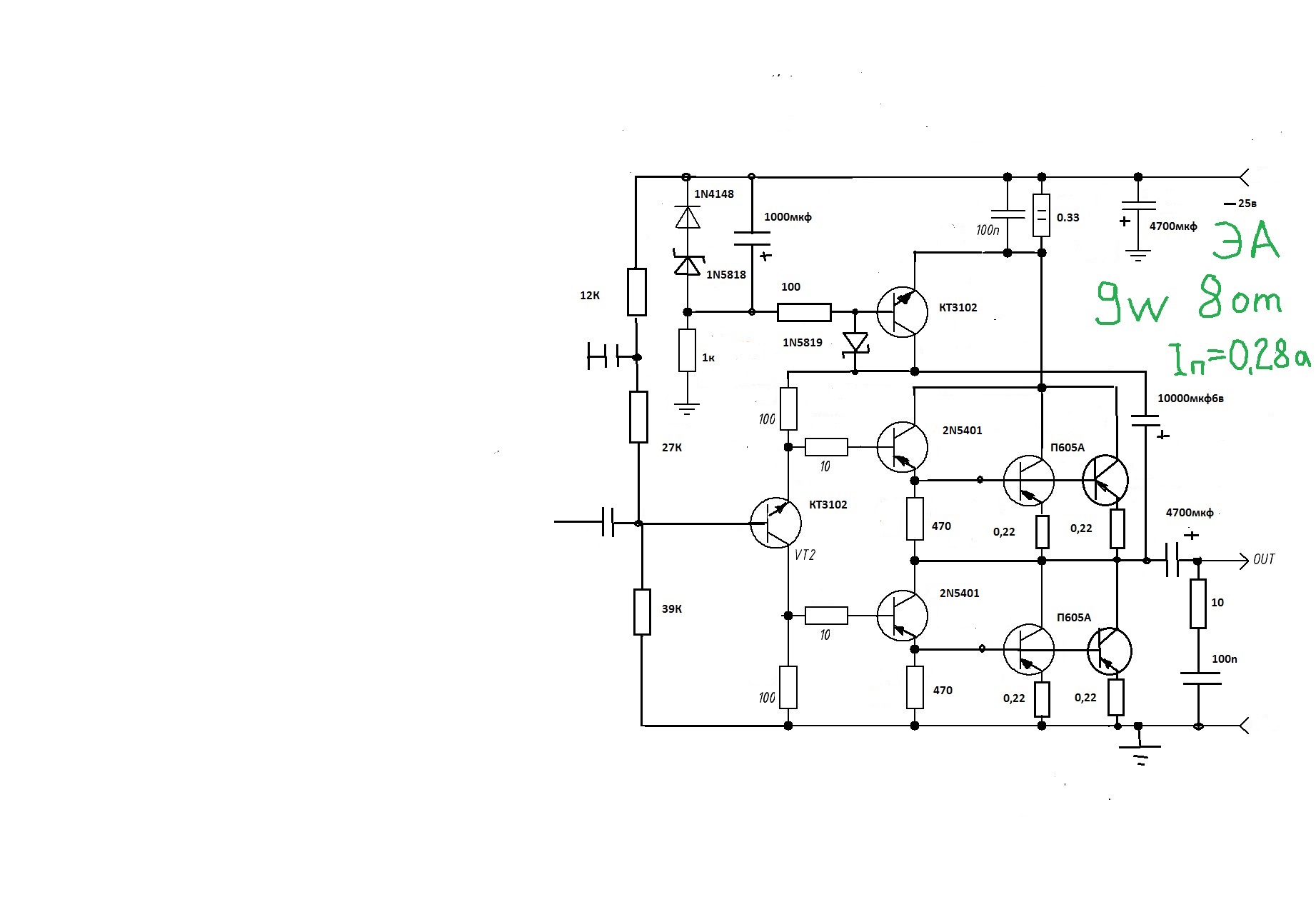
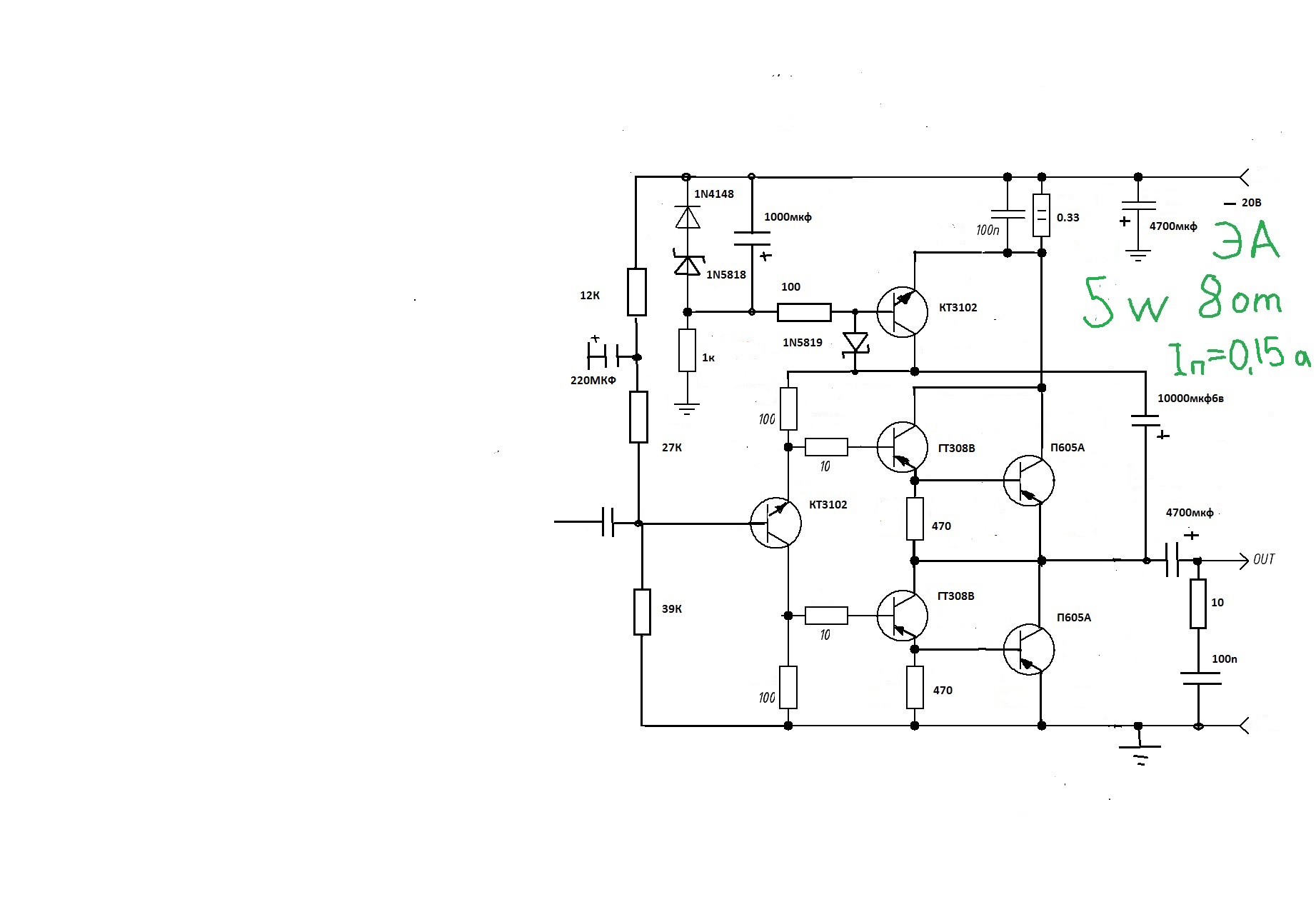
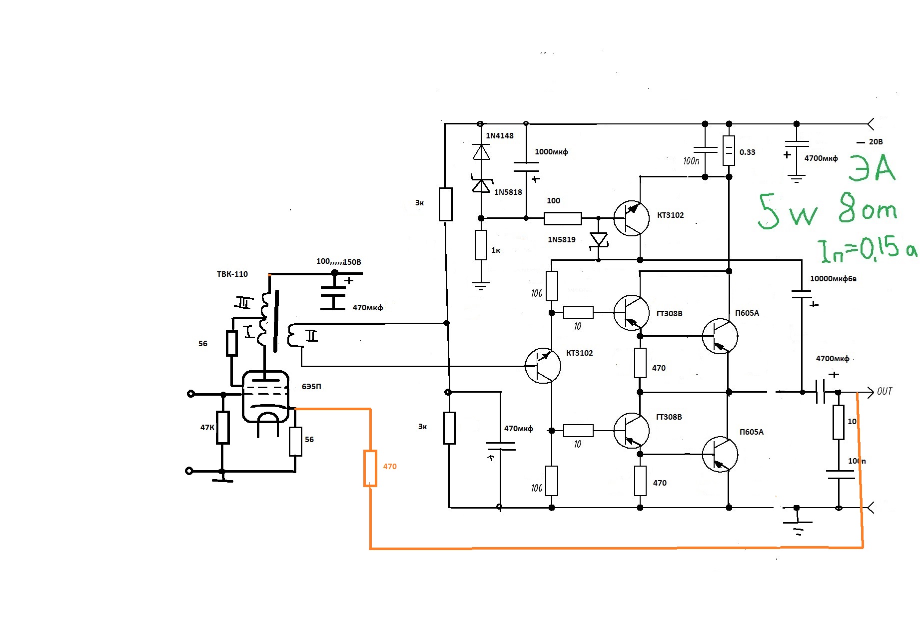
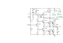
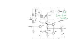
Спасибо, я вопрошал о параллельнике или о мостовых схемах. цель по-прежнему не изменилась - иметь усилитель 10-12 Вт номиналом, но весом не более 2-2,5кг.Александр, схема Дайны на п605
Супер качество не требуется
Потому что минусовки MP3 и гитара
Из готовых ну купил я кинап ломо 34уз
На многими ругаемых дубовых п210.
Всё хорошо там по звуку просто трансформатор с диодной сборкой весит 1,7кг


Поэтому либо беру два импульсника фирменных и делаю двухполярку
Либо пробую собрать то что предложено параллельник на п605.

На что сторожилы мне говорят - так есть же много схем хороших и красивых проверенных и работающих.
Да, есть много схем таких, но они сложные для меня.
.
Последнее редактирование:








