A-1
1 ранг
- Регистрация
- 25 Июн 2020
- Сообщения
- 1,213
- Реакции
- 134
- Баллы
- 31
- Страна
- Россия
- Имя
- Александр
- Предупреждений
- 1
Так в Риге 104 преамп тоже общий плюс по питаниюРация лен с плюсовым питанием. Отчего бы не работать.
Смотрите видео ниже, чтобы узнать, как установить наш сайт в качестве веб-приложения на домашнем экране.
Примечание: Эта возможность может быть недоступна в некоторых браузерах.
Так в Риге 104 преамп тоже общий плюс по питаниюРация лен с плюсовым питанием. Отчего бы не работать.
меряй на радиаторе Т11 нижнего выходника надо полпитания больше ничего не меряй все автоматом станет,ну еще ток покоя померяй и всеКак замерять между базой r58 и минусом питания?
Транзистор не умрет?
Один щуп на радиатор а второй куда?меряй на радиаторе Т11 нижнего выходника надо полпитания больше ничего не меряй все автоматом станет,ну еще ток покоя померяй и все
Да я ошибся в этом блоке питания импульсном мэйнвэллл диапазон регулировки подстроечником от 21.2 до 27,5 в. ниже 21,2вольта он не работает, на 21,2 вольта у него наступает порог стабильной работыможно до 32 поднимать там запас только электролиты смотри чтобы на 35в были по питанию
второй щуп на землю
ток покоя просто миллиамперметр в разрыв питания поставь без сигнала
общий это земля она у льна минус![]()
Тебя посодют, а ты не воруй! (из к/ф "Берегись автомобиля") #мосфильм #shorts
Фрагмент из фильма "Берегись автомобиля", 1966 г., реж. Эльдар Рязанов, киностудия "Мосфильм"Смотрите полную версию фильма на нашем канале https://youtu.be/j...www.youtube.com
у риги вроде плюс схему дай
у астры плюс земля
смотри по электролитам всегда где земля

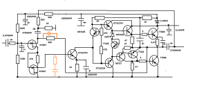
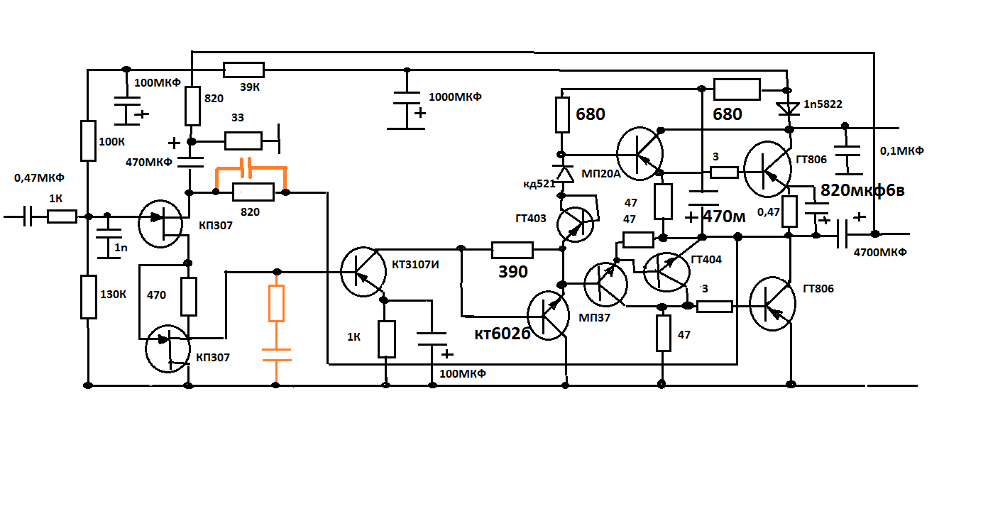
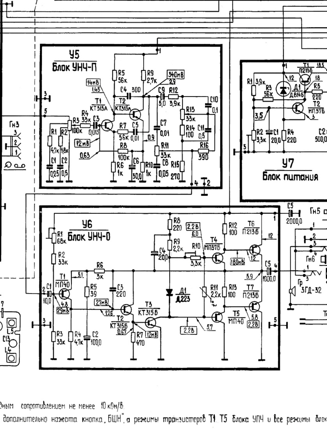
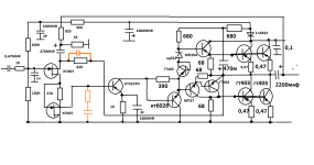
в риге минус общий-земля теТеперь я хочу 39 Вольт подать на унч Риги 104 на вход поставить 2т908 а или какие-нибудь мелкие полубочонки или кт837t
Нет я взял его УНЧ Рига восстановил p213 поменял и теперь меняю конденсатор c2 50 мкФв риге минус общий-земля те
нужно поменять т1 на 3107
и предвыход на более высоковольтный лучше всего купить 2N5401\2N5501
на выход кт816 кт817
кт 908 не порть ,сделай А класс для души я схему дам,очень простая ,навесом, или продай ценителям этих уникальных транзисторов

Снизу против часовой Коллектор(приварен к железке), база справа, эмиттер вверхуНет я взял его УНЧ Рига восстановил p213 поменял и теперь меняю конденсатор c2 50 мкФ
Он там шестивольтовый я нашёл 47 микрофарад 50 в только мне непонятно выводы транзистора п213 все надо изолировать от рамы?Посмотреть вложение 95580
Схема на выходном кремнии мне не нужна, я в УНЧ Риги 104 на 12 вольтовуб схему подать 27 вольт, предварительно заменив конденсаторы на 35-50 вольтовыев риге минус общий-земля те
нужно поменять т1 на 3107
и предвыход на более высоковольтный лучше всего купить 2N5401\N5501
на выход кт816 кт817
кт 908 не порть ,сделай А класс для души я схему дам,очень простая ,навесом, или продай ценителям этих уникальных транзисторов
Да астру я утром послушал - слабая она туда преамп надо мощныйа ну тогда только мп40 на входе поменять и второй мп 37 поставить плюс мп21а как в астре я рисовал
какой смысл распыляться сделай уже астру


видимо это вход унч но его нет на схеме
она слабая ,из за гер тембра он нужен?Да астру я утром послушал - слабая она туда преамп надо мощный
заменить на 3102(буквы) или вс5ххТам кт315 до 20 вольт
один конец в точке3 второй где?и в точке 3 висит непонятный кондёр
динамик 4 и 5Куда паять сигнальный и землю на вход и куда паять плюс и землю динамика?
На сегодня закончилона слабая ,из за гер тембра он нужен?
заменить на 3102(буквы) или вс5хх
один конец в точке3 второй где?
динамик 4 и 5
регуляторы нужны тембра?
Конденсатор- как бы фильтр радиочастотный.Да астру я утром послушал - слабая она туда преамп надо мощныйПосмотреть вложение 95584
китайца, вот такого на ne 5532
а Рига 104
Там кт315 до 20 вольтПосмотреть вложение 95581
и в точке 3 висит непонятный кондёр Посмотреть вложение 95582видимо это вход унч но его нет на схемеПосмотреть вложение 95583


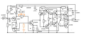
Чёт мало транзисторов напихал. Я вообще считаю желающие попробовать германий на вкус могут просто взять горсть МП39(они хорошие- малошумящие) положить в рот и разжевать.вот еще простенько и со вкусом германия
С тройкой проще но тут для гурманов германиевого выходаЧёт мало транзисторов напихал
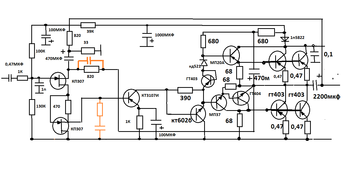
перед фазовращательным трансом неплохо бы буферок поставить с ОК,не прийдется обмотку 1к шунтировать и лучше прокачает паразитные емкости,искажения снизитManufacturer: Dual
Model: CV 2
Боюсь, что при 33 нФ с коллектора в базу в выходном каскаде глубина ООС на ВЧ резко снижается. Был прецендент, без ООС подобная схема давала недопустимый завал уже выше 7 кГц.Manufacturer: Dual
Model: CV 2
Frequency response: 30 Hz - 20,000 Hz
если транзисторы нч типа 214 то емкости эти выкинуть нафигБоюсь, что при 33 нФ с коллектора в базу в выходном каскаде глубина ООС на ВЧ резко снижается. Был прецендент, без ООС подобная схема давала недопустимый завал уже выше 7 кГц.
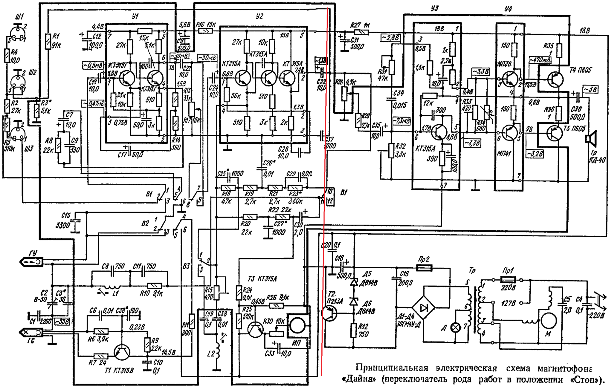
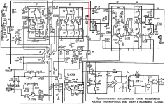
там 3вт всего,да и схема в оригинале шлак,надо переделыватьАлександр, схема Дайны на п605
Так закрыть её нафиг просто в силу полной несостоятельности уже да и всё. Зачем мучиться? Всё равно ничего хорошего не выходит.Истинного Ger-мания в теме становится всё меньше,