A-1
1 ранг
- Регистрация
- 25 Июн 2020
- Сообщения
- 1,209
- Реакции
- 134
- Баллы
- 31
- Страна
- Россия
- Имя
- Александр
- Предупреждений
- 1
Смотрите видео ниже, чтобы узнать, как установить наш сайт в качестве веб-приложения на домашнем экране.
Примечание: Эта возможность может быть недоступна в некоторых браузерах.
Я Александр Сергеевич произвожу замеры через 4 вольта резистором 3 килоома красный щуп на 10 а у меня выдаёт от 0,3 до 1.5А подумать: вот у меня транзистор , с питанием 10 вольт даст полампера. Значит, он у нас как резистор. 20 Ом. Ну и ткни туда резистор 20 ом. глянь- даст твоя измерилка полампера или нет.


Надо было там этим заниматься сегодня я уже вымотался сейчас паять минус к этой сборке двух резисторов сил уже нет.просто на большем токе будет выше бэтта у 806х и лучше пары отберите на 1,95к уже
на 1,9делить будете показания


Заинтриговала схема, добыто для дросселей. Сечение 12 см.кв., окно 6 см.кв.. Маловато, но полагаю для 5-10 Вт на 4-8 Ом нагрузку подойдет.на выходе дроссель-автотранс (можно отводы сделать)
Вариант сечение 3.8 см.кв., окно 6,4 см.кв.это даже много хватит и 6,,,7см кв сечения
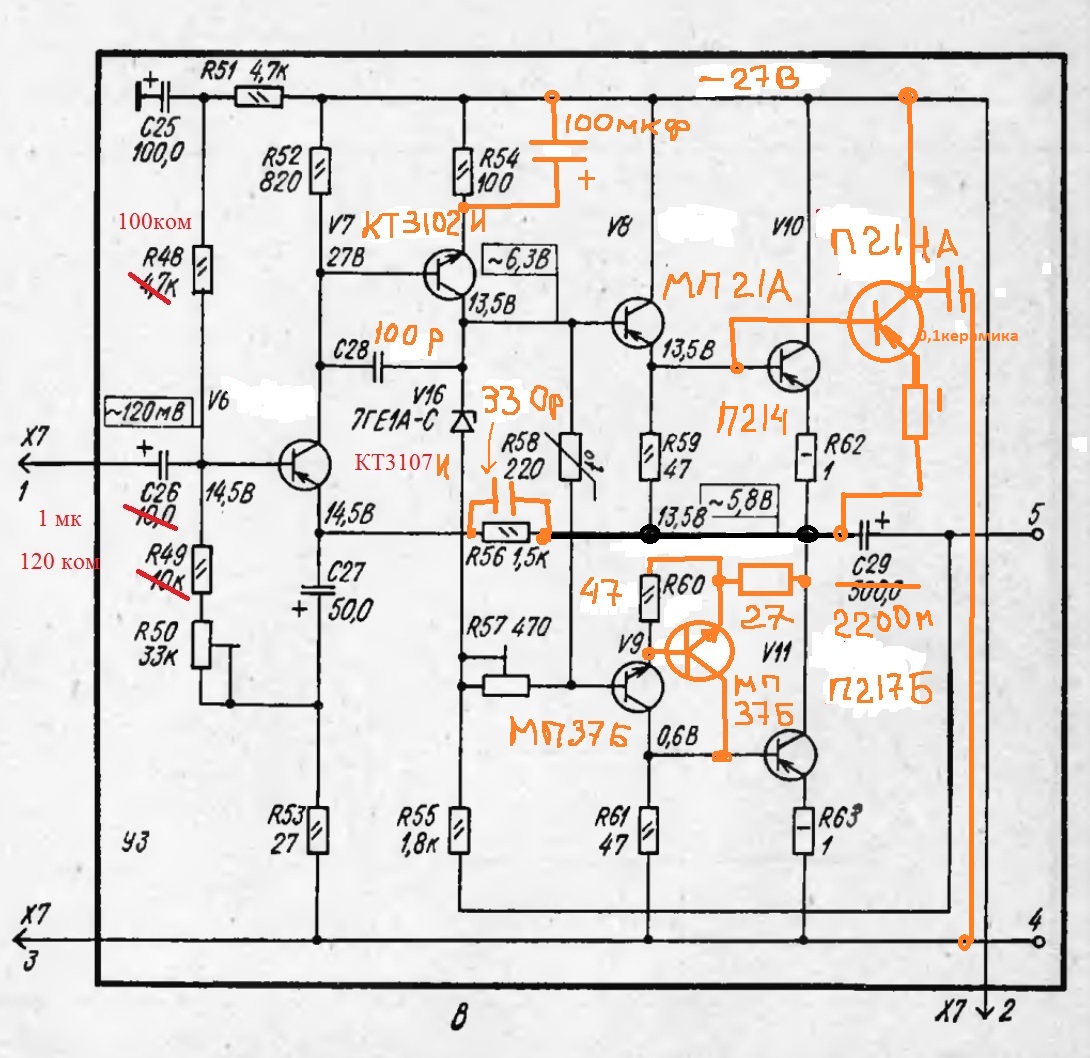
Поясните - вход сигнала на среднюю точку резисторов 50 и 200 Ом, хитрая ООС?начните с оконечника он и сам может давать Ку=5 вот так
Ходють тут всякие, дедам ностальгировать мешають.Если чёт собирать задумали- симулятор в помощь, а то лежать чертить картинки это хорошо, но любую идею лучше сначала проверить на компьютере. Номиналы там подогнать, то сё.
в этой схеме плавающее питание ,шины питания изолированы от земли ,и ток нагрузки не течет через БП и его электролитыПоясните - вход сигнала на среднюю точку резисторов 50 и 200 Ом, хитрая ООС?
бэтта маловата,можно туда 2n5501 или вд139 еще лучше 2sc5171 можно попробовать германий гт404б,г с бэттой повыше,можно даже попробовать кт3102Не откопал КТ602, есть парочка КТ611 из осцилла, видимо. несколько П308 и П307 нашлись. 6Э5П нашел парочку.
Ток кз литиевой батарейки 40-50 ампер, а у меня предохранитель в тестере 0,5а даже не успел сгореть только подгорел - волосок почернел.ставь предохранитель 3,,,5а и не сгорят
у вас есть кт602 ,даже фото выкладывали он обратной проводимости,кт815 это диоды ,тоже есть кд213деталей елки-палки КТ 602 б и кт815 нет конечно же дома
Нашел этот пост действительноТак есть какие-то полубочонки три штуки я не знаю как их идентифицировать
И есть в рации лён б транзисторы на них можно найти описание
Ещё есть кремниевые какие-тоПосмотреть вложение 94833
2т602Т608Б пара,2n2369пара
И bc 177 вроде Хитачи пара есть 2sb75
Круто!!! Правда уже отложил п605а с большой бетой, гт806а на радиатор нет слюдяной прокладки.можно так тройку сделать и не надо большой бэтты
п605 без радиатора даже можно
У меня нет даже макетной платы есть просто медный провод хочу сделать навеснымне надо прокладку на 806 и 908 их коллекторы ведь соединены,прямо на радиатор,нулевкой пошлифуйте и термопастой намажте тонко,если нет термопасты хоть литолом намажьте важно тороший контакт тепловой с радиатором,п605 можно тоже на радиатор крышкой верхней поставить,приклеить рядом с 806 и монтировать,у него коллектор тоже соединен с коллектором 806
Удобно возле транзистора прикрутить кусок стеклолита , с прорезанными надфилем или стамеской площадками. На них распаиваем обвеску , там, резючки мелкие, емкостишки, антивозбуды в базах. И уже от площадок тянем длинные провода на основную плату.а зачем там плата,все навесом отлично делается,проводники покороче для соединения,жестким проводом
с эмиттера гт806 на нижнюю шину питания где резистор 0,5...1ом и диод шоттки к ней подсоединены кинете керамику 0,1мкф кратчайшим путем,блокировка по вч,на схеме нет ее