Александр Бокарёв
1 ранг
- Регистрация
- 12 Ноя 2019
- Сообщения
- 30,305
- Реакции
- 15,390
- Баллы
- 395
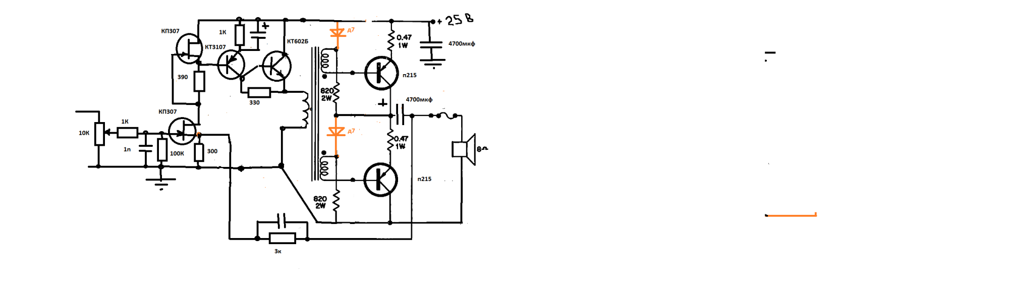
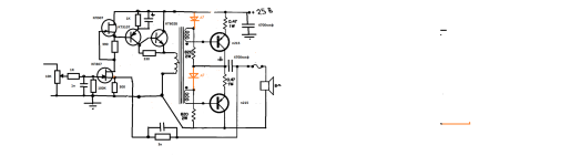
Мудро. А я башку ломал, как ООС симметрично завести с выхода.Вот еще простая схема гибрида на германии транзисторы любые п2хх,гт806,906,гт403параллель 4шт,п605а параллель 3шт
трансформатор мотаем так 600витков первички 0,14...0,15
потом целое число слоев вторички бифилляром
потом 600+600витков первички
потом опять целое число слоев вторички бифилляром
потом 600витков первички
провод для вторички 0,27...0,3 вторичку мотаем виток к витку
число слоев выбираем так чтобы Ктр был примерно 4,при соединении секций последовательно,те примерно 300витков в каждой секции бифилляром точнее надо считать под ваше железо
секции первички соединяем последовательно
секции вторички последовательно перекрестно,те по одной из каждого бифиляра
дроссель автотранс мотаем проводом 0,7 два плюс один провод 0,1мм(оос) трифилляром до заполнения
железо обоих трансов 4...6см кв,можно от твз,твк
Хотя, по жизни. она работает даже взятая с края вторички.











