Германиевые УНЧ

филлипс согласен только он стоит в 10раз дороже п605
все равно у германия низ както мягче звучит,слитно
причем заметил что при подключении нагрузки через транс понижающий подобный эффект я наблюдал у тда и лм 1875
мягче и слитнее звук
если с фотографией сравнить то нет излишней четкости резкости а портретный снимок у германия и дело не в ачх она ровная по прибору
Если БДшки стоят рублей 40 то П605 должен стоить рубля 4. Не понимаю что там дядька Валера переживает. Взял бы ведро по такой цене и не парился.
 
вдшки стоят плюс доставка 140р оригинальные филлипс
 
вдшки стоят плюс доставка 140р оригинальные филлипс
а нахрена они огиринальные фиписл нужны то? я обычные из чида юзаю - нареканий ноль. вот с алика да- их только на замену 3102/07 можно. х21э как раз за три сотни.
или ты любишь играть в транзисторчики как Lub?
 
при глубокой оси разницы мало ,а в безобщеоосных схемах с предом и повторителем детали звучат специфически
кондеры то же ,даже резисторы обладают нелинейностью,особенно кондер оос и резисторы оос надо хорошего качества
но я не настаиваю каждый пусть ставит что хочет
в А классе 0,5% искажений при коротком спектре не плохо звучит
динамики больше искажают
 
при глубокой оси разницы мало ,а в безобщеоосных схемах с предом и повторителем детали звучат специфически
кондеры то же ,даже резисторы обладают нелинейностью,особенно кондер оос и резисторы оос надо хорошего качества
но я не настаиваю каждый пусть ставит что хочет
это я тоже в курсе. звучат или искажают,как кому. но подозреваю именно бд филипс и не филипс отличить на слух будет не просто,да и по приборам тоже.
 
Если БДшки стоят рублей 40 то П605 должен стоить рубля 4. Не понимаю что там дядька Валера переживает. Взял бы ведро по такой цене и не парился.
Я на развес покупал срезку осенью ещё было такое сейчас уже нет
30 штук мне вышло по рублю штука ну может с доставкой по три сейчас мощные радиаторы приедут попробую повторитель на гт806 и на п 605а

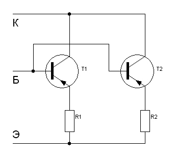
Так, ну что ж, люди добрые как это подключено?
Коллектора соединены друг с другом базы соединены тоже друг с другом у транзисторов
В эмиттеры подпаяны резисторы 0,82 ома 5 вт
IMG_20240514_160720.jpgIMG_20240514_161122.jpgIMG_20240514_161048.jpg17156893198362062480341923951193.jpg
Фланцы от gt806 подходят один в один но диаметр у транзистора чуть поменьше вроде бы.
И, кстати гт 701a в этой цепи можно проверить на целостность транзисторы?

Если БДшки стоят рублей 40 то П605 должен стоить рубля 4. Не понимаю что там дядька Валера переживает. Взял бы ведро по такой цене и не парился.
П 605а по 50рублев за штуку продают а п210 за стольник отложенная инфляция после сво хорошо сработала ещё осенью цены подскочили на всё
 
П 605а по 50рублев за штуку продают а п210 за стольник отложенная инфляцию после сво хорошо сработала ещё осенью цены подскочили на всё
настало время кремния. вот и всё. зачем нужны П210 для меня загадка- усилок на них нормальный только для саба можно сделать. а п605 тоже вопрос, они же чахлые совсем?
 
настало время кремния. вот и всё. зачем нужны П210 для меня загадка- усилок на них нормальный только для саба можно сделать. а п605 тоже вопрос, они же чахлые совсем?
Гт701 я прочитал на форуме годятся только в старые автомобильные коммутаторы никакие кремниевые взамен не подходят может быть вместо них p210а подходит
?
 
настало время кремния. вот и всё. зачем нужны П210 для меня загадка- усилок на них нормальный только для саба можно сделать. а п605 тоже вопрос, они же чахлые совсем?
Так для кинопроектора же
Мне понравился звук в кинапе
А п605а
Для меломанов греющих кабеля
 
А п605а
Для меломанов греющих кабеля
Ну так на других транзисторах, разницы и не заметить. И это не шутка ;)
Вот такая железяка на П605 легко уделывает промышленный УН на 4-х ОРА564 за 40 тыс.р.
 

Вложения

  • IMG_20240401_201751.jpg
    IMG_20240401_201751.jpg
    478.4 KB · Просмотры: 214
  • IMG_20211214_1627127.jpg
    IMG_20211214_1627127.jpg
    391.2 KB · Просмотры: 214
Ну так на других транзисторах, разницы и не заметить. И это не шутка ;)
Вот такая железяка на П605 легко уделывает промышленный УН на 4-х ОРА564 за 40 тыс.р.
Я не знаю я не Меломан Но мы с Александром Сергеевичем бокарёвым отличаем "пыльно-асфальтный"звук p213 (вега-101) от ad161 162 по частоте p605a
Я тут за Бокарёва не могу говорить (в третьем лице) он сам за себя в ответе, но во многом я с ним согласен по части отслушивания разных динамиков и так далее, да хотя и так всем известно какие динамики удачные какие не особо, какие надо уметь готовить и так далее.

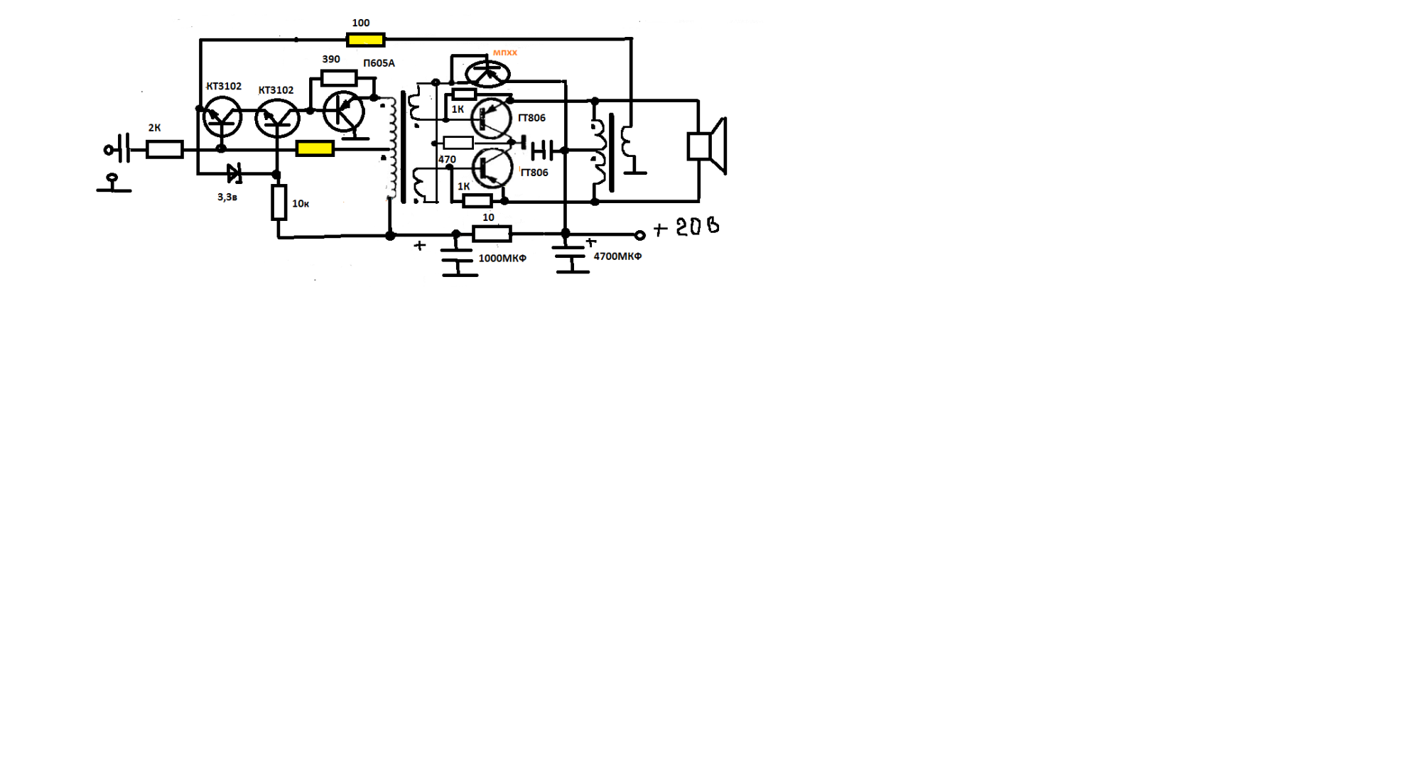
Я так понял что у меня есть готовый параллельник ВК только на неподходящих транзисторахSemigor-Kisa1К=5гермпарРГ (1).jpgIMG_20240514_160720.jpgIMG_20240514_182839.jpg
 
Последнее редактирование:
там столько не нужно это если п605 ,достаточно одного 806 вверху ну для надежности 2 от силы там внизу 908 один тк он не боится нагрева в отличие от германия
ад162\161 низкочастотнее п605 раз в 7
 
там столько не нужно это если п605 ,достаточно одного 806 вверху ну для надежности 2 от силы там внизу 908 один тк он не боится нагрева в отличие от германия
ад162\161 низкочастотнее п605 раз в 7
Под п-6О5а надо дырки рассверливать.
Самая простая схема - это тройничок кт-608a качает p605б качает gt806a
Только полная схемы нету есть кусочек.
Я кстати пришёл к товарищу сегодня паять всё это дело мы пока начали звонить GT 701 а пытаться их снять они на краске они ни хрена не снимаются но он говорит мы сегодня ничего не успеем давай мне схему через 2 дня интернет появится я тебе спаяю конечно через 2 дня погода изменится он дачу уедет и так далее или запьет
 
Ну так на других транзисторах, разницы и не заметить. И это не шутка ;)
Вот такая железяка на П605 легко уделывает промышленный УН на 4-х ОРА564 за 40 тыс.р.
Догадываюсь, о какой железяке речь)))) И верю каждому вашему слову))))
 
Ну так на других транзисторах, разницы и не заметить. И это не шутка ;)
Вот такая железяка на П605 легко уделывает промышленный УН на 4-х ОРА564 за 40 тыс.р.
Это макетка с резисторами и подключением осциллографа?
 
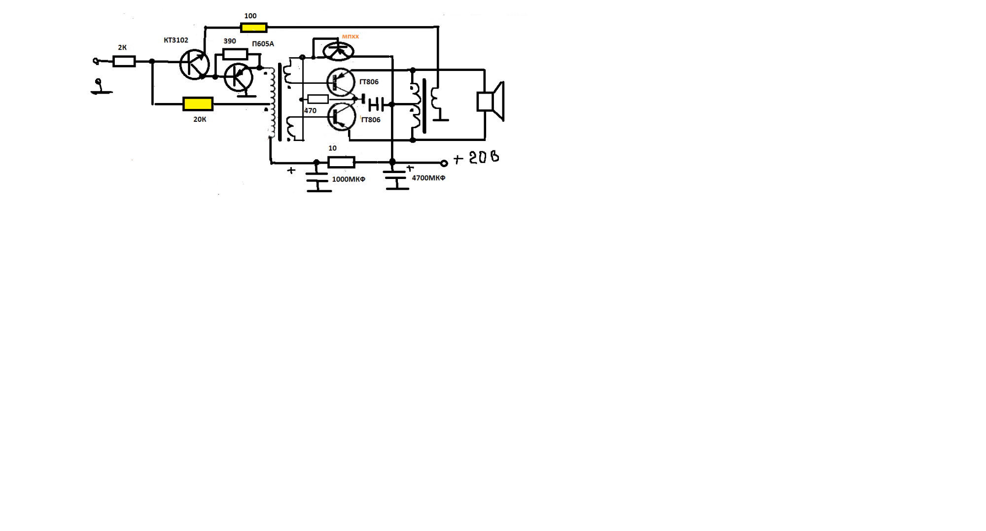
Вот еще усилитель на германии без лишних деталей,вых каскад и драйвер с ОК,транзисторы без прокладок на общем радиаторе,желтые резисторы оос позволяют менять соотношение местной оос в драйвере и общей оос
 

Вложения

  • ПРОСТОЙ НА ГЕРМАНИИ.png
    ПРОСТОЙ НА ГЕРМАНИИ.png
    83.1 KB · Просмотры: 224
Подумал и решил следящий каскод поставить не намного сложнее ,но лучше,добавил резисторы 1к для разряда входных емкостей гт806
первый транзистор супербэтта 1000 надо
в качестве термодатчика гт313,322 их втавляем в отверстие в радиаторе тк корпус не соединет с электродами(4ре вывода)
если МПхх то клеим к радиатору через прокладку
ток п605а 50,,,75ма
ток покоя гт806 выставляем по постоянному напряжению на полуобмотке выходного автотранса 26мв если применить классВ,но можно и АВ и А класс
на выход можно п215 210 214 или п605 параллелить,гт403
тут ОК полоса хорошая по вч
ВК балансируем по нулевому постоянному напряжению на выходе подбирая резистор 1к в одном из плеч между базой и эмиттером
 

Вложения

  • ПРОСТОЙ НА ГЕРМАНИИ КАСКОД следящ.png
    ПРОСТОЙ НА ГЕРМАНИИ КАСКОД следящ.png
    91 KB · Просмотры: 167
  • ПРОСТОЙ НА ГЕРМАНИИ КАСКОД следящ5.png
    ПРОСТОЙ НА ГЕРМАНИИ КАСКОД следящ5.png
    87.3 KB · Просмотры: 138
Последнее редактирование:
Если БДшки стоят рублей 40 то П605 должен стоить рубля 4. Не понимаю что там дядька Валера переживает. Взял бы ведро по такой цене и не парился.
Да уже и не переживаю)) БД есть оригиналы, а 605 - е ...попадутся ,от тогда и "приготовим)). Можно и А1306 попробовать, да и 814 ).Макетка есть, внук тут "подарок" принёс, авто УСь , а у него корпус-рвдиатор конфетка! Порежу, 8 штук по 500 см. получается. Массивные, чернёные, шоколад !
 
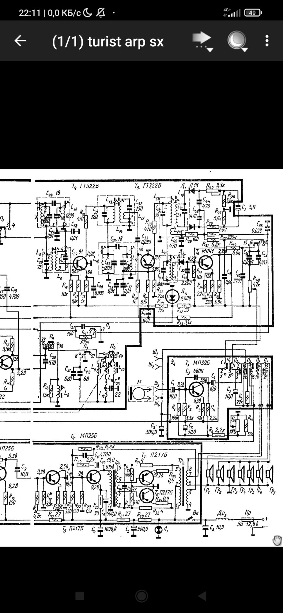
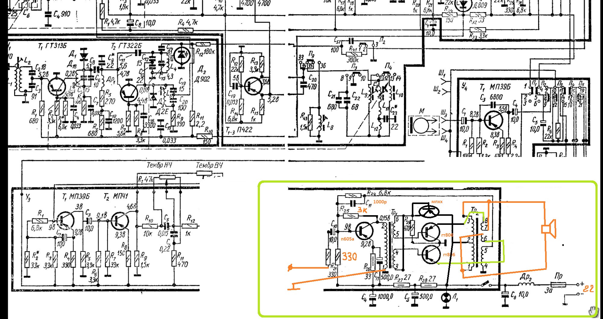
Автобусный приёмник турист как вырезать радиочасть оставить унч и преамп где выход с радиочасти который приходит на унч

Screenshot_2024-05-16-22-11-04-464_org.sufficientlysecure.viewer.jpg
 

Вложения

Автобусный приёмник турист как вырезать радиочасть оставить унч и преамп где выход с радиочасти который приходит на унч

Посмотреть вложение 97859
Это - правильная идея, выбрасываем УНЧ и преамп, приёмная часть вроде нормальная, собираем туда новый усилок на кремнии двухтактный комплементарный и слушаем.)
 
тда- тоже самое без обвеса и возни
Да ладно какая разница? Точно, можно ТДА2003 взять вообще отлично будет. Только не по схеме из ДШ делать, а по нормальной.
 
Да ладно какая разница?
сделай слепой тест с тда7850 с драконом сам убедишься

это шлак по сравнению тда7850 с 4мя мостами которые если еще по уму в биамп собрать,конфетка звук!!! особенно при 19в питании
биамп позволяет сч и вч через резистор 8,,,12ом включать ,что резко снижает искажения,и без того малые,в тч искажения самих динамиков да и интермодов меньше при делении кроссовером перед усилителем
 
очень актуально вспомнить схему св приёмников, в свете грядущего могут быть вновь востребованы)
Начал искать воздушный переменный кондёр... хоть детектор смогу собрать)
Ох рано(!) похоронили СВ-ДВ диапазон. Именно в свете последних событий...Быстро передать информацию на всю страну можно только на СВ,ДВ. "Маяк" вся страна слушала.
 
сделай слепой тест с тда7850 с драконом сам убедишься
Обойдусь как нибудь. Нахрена мне ещё ТДА то покупать? У меня вон 2003 валяется десяток, 2030 десяток и ЛМ1875 разных штук 20 наверное. Ещё и 7850.
1715932637748.png

Ещё не заглядывая в ДШ я уже примерно знал что там написано. Спасибо большое. Они как застряли в середине восьмидесятых так там и остались.
 
У меня три платы унЧ с двумя трансформаторами и две радио часть вернее одна радиочасть другая ум2 плата с переключателями
схема в посте 4576 проще уже не могу ,увы

вот проще на родной плате,но моя лучше схема, там ОК на выходе драйвера
 

Вложения

  • турист мод555.jpg
    турист мод555.jpg
    628.5 KB · Просмотры: 129
Честно скажу я не разбирался скажу одно с5200 были куплены в чипе производитель был указан тошиба и цена приличная, а с5198 куплены на али как оригинал Б.У. 10шт по цене одного с5200.
И ещё эти с5200 купленные в чипе стал использовать в Б.П. Так вот на прошлой недели в одном канале с5200 при токе 1300мА сгорел, проработал полгода, а он вообще то если не изменяет память десяти амперный.
@sc5200 15a, 230 v, 150 w. 2sc5298 10 a,140 v, 100 w, f-30mgc , C -360 pf, 330 pf.

15А по справочнику. Моя парочка пока жива. Играли вроде не хуже другого кремния. Маркировка, правда, какая-то бледненькая...
Да, маркировка не оригинал. Но ,у меня есть и оригинал ,и типа подделка, которая прекрасно держит 10 а и 210 вольт. Шрифт и остальные "прибамбасы" в маркировках разные. Транзисторы покупал на Али ,давно правда, так вот ,там фирма лепила "подделки" ,но качество хорошее! Не знаю, что за основа, но параметры и у 5200 и у 3281 вполне себе, ставил при ремонте ,работают.

Уважаемый Александр Б. Скажите, короткие тоанзисторные схемы в 3-4 каскада рулят?. А то Тигр утверждает, что на насыщенной музыке типа хэви метал и хард рок, пяти-транзисторные схемы сваливаются в кашу... Что то в ламповых аппаратах "короткие" тракты этого не делают. Или я что то упустил?
Ну батенька ...хэви надо слушать на совсем других мощностях) и акустике). Вот , после перебора "залежей" динамиков созрела для дома идея. Малые (относительно) габариты ,и винтаж( куда без него) 2гдщ8 х2 ,плюс 1гд2 , их есть у меня) .И вполне себе "малогабаритная акустика для дома и винила, Э и плюс схема Бокарева на германии. Акустика ОЯ. Хотелось конечно 4гд28 ,но габариты ,жена "авторитетом " задавит) А на 2гд8 в паре не очень большие габариты) Вот в этот сезон и буду делать, А готовая на 4гд28 на даче останется (( Увы ((
 
Найти бы статейку в Радиве , год примерно 1948й, про лампу 6Н7С, которая в таких машинках работала УНЧем на 10 ватт
Первая статья о 6н7, Радио 1-1948 ,Любительская радиола 1948 года. В 3-48 на 6н7 + 6п6 25 ватт, плюс "Юный конструктор" на 6н7, в 6 - м номере М - 1357 ВЭФ ,6н7 + 2х 6п6 , 9 -й номер ,радиола ,УНЧ на 2а3 . Всё, поищу в следующих годах.
 
Первая статья о 6н7, Радио 1-1948 ,Любительская радиола 1948 года. В 3-48 на 6н7 + 6п6 25 ватт, плюс "Юный конструктор" на 6н7, в 6 - м номере М - 1357 ВЭФ ,6н7 + 2х 6п6 , 9 -й номер ,радиола ,УНЧ на 2а3 . Всё, поищу в следующих годах.
Спасибо! Сейчас весь архив Радио под рукой.
 

Статистика форума

Темы
3,309
Сообщения
263,895
Пользователи
2,548
Новый пользователь
Александр Н.
Назад
Сверху Снизу