Германиевые УНЧ

А вот в электронном виде такой архив есть где скачать? Чтобы пользоваться можно было без инета.
На торрентах есть Я скачал все подшивки 1946-2015 годов Дальше не стал качать - муть пошла полная
 
Кт 3107 в нашем магазине радио 5 р
палево?

Купил радиаторов слабых от японских телеков и 2 шт под п213, гт 704
Мелкие слабые лёгкие.
В импульсник ещё хотел корпус снять и поставить
 

Вложения

  • IMG_20240522_153034.jpg
    IMG_20240522_153034.jpg
    405.3 KB · Просмотры: 67
  • IMG_20240522_153022.jpg
    IMG_20240522_153022.jpg
    450.8 KB · Просмотры: 75
Ну они и мп выставляют тогда надо взять кт 3107 если будут ккт3107 и
3107 с усилением самые высокие с буквой Л , среднее- Ж.
терпеть их не выношу за ломкие корявые ноги .
Дядя Пыжэ говорил, что есть вроде бы 3107 в металле, спец, по памяти 3127
И когда в тумбочке полно парных импортных 2N5401-5551, 2SC 2240-2SA970 , BC550-DC560, эта дешмань нах не упала.
 
Последнее редактирование:
кт3107и хорош по напряжению 50в и бэтта 180...460
еще 3107к хорош 30в бэтта 380...800
 
давно так не смеялся. Эта парочка П215-ГТ906 в процессе макетирования JLH спелись и скорешевались друг с дружкой, чую, без налива там не обошлось.
В итоге одиночный П215 с мощным резистором в эмиттере и раскачке по Худу напрочь отказался бежать далеко по частоте, уже с 10 кил стал капризничать и нетрезвым голосом вопить: без моего кореша 906-го отказываюсь бежать. Зато его кореша, 906й и 806й спокойно отработали на полную до 100кгц с резистором в эмиттере 15 Ом, питанием 30 вольт и током в ампер.
Выдали оба ровно 4 вольта выходного сигнала на 10 Омах и 3 вольта на 5 Омах.
Остается подивиться прозорливости Линсли Худа, сочинившего такой волшебный кунштюк.
Как ни крути, а возвращаешься к старту.
806 много ,и 1т, и ГТ. И 210. и П -шки .Очень мне эта идея понравилась )! А экономию никто не отменял)).И конечно -- не ниже 8 - 10 ом в нагрузке. Вот на дачу в выходные поеду , тепло говорят будет. Нарежу под 2гд8 фанеры и начну с акустики.. Паялки тоже не ушли .подготовил радиаторы. Хорошо , что собирал всё это. Игольчатые ,советские ,и под 210 , и под П21..) Что с "плюшкина " возмёшь). Мощные резюки тоже есть, не гнушался оставлять. И 605 -е привалили) Друг подарил, ему уже под 80, увы ((.Вопрос к уважаемому Александру Бокареву --делать буду ОЯ , 2гд8 х2 + 1гд2.Морду , я так понимаю ,шире делать? С неглубокими " ушами"?
 
806 много ,и 1т, и ГТ. И 210. и П -шки .Очень мне эта идея понравилась )! А экономию никто не отменял)).И конечно -- не ниже 8 - 10 ом в нагрузке. Вот на дачу в выходные поеду , тепло говорят будет. Нарежу под 2гд8 фанеры и начну с акустики.. Паялки тоже не ушли .подготовил радиаторы. Хорошо , что собирал всё это. Игольчатые ,советские ,и под 210 , и под П21..) Что с "плюшкина " возмёшь). Мощные резюки тоже есть, не гнушался оставлять. И 605 -е привалили) Друг подарил, ему уже под 80, увы ((.Вопрос к уважаемому Александру Бокареву --делать буду ОЯ , 2гд8 х2 + 1гд2.Морду , я так понимаю ,шире делать? С неглубокими " ушами"?
Ответить можно в разных вариантах, словами и формулой . В ней достаточная для ровной АЧХ площадь щита. А на словах- два -три диаметра диффузора ширина морды щита , крылышки приветствуются.
 
морду чем больше тем лучше))) 3на4 соотношение а лучше трапеция,с бортиком 7,,,10см
 
Наверное правильнее так:Альтек и ЖБЛ и Харман это всё просто околоплинтусный Самсунг.
Ну ...,батенька ,про Харман не надо. У меня 2002 года ,да .ресивер, AVR - 3000 ,они же они писали, что перемудрили) Но - транс честные 400 ватт ,а мощность 25 х5 ,посчитайте. А перемудрили с обработкой сигнала. Поставили там что-то ,Бёр -Браун ,по их статьям ,196 кгц. Т.е. для дешевого ресивера - переборщили).Он и пропал из продаж буквально сразу. Пошли 2500 ,3500 и т.д.На дискретном входе шикарно звучит)А потом погань пошла -- класс Д, импульсники ,зато всякие примочки для ДК. И кончился Харман(((
 
Глянул ток через запертые транзисторы Ge . База-эмиттер замкнуты резистором 27 Ом, на коллектор подается 30 вольт через миллиамперметр. У мощных 806 214 ток 1 мА примерно. У П 605 мизер мизерный, заперт практически.
без резистора б-э ток через ГТ806 70 ма, разогрев быстрый.
 
Кт 3107 в нашем магазине радио 5 р
палево?
Чего палево то сразу? Я вон в усилке, только что использовал и КТ3107Б и КТ3102Б( ну ладно не И, хрен с ним) и они отлично работают. К разговорам про "корявые ломкие ноги" имени А.Бокарёва я бы отнёсся как и к его крикам "выклюците! выклюците" и его рассказам о "чюдо звуке" всякой хрени - делил бы на 10 примерно. Потому что корявые ноги это у КТ502/503 были в девяностые годы, сейчас не знаю.
 
Ответить можно в разных вариантах, словами и формулой . В ней достаточная для ровной АЧХ площадь щита. А на словах- два -три диаметра диффузора ширина морды щита , крылышки приветствуются.
Благодарю за совет) ,примерно так и предполагалось. Но не лишним будет совет знающих , и опытных людей. Пока только открываю для себя эту тему.

Просто используйте 16 Омную акустику и не морочьте голову.
У установщиков сплит систем по цене лома купите обрезки медной 9мм трубы .Попросите,чтобы они вам их труборезом нарезали её см по 6 ,а вы сделаете пропилы снизу и сверху и загните .Получится изделие на ромашку похоже сверху и снизу.И оденьте на транзистор.
Ну да, и в Радио что то подобное было. Годах в 60 - 70 - х. Вполне себе.

алюминий хорошая инвестиция на пороге мирового слива денег
При нынешних ценах на алюминий , да). Хорошо , что в своё время друзья с ВИЛСа натащили профиля. 20 х 10 см , полка 8 мм , рёбра 40 на 3 мм , и односторонний , и двухсторонний , и с площадкой в середине . Потом ещё игольчатых припёрли . И что то ещё осталось ). Да и так, тащил , что попадалось , в 90 -е столько советской аппаратуры на помойки летело .Усилители , колонки . 5 штук 10 мас 1 помну сын принёс. Оттуда и 10гд30е , какие то Кометы (25 гдн3)). Нота ,тоже 25гдн3. Правда ,оказалось , что разные заводы и разное качество. Одну пару пришлось перематывать(.Тогда народ массово на "балалайки" подсел , и музцентры моноблоки). А уж телевизоров то ...) Хорошее время было для "плюшкиных".Сам такой , зато теперь лезешь в закрома и - радуешься! Да , а на даче радиолы . Весь винтаж оттуда, даже 4гд4 ,плюс лампы ,трансы, КПЕ.И даже вариометр от сосем чего то древнего. И - самый цимес, МИР 1952 года , 8гд2 + 3гд6 ВЭФ ,корпус потёртый был ,и тросик КПЕ оборван , и всё) Отреставрировал , стоит на даче КВ диапазон слушаем , и Радио Радонеж ,ностальгия). Сейчас ,увы всё(( А, да , Ригонды и Уралы ,дербаненые правда , на медь, тоже были. Оттуда 4гд 28 ,4гд 35 ,36 ,2гд3 ,2гд8 ,1гд2. Кончился мёд( Единственное УНЧ Вега 10у120. И всё. Смартфоны , "затычки" в уши ,и ну очень "умные" колонки от Яндекса теперь "их всё" .Как ЭТО(!) слушает молодёж ...Правда внук к 20 - ти годам понял , что такое звук). Вторые "кубики" ему пойдут. Понравились) И УНЧ Роговский (но на ИРФ 240) ,почти готов в корпусе. мелочи остались .На свадьбу. Времени просто не хватает, да и возраст ..

Именно так! Здоровый компромисс, каждая деталь на своем месте, выполняет нужную задачу. А все эти сектантские закидоны типа никаких кондеров. никакого кремния, никаких ламп, никаких микросхем- закидоны и есть. Ограниченность сознания .
Мне как ни хотелось сделать чисто германиевую схему Ашника, не получилось , пока входной транзистор не заменил на кремний. До этого плыла режимами дико.
Ну да , "аудиофилия" тяжёлая болезнь) Люди "слушают" провода , "кошерную" изоляцию в кондёрах , ищут черного кота в чёрной комнате. Ну бог им судья) Принцип разумной (!) достаточности никто не отменял, и законы физики тоже)

Впечатления от свежего звука П605-го по схеме Зыкова вместо душного звука П213.
На воздух выходили когда-нить из душной комнаты?
Вот именного ,очень хорошее сравнение. Открыл для себя этот "воздух" только на старости лет((Только 1т806) ,макет пока. Но доведу до изделия. Но звук !))
 
Ну да , "аудиофилия" тяжёлая болезнь) Люди "слушают" провода , "кошерную" изоляцию в кондёрах , ищут черного кота в чёрной комнате. Ну бог им судья) Принцип разумной (!) достаточности никто не отменял, и законы физики тоже)
Знакомый один удачно сказал, мол, "радива-такая штука, там можно сделать что угодно на чем угодно, на микросхеме , на одном транзисторе или на лампе- и будет работать"

Вот именного ,очень хорошее сравнение. Открыл для себя этот "воздух" только на старости лет((Только 1т806) ,макет пока. Но доведу до изделия. Но звук !))
Когда появились вертушки Аккорд (AKORDS Riga ) , транзисторные на ширике 4ГД чего-то там, удивился , насколько тухлый у них звук после живого и прозрачного звука ламповой вертушки Молодежная. Много лет позже из списанного переговорного устройства добыл усилитель от такой вертушки и снова поразился настоящему звучанию, при всей незатейливости устройства. С тех лет и встрял в ламповую тему.
 
и законы физики тоже
Тоже долгое время так думал, но музыку, в восприятии её человеком, законами физики не описать. Поэтому и слушают провода и ищут кошек - особо чувствительные натуры. Я себя к ним конечно же не отношу и долгие годы был ярым атеистом в технике, но жизнь показала более сложную структуру мира.

Вчера вот поставил полевик вместо МП, все идеально стало по приборам. Красота. А слушать не интересно, почему то. Вернул МП21 - опя ожила музыка.
 
Вот именного ,очень хорошее сравнение. Открыл для себя этот "воздух" только на старости лет((Только 1т806) ,макет пока. Но доведу до изделия. Но звук !))
Дополню - источник Сони PSX -50 , дека, кассета Денон ,из первых партий(89 или 90 год не помню) Писали на REVOXe . с DUAL701 ,осел он в Останкино , после " Связь75", а у меня там друг работал, винил по моему Bronze. Женя Драгунский подогнал ,друг мой армейский , да и не только) Много кассет осталось , дождались своего часа )
 
Тоже долгое время так думал, но музыку, в восприятии её человеком, законами физики не описать. Поэтому и слушают провода и ищут кошек - особо чувствительные натуры. Я себя к ним конечно же не отношу и долгие годы был ярым атеистом в технике, но жизнь показала более сложную структуру мира.
Есть люди в самом деле чувствительные к тонким вещам в музыке, их мало , а есть начитавшиеся и обчитавшиеся аудиофильского бреда и несущие чушь.
По себе могу лишь сказать, что после очередной перепайки схемы она первое время звучит живее и интереснее, потом эффект стихает.

Тоже долгое время так думал, но музыку, в восприятии её человеком, законами физики не описать. Поэтому и слушают провода и ищут кошек - особо чувствительные натуры. Я себя к ним конечно же не отношу и долгие годы был ярым атеистом в технике, но жизнь показала более сложную структуру мира.

Вчера вот поставил полевик вместо МП, все идеально стало по приборам. Красота. А слушать не интересно, почему то. Вернул МП21 - опя ожила музыка.
ну, не всяким полевиком можно МП21 заменить.
 
Когда появились вертушки Аккорд (AKORDS Riga ) , транзисторные на ширике 4ГД чего-то там, удивился , насколько тухлый у них звук после живого и прозрачного звука ламповой вертушки Молодежная. Много лет позже из списанного переговорного устройства добыл усилитель от такой вертушки и снова поразился настоящему звучанию, при всей незатейливости устройства. С тех лет и встрял в ламповую тему.
В 1967 году купили Беларусь 69 стерео). Я настоял (молодой, но уже наглый)) 70 рублей стоила, на ножках , ГЗКУ 631 Р голова была. Но очень хорошо звучала)

Есть люди в самом деле чувствительные к тонким вещам в музыке, их мало , а есть начитавшиеся и обчитавшиеся аудиофильского бреда и несущие чушь.
По себе могу лишь сказать, что после очередной перепайки схемы она первое время звучит живее и интереснее, потом эффект стихает.
Да , заметил ,привыкаешь что ли?
 
В 1967 году купили Беларусь 69 стерео). Я настоял (молодой, но уже наглый)) 70 рублей стоила, на ножках , ГЗКУ 631 Р голова была. Но очень хорошо звучала)
Я купил ГЗКУ631Р и приделал ее на тонарм Молодежной вертушки, вывел два канала, один через вертушку, второй через ламповый унч на 6п3с, гордился "Стеревом"
 
Я купил ГЗКУ631Р и приделал ее на тонарм Молодежной вертушки, вывел два канала, один через вертушку, второй через ламповый унч на 6п3с, гордился "Стеревом"
Я это "Стерево" только в 74 -м году испытал, У радиолы база маленькая была , меньше метра ,75 см .и в углу стояла .А мне в институте за " бешеные" , по тем временам деньги -25 р за штуку ,из Бердского завода ( парень в группе там папу имел!) 10гд30 2 шт привезли и 3гд15. Благо отличником был, стипендия 75 р. Какой то ящик собрал, тестовую пластинку купил в " Мелодии" на Калининском. И шок !!Танец с саблями Хачатуряна). Особенно , когда моно в стерео )А потом ... ухи привыкли .Да ,В Хармане есть интересный режим 5 сн стерео , они очень аккуратно его делают. Чисто фон зала. Слушал что то похожее на других ...не то, подмешивание сигналов и всё. Нет атмосферы. Да и понял уже , что музыка , и ДК разные вещи. Поэтому и я , и жена (музыку она очень любит) "договорились" , и помех в размещении НОРМАЛЬНОЙ акустики для хорошего звука нет).Столбики от ДК (Аудио про) на дачу пока поедут.)

Пайки успокаиваются. А может , ухи тоже.
Да , ещё к теме , самый последний АБ 2 тоже живёт , но только на 16 ом ,5гдш3-8 х2 ,20 литров ,ЗЯ. Приёмник Полякова , радио "Джаз" Ну очень))!

Да , ещё к теме , самый последний АБ 2 тоже живёт , но только на 16 ом ,5гдш3-8 х2 ,20 литров ,ЗЯ. Приёмник Полякова , радио "Джаз" Ну очень))!
А колонки делал для АКАЙ ,там 16 ом тылы нужно было,1999 ,начало ДК) Не выкинул потом и пригодились)

Да , ещё к теме , самый последний АБ 2 тоже живёт , но только на 16 ом ,5гдш3-8 х2 ,20 литров ,ЗЯ. Приёмник Полякова , радио "Джаз" Ну очень))!
Да , Александр , простите , что надоедаю .Может пару 1гд2 поставить? Их есть у меня ,хотя ..ухи не те , но высокие ,какие то ещё слышу. Это к теме 2гд8 х2.По низам там всё хорошо , верх

Да , ещё к теме , самый последний АБ 2 тоже живёт , но только на 16 ом ,5гдш3-8 х2 ,20 литров ,ЗЯ. Приёмник Полякова , радио "Джаз" Ну очень))!
Так то идея (ваша и юан8) сложилась . Есть 20 мм плита ,морда. Фанера 10 тоже есть. Ватин ,советский сохранил и моль не поела. Надо ли положить? Ну совсем не опытный в ОЯ .Читаю темы , но .. ФИ делал ,да и много на автозвуке работал, даже награды получал. Но там своя специфика, а для дома это две ) большие разницы.

Гитаре одного усилителя мало, нужен дин специальный, гитарный, с забором из гвоздей , торчащих в звуке пиков на 1, 5, 2, 3. 4, 5 кил, чтобы струна звучала, аж шкура на спине заворачивалась. Для прочей музыки эти людоедские динамики непригодны, а для гитарного звука -масло. Всякие Селешины G12 Гринбеки.
Было в Радиве. какие то итальянские дины с давлением 95,и цена божеская.8 или 10 по моему,хвалили.

Верно подметили. Осталось донести эту особенность до сознания неверующих.
Ох , боюсь) но очень хочется, Да и деньги позволяют , и жена, Конечно прямой тракт на 2а3 это хорощо. Но , только сейчас к лампам подобрался, хотя в 60-70 мой учитель меня только на лампы и натаскивал. Полковник Чепчин ,покойный уже. Сколько он мне ламп перетоскал из Академии Дзержинского,, да и остальное, кварцы .бареттеры , да и транзисторы.Раз неделю к нему ходил, лекции слушал, и гешефт получал. Хорошо было в те годы быть сыном военного.
 
ОЯ и щит РАЗНЫЕ ВЕЩИ. В ОЯ участвуют резонансы стен и самого ящика, есть формулы расчета, там считаются основные моды резонансные. И если влезть в тему. можно не вылезти . Тем более, что расчет расчетом, а обязанности пилить, измерять и слушать никто не отменял. Щит проще , у него нет присущего ящику супового набора подголосков, которые не факт, что сложатся в хор. Динамики для открыток нужны высокодобротные, по теории что-то под 2. Площадь оптимальная тоже считается, есть формула в книжке Иофе.
Но все упирается в замеры. А если делать абы как, то может получиться, а может и нет.
И сам щит это первый шаг , а потом нужно увидеть поведение динамика в щите, сделать коррекцию его АЧХ, потом пищалы стыковать. Просто все- сами знаете , у кого. А хорошее требует вдумчивой возни и сомнений
 
ОЯ и щит РАЗНЫЕ ВЕЩИ. В ОЯ участвуют резонансы стен и самого ящика, есть формулы расчета, там считаются основные моды резонансные. И если влезть в тему. можно не вылезти . Тем более, что расчет расчетом, а обязанности пилить, измерять и слушать никто не отменял. Щит проще , у него нет присущего ящику супового набора подголосков, которые не факт, что сложатся в хор. Динамики для открыток нужны высокодобротные, по теории что-то под 2. Площадь оптимальная тоже считается, есть формула в книжке Иофе.
Но все упирается в замеры. А если делать абы как, то может получиться, а может и нет.
И сам щит это первый шаг , а потом нужно увидеть поведение динамика в щите, сделать коррекцию его АЧХ, потом пищалы стыковать. Просто все- сами знаете , у кого. А хорошее требует вдумчивой возни и сомнений
Да , спасибо, подправили меня, увы, скорее ЗЯ ,комната не позволяет((. Буду слушать. А Вам благодарность огромная)Я уже писал ,был(!) любителем мощи и всего . что с этим связано. славо Богу и сайту ,ушёл от этой дури. Только внуку. Пусть реп слушает))Хотя тоже понимать начал)Но мощу хочет. Да сделаю я ему FQA 3615 никто не отменял), да и остальное есть. 193 .194.Пусть парень радуется)Отдам ему 75 глн.)
 
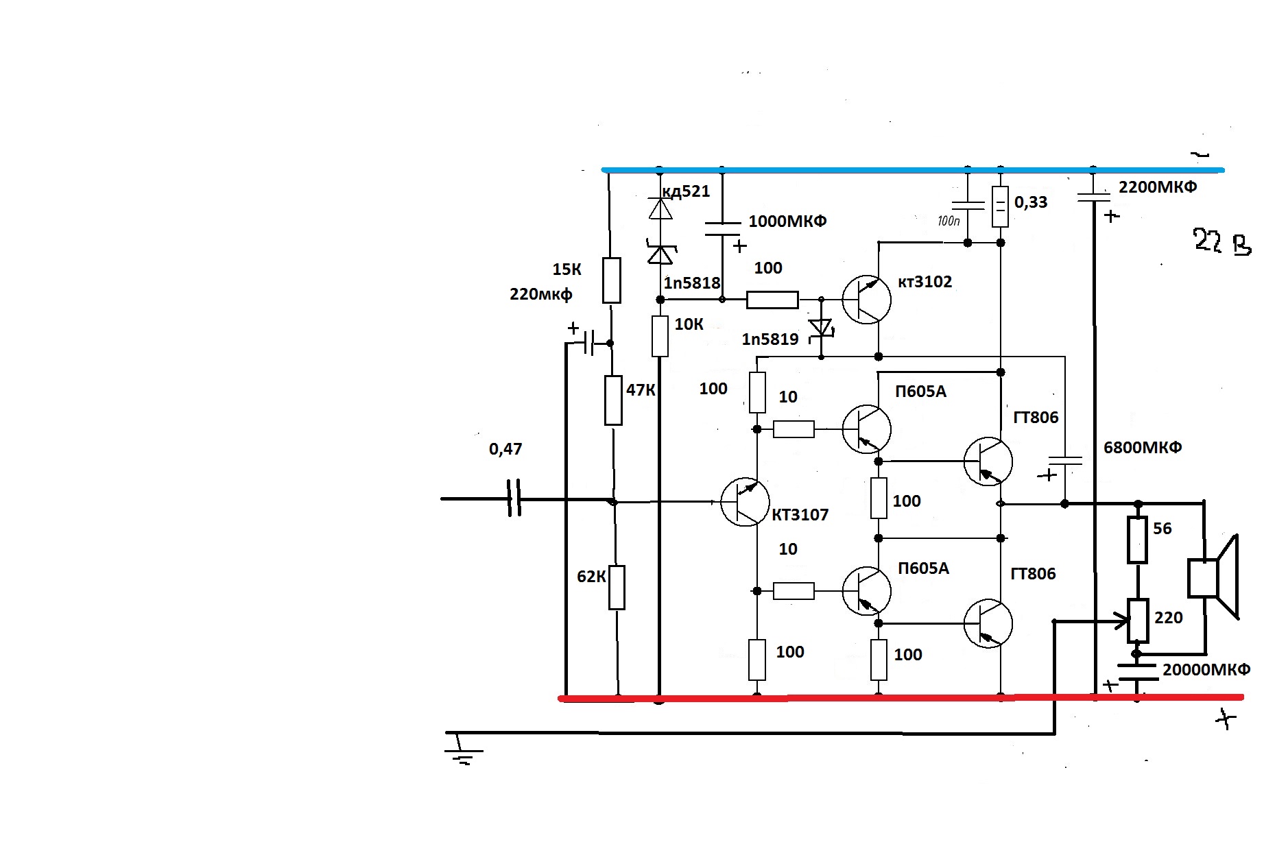
вот еще простой усилитель в экономичном Аклассе(ток покоя меньше в 2раза чем у Худа) с выходом на германии
питание плавающее,земля изолирована от шин питания
в такой схеме линеаризуется вых кондер и ток нагрузки не течет через бп,в бп небольшие емкости,выходной кондер нужно 20000мкф (менее 10000 не делать)
 

Вложения

  • эконом плавающее герм.jpg
    эконом плавающее герм.jpg
    181.9 KB · Просмотры: 237
И куда же течет ток нагрузки? Кирх и Гоф никак понять не могут.
почитайте первую страницу этой темы там хорошо описано преимущество подобного питания https://forum.vegalab.ru/showthread.php?t=50988
ток нагрузки идет через выходной крнденсатор 20000мкф
а критерий истины -практика- убираем фильтрующие емкости из бп и слушаем,потом подключаем вых кондер как обычно и опять слушаем .
Sapr еще и диоды имитирующие нелинейность вых кондера подключал,пишет ,что линеаризует эту цепь плавающее питание
 
Последнее редактирование:
Диодный мост тоже долой из схемы, даешь чистую сеть.
МОСТ НИКАК НЕТ))),тут ослабление пульсаций 60дб всему есть предел,в питание достаточно емкости 2200мкф

что ??? ссылку смотрите начиная с 12 поста
вот еще более простая схема с подобным питанием
спаяйте и послушайте ,час делов
 

Вложения

  • Semigor-Kisa МК=5.jpg
    Semigor-Kisa МК=5.jpg
    63.6 KB · Просмотры: 544
что ??? ссылку смотрите начиная с 12 поста
вот еще более простая схема с подобным питанием
спаяйте и послушайте ,час делов

Наворотить такого в обычный повторитель-талант нужен. завидую.
 
в обычный повторитель
последняя схема действительно очень хороша при ее простоте,выдает три тока покоя в нагрузку,давит пульсации,линеаризует выходной кондер,на коленке собрать без приборов и слушать лучше нет имхо
усиление по напряжению в верхнем положении ползунка =5
в нижнем =1
 
почитайте первую страницу этой темы там хорошо описано преимущество подобного питания https://forum.vegalab.ru/showthread.php?t=50988
ток нагрузки идет через выходной крнденсатор 20000мкф
а критерий истины -практика- убираем фильтрующие емкости из бп и слушаем,потом подключаем вых кондер как обычно и опять слушаем .
Sapr еще и диоды имитирующие нелинейность вых кондера подключал,пишет ,что линеаризует эту цепь плавающее питание
Симулятор читать не умеет такие статьи, и почему то показывает, что ток нагрузки свободно гуляет через источник питания. Так что не зря Кирх с Гофом забеспокоились. Ваше счастье, что Смерш этого непотребства не еще видел.
 

Статистика форума

Темы
3,309
Сообщения
263,895
Пользователи
2,548
Новый пользователь
Александр Н.
Назад
Сверху Снизу