Германиевые УНЧ

предельная частота указана чаще всего для схемы с общей базой, как самая шустрая. С общим эмиттером мы делим ее на бетту, получаем фиг да ни фига. Зато честно.

Объясните про этот параметр "Предельная частота коэффициента передачи тока транзистора для схем с общим эмиттером и общей базой"

Почему если для п213 он 150кгц
Для гт701а он 50 кГц
То в реале гт701 лучше по верхам?
( Зависит от глубины обратной связи?)
И почему на самом деле прекрасные верха идут, когда этот параметр равен 1 МГц?

Как тогда покупать усилитель удалённо если у транзисторов выходного каскада эта частота например 0,4 МГц ( 400 кГц )
А таких транзисторов масса
А ещё есть муллард ад-149 которая по одним справочникам 200 кгц по другим 300кгц
Просто любой Меломан от слова муллард сразу впадает в экстаз и священное благоговение.
Может мне в рамочку дома повесить слово
Mullard и в угол поставить вместо иконы
И креститься на него?
AD 149 , говорите? Щас.
Германий Р.30 вольт 3.5 А. 27, 5 ватт. бета 30-100. предельная 450 кгц.
Дело за малым .делим энти 450кгц на бету 100, получаем предельную 4, 5 кгц в схеме с ОЭ. Охрененно далеко, аж 4. 5 килогерца. делали Муллард Сименс Валво.
Есть аналог, венгерский ASZ1017 , обещали таких принести , есть кучка.

Объясните про этот параметр "Предельная частота коэффициента передачи тока транзистора для схем с общим эмиттером и общей базой"

Почему если для п213 он 150кгц
Для гт701а он 50 кГц
То в реале гт701 лучше по верхам?
( Зависит от глубины обратной связи?)
И почему на самом деле прекрасные верха идут, когда этот параметр равен 1 МГц?

Как тогда покупать усилитель удалённо если у транзисторов выходного каскада эта частота например 0,4 МГц ( 400 кГц )
А таких транзисторов масса
А ещё есть муллард ад-149 которая по одним справочникам 200 кгц по другим 300кгц
Просто любой Меломан от слова муллард сразу впадает в экстаз и священное благоговение.
Может мне в рамочку дома повесить слово
Mullard и в угол поставить вместо иконы
И креститься на него?
Лучше, лучше. лучше...Лучше, чем что? И по какому параметру? А если параметр не сам по себе кот, а в связке с остальными? И сиди себе, мудрость и скорбь выращивай, сравнивая
... Написано же в посте 4 949, 4. 5 килогерца в схеме с ОЭ. Вот и пляшем отсель.
 
Объясните про этот параметр "Предельная частота коэффициента передачи тока транзистора для схем с общим эмиттером и общей базой"

Почему если для п213 он 150кгц
Для гт701а он 50 кГц
То в реале гт701 лучше по верхам?
( Зависит от глубины обратной связи?)
И почему на самом деле прекрасные верха идут, когда этот параметр равен 1 МГц?

Как тогда покупать усилитель удалённо если у транзисторов выходного каскада эта частота например 0,4 МГц ( 400 кГц )
А таких транзисторов масса
А ещё есть муллард ад-149 которая по одним справочникам 200 кгц по другим 300кгц
Просто любой Меломан от слова муллард сразу впадает в экстаз и священное благоговение.
Может мне в рамочку дома повесить слово
Mullard и в угол поставить вместо иконы
И креститься на него?
В усилке АБ1 полоса под 4 МГц. И звук многим нравится. Может, нет смысла возиться в куриных 50 кгц? А сразу замахнуться на Вильяма нашего Шекспира?
 
Помню что бета 10-15 у гт701а
То есть получается когда такие низкочастотные транзисторы на выходном каскаде нужно что специально подбирать не с высокой, как все делают, а с низкой бетой?

AD 149 , говорите? Щас.
Германий Р.30 вольт 3.5 А. 27, 5 ватт. бета 30-100. предельная 450 кгц.
Дело за малым .делим энти 450кгц на бету 100, получаем предельную 4, 5 кгц в схеме с ОЭ.
Нет, у него 300 кГц и бета 30-60
То есть 5-10кгц

Как тогда с транзисторов
ГТ403А 8 кГц с бэтой 30
Снимают в схеме 20 кГц?
 

Вложения

  • IMG_20241126_210249.jpg
    IMG_20241126_210249.jpg
    196.7 KB · Просмотры: 50
Последнее редактирование:
Как тогда с транзисторов
ГТ403А 8 кГц с бэтой 30
Снимают в схеме 20 кГц?
Заспокойтесь, вам це не потрібно.
Бо по-перше це працює інакше, ніж розповідає дядько бокарьов, по-друге, ви не розумієте суті жодної послідовності літер, що написали вище, а по-третє рукосуєві це не потрібно. Працює якось, то і нехай. Це зрозуміє лише той, хто вивчатиме схемотехніку в дійсний спосіб.
 
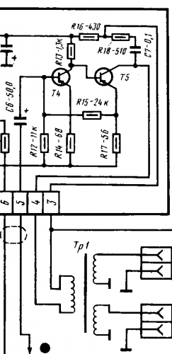
это для включения с ОБ которое никакого отношения не имеет к данным схемам,в ломо включение с ОЭ,а это граничная частота 4...5кгц а то и хуже в зависимости от типа транзистора,оос немного исправляет положение
тут еще помогает тот факт что транзисторы сплавной технологии не дают ступеньку при работе в В классе
даже гт402\404 выполненные по другой технологии уже хуже в этом плане
вот поэтому мне очень интересно запараллелить гт403 они сплавные и относительно с большей частотой 8...10кгц
плюс они мелкие и легко смонтировать с короткими выводами
трансформаторное управление сплавными транзисторами рулит и я бы развивал это направление
еще очень хороший вариант применить на выходе гт806плюс кт908 хоть и кремний это отличная пара
насчет транса вам же сказали взять и отмотать частьвторички либо стаб сделать

и еще,германий не любит 4ом нагрузку лучше 8ом а еще лучше 16ом но тогда легко можно применить 39в питание причем искажения будут меньше особенно на вч где токи сильно растут
гт403и по три впараллель питание 39в и нагрузка 16ом очень хороший вариант
Ответ тут как я понял.
Включение с общей базой
 

Вложения

  • scale_2400 (2).png
    scale_2400 (2).png
    114.1 KB · Просмотры: 36
Последнее редактирование:
Ответ тут как я понял.
Ні. Відповідь дає наука схемотехніка. Тобто мова має йти не про транзистор, як такий, а про каскад на цьому транзисторі і паразитні параметри транзистора і їх вплив на сигнал з урахуванням особливостей схеми і номіналів компонентів що її складають, і режимів. І потрібно розуміти, що ширина смуги підсилення залежить не від бети, а від коефіцієнта підсилення каскадом напруги сигналу, зокрема. І багато інших чинників.
Різні каскади, виконані на одному й тому самому транзисторі, матимуть різні граничні частоти.
 
Последнее редактирование:
Наконец-то! 50кгц.у 701 с ОЭ, и у 403 8кгц с ОЭ. Это значит на 701х 20кгц снять влёгкую, даже выше.
Я в Аккорде 001 ради опыта 214 на 701 менял и диод шоу ставил - выключать не хотелось. Ни кого из "матерых" местных не слушайте, а делайте.
701й и я попрошу на опыты . А получится, то и ГТ703 - 705, давно пора внести ясность в этот бред.
 
Помню что бета 10-15 у гт701а
То есть получается когда такие низкочастотные транзисторы на выходном каскаде нужно что специально подбирать не с высокой, как все делают, а с низкой бетой?
Не спрощуйте, все від схеми залежить.
Гляньте на цю тему, де в ВК ГТ705/ГТ703:
 
Как тогда с транзисторов
ГТ403А 8 кГц с бэтой 30
Снимают в схеме 20 кГц?
У гт 403 указано более 8кгц это для ОЭ, и делить на бэту не надо,причем скорее для экземпляров с бэтой под 100...150,при меньшей будет выше(до 20кгц)
а для 701 50кгц это для ОБ,а для ОЭ делим на бэту и выходит около 4кгц
Ставьте 701е в схему Туриста,там ОК с трансформатором,должны нормально работать
 
Ответ тут как я понял.
Включение с общей базой
Верно, но не совсем.
Нужна мелочь в виде шунтирующего базу резистора, который ускоряет процесс рассасывания носителей в базовом переходе и приближает измерения к реальной схеме. Резистор был Ом 30, ток смещения задавался переменником в 3.3 кОм с питания 9 вольт в базу. Ток коллектора устанавливался амперметром в питании, оптимальное значение тока было 0,4-0,5А по симметричному ограничению сигнала на выходе.
Вторая фишка измериловки -резистор 1 Ом в эмиттере измеряемого транзистора, отключаемый. С ним частотные свойства транзистора в схеме с ОЭ лихо улучшаются, с хорошими транзисторами в 3-5 раз, с тормозами раза в два. Уже неплохо.
 
Последнее редактирование:
В усилке АБ1 полоса под 4 МГц. И звук многим нравится. Может, нет смысла возиться в куриных 50 кгц? А сразу замахнуться на Вильяма нашего Шекспира?
А как же с ламповыми УНЧ? У них совсем плохо с ВЧ, да и гармоники, не сравнить с транзисторными и тем более МС. Звук то всё равно большинство признает как лучший.
 
slami давно тому назад обмерил частотные свойства у горы всяких транзисторов. Где есть все, что нужно.
Эту важнейшую тему я бы на главной странице повесил, в рамке, чтобы каждый входящий сперва туда, а уже после - с вопросами- сюда.
Не менее познавательная и крайне полезная лабораторка от KSV, в которой он проверял нынешние и прошлые транзисторы на выносливость, подавая от питания полную заявленную мощность. После чего подделки отваливались враз, оставались настоящие.
Или ссылку на эти статьи. Искать , не зная где , это убийство времени и сил.
 
Я согласный про семерку. Но упертый долбо..б внутри протестует и требует доказательства. Истина выяснится только при личном измерении. Чем постараюсь заняться,обещали такой транзистор поднести.Только после этого смогу на странице справочника жирно написать в назидание всем: Х...я!!! Не верьте !!!
 

Вложения

  • post-178625-0-52686000-1414947537_thumb.png
    post-178625-0-52686000-1414947537_thumb.png
    64.5 KB · Просмотры: 63
  • post-178625-0-29488500-1414946323.jpg
    post-178625-0-29488500-1414946323.jpg
    18.1 KB · Просмотры: 60
Последнее редактирование:
Вот за этот парадокс лампачи и не любят. Обрушивают стройную красивую теорию. И в чем секрет, так и не понятно .
Секрет в нашем восприятии звуков. Я вот взял за правило без прогона по приборам музыку с новособраных усилителей не слушать. Сколько раз попадал на необычно интересное звучание устройства, с последующим полным разочарованием от увиденного на экране.
Как правильно было сказано - Без осциллографа, человек ничего не видит и ничего не слышит.
Так что если абстрагироваться от графиков и цифр - лампа звучит лучше всех, ну и правильно собранный германий тоже великолепен (даже низкочастотный).
 
А ничё, что все частотные свойства в одну кучу там, и Fб и Fэ и Fмакс? И звездочки по принципу- разбирайся, мол. сама?

Секрет в нашем восприятии звуков. Я вот взял за правило без прогона по приборам музыку с новособраных усилителей не слушать. Сколько раз попадал на необычно интересное звучание устройства, с последующим полным разочарованием от увиденного на экране.
Как правильно было сказано - Без осциллографа, человек ничего не видит и ничего не слышит.
Так что если абстрагироваться от графиков и цифр - лампа звучит лучше всех, ну и правильно собранный германий тоже великолепен (даже низкочастотный).
Есть некий участок диапазона, достаточный для прослушивания . И если в нем нет выраженных неприятных искажений , то само прослушивание становится комфортным и неутомительным. Сколько раз пытался в своем телеке накрутить полосу встроенным криволайзером и каждый раз обваливал края до речевого диапазона. Иначе муму сплошное, гумканье , и режущие цыканья.

Секрет в нашем восприятии звуков. Я вот взял за правило без прогона по приборам музыку с новособраных усилителей не слушать. Сколько раз попадал на необычно интересное звучание устройства, с последующим полным разочарованием от увиденного на экране.
Как правильно было сказано - Без осциллографа, человек ничего не видит и ничего не слышит.
Так что если абстрагироваться от графиков и цифр - лампа звучит лучше всех, ну и правильно собранный германий тоже великолепен (даже низкочастотный).
То же самое было с лампачом на 2А3 . Подкинул ему в драйвер лампочку , звучание которой давно принял за эталон , и не только я. По справочнику вывел режим, все совпало до вольта. Звук удивил кристальной прозрчностью и сверхдетальностью. Насторожился, глянул спектр. А там прут нечетные. Приоткрыл лампочку, снизил её анодное. добавил ток.
Спектр сразу поменялся на привычно-триодный, звук округлился и все запело как надо.
 

Скорее всего параметры переписывались из справочника в справочник, с ошибкой из первого. У меня в 5 справочниках одна и та же ошибка.
 
Последнее редактирование:
Авторитенее некуда! Комповым мультикам я верю, как же
Там замеры разных транзисторов,значит 701 примерно как 210,кто не верит пусть измерит сам,там не сложно,и результат в студию,но чуда не будет ,а хочется)
 
Там замеры разных транзисторов,значит 701 примерно как 210,кто не верит пусть измерит сам,там не сложно,и результат в студию,но чуда не будет ,а хочется)
Инженеры с ташкентского завода "фотон" по -видимому спутали предельную частоту с граничной и пошла эта деза по справочникам . Параметры брянского ГТ703 - как бы скромнее по справочнику ,что маловероятно , иначе ГТ 701 надо переименовать в ГТ 801
 
Инженеры с ташкентского завода "фотон" по -видимому спутали предельную частоту с граничной и пошла эта деза по справочникам . Параметры брянского ГТ703 - как бы скромнее по справочнику ,что маловероятно , иначе ГТ 701 надо переименовать в ГТ 801
И самое грустное, за полвека никому эта несуразь в ум не пришла. А пришла, когда этих феерических 50-килогерцовых днем с огнем. Осталось справочниками друг дружку - по мусалам.

ТДА 7056 Мостовой. (На схеме из интернета) При осмотре телека возникла непонятка, сама микросхема на огромном радиаторе-одна. Ног примерно 10-12. Дико пыльная, времени глянуть без пыли не было, что там за марка. А родной паспорт не найден на обычном месте.
 
В моём случае архисложно осуществить демонтаж гт701а с радиаторов.
Крепёж закрашен, закис намертво и не поддаётся демонтажу, только спиливанию.
Поэтому время от времени всплывает вопрос использования их в готовом виде
В канале, ссылку и схему с которого я привёл человек сделал работающие усилители на всех известных советских транзисторах. А некоторые без оос он доводил.
Он говорит, что ему гт-701a больше понравились по верхам чем п213.
И говорит что все зависит от глубины обратной связи.
Но вне контекста конечно же цитировать это бесполезно.

Там такой, видео с платой и звукомПосмотреть вложение 115479
тут схема с общей базой?
 
Да какая разница,схема одна и у гт402 и у гт701 и п 210 и частоты примерно соответствуют действительности
Важно на какой частоте усиление упадет по сравнению с 400гц например
Из сплавных я понял только гт403 и п215 кое как можно использовать,хотя лучше кремний импортный купить комплементар и забыть про германий
 
Последнее редактирование:
Да какая разница,схема одна и у гт402 и у гт701 и п 210 и частоты примерно соответствуют действительности
Понятно,что транзисторы эти весьма дубовые, однако, если есть желание выжать с них по максимуму, нужно не забывать про величину резистора БЭ. Вот график,не помню уже, что за усилитель и какие транзисторы, но весьма показательно. А подавать сигнал через 5 килоом, явно за гранью. R13.R14 резисторы БЭ.
 

Вложения

  • Зависимость от частоты.png
    Зависимость от частоты.png
    157.6 KB · Просмотры: 74
Из сплавных я понял только гт403 кое как можно использовать
Считаю что можно, но не нужно. Частотные свойства никакие, куда хуже ГТ402, 404. Только в блоки питания и автоматику. А там при токе (на память ) 1 А у него шансов даже против КТ814 никаких. Корпус крайне неудобен для крепежа в отличие от того же КТ814. Сегодня экзотитка, у меня вроде 2-3 штуки валяются, выкинул бы, но не мешают.
хотя лучше кремний импортный купить комплементар и забыть про германий
Согласен с оговоркой - советский германий, комплементарного не было ктоме малой мощности и единственной пары ГТ402, 404.
П605...609 слабые и горят как спички - недаром они быстрые.
Есть любители 1Т806 ну он один в поле не воин.
Импортный хороший германий существовал, но был недоступен тогда, а сегодня неоправданно дорог.
 
А как же гт703/705?
Приличные транзисторы только 900-ой серии ,в крайнем случае 800-ые ,а П210-217 и ГТ700-ые пригодны только в сабвуфер ,но и там у них куча конкурентов разных типов и разных классов

И самое грустное, за полвека никому эта несуразь в ум не пришла. А пришла, когда этих феерических 50-килогерцовых днем с огнем. Осталось справочниками друг дружку - по мусалам.
Схема найденная вами у болгар ,позволяющая выжать максимум частоты из низкочастотного германия и даже с одним из транзисторов типа П217 ,ГТ 701(каскод)
 

Вложения

  • IMG_20201221_110410_1-scaled.jpg
    IMG_20201221_110410_1-scaled.jpg
    233.1 KB · Просмотры: 183
Выходное у плеч слишком разное,но это даст 2ю гармошку,так что может выйти не плохо,даже без каскода раскачка трансом будет лучше чем квази
 
Схема найденная вами у болгар ,позволяющая выжать максимум частоты из низкочастотного германия и даже с одним из транзисторов типа П217 ,ГТ 701(каскод)
Да, но есть засада, трансформатор. От него все зависит. Автор очень грамотно подошел к задаче, но оказалось, что такая схема давно применяется в промышленных германиевых усилителях . Схема лишь адаптирована к доступным в те годы SFT 214 и 240.
 
Выходное у плеч слишком разное,но это даст 2ю гармошку,так что может выйти не плохо,даже без каскода раскачка трансом будет лучше чем квази
Почему разное ? Вроде плечи одинаковые

Да, но есть засада, трансформатор. От него все зависит. Автор очень грамотно подошел к задаче, но оказалось, что такая схема давно применяется в промышленных германиевых усилителях . Схема лишь адаптирована к доступным в те годы SFT 214 и 240.
Можно применить П605, ГТ 900(любой по нужному току,и верхний -ОБ (какой есть хоть ГТ 701, по току и напряжению))

Верх- ОК, низ-ОЭ
Оба -каскод (ОЭ-ОБ ) с повторителем
 

Статистика форума

Темы
3,309
Сообщения
264,137
Пользователи
2,550
Новый пользователь
Александр Н.
Назад
Сверху Снизу