Германиевые УНЧ

Ge против Si.jpg

Как видно из рисунка, транзисторы с германиевым переходом имеют менее резкую характеристику включения, чем кремниевые, и поскольку выходные устройства, скорее всего, будут работать в тепле, их реальный график Vb/I скорее будет соответствовать пунктирной кривой.
JLH
 
Последнее редактирование:
убрал межкаскадный кондер,поставив повторитель на КП304а,он уменьшает искажения ,но главное сдвигает уровень на 5в(Uпор>5в по даташиту)
 

Вложения

  • германец 806-2 улучшенный квази ИТ-2.png
    германец 806-2 улучшенный квази ИТ-2.png
    50.4 KB · Просмотры: 126
Позиция с Али:)

SUQIYA Leak 30 3AX55C Германиевый ламповый усилитель 15 Вт * 2​

 
В схеме Ашника по Линсли Худу на выходе успешно работают наши П215 , единственная особенность- затянут задний фронт меандра, быстродействия нижнего этажа маловато
а смысл германия в А классе с ООС? кт863 намного лучше подойдут в Худ
 

Вложения

  • 22uzyrgvid (2).jpg
    22uzyrgvid (2).jpg
    347.4 KB · Просмотры: 204
Последнее редактирование:
Harman Citation B, 425$ в 1962 году.- древняя топология, но на кремниевых транзисторах. А был ли германий?:)
Хммм .Где-то уже видел такое))))) http://archive.radio.ru/web/1968/07/037/
Кстати, отличное сочетание МП21 и П 605, оба транзистора хорошего качества.
 
Нормальный такой самый аудиофильский усилитель. Глубокой ООС не отхватишь, т. к. засвистит и зарелаксирует, а что искажений больше чем ватт, так это высокодуховные искажения.
 
Последнее редактирование:
Для музею історії схемотехніки згодиться..
Додайте ще пару транзисторів і отримайте "безспотворний" Селфа.
І навіщо вам здався режим класу А сьогодні?
 
Такой же топологии
Это "тотемный столб" - сам себе фазоинвертор (без отдельного фазоинверсного каскада)
и усилитель. К нему ближе усилитель Делепиано на 3 или 4 транзисторах.
А также усилитель АВ\С с диодной коммутацией верхнего плеча( кадровая развертка ), звук в Шилялисе, ИМС Синклер . Транзисторный эквивалент СРПП.
 

Вложения

  • 161669008208308489.jpg
    161669008208308489.jpg
    164.1 KB · Просмотры: 104
  • 1hyo24lqbb.jpg
    1hyo24lqbb.jpg
    52 KB · Просмотры: 108
Последнее редактирование:
І навіщо вам здався режим класу А сьогодні?
проще
звук в Шилялисе
кстати звук приличный ,но у него есть косяк-выброс на меандре
лет 15 назад возился с топологией шилялиса,все хорошо и плавно транзюки как в параллельнике закрывались но этот выброс так и не победил бросил
 
А корегувати грубою силою від збудження вже тоді навчились _da
 
Такой же топологии усилитель Richard Allan A21 ставший впоследствии Sugden A21, первый бытовой усилитель в классе А.
Посмотреть вложение 129065Посмотреть вложение 129068
И это https://ldsound.club/attachments/22uzyrgvid-2-jpg.129043/
Две большие разницы. Примерно как кошка с собакой - четыре ноги, хвост. Снаружи вроде похожи, а внутренняя сущность разная.
 
Последнее редактирование:
К "германиевым" топологиям (по хронологии) можно отнести усилители с фазоинверсным каскадом, с фазоинверсным трансформатором, квазикомплементарную схему Лина 1956 г. ,мод Лина (с дополнительным каскадом УН ,охваченным оос), мод Тоби\Динсдейла 1961 г. , мод Лик-30 .
Отдельная история Филипс\Сименс\Телефункен\Грюндик с комплементарной парой средней мощности
AD161\162 - усилители до 10 вт для электрофонов и магнитофонов. AC127\128 - для портатива до 3 вт.
По мере появления на рынке сначала маломощных, а затем и мощных кремниевых транзисторов с подходящим соотношением цена\качество, распространились смешанные топологии .
С переходом на кремний и развитием схемотехники интегральных ОУ, в УМЗЧ появился дифкаскад (или несколько). Началось производство мощных интегральных ОУ - буферов и ИМС УМЗЧ.
Появились микросборки типа STK.
Век германия в усилителестроении закончился 50 лет назад. Винтаж ищите там:)
В СССР были свои особенности...
Попытки использовать более поздние топологии применительно к схемам на германиевых транзисторах приводят к усложнению схем, снижению надёжности...номенклатура доступных ПП сужается, запасы истощаются, цены растут:)
 
Последнее редактирование:
К германиевым топологиям (по хронологии) можно отнести усилители с фазоинверсным каскадом, фазоинверсным трансформатором, квазикомплементарную схему Лина 1956 г. ,мод Лина (с дополнительным каскадом УН ,охваченным оос), мод Тоби\Динсдейла 1961 г. , мод Лик-30 .
Отдельная история Филипс\Сименс\Телефункен\Грюндик с комплементарной парой средней мощности
AD161\162 - усилители до 10 вт для электрофонов и магнитофонов. AC127\128 - для портатива до 3 вт.
По мере появления на рынке сначала маломощных, а затем и мощных кремниевых транзисторов с подходящем соотношением цена\качество, распространились смешанные топологии .
С переходом на кремний и развитием схемотехники интегральных ОУ, в УМЗЧ появился дифкаскад (или несколько). Началось производство мощных интегральных ОУ - буферов и ИМС УМЗЧ.
Появились микросборки типа STK.
Век германия в усилителестроении закончился 50 лет назад. Винтаж ищите там:)
В СССР были свои особенности...
Попытки использовать более поздние топологии применительно к схемам на германиевых транзисторах приводят к усложнению схем, снижению надёжности...
Более поздние топологии на германии в основном сталкиваются с трудностями в реализации из за отсутствия ВЧ NPN транзисторов с Uce более 15 В. С низким напряжением питания получаются без каких либо проблем и на германии. Но на 1 Вт усилители малоинтересны. Только если красивый клип послушать. Видимо технологические особенности германия не позволяют получать высоковольтные ВЧ NPN транзисторы. Я таких не знаю ни зарубежных, ни производства СССР.
 
Последнее редактирование:
ГТ311 и еще что то есть, не помню.
 
Последнее редактирование:
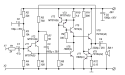
А как вам такая схема? По моему не плохой вариант на германии. Конечно этой схеме не имеет смысла тягаться со сверхлинейниками на кремнии, но как вариант на германии мне кажется представляет интерес.
 

Вложения

  • Снимок_2022_12_15_11_04_01_124.png
    Снимок_2022_12_15_11_04_01_124.png
    124 KB · Просмотры: 152
ХЗ...+36 в. на ГТ703\705? Снизить до 20-24 в. Про сопротивление нагрузки вы ничего не сказали -8 ом или меньше?
НПН транзисторы почти вымели, к тому же нужна возможность отбора по усилению и обратному току коллектора. БестЛик потихоньку перешёл на кремний в дифкаскаде и УН.:)
Х4-Х5 включить 100 ом.
 
Последнее редактирование:
А как вам такая схема? По моему не плохой вариант на германии. Конечно этой схеме не имеет смысла тягаться со сверхлинейниками на кремнии, но как вариант на германии мне кажется представляет интерес.
Коррекция через задницу.
И если сказал А, то ....
Т.е. применил на входе диффкаскад, переходи на двухполярное питание. Во втором каскаде нужен ВЧ транзистор, что то типа П609. Да и в диффкаскаде тоже не помешает.
Защита примененная нахрен не нужна, она ни от чего не защищает, а искажения увеличивает.
 
оставить германий только в ВК,остальное кремний,питание снизить до 30в
 
и УРезать половину транзисторов.
Для германия черезмерная сложность не нужна - хочешь что то КРУТОЕ, сложное, МОЩНОЕ и суперкачественное - паяй кремний.

А если хочешь германий, то ориентируйся на сложность 6-8 транзисторов и не мечтай об ЗАоблачных параметрах.
Тихая бухтелка, между делом согревающая ДУШУ :-)

Либр-либо.
А сидеть на 2х качающихся стульях - попка лопнет по имеющейся природной трещине.
 
Вірним шляхом крокуєте, товариші!
Ще пів кроку і прийдете до заповіту дідуся Селфа з його Blameless концепцією.
Так тримати. Але то вже буде зовсім не ГЕ.
Можливо, настав час відкривати нову тему?
 
Последнее редактирование:
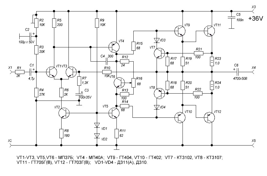
Схема Николая ТРОШИНА, не моя. Поэтому на многие вопросы ответить не смогу. Нагрузка 8ом. Автор пишет:
"Краткие характеристики усилителя;
Диапазон рабочих частот 20…20000 Гц., уровень шумов и помех (не взвешенный) не хуже 90 дб.
Сопротивление нагрузки усилителя 8 Ом.
Гармоники пытался померить с использованием режекторного фильтра, с подавлением около 80 дб. На частоте около 2 кГц, при мощности до 8 Вт их вообще не видно – не превышают уровень собственных шумов."
И ещё: " Почему одно-полярное питание? При двух-полярном питании крайне желательно иметь защиту от появления постоянного напряжения на выходе усилителя (которое может повредить акустическую систему), а это усложняет схему."

Согласен, что Т4 луше заменить на П609, тогда наверное и Т1,Т3 на КТ3102 с изменением коррекции. Просто ВК на ГТ703\705 мне кажется оптимальный вариант для германия. Может кто то подправит схему, пусть получится не самый крутой усилитель, но зато вполне слушабельный.
 
Схема Николая ТРОШИНА, не моя. Поэтому на многие вопросы ответить не смогу. Нагрузка 8ом. Автор пишет:
"Краткие характеристики усилителя;
Диапазон рабочих частот 20…20000 Гц., уровень шумов и помех (не взвешенный) не хуже 90 дб.
Сопротивление нагрузки усилителя 8 Ом.
Гармоники пытался померить с использованием режекторного фильтра, с подавлением около 80 дб. На частоте около 2 кГц, при мощности до 8 Вт их вообще не видно – не превышают уровень собственных шумов."
И ещё: " Почему одно-полярное питание? При двух-полярном питании крайне желательно иметь защиту от появления постоянного напряжения на выходе усилителя (которое может повредить акустическую систему), а это усложняет схему."
И это он так уступает симульным "сверхлинейникам"? А там еще спектр не смотрели на большей мощности.
Единственный серьезный минус, что не паяных ГТ703, ГТ705 днем с огнем не найти. А их еще паровать требуется
Схема покруче, и без таких дефицитных выходных транзисторов, рядом, если не видели:
 
Последнее редактирование:
Ви ж про Каца чули, напевне. Про Боба Каца.
Ksystem.svg.png
 
Последнее редактирование:
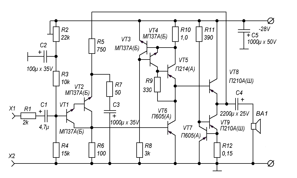
Святослав, при желании ГТ703, ГТ705 можно найти. Усилок был создан и испытан автором в железе как и другие схемы. У этого автора есть интересная схема класс А на германии. Не знаю как она звучит, но вариант весьма интересен.
 

Вложения

  • Снимок_2025_03_25_22_26_53_105.png
    Снимок_2025_03_25_22_26_53_105.png
    42.9 KB · Просмотры: 110
Последнее редактирование:
Так что... сразу видно что усилок делался на бамажке. Миллеровская коррекция в 300пФ - не даст соврать. Такой бред можно только на бамажке нарисовать.
Всі абсолютно підсилювачі, що були розроблені і виготовлені до Селфа, спочатку малювали на папері. То не провина, а біда тодішніх розробників, бо симулятор тоді був відсутній, як клас. Все обраховували на логарифмічній лінійці.
Навіть Селф, хто одним з перших почав користуватись CADами при розробці своїх підсилювачів, далеко від них не пішов, бо CADи в той час знаходились на початковій стадії розвитку. Першим реальним симуляторником, в гарному сенсі, був Корделл і ті, хто йшов за ним. Але, то вже було ще трохи пізніше.
 

Статистика форума

Темы
3,313
Сообщения
264,639
Пользователи
2,551
Новый пользователь
Александр Н.
Назад
Сверху Снизу