Германиевые УНЧ

Просто вот готовый усилитель с темброблоком
Не знаю будет ли он работать на 4 ома
Но вот все есть и тембролблок
Только как запитать от батареек?
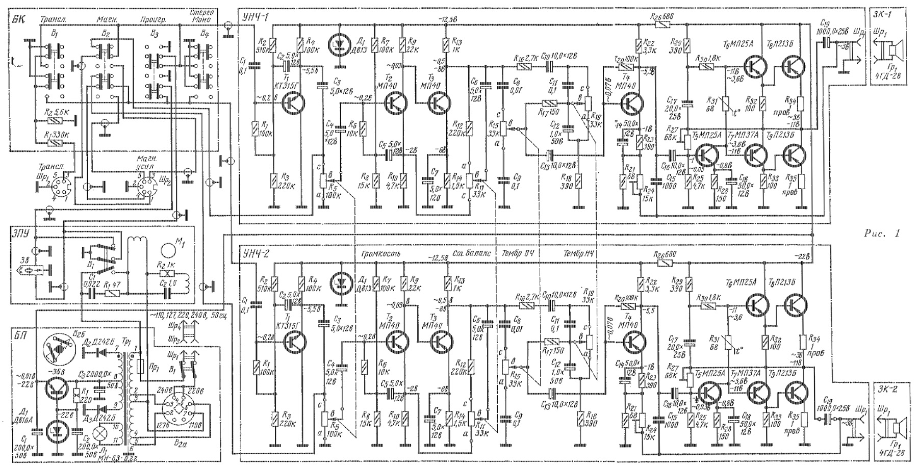
Будет на 4 Ома, никуда не денется. В "Аккорде" изначально стоял 4ГД-28, все работало и никуда не грелось. И 2 штуки 1ГД-40 в параллель - это тоже 4 Ом. От батареек подать: "-" на контакт 15 (отключивши оттуда выпрямитель), "+" - на контакты 16 и 17. Желательно в параллель с батарейками зацепить электролит (поближе к плате, не менее 2000 мкФ, НЕ армянский).
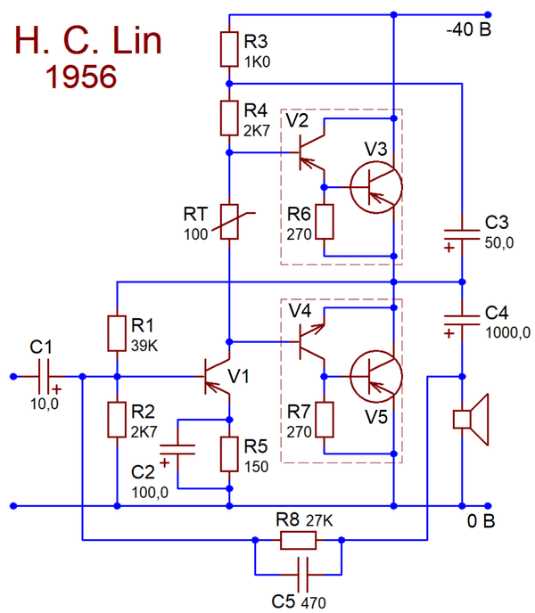
Cхема усилителя Лина 1956 года вечная, она и "концертный 304"...
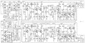
Насчет Лина не спорю, практически все советские схемы тех лет одним Лином мазаны. Но здесь совершеннейшее совпадение именно с канонічнымъ "Аккордом", вплоть до печатной платы и радиаторов. Конкретно - с "Аккорд-201-стерео" (исходный монофонический 1969 года имел другую плату и радиаторы, при той же схеме). Вот, для сравнения. Найдите 10 отличий:
концертный_304.jpg
akkord-201c.jpg
концертный_304_2.jpg
аккорд_201_стерео.jpg
 
Последнее редактирование:
А я уже вторую схемку смакетил по задумке , судя по всему, Рода Эллиотта , с полпинка запустилась, параметры такие , что удивляюсь, это что такое- это В класс? Ступеньки нет до Мегагерц, чистяк чистяковский. И деталей два пшика. Правда, режимы под свои задачи подогнал, токи увеличил, они там изначально сиротские были, чтобы выходные триоды не открыть . http://www.redcircuits.com/Page150.htm
Что в этой схеме, что в усилителе Дорофеева конденсатор достаточно большой емкости между базами выходных транзисторов (С5 в этой схеме). Про Дорофеевский говорят транзисторы летят часто, ИМХО от этих кондеров, при включении или при изменении питания вызывают сквозные токи через выходные транзисторы. Если при макетировании не сгорели, как будет дальше?...
 
Что в этой схеме, что в усилителе Дорофеева конденсатор достаточно большой емкости между базами выходных транзисторов (С5 в этой схеме). Про Дорофеевский говорят транзисторы летят часто, ИМХО от этих кондеров, при включении или при изменении питания вызывают сквозные токи через выходные транзисторы. Если при макетировании не сгорели, как будет дальше?...
Схему макетил без него, забыл. И как-то все спокойно прошло. На будущее сохранил зарисованную с новыми номиналами, пригодится.
Интересно отметить, что выходное напряжение на нагрузке выше всех перепробованных вариантов, почти питание на пике.
 

Вложения

  • 1956_H.C.Lin_amplifier_schematic_-_The_Original_Lin.png
    1956_H.C.Lin_amplifier_schematic_-_The_Original_Lin.png
    94.1 KB · Просмотры: 337
Из тесловских транзисторов какие нужные, интересные под проекты подходят?
У знакомого россыпь лежит всяких.
Может там аналоги гт703 и гт705 вдруг будут

Предусиление, драйверный каскад. До мощных триодов.
308й, 320й и 321 й

Может есть готовые схемы активного предусилителя?
 
Матафончик от этого чуда у меня долго работал с самодельным компом МИКРО-80, позднее комп был подключен к Электронике-60 для использования 8 дюймовых флоппи и печати на друкарке Роботрон. Собственно на МИКРО-80 я рассчитал дискретные фильтры для локатора Экран-85 :p
 
Номинальная выходная мощность при применении батарейного блока не менее 3 Вт
Как-так?
Upd
Прочитал 12 элементов 373
Это 18 вольт
Интересно сколько вольт выдавали свежие лежалые орионы и сколько при 50-70%емкости
IMG_20210403_130004.jpgIMG_20210403_125949.jpg
 
Последнее редактирование:
Номинальная выходная мощность при применении батарейного блока не менее 3 Вт
Как-так?
Upd
Прочитал 12 элементов 373
Это 18 вольт
Интересно сколько вольт выдавали свежие лежалые орионы и сколько при 50-70%емкости
3 Вт на 5 Ом (3 шт. 15-омных 2ГД-22 в параллель) при питании 18 В - ничего выдающегося. К тому же, это только на свежих батарейках. Номинальное напряжение считалось 1,5 В. У свежих реально было даже несколько больше - где-то 1,6 В. Конечное напряжение разряда для элементов А373 считалось 0,75 В. Хотя ниже 1 В они уже нормально не работали.

При питании от сети (цитирую инструкцию, орфография оригинала сохранена): "Номинальное выходное напряжение на эквивалентной нагрузки R = 4,17 ом, L = 0,1 млг, не менее 4,1 в, что соответствует номинальной выходной мощности не менее 4 вт. Максимальная выходная мощность усилителя 6 вт".

Перевожу: 6 Вт - это при Кг = 10%.

Полная инструкция со схемой лежит в прикрепленном файле.
 

Вложения

При питании от сети (цитирую инструкцию, орфография оригинала сохранена): "Номинальное выходное напряжение на эквивалентной нагрузки R = 4,17 ом, L = 0,1 млг, не менее 4,1 в, что соответствует номинальной выходной мощности не менее 4 вт.
А что такого в этой схеме в отличии от схемы проигрывателя "концертный-304" ,что тут номинал 4 Вт, а там 1,5 вт?
П 216б помощнее п213-х
Или предусиление сильней или вольтаж выше 21 вольта?

Кстати посоветуйте повышайку
С 12 вольт на 21вольт - хочу концертный 304 от батареек питать (3*18650 обычные, не высокотоковые)
Хорошо в него гитара звучит.
Есть только самая дешёвая повышайка с Али на 2А.
 
А что такого в этой схеме в отличии от схемы проигрывателя "концертный-304" ,что тут номинал 4 Вт, а там 1,5 вт?
П 216б помощнее п213-х
Похоже, что нет между ними принципиальных отличий. И если повнимательнее обмерить обе схемы, то и в первой, и во второй получим что-то около 3 Вт при Кг = 5%.

Подозреваю, что при питании от сети "Аккорд-2" получает напряжение выше, чем 18 В, которые получаются при питании от батарей. Сколько именно - по прилагаемой схеме сказать сложно, т.к. на ней указаны не все номиналы. В частности, неизвестен тип стабилитронов Д6 и Д7.

Жизнь повернулась таким боком, что с понедельника наш славный город Киев закрывается на локдаун. Соответственно, у вашего покорного слуги появляется изрядное количество дурного времени. Это плюс. А минус заключается в том, что все радиоэлектронные железяки, паяльник и приборы при этом остаются на работе. Посему придется заняться тем, чем традиционно занимается кот в свободное от других занятий время.

И, сугубо в порядке данного рода занятий, прикидываю моделировавшийся ранее усилитель в его "максимальной" конфигурации, а именно с каскодным дифкаскадом и источниками тока. Помимо всего прочего, я дополнил LTspice ранее отсутствовашими моделями советских германиевых транзисторов, которые любезно предоставил мне Никитич.

Снимок экрана в 2021-04-04 02-03-33.png

Целью применения каскода было неуемное зудящее желание испробовать в дифкаскаде 1Т311, и при этом именно в рамках дозволенных для них паспортных режимов по напряжению и рассеиваемой мощности (да, не люблю я транзисторы насиловать, особенно раритетные!). Если кого-то сильно смущает этот самый каскод, то его легко ампутировать, просто использовав в дифкаскаде одиночные МП37Б. Режимы всей остальной схемы при этом останутся без изменений.

Другой особенностью схемы является сочетание вольтдобавки и источника тока в качестве нагрузки драйвера. Источник тока позволяет легко управлять током покоя выходных транзисторов, а также применить термокомпенсацию, использовав в качестве R14 комбинацию обычного резистора с терморезистором, закрепленным на радиаторе, подобранную таким образом, чтобы ток выходных транзисторов, в конечном итоге, не зависел от их температуры.

Итак, конфигурация, в которой мне было бы интересно попробовать при случае данный УМЗЧ:
- Q1, Q5 - 1Т311;
- Q6 ... Q9 - МП37Б (МП10Б);
- Q2, Q10 - П605;
- Q3, Q4 - 1Т806 (1Т813).

Источник тока в цепи нагрузки драйвера собран на составном транзисторе по схеме Шиклаи, что подразумевает применение в нем транзистора П605 - такого же, как и в драйвере. Цепь вольтдобавки применена в дополнение к источнику тока, т.к. без нее амплитудная характеристика усилителя получается неудовлетворительной. Диод D2 (Д310) в норме постоянно открыт, но защищает транзистор Q10 от возможной переполюсовки на пиках сигнала. Диод D1 (Д310) защищает от возможного попадания обратного напряжения эмиттерный переход транзистора Q10 (например, вследствие каких-либо переходных процессов), т.к. для конверсионных транзисторов П60х максимально допустимое Uбэ обр. составляет всего 0,5 ... 1 В. В нормальном режиме работы усилителя этот диод постоянно заперт и ни на что не влияет.

К сожалению, в библиотеке по-прежнему нет ни П605 (вместо него, за неимением лучшего, пришлось подоткнуть модель ГТ402Г), ни 1Т806, вместо которых на выходе болтается сплавное дубье 2N242 (~ П213 ... П215). Опять же, достоверность имеющихся моделей нигде не подтверждена и никем не проверена. Ну, и про условности и ограничения симуляторов мы с вами все в курсе, посему я не вижу смысла повторяться. С учетом всего вышеизложенного, имеем:

Режимы по постоянному току (Uп = +/- 18 В):
Uвых = 39 мВ (благодаря дифкаскаду на входе, баланс устанавливается автоматически)
- Дифкаскад:
Iк Q1 = Iк Q5 = 2,75 мА
Pк Q1 = Pк Q5 ~ 14 мВт
- Драйвер и источник тока:
Iк Q2 = Iк Q10 = 45 мА
Pк Q2 = Pк Q10 ~ 0,8 Вт
- Выходной каскад:
Iк Q4 = Iк Q3 = 850 мА
Pк Q4 = Pк Q3 ~ 14 Вт

Максимальная амплитуда выходного сигнала, при которой выходные транзисторы еще остаются в классе А, равна 13 В (Rн = 8 Ом, Pвых = 10,5 Вт):
Снимок экрана в 2021-04-04 02-04-26.png
Токи выходных транзисторов (резисторы R7 и R8):
Снимок экрана в 2021-04-04 03-34-24.png
Спектр гармоник (Кг = 0,25%):
Снимок экрана в 2021-04-04 02-05-01.png
P.S. Да, C4 надо наоборот включить! LTspice к полярности электролитов нечувствителен, а я ближе к утру запутался. Sorry.
 

Вложения

YES1111,ну не знаю,мне ваши расчёты предыдущие нравятся больше.Там даже ноль чётко стал на выходе с теми номиналами и без дифф. каскада.Гениальность в простоте.Единственное току бы как-то поддать максимально возможно П605А (как Никитич говорил).Конечно 500мА не получится транзюк не выдержит.В данной схеме это с 45мА до 80мА(это почти 3 Ватта его максимально допустимых будет).Возможно ли это схематически?
 
Еще надо, чтоб заработала, а как-бы можно и не то придумать...
Если хотите работающий Худ на германии, готовьтесь не на приблудах в виде моделей
 
YES1111,ну не знаю,мне ваши расчёты предыдущие нравятся больше.Там даже ноль чётко стал на выходе с теми номиналами и без дифф. каскада.Гениальность в простоте.Единственное току бы как-то поддать максимально возможно П605А (как Никитич говорил).Конечно 500мА не получится транзюк не выдержит.В данной схеме это с 45мА до 80мА(это почти 3 Ватта его максимально допустимых будет).Возможно ли это схематически?
Да и хрен с ними, с расчетами. Разогнать ток через П605 не вопрос, надо нагруэочный резистор уменьшать в его коллекторе. И одновременно в цепи питания первого каскада, чтобы баланс сохранялся. Режим попадает и без дифкаскада, но очень хотелось бы иметь его не только в тепличных условиях. Но это уже такое - чисто личные симпатии, вкусы и чуть ли не религия.
Еще надо, чтоб заработала, а как-бы можно и не то придумать...
Если хотите работающий Худ на германии, готовьтесь не на приблудах в виде моделей
Всегда готов. никогда не переоценивал значение модели - кроме, как игрушки, позволяюшей на ранней стадии сэкономить ведро-другое транзисторов. Сейчас пока буду сидеть дома на попе, ровно и долго. Будет возможность заняться позже - с превеликой радстью займусь.
 
Понял. Да, ему же: при разгоне тока через П605, чтобы не вырос пропорционально ток через 806-е, надо также уменьшить и резисторы в их базах. С 43 Ом до 22-х где-то, если навскидку. Не проверял, но так думаю. Важно, чтобы они были одинаковыми. Иначе усиление одного плеча будет больше.
 
Понял. Да, ему же: при разгоне тока через П605, чтобы не вырос пропорционально ток через 806-е, надо также уменьшить и резисторы в их базах. С 43 Ом до 22-х где-то, если навскидку. Не проверял, но так думаю. Важно, чтобы они были одинаковыми. Иначе усиление одного плеча будет больше.
Верно думаете. Но с уменьшением резисторов в эмиттере и коллекторе 605 усиление до введения ООс падает, думаю. И звук что-то теряет .
 
Можно ещё в натуре попробовать вместо П605А поставить П609Б в теории по ТХ он лучше подходит,скорей всего нужно будет коррекцию подбирать.

Юрий Робертович, схема как была JLH Ge АБ так и осталась и почти все номиналы.Всё ,что моделировал Yes1111 всё совпало , с практикой АБ кроме искажений.Но искажения возможно и должны такие быть ведь в модели тормозные транзисторы на выходе.Я прекрасно понимаю,что на практике может что-то пойти не так.Но когда моделирование показывает,что у же всё плохо,то плохо в натуре будет с вероятностью процентов 90.
Худ на кремнии китайская плата с Али,мы с товарищем собирали года два назад,только на выход 2N3055 винтажные мотороллы ставили.Звук хороший,до сих пор в кабинете у него с акустикой Dual cl-173 поёт.Только германиевый Кёртинг с трансами мой поёт лучше.Поэтому именно германиевый JLH-АБ и хочется собрать для пробы.
 
Еще в 13м году обсуждали на аудиопортале вариант худа на германии. (поверхностно) :)
 

Вложения

  • худ.PNG
    худ.PNG
    44.7 KB · Просмотры: 247
Можно ещё в натуре попробовать вместо П605А поставить П609Б в теории по ТХ он лучше подходит,скорей всего нужно будет коррекцию подбирать.
А что-не читали? Ставил 609-й, схема на дыбы . Генерация или ещё что, но 609й не катит. Фигня ваша ТХ
 
А может ПРОСТО, германиевый Кёртинг с трансами, он без вариантов луччший!
 
У всенародно любимых КТ315, КТ310х, КТ6хх иже с ними вообще по 250 ... 300 МГц. И то ничего. Ставят их десятилетиями напролет и сотнями тонн в месяц. И все работает, никуда не свистит.
 
А может ПРОСТО, германиевый Кёртинг с трансами, он без вариантов луччший!
В трансы вопрос упирается, я думаю. Хлопотно это, чтобы действительно хорошо получилось. А так да, схемка вполне неплохо показала себя еще в 50-е. В смысле - не именно данная модель (я полагаю, A500 Вы имели в виду), а в целом такая конфигурация.
 
Александр,нашёл ваш пост(160) и SLAMI .
Вы пишите,что пробовали П609,и он не заработал,так он и не должен был,у него КЭ25 вольт (по справочнику двух Терещуков и Седова)!И SLAMI првильно подсказал,нужно пробовать П609Б он на 50Вольт и усиление до 240 при токе 300мА.

YES1111,да там в трансах дело но и не только ,нужно электролиты поменять и ещё несколько кондёров и транс там слабый.Вообще на Кёртинге свет клином не сошёлся .Щас,соберусь мыслями,и выложу большой список усилителей с межкаскадными трансами не хуже Кёртинга.
 
Последнее редактирование модератором:
YES1111,да там в трансах дело но и не только ,нужно электролиты поменять и ещё несколько кондёров и транс там слабый.Вообще на Кёртинге свет клином не сошёлся .Щас,соберусь мыслями,и выложу большой список усилителей с межкаскадными трансами не хуже Кёртинга.
Атмосфера (первая, 1959 г.), Аусма (1962), Вечер (телевизор, 1965), Юность (телевизор, 1965), Концертный-3 (электрофон, 1967), ...
Это только навскидку - первое, что пришло в голову.
 
Последнее редактирование:
НЕ-НЕ! НЕ ХУЖЕ Кёртинга!"SABA studio 2",SIEMENS Klangmaster RS-141,BRAUN CSV300,ELAC 3300T,GRUNDIG SV40.Усилитель в магнитофоне UHER ROYL DE LUX (он весь на германии низ от 20ГЦ! на девятой и 19 скорости ужасная редкость для катушечника (20Гц) ШЕДЕВР ЗВУКА!)https://www.hi-fi.ru/auction/detail/1085570
Продолжение следует...
P.S. на наших трансах и говно-транзисторах тех лет не было ничего стоящего.Германий боле-менее у нас стали делать в 80-Х когда все остальные уже перестали.И то он слишком высокочастотный.Для звука на западе дажеспециально для унч с межкаскодниками некоторые транзюки разрабатывали.
 
Последнее редактирование:
Александр,нашёл ваш пост(160) и SLAMI .https://ldsound.club/index.php?threads/jlh-na-germanievyx-tranzistorax.698/page-6
Вы пишите,что пробовали П609,и он не заработал,так он и не должен был,у него КЭ25 вольт (по справочнику двух Терещуков и Седова)!И SLAMI првильно подсказал,нужно пробовать П609Б он на 50Вольт и усиление до 240 при токе 300мА.
Если у 609 25 в по справочнику, то он не обязан при 15 на коллекторе взять и рухнуть.
 
Александр,он мог быть и с деградированым от времени кристаллом.Один транзюк не показатель -моё мнение.Тем более на стук откликался.
 

Статистика форума

Темы
3,307
Сообщения
263,562
Пользователи
2,548
Новый пользователь
Александр Н.
Назад
Сверху Снизу