Германиевые УНЧ

ты упёрся в ступеньку однако вторую сторону медали игнорируешь, может ступенька и меньше, зато германий из за дерьмовых частотных свойств сильнее искажает форму сигнала.
да и вопросики к твоим моделькам германия в симуляторе - немалы.
хочу ток покоя уменьшить до 20 ма и чтобы искажения были как при 100ма кремния
можно паралельно ВЧ канал на кремнии сделать
 
Последнее редактирование:

Вложения

  • ampl-5.png
    ampl-5.png
    23 KB · Просмотры: 160
А вот что нашел ИИ:

Искажения германиевых и кремниевых транзисторов различаются по характеру ограничения сигнала и спектральному составу гармоник, что определяет их специфическое звучание в аудиоаппаратуре
.
Германиевые транзисторы
  • Характер искажений: Обеспечивают «мягкое» ограничение (soft clipping), при котором верхушки синусоиды закругляются плавно. Это создает теплое, «бархатистое» звучание, напоминающее ламповое.
  • Спектр: Преобладают четные гармоники, которые воспринимаются человеческим ухом как музыкально приятные.
  • Особенности:
    • Обладают меньшим напряжением перехода база-эмиттер (~0,1–0,3 В), что уменьшает «ступенчатые» искажения (crossover distortion) при малых токах покоя.
    • Имеют более узкий частотный диапазон, что естественным образом отсекает резкие высокочастотные артефакты искажений.
    • Сильно зависят от температуры, что может менять характер искажений в процессе работы.
Кремниевые транзисторы
  • Характер искажений: Дают «жесткое» ограничение (hard clipping) с резким срезом амплитуды. Звук получается более агрессивным, ярким и четким («tight»).
  • Спектр: Содержат больше нечетных гармоник и высокочастотных составляющих, что может восприниматься как «песок» или излишняя резкость.
  • Особенности:
    • Более высокое напряжение перехода (~0,6–0,7 В) требует точной настройки тока покоя для минимизации искажений типа «ступенька» в двухтактных схемах.
    • Обладают широким частотным диапазоном и высокой стабильностью характеристик.
    • Обеспечивают более высокий коэффициент усиления (gain) и контролируемый перегруз.
 
Последнее редактирование:
А вот что нашел ИИ:

Искажения германиевых и кремниевых транзисторов различаются по характеру ограничения сигнала и спектральному составу гармоник, что определяет их специфическое звучание в аудиоаппаратуре
.
Германиевые транзисторы
  • Характер искажений: Обеспечивают «мягкое» ограничение (soft clipping), при котором верхушки синусоиды закругляются плавно. Это создает теплое, «бархатистое» звучание, напоминающее ламповое.
Не бархатистое, а звучание кассетного магнитофона с перегрузкой по уровню записи.
ИИ всегда находит то, чего больше. А всякого бреда гораздо больше.
 
Последнее редактирование:
современная тошиба 5198/1941 лучше
 
современная тошиба 5198/1941 лучше
Да любые современные кремниевые планарные транзисторы гораздо лучше нежели сплавные германиевые. Даже не очень современные КТ818 КТ819. Ибо германиевые транзисторы это не совсем транзисторы - это действующие массогабаритные макеты транзисторов.
 
ИИ всегда находит то, чего больше. А всякого бреда гораздо больше.

Именно. Алгоритмами статистической обработки не заменить алгоритмы понимания.
В том ответе намешаны особенности транзисторов и схем на них, без попытки отделить одно от другого.
 
там пару хрен подберешь,а тошиба как в аптеке были у меня 10шт одной партии бэта 98...101,и бэта линейная а не горб
А это не особенно и нужно. Ну увеличится у мелкосника уровень четных гармоник, так это только для звука лучше, теплый ламповый звук. _hm_ А для сверхлинейника вообще по хрену. Лишь бы ТУ соответствовали.
 
Последнее редактирование:
Зачем все эти страдания?
Кто сказал про страдания? Хочется сочинить просто и звучно, тем более, перебрав гору наших 303-х, убедился, что импорт J112 с его 40 Омами открытого канала работает куда веселее , чем наши с их 400 -700 Омами. А с джифетом отваливается куча обвески у входного биполяра.
Схемка сложилась на щелбан, но выход всего 6 вольт с питанием 30, недолив. "Будем искать!" С.С. Горбунков. Избранное.
 
звук завораживает,искажения пролетают мимо ушей))))
особенно подвержены магии адепты с германскими генами)))у тебя Перепелкин гены не те ,нет предков германских ,не понять тебе)))
спектр в готическом стиле должен быть,круто спадающий
Чувствую, что по происхождению меня на германий потянуло, жалко что д-класс, который мне нравиться, на германии не заработает :)
 
Чувствую, что по происхождению меня на германий потянуло, жалко что д-класс, который мне нравиться, на германии не заработает :)
Почему не заработает? Заработает, выходной каскад на П4, частота ШИМа 4-5 кГц. Звук не то, что волшебный - зачаровывающий.
 
Утащено с Дзена: ...КТ315. Этот кремниевый маломощный транзистор, выпускавшийся с 1967 года...
Предлагаю считать его германиевым:)
 
КТ315. Этот кремниевый маломощный транзистор, выпускавшийся с 1967 года...
Предлагаю считать его германиевым:)
ООО!!! я в 6м классе на 4шт кт 315г аж целый ЛПМ от Яузы-10 выменял)))правда без двигателя....пришлось больше месяца собирать 10руб чтобы купить его,а потом еще токарю 3руб чтобы насадку(шкив на вал) выточил)))
 
Утащено с Дзена: ...КТ315. Этот кремниевый маломощный транзистор, выпускавшийся с 1967 года...
Предлагаю считать его германиевым:)
Помню. как специально с братиком прошлись к его корешу, у которого завелось невиданное чудо, КТ315, кремний, высокочастотный, с усилением огроменным. Пришли, посмотрели уважительно. Ушли впечатленные. Нам до такого чуда было далеко с нашими П13-П14-П401 -П403.
 
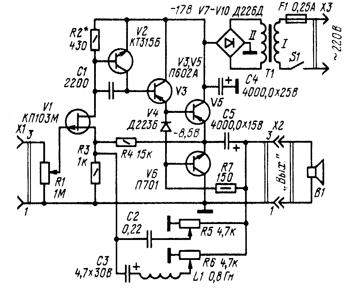
вот схемка для гт703\705 первые каскады сделать на сборке гтс609
 

Вложения

  • f.1971-03.037.jpg
    f.1971-03.037.jpg
    481.7 KB · Просмотры: 149
Утащено с Дзена: ...КТ315. Этот кремниевый маломощный транзистор, выпускавшийся с 1967 года...
Предлагаю считать его германиевым:)
Более того, этот тр0нзистор изначально задумывался как СВЧ прибор, поэтому у него и были плоские ленточные выводы под микрополоски. Но в звуке он показал себя лучше, чем в свч.
 
Более того, этот тр0нзистор изначально задумывался как СВЧ прибор, поэтому у него и были плоские ленточные выводы под микрополоски. Но в звуке он показал себя лучше, чем в свч.
не ну ты загнул. ) он задумывался как вч и он и есть вч , а выводы такие просто технологичнее проволочных, это чтоб транзистор миллиардами штук выпускать. кстати есть ещё моп вариант в таком же корпусе КП313, а есть ещё сдвоенный варикап в таком корпусе квс111.
 
Более того, этот тр0нзистор изначально задумывался как СВЧ прибор, поэтому у него и были плоские ленточные выводы под микрополоски. Но в звуке он показал себя лучше, чем в свч.
Мало того, шаг этих выводов совпадал с шагом микросхем сери 155.
 
Последнее редактирование:
схемка намного лучше помоев которые тут выкладывают- топ этой ниши
а если вольтодобавки или ИТ поставить еще лучше будет
да куда уж лучше то, дроссель многообмоточный один чего стоит, прям верх качества и повторяемости , ага.
 
дроссель многообмоточный
дроссель это для компенсации индуктивности динамика в мосте, это ЭМОС,можешь не применять ее
и где многообмоточный???? это рисунок твз от ламповой схемы выше в статье
я за связку повторителя на п602+пара выходников703\705 тк быстрых комплементарных драйверных транзисторов нет,402\404 медленные имхо для драйвера к вч выходникам,можно только с 703\705 их ставить тогда псевдотройка выходит очень не плохо
 

Вложения

  • f.1971-03.036.jpg
    f.1971-03.036.jpg
    457.6 KB · Просмотры: 132
Последнее редактирование:
а что не так?мост для выделения сигнала ЭМОС,с диагонали берем сигнал точки А И Б сделай лучше на германии а я посмотрю))))
на кремнии не интересно,там опера и МС рулят ,и мультиампинг на Дклассе
а вот простые схемки на лампах и 5,,,6 транзисторах с приличным звуком это интересно,нет долгостроя,спаял и слушай
жаль латералы дорогие,на них самое оно извращаться в свободное время
 
Последнее редактирование:
вот такой однотакт в А классе
 

Вложения

  • класс А.png
    класс А.png
    57.8 KB · Просмотры: 110

Статистика форума

Темы
3,315
Сообщения
264,717
Пользователи
2,551
Новый пользователь
Dmaren55
Назад
Сверху Снизу