Германиевые УНЧ

Несколько странное и неоднозначное впечатление, ИМХО. Начали, вроде бы, как за здравие. Но вот когда автор перешел к проводам...

Вообще, сколько ни читаю позднего Лихницкого (R.I.P.), так до сих пор и не могу для себя решить, что же это было такое: возрастные изменения, от коих никто не застрахован, или же троллинг 80-го уровня? Особенно впечатлило про волшебные конденсаторы из Третьего Рейха, и про их влияние на тонкую структуру окружающих их прочих компонентов усилителя :unsure:
У меня с покойным было много разногласий по поводу его любви к провокациям. Он меня люто ненавидел за мои скромные попытки раскрыть общественности глаза на его мерзкий характер. О мёртвых либо хорошо, либо правду!
 
У меня с покойным было много разногласий по поводу его любви к провокациям. Он меня люто ненавидел за мои скромные попытки раскрыть общественности глаза на его мерзкий характер. О мёртвых либо хорошо, либо правду!
Саш, ты первый, кто цитировал поговорку правильно.
Друг рассказывал, как гостил у своего коллеги из Тбилиси, там за хороших людей водку пьют, а за подлецов чокаются пивом. Выпьем за такого-то. Сволочь был, гореть ему в аду поярче! И пивом- цок!
 
сколько ни читаю позднего Лихницкого (R.I.P.), так до сих пор и не могу для себя решить, что же это было такое: возрастные изменения, от коих никто не застрахован, или же троллинг 80-го уровня? Особенно впечатлило про волшебные конденсаторы из Третьего Рейха, и про их влияние на тонкую структуру окружающих их прочих компонентов усилителя :unsure:
Деменция очень часто начинается незаметно. Окружающие принимают это за чудаковатость и оригинальность, а по факту ум уже медленно и невозвратно отъезжает.

Лихницкого надо читать до середины 80-х. У него всего-то две или три статьи, ЕМНИП, о демпфировании тонармов.
Про третий рейх - это уже к психиатрам.
 
Деменция очень часто начинается незаметно. Окружающие принимают это за чудаковатость и оригинальность, а по факту ум уже медленно и невозвратно отъезжает.

Лихницкого надо читать до середины 80-х. У него всего-то две или три статьи, ЕМНИП, о демпфировании тонармов.
Про третий рейх - это уже к психиатрам.
деменция редко настигает людей умственного труда. Запас работающих нейронов там велик. Надолго хватает, оставаться в ясном уме. И каждодневные трентровки мышления образуют новые связи взамен утраченных, проверенный факт.
 
деменция редко настигает людей умственного труда. Запас работающих нейронов там велик. Надолго хватает, оставаться в ясном уме. И каждодневные трентровки мышления образуют новые связи взамен утраченных, проверенный факт.
Не то чтобы редко, но реже, да. И тем не менее бывает такое. Вообще, надо понимать, что есть различные проявления деменции. Те же "возрастные изменения характера" - это та же деменция, просто проявления слабые, и связь с социумом до конца не теряется.
 
Ладно, не будем о грустном. В общем, я на пару-тройку отъеду в сельскую местность, там будет полный оффлайн.
Всем добра, здравия и хороших дней. До встречи!
 
Меня огорчало не то, что он провоцировал, а то, что никогда (почти) в том не сознавался! Зато когда я позволил себе пошутить по поводу автографа Винера ( причем явно, по Станиславскому,- "Не верю!") этот "интеллигентнийшний" человек попробовал смешать меня с грязью. И, судя по его творчеству, он и в более нежные годы был зазнайкой и хамом...
 
питать Худа от импульсника - категорически НЕТ, если хотите слушать просто музыку, а не "музыку" гармоник.
Бред! Наглядное видео о питании Худа от трансформатора и импульсника. Смотреть с 18-той минуты)
От себя добавлю, что питал германиевый усь от импульсного китайского (!) БП. Звук стал настолько чистый и прозрачный, что сразу расстался с предрассудками о "вредности" импульсного БП. Некоторые на это неспособны, это я предрассудках)

 
Флаг вам в руки, пож-та, дерзайте. Даже смотреть не буду
 
питал германиевый усь от импульсного китайского (!) БП. Звук стал настолько чистый и прозрачный
А как при этом глубина баса и мидбаса? Телесность и плотность образа?
Не пострадали?
 
Это китайское г...но чем ни питай - разницы ноль!
 
А как при этом глубина баса и мидбаса? Телесность и плотность образа?
Не пострадали?
Нет. Звук как бы очистился от мусора. Бас стал гораздо серьёзнее. Впрочем если чуток подумать, то сами поймёте почему ИП БП лучше обычного с трансом и ёмкостным фильтром.
 
чем ни питай - разницы ноль!
Это "чудо" за 50 лет не изменилось, хоть кто его будет делать. Схема схемотехнически тупиковая.
Если так уж хочется собрать усил класса А, то есть много других реализаций такой задумки, причём с вполне предсказуемым результатом, любым желаемым током покоя и с любой желаемой мощностью.
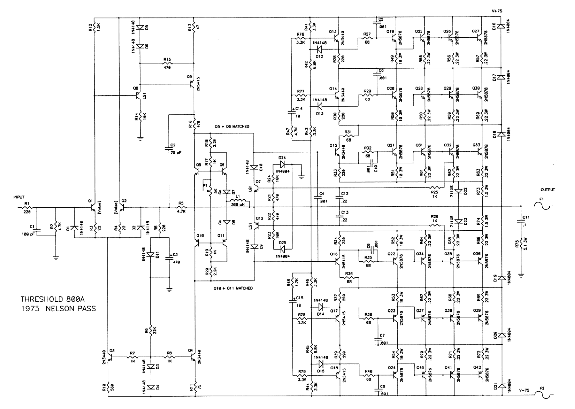
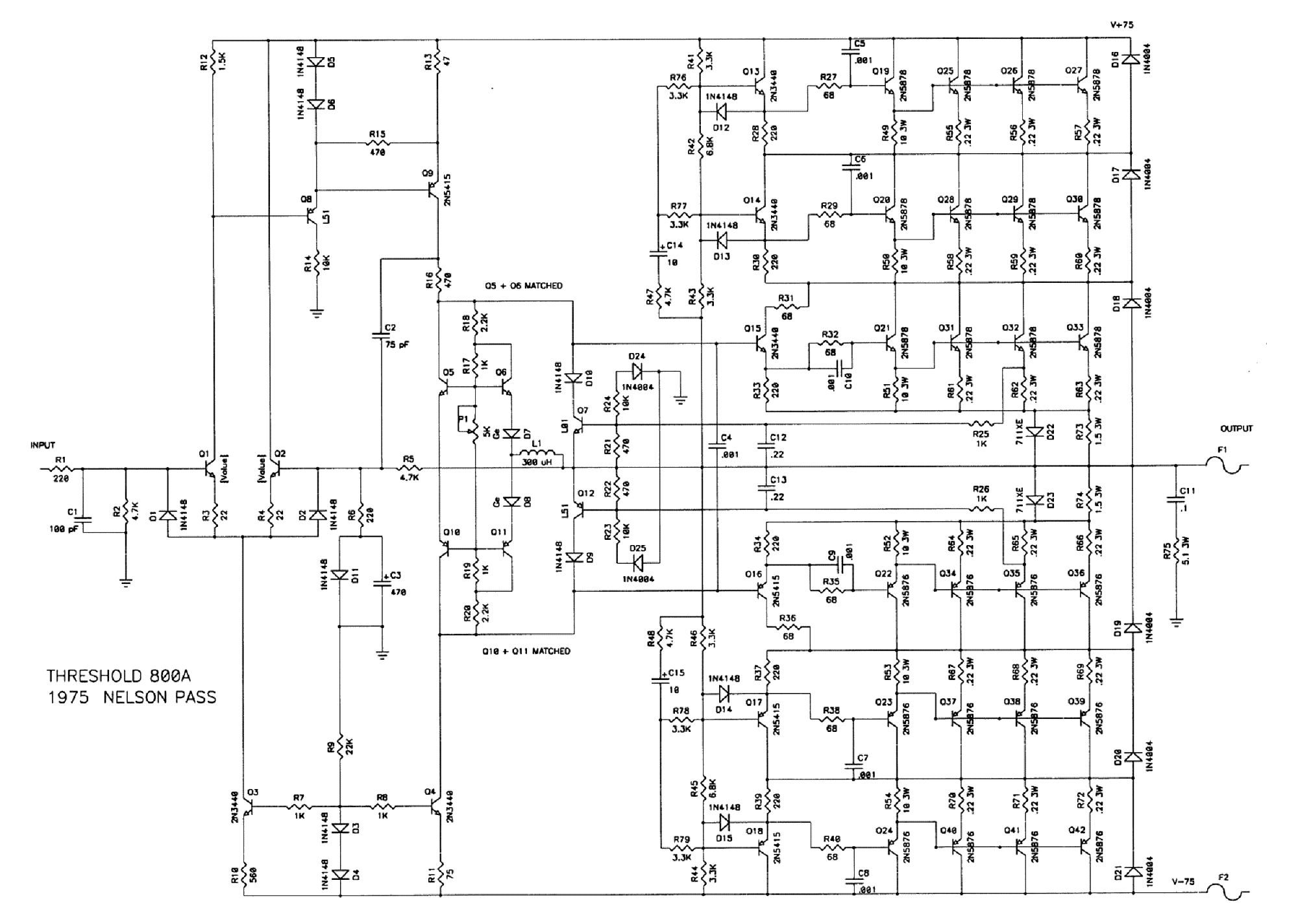
Как пример усилитель Нельсона Пасса Threshold 800A, класс А, 2х200 ватт. Схему поищите сами)

Просвятите нас, не хватает образования что бы додуматься...
Не наговаривайте на себя)) Лектор из меня не важный, но попробую объяснить.
От чего питается усилитель? От конденсаторов фильтра! От чего заряжаются конденсаторы фильтра? От транса и выпрямителя, причём заряжаются короткими и мощными импульсами, от которых трансу (и выпрямителю тоже) живётся нелегко. С какой частотой происходит зарядка (дозарядка) конденсаторов? 100 Гц!
С какой частотой частотой заряжаются кондёры в ИП БП? Десятки-сотни кГц! Грубо говоря в кондёрах всегда полно энергии для отдачи в нагрузку и звуку от этого здорово хорошеет.
Что касается якобы страшных помех от ИП БП, то это уже в прошлом. У тех же китайцев есть ИП, так называемые "мягкие". По сути это резонансные ИП, в которых уровень ВЧ уменьшен на порядки.
По теме резонансных (квазирезонансных) ИП в инете есть много статей с подробным описанием принципа их работы.
 
Как пример усилитель Нельсона Пасса Threshold 800A, класс А, 2х200 ватт
Ну тупые... (М.Н.Задорнов). А зачем класс А 2х200 ватт? Какие такие "кирзачи" нужно качать таким усилителем или какие стадионы.? Может не стоит заниматься аудиоонанизмом, а просто приобрести (сделать, украсть ... это у кого как по возможностям и желаниям) нормальную акустику?
 
А зачем класс А 2х200 ватт?
)) Откуда мне знать? Когда кто-то делает усь на германиевых транзисторах, почти всегда возникает такая мысль - усь хорош! Но жаль что у него так мало мощности!
Поэтому начинаются поиски всяких схем помощнее, начинают вспоминать даже аппараты с межкаскадным трансами 50-60-ти летней давности.
У меня на германии 15-16 Ватт, но если было бы 25-30 был бы рад. Звук динамичнее, вернее и правильнее. Мощь нужна не для глушения соседей, а для услады свои ушей, для верной передачи динамического диапазона. Обоснованность увеличения мощности усилителя хорошо описана в Радиве 1989 г. номер 12. - "АС с расширенным динамическим диапазоном". С учётом того что большинство современных имеют чутьё 86-90 дБ, запас мощности никогда не помешает. Если будет много можно убавить регулятором громкости)
Прикладываю схему Threshold 800A (1975) Усилитель из ТОПа усилителей всех времён и народов))
threshold_800a_sch.pdf_2.png

В заключение несколько мыслей о усилителях на германии. "Германиевым" звук делается всего лишь и только лишь транзисторами оконечного каскада! До этого места можно использовать схемотехнику усилителей на кремнии, вплоть до раскачивающих оконечные транзисторы.
А уж схем на кремнии и не сосчитать))
Мощность германиевых усилителей ограничена древней схемотехникой, невозможностью работы всяких там П И ГТ на высоких напряжениях - им просто настаёт кирдык. Этажирование . как в схеме Нельсона Пасса позволяет обойти это ограничение и делать усилители на германиевых транзисторах любой желаемой мощности.
Сколько кому нужно тут уж путь каждый САМ ответит на этот вопрос.
Удивляет консерватизм некоторых товарищей. Думал увидеть в ветке какие-то новые и интересные идеи. Но нет! Тут постят схемы из Радива полувековой давности))
Отписался от просмотров. Всем удачи в создании интересных и оригинальных схем усилителей на германии!
 
Последнее редактирование модератором:
а ЗАЧЕМ мне это чудо, с к.н.и.=0,0000 прОцентов, сотни Вт мощности, чудо времён и народов?
С начала 90-х завязал, мне достаточно и 0,3-1%, но немного...
 
Это "чудо" за 50 лет не изменилось, хоть кто его будет делать. Схема схемотехнически тупиковая.
Если так уж хочется собрать усил класса А, то есть много других реализаций такой задумки, причём с вполне предсказуемым результатом, любым желаемым током покоя и с любой желаемой мощностью.
Как пример усилитель Нельсона Пасса Threshold 800A, класс А, 2х200 ватт. Схему поищите сами)
SemenS пожалуйста напишите какая у вас акустика.Я просто не пойму зачем вам столько мощности.Излишяя мощность -требует усложнения схемы,излишняя сложность -убивает звук.
 
Есть у меня постоянный клиент. Регулярно жжет динамики (в т.ч. 75ГДН..) и привозит на перемотку. У него по четыре штуки Ы-90 на канал, параллельно-последовательно. Как накатит человек 150 грамм и поболее, так волюмэ его тянет накрутить.
Я молчу, где еще такого сыскать... smile_6
 
Насколько я знаю,этот усилок был сделан не для звука,а для "шильдика" класс А и 200Вт по заказу фирмы.Сам же автор приверженец другой концепции-максимально короткого тракта.От короткого тракта естественно большой мощи не добыть,поэтому он и его коллеги применяют высокочувствительные ширики ,а низ можно лопухами с 200Гц подпереть с любым усилителем.И получить нужное звуковое давление.Германиевый Худ-АБ можно таким-же образом использовать,а на НЧ стороне можно и усь на П210Ш собрать(до 200 Гц это для них частота) .
 
Прикладываю схему Threshold 800A (1975) Усилитель из ТОПа усилителей всех времён и народов))
Посмотреть вложение 14201
В схеме опечатка. D11 или С3 наоборот нужно поставить, диод - защита от обратного напряжения на конденсаторе, если судя по схеме в дифкаскаде NPN транзисторы, то поменять нужно С3
 
Сергей Михайлович, я считал ламповые, можно транз. германий, там к.н.и. такие.
О мощности, кто желает: В Свердловске, 1984г, сын со мной, жену увез в роддом, дочь рожать... Трое приятелей и я расслабились, включили погромче, усилитель Зыкова, на П601И, акустика 4гд-36 в ОЯ, ~1м*0,4м*0,3м, всего то 2*3вт... 5-этажка хрущовка, всем хватило, еще и жаловались некоторые...
 
Если нужен 200-ваттник. то зачем заморачиваться с германием. Если нравится звук схемы на германии, то зачем упираться в 200ватт. Для каждого бзика свои ворота рамок.
 
Смотрим поучительное видио по использованию импульсника для усилителя. И ставим в споре точку.
 
Смотрим поучительное видио по использованию импульсника для усилителя. И ставим в споре точку.
Точка была-бы, если-бы он продемонстрировал звук наводки на унч, а не на радиоприемник. Или хоть следы от импульсного питания в нагрузке УМ. Разницу в выходных спектрах. Может, при таком подходе, ещё и усилки Д-класса от линейных источников питать? Что касается лабораторных БП - то я с ним согласен. Только не понял, он без нагрузки это всё демонстрировал???
 
Пускай "специалисты" спорят хоть до синевы, со своими картинками, я даже смотрть не буду...
 
Точка была-бы, если-бы он продемонстрировал звук наводки на унч, а не на радиоприемник. Или хоть следы от импульсного питания в нагрузке УМ. Разницу в выходных спектрах. Может, при таком подходе, ещё и усилки Д-класса от линейных источников питать? Что касается лабораторных БП - то я с ним согласен. Только не понял, он без нагрузки это всё демонстрировал???
Я интересовался у знающих, сказали,что с линейным питанием Д-шники чуть лучше звучат.
 
Заходил на Вегу, Дед Пентод про шунты в Худе:
"электролиты имеют паразитную индуктивность, вот ее керамика на самых высоких частотах шунтирует, на всякий случай тк схема очень широкополосная ,чтобы не было паразитных резонансов. емкость совсем небольшая 4700...10000пик в звуковом диапазоне не влияет, работает на мегагерцах (электролиты оос и вольтодобавки),но это не обязательно, главное по питанию шунтировать 0.1мкф и поближе к ногам выходников, чтобы вч излучение замыкалось там, а не как некоторые-шунтируют электролит питания до которого идут длинные провода да еще не свитые в косичку"
 

Статистика форума

Темы
3,307
Сообщения
263,659
Пользователи
2,548
Новый пользователь
Александр Н.
Назад
Сверху Снизу