Германиевые УНЧ

Не только Вы один к ним неравнодушны. )))
Извините, Сергей, но ткну на целую тему.
А сюда добавлю таблицы измерения беты четырёх десятков 1Т910АД по двум точкам (0,5, 1 А), и отбора пар по этому показателю.

Есть ещё один интересный зверёк в германиевом лесу - 1Т905А. Во вложении таблица обмера по семи точкам, и схема стенда. Бразилиец очень их хвалил. А они там знают в германии толк.
 

Вложения

  • Бета_1Т910АД_колір_пари_зменш_.jpg
    Бета_1Т910АД_колір_пари_зменш_.jpg
    229.2 KB · Просмотры: 408
  • Бета_1Т910АД_.jpg
    Бета_1Т910АД_.jpg
    246.9 KB · Просмотры: 378
  • 1Т905А_вимір _.png
    1Т905А_вимір _.png
    71.6 KB · Просмотры: 424
  • СТЕНД_.jpg
    СТЕНД_.jpg
    51.8 KB · Просмотры: 452
Последнее редактирование:
Два раза пытался сделать цирклотрон, ~2002г, и в 2006г, не моё это. Троян сделаю по-своему...
 
А что с цирклотронами было не так?

"Троян" в любом случае придётся делать по-своему. Коэффициент передачи его близок к единице, понадобится предварительная часть.
Помогу в согласовании выходного сопротивления с акустикой. Проще будет стыковка с хорошим широкополосником.
 
Как смотрю Ваши записи с бетами транзисторов, сразу вспоминаю подполковника Фроленкова "мне насрать на внешние условия, должно работать - и всё!" А если германий и кремний? Если с разной граничной частотой? ООС не забывайте...
 
1т806 надо постараться, чтоб его спалить...
 
Сергей Торопов опять классный усилок разместил у Сергеева
560-61-amp.gif
 
Последнее редактирование модератором:
Как смотрю Ваши записи с бетами транзисторов, сразу вспоминаю подполковника Фроленкова "мне насрать на внешние условия, должно работать - и всё!" А если германий и кремний? Если с разной граничной частотой? ООС не забывайте...
Подполковникам, с таким подходом, лучше густым лесом, и вращением колбаской. )))

Кремний на вход - без проблем. Общей ООС стараюсь избегать, поэтому риск "заводки" с вылетом транзистров минимальный.
 
А мой все работает с год, только конденсатор на входе поставил МБМ 0,5мкф*160в
Режим АВ, 160-170 ма
IMG_1799.jpg
 
Последнее редактирование модератором:
Взамен советов сочинился Линси Худ на германии, 1т806 на выходе, П605 в драйвере, МП10 на входе, в двух вариантах, с однополярным и двухполярным питанием. Оба рабочие и звучные. Питание до 30 вольт. самое забавное, что схема начинает петь от нуля вольт, когда плавно поднимать питание от источника. 3 вольта хватает для комфортного звука. 12 совершенно достаточно, а 20-24 за глаза. 8Ватт на 8 Ом.
Посмотреть вложение 16777Посмотреть вложение 16778Посмотреть вложение 16779Посмотреть вложение 16780Посмотреть вложение 16781Посмотреть вложение 16782

Святослав появился, чем очень меня порадовал. Общая идея применения германия в звуке обязывает объединить усилия. Он в этой теме вышел на уровень заоблачный, я же только пробую выпиливать модели самолетиков.
1т806 я так понимаю тоже самое что и гт806?
 
Последнее редактирование:
Что за площадь ОБР?
Время выключения у транзисторов разное
беда с этими 806 транзисторами. простой китайский испытатель транзисторов их вообще не видит.
испытатель транзисторов , что на схеме вообще черти что показывает.
такое впечатление по приборам , что все битое ...хотя все новое.
в связи с этим повторюсь- если применить 1т813?
по параметрам выходит, что 813 лучше (скоростнее) , а то что он импульсный ..так и 806 импульсный ..... а при токе 0.8а и прочности транзистора в 30А это вообще для него семечки.
про емкость вообще не нашел, но если 813 шустрее , значит емкость по логике ниже ?
потом такой параметр как напряжение база-эммитер у 806-1.5в а у 813 -2в..опять таки надежней ...
или что то путаю.
 

Вложения

  • 6467e45a563a0c49dbaccc23e03b201f.png
    6467e45a563a0c49dbaccc23e03b201f.png
    110.7 KB · Просмотры: 540
Вроде все утрясли, а ты опять.врежь в эмиттер токоутрясающий резистор в пару Ом, на нём же меряешь ток эмиттера.С минуса питания сверху кидаешь сто Ом, на них меряешь ток базы. Понимаешь питание от нуля до двух вольт на эмиттером резисторе.потом смотришь падение на базовом резисторе.

Начав с макета на 806, как ты знаешь, пробовал переучить схему сперва на 1т910, твои.Испарились все и быстро.Зато 813 заработали без особых отличий,разве что ток покоя,контролированный на эмиттером резисторе,у 806 начинал увеличиваться за 800 кГц,а у 813 пониже.кажется на 400
 
кстати 910 еще есть )))пара , могу дать
 
Паял на расшивках, так и поставил
IMG_1729.JPG
 
,разве что ток покоя,контролированный на эмиттером резисторе,у 806 начинал увеличиваться за 800 кГц,а у 813 пониже.кажется на 400
горе то какое ...как жить без частот выше 400кгц ?
но накопал всетаки разницу меж них )))
и это не емкость
806 частота до 10мгц , Рк 2вт , Iк 15А , Uбэ 1,5в
813 частота до 5 мгц , Рк 1,5вт, Iк 30А, Uбэ 2в
вроде 813 лучше , но цена оказалась выше и выбор меньше .
подобрал таки квартет 806...даже керамические прокладки нашел под них.
детали все есть , корпуса нет (денег нет на него) , поэтому пауза )))
 
кажись оригинального Линна нашел(хотя могу ошибаться) , пусть тут болтается для памяти
PE_Dec_1967_pg30.jpg
 
Последнее редактирование модератором:
кажись оригинального Линна нашел(хотя могу ошибаться) , пусть тут болтается для памяти
Такая же сыромятина, как и схемы от Цихисели, выложенные для повторения, но без учета всех капканов, понятных знающим и вводящих в ступор начинающих.
 
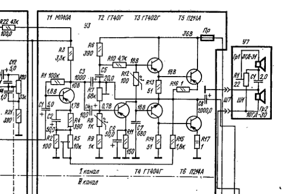
ежели в схеме Аккорда 001 на входе заместо мп40а поставить гт402 , по логике должно меньше шуметь ?
просто есть 402г с усилением аж 200
изображение_2021-07-07_180615.png
 
гт402 на входе точно будет шуметь...
 
Чем тебя МП 21 не устроит , откуль мысли про 402? У него про тишину в паузе никто не клялся.
Ты сперва спаяй, тупо по схеме, а потом улучшай.
 
Если надо больше бету,мп20а,б, мп21д,е
 
Если надо больше бету,мп20а,б, мп21д,е
Я сдуру накупил всякой дряни типа МП42, забыв про нормальные во всех отношениях МП20 и МП 21. А Володя Вильевич, директор Ростэка, куда захожу за деталями, уважает только МП26.
 
П28 попадалсь с бетой за триста
 
.п28 ??? куда ставили ? в приемники прямого усиления ?на какое напряжение расчитан ? куда его такой ставить ?
 

Статистика форума

Темы
3,307
Сообщения
263,589
Пользователи
2,548
Новый пользователь
Александр Н.
Назад
Сверху Снизу