Германиевые УНЧ

Он сразу аккумуляторы разрядит к матери...
 
Он сразу аккумуляторы разрядит к матери...
Юра, мечта того стоит. )))) К тому же со снижением питания ток покоя падает так же. И глядишь, от батарейки слушать Ашник- уже реальность

А сейчас -АХТУНГ. После долгих поисков нужных крохотных динамичков для МП3-балалайки я их нашел, да какие. Супер суперский. И их там МНОГО. АЖ по 100р.
Сейчас слушаю встроенные в эту балалайку динамики- не верю своему счастью. Хаендовский звук, ровный и спокойный. Скоро покажу фото этого чуда.
 

Вложения

  • IMG_20210612_204305.jpg
    IMG_20210612_204305.jpg
    297.3 KB · Просмотры: 399
  • IMG_20210612_204316_1.jpg
    IMG_20210612_204316_1.jpg
    319.7 KB · Просмотры: 389
Последнее редактирование:
Вифа делает такие динамики, недорогие. И кто-то еще из нераскрученных, надо вспомнить.
 
По виду, это из носимых" аудио- батонов колбасы" от фирмы JBL . Там пара таких посредине и два пассивника в торцах. Либо для плоских телеков.
 
Вообще, маленьких ШП достаточно много на рынке, выбор есть.
 
Святослав, схема интересная, и режим АВ, что я и делаю(кроме А...)
 
Святослав, схема интересная, и режим АВ, что я и делаю(кроме А...)
Для двухатктного германиевого усилителя "чистый" класс А меньше всего и требуется.

"Троян" с акустикой надо согласовывать - Rout высокое.
Акустика непременно отблагодарит за эти усилия.
 
Для двухатктного германиевого усилителя "чистый" класс А меньше всего и требуется.

"Троян" с акустикой надо согласовывать - Rout высокое.
Акустика непременно отблагодарит за эти усилия.
Да, верно. ООС работает в пределах выходного каскада, усиление которого до введения оос невелико, отсюда и высокое выходное.
Когда перебирал схемками подобного выходного каскада, было желание упростить цепь оос , заменив два заземленных эмиттерных резистора в предвыходных транзисторах-одним.
(Было желание сочинить на операционнике и усиливающаем выходном каскаде несложную схему. Получилось сразу и без возни. Есть в архиве. )
И обнаружил, что усиление выходного каскада рухнуло до единицы. Заземлил среднюю точку этих резисторов- оно уже 2. У вас некий компромиссный Т-образный вариант.
 

Вложения

  • IMG_20201206_234040.jpg
    IMG_20201206_234040.jpg
    380.1 KB · Просмотры: 396
  • IMG_20201207_134523.jpg
    IMG_20201207_134523.jpg
    333.8 KB · Просмотры: 381
  • IMG_20201207_134910  финал от 7 12 2020.jpg
    IMG_20201207_134910 финал от 7 12 2020.jpg
    326.7 KB · Просмотры: 394
Последнее редактирование:
Rout "ламповое, клиппинг мягкий.

Т-образные цепи хороши тем, что их можно перенастраивать, При желании, или при замене транзисторов на другие типы.
При той же печатной плате.
 
Вчера уже прочитал в журнале, а сегодня увидел поздравления. Присоединяюсь к поздравлениям и очень приятно читать Ваши заметки.
 
по публикации схемы Худа в салоне АВ .

п605 это понятно , самый музыкальный транзистор ...но усиления обычно не выше 100
но вот есть п608а и п 609а с усилением под 200...
смотрел даташиты и что то вообще не понял в чем у серии 605-609 разница..
в данную схему как понимаю их можно ставить без проблем ? как вообще любую 6хх серию? лишь бы усиление повыше и парные ?
 
П601-П609, только выбирать по усилению

Самый музыкальный, это П601И-ВП
 
по публикации схемы Худа в салоне АВ .

п605 это понятно , самый музыкальный транзистор ...но усиления обычно не выше 100
но вот есть п608а и п 609а с усилением под 200...
у П608А-90мГц, у П609А-120 мГц других различий нет по справочнику.
 
п605 это понятно , самый музыкальный транзистор ...но усиления обычно не выше 100
но вот есть п608а и п 609а с усилением под 200...
смотрел даташиты и что то вообще не понял в чем у серии 605-609 разница..
С ростом номера серии конверсионных германиевых П60... падает предельный ток и мощность, но растёт максимальная рабочая частота.
 
Последнее редактирование:
насколько критична замена гт 806 на гт813 ?вроде более мощные
 
Судите сами, прикрепил графики по некоторым предельным режимам, совместив их на одном листе.
(Справочник Горюнова.)
Кстати, ГТ813 ещё не встречал, обычно они фигурируют как 1Т813.
Восемьсот шестые попадаются как ГТ806, так и 1Т806.

Предельные напряжения коллекто-эмиттер у ГТ806Г (1Т806Г) 50 В, что может быть критично, у 1Т813А этот показатель в два раза больше. Все остальные буквы более высоковольтные.
1Т813 более токовые, наверняка имеют ёмкости переходов побольше. чему 806-х. Что тоже может быть критично.
 

Вложения

  • 1Т806_1Т813_ макс. реж.jpg
    1Т806_1Т813_ макс. реж.jpg
    555.8 KB · Просмотры: 233
Он не ВЧ, Fт=200-250 кгц, напр. к-э мах=40в, ток коллект 6а
В классической схеме германия - в самый раз

Частота в схеме ОЭ равна Fт/бета, Fт-частота в схеме ОБ

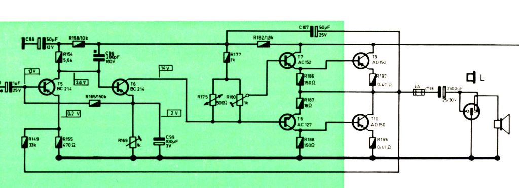
Роял де люкс
hfe_uher_royal_de_luxe_9500_10000.jpg

Питание -27в в схеме
AD150, ASZ1015 близкий

Можно от ВКН, Веневцев Константин Николаевич
DSC00186.jpg

Я бы сделал по схеме Корвет-стерео, заменил П214 на ASZ1015, и все
IMG_1397.jpg
 
Последнее редактирование модератором:
Замена слишком низкочастона.
ASZ1015(1018)
 
А я другу П215ВП с частотой ОЭ 7кц, отбирал, и заменил на них П214 еще в начале 80-х в Корвете, и ему ничего и не надо... А он музыкант-профи, о чем то говорит?

Подбор транзисторов
 

Вложения

  • О подборе транзисторов высококачественных УНЧ.jpg
    О подборе транзисторов высококачественных УНЧ.jpg
    560.4 KB · Просмотры: 348
А я другу П215ВП с частотой ОЭ 7кц, отбирал, и заменил на них П214 еще в начале 80-х в Корвете, и ему ничего и не надо... А он музыкант-профи, о чем то говорит?
Эта замена вполне кооректна. Они близки по параметрам.
Прямая замена среднечастотного на низкочастотный чревата неустойчивостью и самовозбуждением.
 
Святослав, у меня ничего не возбуждается, научился с 1979г всему...
П214 частота ОЭ порядка 3кгц, П215 4кгц, подбирал 7кгц
ASZ1015 порядка 12-15кгц
 
Юр, там кроме устойчивости имеет важность рост тока покоя с частотой. И ежли для 1т806 этот рост за Мегагерц, для 1Т813 до 800 кГЦ, то для всяких П 213 -215 уже на 10- 15 кгц взлетит за небеса.
 
Просто ограничиваю рост тока с увеличением частоты, и всё.
 

Статистика форума

Темы
3,307
Сообщения
263,634
Пользователи
2,548
Новый пользователь
Александр Н.
Назад
Сверху Снизу