Катушка Тесла-Мишина. Работающая схема от АБ

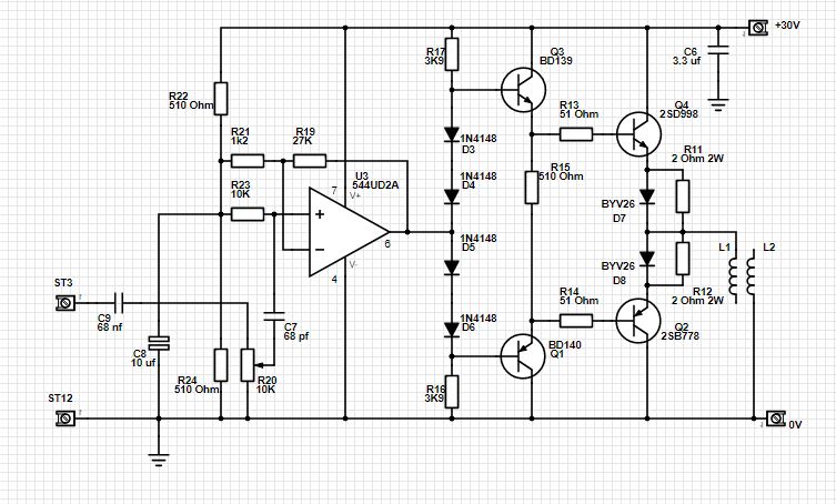
КР544УД2 с замкнутой коррекцией тянет до 400 кГц полную амплитуду, с разомкнутой коррекцией и усилением 20 тянет до 600 кГц
Я уже не помню деталей, но мои КР544УД2 (на корпусе крупно - УД2) работали (попробовал в панельке 3 или 4 штуки, первые попавшиеся) ровно и с максимальным уровнем до 400 кГц (крутил частоту на задающем генераторе), то есть с достаточным запасом поскольку рабочая частота 300 кГц.
И мне гораздо больше нравятся КР544УД2, а НЕ К544УД2. В пластике НАМНОГО удобнее и практичнее.
"Железный" впаивается практически насмерть, выпаять его сложно, надо выкусывать. Пластик же в панельке лёгким движением руки вынимаю и ставлю другой.
Так и было, где-то я накосячил при сборке-настройке и стал подозревать ОУ.
Вуаля - заменил один пластик другим и понял, что дело было не в бобине, нашёл настоящую неисправность.
Если было бы "в золоте", то пришло бы или курочить плату или резать ноги мелкосхеме, чтобы потом паять её с матюками взад.
Сейчас знаю: даже если сгорит, я выругаюсь и за несколько минут без паяльника поставлю другую.
ДЛЯ ДАННОЙ ЦЕЛИ - КР544УД2 лучше и оптимальнее других микросхем. Зачем здесь 600 или 1000 кГц?? Они не будут востребованы.
Зачем здесь сверхмалошумность или стотысячные доли искажений? Они не нужны.
А что нужно? А нужны:
1) достаточная амплитуда (она есть и у меня максимальный ток в катушке почти 1 А - это с запасом, больше - не надо),
2) полоса 300 кГц с небольшим запасом на случай разных катушек ( и это есть, я сделал на память регулировку примерно 270...350 кГц , больше и не нужно).
3) Доступность. На мой взгляд достать (купить) её просто и в пластике - дёшево. Дело не в деньгах, а в удобстве.
4) Повышенное напряжение питания для получания максимальной амплитуды, а как цель - ток в катушке 1 Ампер (это опять-таки с запасом, но как учили меня старшие товарищи в бытность мою лаборантом: запас в жопу не е.ёт). И почти у всех ширпотребовских микросхем питание +-15 В, предельное +-18 В. У микросхемы в топике выше - всё хорошо и прекрасно, но предельный режим +-19 В - больше, но не на много. Вот если бы было +-24 В - это был бы аргумент.
В моём аппарате (схема Бокарёва, за что ещё раз спасибо), однополярное питание 34 В, это соответствует +-17 В. Почему так? КР544УД2 - НЕ rail-to-rail и сигнал частотой 300 кГц на нагрузке поменьше питания (не забываем, что выходной мощный усилитель-повторитель имеет коэфф. передачи менее 1 т. е. ослабляет напряжение).
Вот поэтому Я сделал 34 В питания, ну тупо из прынцыпа хотел 1 А (получил 0,9 с лишним, точно не помню, вроде 0,96), это почти на грани фола +-18 В.
Я не понимаю горячей дискуссии - "а чем бы нам заменить КР544УД2". ЗАЧЕМ? Зачем искать дефицитные и дорогие мелкосхемы когда простая и дешёвая выполняет задачу на 100% ?
Единственное что желательно - то же, но с перламутровыми пуговицами с питанием +-24 В.
Вместо того чтобы дело делать, опять псевдонаучные схоластические споры. Оптимум уже есть, Бокарёв его нашёл опытным путём, у других повторителей вроде меня, всё получилось. Не вижу смысла в попытках сделать лучшЕе.
В теме 37 страниц. Лучше бы 37 человек сделали каждый по одному прибору и сказали бы автору схемы "спасибо".
Лучше бы вместо схоластики предложили свои варианты конструктива - печатные платы и т. п.
Свою предлагать не хочу - я делал несколькими блоками, не всё учёл сразу, например, подсветку для стрелочного индикатора. И мой вариант еле-еле-еле влез в корпус компьютерного блока питания.
Делая второй вариант, я бы мог уменьшить платы, но заниматься этим не хочется раз всё работает и занимает место на прикроватной тумбочке - удобно перед сном что-то полечить или отпрофилактировать (домашний профилакторий).
 
Я уже не помню деталей, но мои КР544УД2 (на корпусе крупно - УД2) работали (попробовал в панельке 3 или 4 штуки, первые попавшиеся) ровно и с максимальным уровнем до 400 кГц (крутил частоту на задающем генераторе), то есть с достаточным запасом поскольку рабочая частота 300 кГц.
И мне гораздо больше нравятся КР544УД2, а НЕ К544УД2. В пластике НАМНОГО удобнее и практичнее.
"Железный" впаивается практически насмерть, выпаять его сложно, надо выкусывать. Пластик же в панельке лёгким движением руки вынимаю и ставлю другой.
Так и было, где-то я накосячил при сборке-настройке и стал подозревать ОУ.
Вуаля - заменил один пластик другим и понял, что дело было не в бобине, нашёл настоящую неисправность.
Если было бы "в золоте", то пришло бы или курочить плату или резать ноги мелкосхеме, чтобы потом паять её с матюками взад.
Сейчас знаю: даже если сгорит, я выругаюсь и за несколько минут без паяльника поставлю другую.
ДЛЯ ДАННОЙ ЦЕЛИ - КР544УД2 лучше и оптимальнее других микросхем. Зачем здесь 600 или 1000 кГц?? Они не будут востребованы.
Зачем здесь сверхмалошумность или стотысячные доли искажений? Они не нужны.
А что нужно? А нужны:
1) достаточная амплитуда (она есть и у меня максимальный ток в катушке почти 1 А - это с запасом, больше - не надо),
2) полоса 300 кГц с небольшим запасом на случай разных катушек ( и это есть, я сделал на память регулировку примерно 270...350 кГц , больше и не нужно).
3) Доступность. На мой взгляд достать (купить) её просто и в пластике - дёшево. Дело не в деньгах, а в удобстве.
4) Повышенное напряжение питания для получания максимальной амплитуды, а как цель - ток в катушке 1 Ампер (это опять-таки с запасом, но как учили меня старшие товарищи в бытность мою лаборантом: запас в жопу не е.ёт). И почти у всех ширпотребовских микросхем питание +-15 В, предельное +-18 В. У микросхемы в топике выше - всё хорошо и прекрасно, но предельный режим +-19 В - больше, но не на много. Вот если бы было +-24 В - это был бы аргумент.
В моём аппарате (схема Бокарёва, за что ещё раз спасибо), однополярное питание 34 В, это соответствует +-17 В. Почему так? КР544УД2 - НЕ rail-to-rail и сигнал частотой 300 кГц на нагрузке поменьше питания (не забываем, что выходной мощный усилитель-повторитель имеет коэфф. передачи менее 1 т. е. ослабляет напряжение).
Вот поэтому Я сделал 34 В питания, ну тупо из прынцыпа хотел 1 А (получил 0,9 с лишним, точно не помню, вроде 0,96), это почти на грани фола +-18 В.
Я не понимаю горячей дискуссии - "а чем бы нам заменить КР544УД2". ЗАЧЕМ? Зачем искать дефицитные и дорогие мелкосхемы когда простая и дешёвая выполняет задачу на 100% ?
Единственное что желательно - то же, но с перламутровыми пуговицами с питанием +-24 В.
Вместо того чтобы дело делать, опять псевдонаучные схоластические споры. Оптимум уже есть, Бокарёв его нашёл опытным путём, у других повторителей вроде меня, всё получилось. Не вижу смысла в попытках сделать лучшЕе.
В теме 37 страниц. Лучше бы 37 человек сделали каждый по одному прибору и сказали бы автору схемы "спасибо".
Лучше бы вместо схоластики предложили свои варианты конструктива - печатные платы и т. п.
Свою предлагать не хочу - я делал несколькими блоками, не всё учёл сразу, например, подсветку для стрелочного индикатора. И мой вариант еле-еле-еле влез в корпус компьютерного блока питания.
Делая второй вариант, я бы мог уменьшить платы, но заниматься этим не хочется раз всё работает и занимает место на прикроватной тумбочке - удобно перед сном что-то полечить или отпрофилактировать (домашний профилакторий).
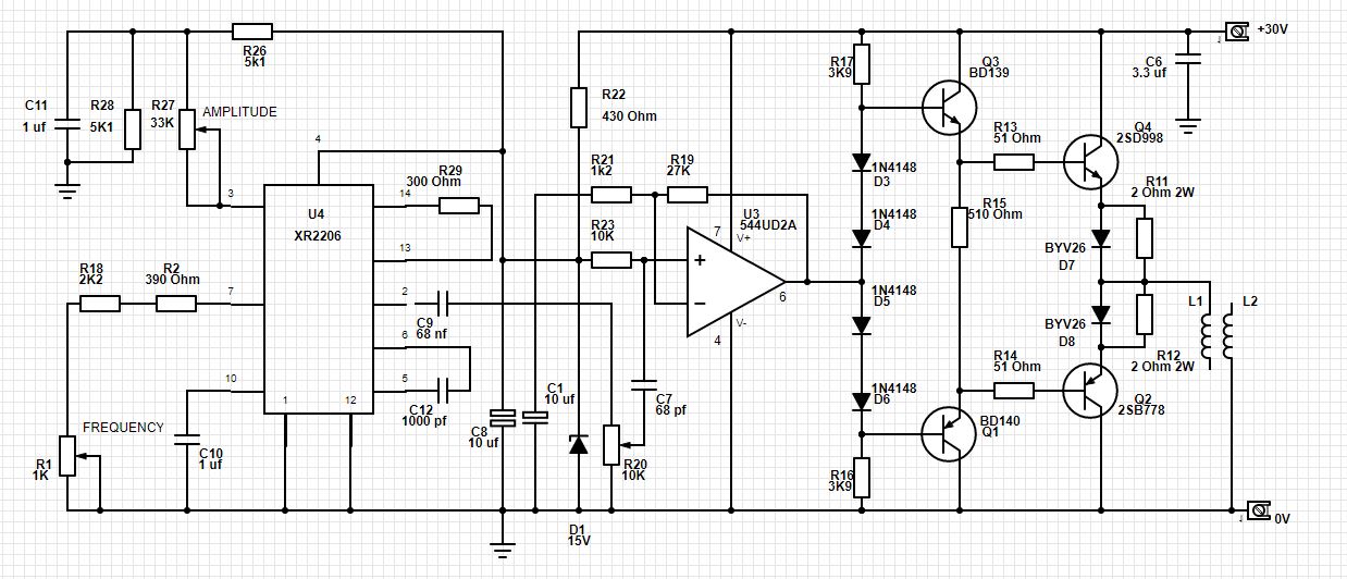
УВ.KSV , вся движуха по микросхемам была для Саши из Канады, там нет наших544-х, а делать надо.
 
Г3-112 , там такие. а 313 были в лаборатории, ставили их парой к КТ608. Хорошие триоды.
111й был у нас, он до Мегагерца тянет. 112-й до 10 Мгц.
Обидно стало за Г3-111, "тянет" он до 2 МГц. На осцилле развертка 0,1 мкс деление,
1/0,5 мкс= 2 МГц

1672250851523.png
 
Последнее редактирование:
Вместо того чтобы дело делать, опять псевдонаучные схоластические споры. Оптимум уже есть, Бокарёв его нашёл опытным путём, у других повторителей вроде меня, всё получилось. Не вижу смысла в попытках сделать лучшЕе.
В теме 37 страниц. Лучше бы 37 человек сделали каждый по одному прибору и сказали бы автору схемы "спасибо".
Лучше бы вместо схоластики предложили свои варианты конструктива - печатные платы и т. п.
Делать плату имеет смысл только при массовом производстве, а в единичном экземпляре, для себя, на макетке, эта схемка паяется за пару часов.
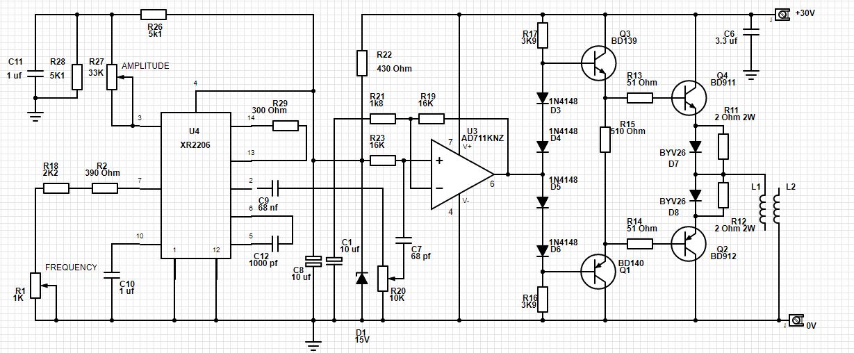
А по поводу ОУ, Саша правильно написал, если у меня есть AD711, купленные в Канаде по 26 центов за штуку, зачем мне искать-покупать 544УД2?
Мне вообще не понятен смысл вашего опуса на по-страницы, не несущего большой смысловой нагрузки, всё написанное вами было известно и до вас. Набиваете рейтинг на форуме большим количеством бессмысленных сообщений, повышаете ЧСВ?
 
Последнее редактирование:
Мне вообще не понятен смысл вашего опуса на по-страницы
Зря вы так. На форуме Каждый имеет право на своё мнение.
не несущего большой смысловой нагрузки, всё написанное вами было известно и до вас
Сергей ни когда не участвует в темах где Бла...Бла...Бла.. в отличии от многих здесь присутствующих.
Касательно 544уд2. Откуда всем знать, что Александр проживает в Канаде. Вот если бы он написал в Канаде нет комплектующих СССР помогите подобрать аналог. Тогда да.
 
Касательно 544уд2. Откуда всем знать, что Александр проживает в Канаде. Вот если бы он написал в Канаде нет комплектующих СССР помогите подобрать аналог. Тогда да.
Когда идёт обсуждение конкретной схемы и замены элементов на ней на соответствующие аналоги, какая разница кому и для чего это нужно. Тем более писать менторским тоном кому и что делать.
 
у железного или золотого , формуются ноги ,обрезается лишнее и с той же легкостью вставляется в панельку .учитывая что золотой опер у нас стоит 250 , а обрезанные ноги берут за 100р ...весьма все удобно )))
Это немало лишних телодвижений, да ещё надо учесть, что цоколёвка ОУ в железе и в пластике, обычно немного разная, многие в это влипали.
Стоимость золотых обычно в разы больше чем у пластика.
Поэтому если в своё время посчастливилось сприхватизировать мешок золотых и они лежат без дела - это одно. Но ведь читая переписку желающие собрать эту схему, думают что золото всяко лучше пластика и будут гоняться за ним, поэтому я и написал, что смысла в этом нет.
Относительно лёгкости процесса "входит и выходит, замечательно выходит" в панельку, для меня это не совсем так. Выводы близко друг к другу, сильно надо их гнуть, если микросхема не новая и выводы уже у армян. ещё сложнее. В цанговую панельку их надо пинцетом вставлять, а в обычной панельке микросхемы будут держаться так себе.
Знаю, что аудиофилы не любят панельки - "они звук портят". Но мне панельки удобнее, особенно когда конструкция новая, может требоваться подстройка или замена.
Энтузазизм у меня давно весь вышел, поэтому не стремлюсь к наилучшему, стараюсь делать проще.
 
Сань, лови.
Если где нахомутал или что добавить надо, маякни, переделаю.
Capture1.JPG
 
Последнее редактирование:
Capture.JPG
 
Последнее редактирование:
Поправил, и заменил ту, что была до этого.
зенер крутани минусом вверх. А еще предложи народу питание +30, взятое от переменки 12 вольт. Там просто и работает. С тем же успехом выпрямляем мостом 4 накальные обмотки по 6, 3 в от любого накальничка ТН.
 
R21 через ёмкость на землю.
 
Поправил. Только с R21 не понял, где урезать, и что ушить :)
Редактор у DigiKey просто вынос мозга. При том, что я не первый день с инженерной графикой работаю
Понял, о чем Саша Резвой поведал. Он советует оторвать левый вывод R21 от средней точки питания и через емкость скажем 0,1мкф притянуть к общей земле. так будет более устойчиво по постоянке для микросхемы. А мне - так лишняя деталь, жаба душит.
Просто, как-то сделал именно так, все работает без проблем и оставил насовсем.
 
R21 Оторвать от R22 и через отдельную ёмкость 10мкФ на землю. Можно сразу этого не делать, оставить как есть. Просто было в производстве несколько раз - возникал непонятный субнизкочастотный дрейф - приходилось отрывать инверсный вход от постоянки. Зависит от опера но 544УД этим не страдают. Если что-то будет не так - знаешь что сделать.
 
R21 Оторвать от R22 и через отдельную ёмкость 10мкФ на землю. Можно сразу этого не делать, оставить как есть. Просто было в производстве несколько раз - возникал непонятный субнизкочастотный дрейф - приходилось отрывать инверсный вход от постоянки. Зависит от опера но 544УД этим не страдают. Если что-то будет не так - знаешь что сделать.
Саша, 10МКФ это запредельно, частота-300 килогерц. Там 1000 пик хватит.
Совет хороший, пригодится. Спасибо! Сам понимаю, что в таком включении сдвиг на входе усиливается в К раз , усиление по постоянке такое же что и по переменке. А в твоем решении К =1 .Сдвиг мизер.
 
Да, 1000 пик достаточно будет. Вообще любой, что под руку попадётся.
А я и ставлю те. которых больше в тумбочке.
Ещё забавно слушать работающую катушку в приемнике СВ диапазона или поднести ее к экрану телевизора
 
Теперь когда разобрались :) вариант с AD711, замены в обвязке операционника и выходные транзисторы другие
Capture1.JPG
 
ну тогда завтра и начну. Все потроха сегодня пришли.
Класс. А я именно такой радиатор как на фото закрепил на плату парой резьбовых стоек. Радиатор горизонтально, не торчмя.Хотя правильнее будет вертикально. Питание 30в, ток поболее. Но даже и так, нагрев до 60 им не страшен. Схема стабильна, грел феном до невозможности дотронуться рукой, ток покоя как вкопанный.
Начни с питания, потом выходной каскад с опером, но опер в сокету не ставь, убедись, что на выходе мощника точно половина питания. Можно глянуть ток покоя мощника, там миллиампер 100-150 может быть. Потом опер вставить и убедиться, что на выходе снова полпитания и не уехала никуда. Глянуть на выходе скопом, нет ли генерации дурной. А уже потом подсоединять генератор.
Когда все соберешь, пойдет сигнал, выкручивай ручку Амплитуда на полную, а подстроечником на входе опера выставь неискаженный синус .
 
Последнее редактирование:
Я этот радиатор пополам собрался пилить. С прокладками туго, и чего-то сыкотно :)
Черный под стабилизатор питания
 
Я этот радиатор пополам собрался пилить. С прокладками туго, и чего-то сыкотно :)
Черный под стабилизатор питания
Забыл, что у тебя транзисторы с железом наружу. Проще пару пластин люминя 6 на9 прикрутить на транзисторы, толщина 1.5мм . Можно на краях пластин сделать выросты, потом загнуть их в стороны, для фиксации.
 
Я площадь посчитал, если черный радиатор надвое распустить, то там как раз 50 кв см и получится.
Белый можно не тревожить :)
 
Я площадь посчитал, если черный радиатор надвое распустить, то там как раз 50 кв см и получится.
Белый можно не тревожить :)
Белый на стаб , черный на выход.
 
стаб сильно греется? А то у меня есть такой-же радиатор, только 2/3 в ширину.
Стаб- умножим перепад вход-выход -5 вольт - на ток, пусть 1 ампер. 5 ватт, да 15 см квадратных на ватт, 75 см квадратных. 6 на 9 - это 100 квадратов с запасищем.
Радиатор- громко сказано. Почтовая марка и та больше.
Фишка схемы в малом токе покоя, в отличие от параллельника. Вот он- греется, да.
 
Стаб- умножим перепад вход-выход -5 вольт - на ток, пусть 1 ампер. 5 ватт, да 15 см квадратных на ватт, 75 см квадратных. 6 на 9 - это 100 квадратов с запасищем.
Радиатор- громко сказано. Почтовая марка и та больше.
Фишка схемы в малом токе покоя, в отличие от параллельника. Вот он- греется, да.
Приветствую! Возвращаюсь к вопросу заказа. Как у вас дела?
 

Последние сообщения

Статистика форума

Темы
3,303
Сообщения
262,920
Пользователи
2,544
Новый пользователь
vlad'mir
Назад
Сверху Снизу