Конденсаторы для аудио из СССР

  • Автор темы Автор темы LDS
  • Дата начала Дата начала
МБГО в катоде интереснее КЭГ или ЭГЦ , ваше мнение? Благодарю за помощь!
Звісно, МБГО в катод краще, причому цілком певної, оптимальної ємності.
Приклад тут:
 
Звісно, МБГО в катод краще, причому цілком певної, оптимальної ємності.
Приклад тут:
я хочу лофтин уайт сделать на 6н8 и 6п6, кстати. Как можно оценить данную идею, Святослав?
Спасибо за работу, понравилось!
 
я хочу лофтин уайт сделать на 6н8 и 6п6, кстати. Как можно оценить данную идею, Святослав?
У всякої ідеї є плюси і мінуси. Було б добре глянути на вибрану схему, яку варто розмістити у відповідній темі.
 
Скажите как в качестве емкостей в блок питания унч будут ВЗР ЭГЦ?
 
ВЗР - воронежский завод радиодеталей
ЭГЦ - электролитический герметизированный цилиндрический
Так интересует поведение ВЗР или ЭГЦ?
Если нет утечки и есть емкость в пределах допуска, то прекрасно.
 
1969г
 

Вложения

  • IMG_1995.jpg
    IMG_1995.jpg
    183.2 KB · Просмотры: 115
  • IMG_1996.jpg
    IMG_1996.jpg
    184 KB · Просмотры: 124
Когда в отделе в приборе взорвался электролит к50-3 , донышко выстрелило в потолок, а шматье от начинки разлетелось по комнате, то представить страшно, что будет от применения ЭГЦ-шек, случись авария.
Импортные литы сделаны так, чтобы при аварии пшикнуть паром через разрезы на донышке либо выплюнуть резиновую пробку , на этом ужасы заканчиваются. ну, вытечет ложка рассола, и все.
Но как рвутся наши к50-3 в телеках 3УСЦТ, видел не раз. Весь телек в серпантине.
ПС. Вдогонку, немного в тему. На море увидел выброшенный импульсник с приличными данными, 24 вольта, 4 Ампера. Дома вскрыл, банка сетевая 82мк 400в вздутая , думал этим обошлось. Дальше- вздутый термистор, обрыв в предохранителе, ключ мощный накоротко весь. Видать, круто скакнуло по сети, выпалило в хлам.
 
Последнее редактирование:
А, что это за параметр "V loss" электролита - это о чём!?
Screenshot_2024-07-18-05-44-09-005_ru.yandex.searchplugin.jpg
 
Эти конденсаторы на снимке формовать надо, а потом уже измерять - ну откуда 140 миллиом у такой банки? Разве что на частоте 50 Гц - скорее всего переключили измеритель емкости в режим измерения сопротивления (Е7-14 это позволяет, частота 100 Гц, правда, ну, ESR добавилось).
Да и значения емкости указывают на утечку.
 
Году в 1982 шеф привез нам ящик таких конденсаторов, к50-18 на 33000 25 в и 22000 на 50 вольт. После привычных 4000 на 25 вольт эти банки смотрелись ,как высадка инопланетян. Занимали половину подвала, зато не было такого понятия, как фон от питания.
 
А, что это за параметр "V loss" электролита - это о чём!?
Подразумевается уровень утечки конденсатора в процентах.

После привычных 4000 на 25 вольт эти банки смотрелись ,как высадка инопланетян. Занимали половину подвала, зато не было такого понятия, как фон от питания.
Дядь Саш, а если меняем в БП транзюкового уся 4700 на на 10000 или 12000мкф напряжение сильно скаканёт?
 
А, что это за параметр "V loss" электролита - это о чём!?
Когда-то тоже озадачился. Тут подробно http://go-radio.ru/universalniy-tester-radiokomponentov.html:
"При проверкеконденсаторов, кроме ёмкости и ESR, универсальный тестер показывает ещё такой параметр, как Vloss. Что же он означает? К сожалению, точного и конкретного обоснования этого термина я не нашёл. Но, судя по всему, он косвенно указывает на уровень утечки конденсатора. Как известно, реальный конденсатор имеет сопротивление диэлектрика между обкладками. Благодаря этому сопротивлению конденсатор медленно разряжается из-за, так называемого, тока утечки.
Так вот, при заряде конденсатора коротким импульсом тока, напряжение на его обкладках достигает определённого уровня. Но, как только заряд конденсатора прекращается, напряжение на заряженном конденсаторе падает на очень небольшую величину. Разность между максимальным напряжением на конденсаторе и тем, что наблюдается после завершения заряда и выражают как Vloss. Чтобы было удобней, Vloss выражают в процентах.
Падение напряжения на обкладках конденсатора объясняют как внутренним рассеиванием заряда, так и сопротивлением между обкладками, которое имеется у всех конденсаторов, так как любой диэлектрик имеет, пусть и большое, но сопротивление.
Для керамических и электролитических конденсаторов високий показатель Vloss в несколько процентов свидетельствует о плохом качестве конденсатора."

Ещё: https://www.rlocman.ru/forum/showthread.php?t=24061, https://elwo.ru/publ/skhemy_izmeritelnykh_priborov/obzor_kitajskogo_testera_radiodetalej/17-1-0-986
 
Подразумевается уровень утечки конденсатора в процентах.


Дядь Саш, а если меняем в БП транзюкового уся 4700 на на 10000 или 12000мкф напряжение сильно скаканёт?
не скаканет , на долю вольта вырастет из-за уменьшенного проседания между зарядами банки
 
не скаканет , на долю вольта вырастет из-за уменьшенного проседания между зарядами банки
Чутка позже опубликую схему уся Diatone DA-U12 под восстановление, потребуется помощь, отсюда и вопросы, хочу восстановить этот ретро усь.
 
Конденсаторы никакие, вот замер китайского первого попавшегося под руку.
Посмотреть вложение 104546
Как-то взял кучу всяких электролитов, пошел к знакомому , у которого крутой прибор измеритель емкости. И оказалось, что весь базарный ассортимент электролитов на 100Гц еще конденсаторы. а выше портятся быстрее колбасы. Чуть получше всякие ничиконы и блек гейтсы.

Чутка позже опубликую схему уся Diatone DA-U12 под восстановление, потребуется помощь, отсюда и вопросы, хочу восстановить этот ретро усь.
Амплитуду пульсаций гляньте на банках, все станет ясно с ними.
 
Замерил всё ровно 5500мкф но давно без работы лежат.
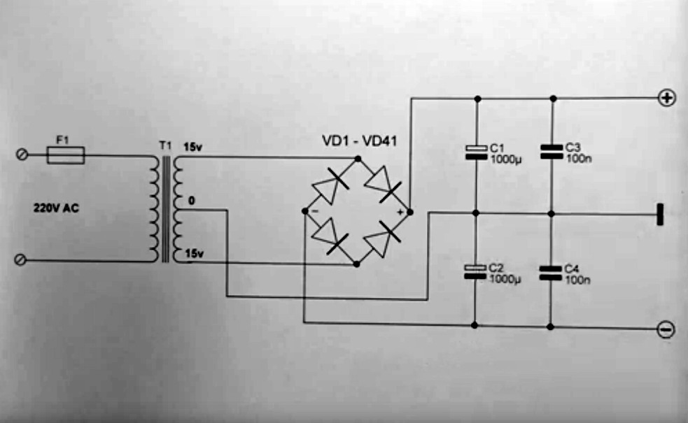
Мне не понятно как его развести в двух-полярное.
 
Отлично. Нагрузить резисторами, потренировать и всё будет гуд. По двуполярке куча схем, там всё понятно куда-что подключать..
 
"Е" на общий, а плюс-минус должно быть понятно куда - соответственно к выходным плюсу и минусу моста.
 
Нашёл схему посмотрел и прозвонил конденсатор дуал по ножкам, всё сходится.
2-х полярное питание3.jpg
 
Эти конденсаторы на снимке формовать надо, а потом уже измерять - ну откуда 140 миллиом у такой банки? Разве что на частоте 50 Гц - скорее всего переключили измеритель емкости в режим измерения сопротивления (Е7-14 это позволяет, частота 100 Гц, правда, ну, ESR добавилось).
Да и значения емкости указывают на утечку.
Наверное, измеряли китайским тестером Т4 или подобным. У меня есть конденсаторы в немного меньшем по размеру корпусе, 4700 мкФ 250 вольт, у них четырёхпроводным методом намерил 15-17 миллиом на 50 КГц
 
Кто нибудь пробовал МПГО с рабочим 160 вольт при 250 постоянки?
 
Не рекомендую пробовать. Даже два таких соединенных последовательно, с выравнивающими резисторами. Правилом хорошего инженерного тона использовать детали не выше 70% нагрузки по одному из параметров. При этом по остальным параметрам должно быть не выше 40-50%.
 
Думал полистирол более стоек чем бумага.
 
К40У-9 бумага-масло, что у них 210-220 вольт, и наплевать что 200 вольт лет 20
 
Паспортные данные на радиодетали пишутся в основном, что с вероятностью 0,95 все детали группы не выйдут из строя при данном параметре. В реальности же, например транзистор, по справочнику 100В допустимое напряжение перехода, а выдерживает 140В конкретно этот экземпляр. Но проблема в том, что полупроводник легче проверить на напряжение пробоя, чем конденсатор. Но можно проверить например так, Подать на конденсатор постоянное напряжение 250В через резистор для ограничения тока при возможном пробое (чтобы не взорвался) и продержать под напряжением некоторое время (1час - 1 сутки), потом добавить напряжение на двойную амплитуду предполагаемого сигнала (пик-пик), допустим 300В суммарно, и продержать еще такое же время. Если останется жив то хорошо. Но это уже двойная перегрузка;)
 
Редкие конденсаторы так не протестируешь, жалко)
 

Статистика форума

Темы
3,306
Сообщения
263,403
Пользователи
2,548
Новый пользователь
Александр Н.
Назад
Сверху Снизу