Нужна помощь в подборе кроссовера на 2х полосную систему

Намерял я тут сегодня , оранж 60 см от колонки микрофон по центру, синий 20 см от фронта
 

Вложения

  • photo_5415783877579577050_y.jpg
    photo_5415783877579577050_y.jpg
    179.3 KB · Просмотры: 13
  • photo_5415783877579577049_y.jpg
    photo_5415783877579577049_y.jpg
    190.6 KB · Просмотры: 13
Это при условии . что мидбас включен напрямую, вч через фильтр
 
А мне вот интересно... Какую цель преследуют включая пищалку в диагональ моста?
image.jpg

Вижу не в первый раз такое включение.
 
И откуда картинка? Все нерезко, ничего не видно...
С прошлой страницы. Иногда полезно немного назад прогуляться.
#90Последний на старнице. Если бы я не увидел её - спрашивать бы не стал.
Я вырезал и чуть увеличил. Та картинка без воздействий на неё.
image.jpg
 
Последнее редактирование:
А мне вот интересно... Какую цель преследуют включая пищалку в диагональ моста?
Посмотреть вложение 182496
Вижу не в первый раз такое включение.
Эта схема не что иное, как фазовращатель, который "имитирует" геометрическое разнесение излучателей по глубине для лучшего согласования по фазе. Чтобы получить фазокогерентную АС.
 
Последнее редактирование:
Намерял я тут сегодня , оранж 60 см от колонки микрофон по центру, синий 20 см от фронта
Как же так? Вроде купили хороший микрофон, а что измеряете....? Вы хоть сами понимаете, что выкладываете? Это что, колебания годовой температуры на Марсе?
 
Так то я в комнате измеряю а не в акустической лаборатории
 
Сейчас за пояю фильтр на место и ёщё замеряю, так понял при замере на о микрофон стоит вертикально. при калибровке 90 микрофон стоит горизонтально, раздница есть ощутимая при вертикальном расположении измерения большие в комнату, при направленном горизонтальном меряем динамики
 
Так то я в комнате измеряю а не в акустической лаборатории
Я думаю, что и в акустической лаборатории у вас тоже самое намереется. Сюда то вы для чего это вот "никому непонятное нечто" выкладываете? Что вам кто-то объяснил, что это такое? Или вы сами понимаете, что это? Тогда объясните народу. Народ хочет разобраться. Любопытно ведь...
 
Сейчас за пояю фильтр на место и ёщё замеряю, так понял при замере на о микрофон стоит вертикально. при калибровке 90 микрофон стоит горизонтально, раздница есть ощутимая при вертикальном расположении измерения большие в комнату, при направленном горизонтальном меряем динамики
Похоже тут действительно только наш Распони из Турина вас сможет понять...smile_13_frendz_kefir
 
Я думаю, что и в акустической лаборатории у вас тоже самое намереется. Сюда то вы для чего это вот "никому непонятное нечто" выкладываете? Что вам кто-то объяснил, что это такое? Или вы сами понимаете, что это? Тогда объясните народу. Народ хочет разобраться. Любопытно ведь...
Так думаете я так нечего делать этим занялся , Мне тоже очень интерестно
 
Так думаете я так нечего делать этим занялся , Мне тоже очень интерестно
Тут на форуме либо помощи спрашивают, либо делятся богатым опытом. Ну или просто попиз...еть заходят. Ваши сообщения к какой категории относить?
 
Похоже тут действительно только наш Распони из Турина вас сможет понять...smile_13_frendz_kefir
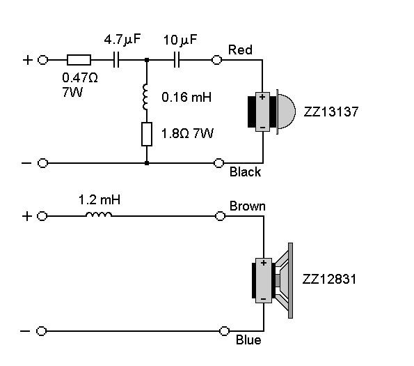
Распоний из Турина решает обратную задачу: незаметно для владельцев пытается разрисовать схему фильтров АС Emotiva Airmotiv B1± . Схему зарисовал по плате, а номиналы индуктивностей – хрен нанэ – надо незаметно отпаивать один провод, но могут застукать и паяльника нет.
 
Последнее редактирование:
Троэлс?.. Динамики ровные как в саге о космических полётах )))
И, зараза, не опустил ФИ по частоте куда следует: зубчик перед срезом = плохая ПХ, заметный гул. Лучше, когда округло, как... Ну вы ж мужики, знаете.
 
Последнее редактирование:
Купол ВЧ замят для ясности или это в глазах троится? Интересно знать частоту раздела (по рисунку не разобрать цифири частот) – 2 кГц штоле
 
Лестничный фильтр 4 порядка.
 
до сих пор не получил папку с файлами измерений.
Может, Сергей по ссылке посмотрит, как надо(
Пару проводов (временно) можно вытащить наружу, чтобы подключать\отключать (или весь кроссовер и провода от динамиков).
 
Эта схема не что иное, как фазовращатель, который "имитирует" геометрическое разнесение излучателей по глубине для лучшего согласования по фазе. Чтобы получить фазокогерентную АС.
Это гипотеза? Такое понять нашими пропитыми мозгами можно только перенеся концепт фильтра в симуль,сравнив подшивку лучшим образом: по классике,и так.
Что ж оно даст лучшего-будет видно.
 

Статистика форума

Темы
3,301
Сообщения
262,888
Пользователи
2,544
Новый пользователь
vlad'mir
Назад
Сверху Снизу