Александр Бокарёв
1 ранг
- Регистрация
- 12 Ноя 2019
- Сообщения
- 30,243
- Реакции
- 15,334
- Баллы
- 395
Н значит низковольтное.
Смотрите видео ниже, чтобы узнать, как установить наш сайт в качестве веб-приложения на домашнем экране.
Примечание: Эта возможность может быть недоступна в некоторых браузерах.
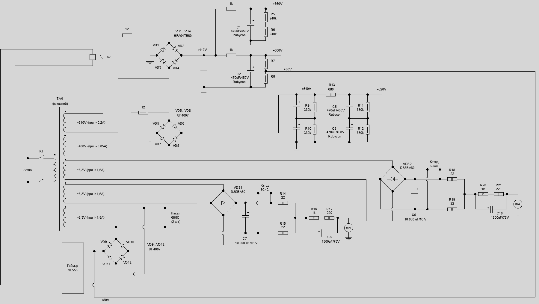
А если, приобрести такое реле и прямо им коммутировать вторичную обмотку на силовике ~310В? Какова вероятность, что может выйти из строя? На корпусе такая надпись:ещё как применяют
У меня все аппаратура такими реле включается. Правда мои работают от 5в постоянки.А если, приобрести такое реле и прямо им коммутировать вторичную обмотку на силовике ~310В? Какова вероятность, что может выйти из строя? На корпусе такая надпись:
Посмотреть вложение 7315
Я присмотрел ещё вариант - есть доп. реле, которое уже до ~380В коммутирует:
Посмотреть вложение 7316
но смущает во-перввых нагромождение двух реле последовательно, а во-вторых - будет ли это второе мощное реле нормально работать с током порядка 0,1А при своих номинальных 10А?
Каким именно - то, которое реле времени (H3Y-2) или твердотельным (SSR-10 AA)? И какое напряжение коммутируете?У меня все аппаратура такими реле включается
SSRКаким именно - то, которое реле времени (H3Y-2) или твердотельным (SSR-10 AA)? И какое напряжение коммутируете?
, считать надо.Накальник рядом присобачишь, дело-то....Посмотреть вложение 7320
1,9А на накал - это надо было заранее такое предусматривать на силовом трансформаторе. Нет такой дополнительной накальной обмотки
Звук от щелчка наверное приличный, можно и испугаться)А если, приобрести такое реле и прямо им коммутировать вторичную обмотку на силовике ~310В? Какова вероятность, что может выйти из строя? На корпусе такая надпись:
Посмотреть вложение 7315
Я присмотрел ещё вариант - есть доп. реле, которое уже до ~380В коммутирует:
Посмотреть вложение 7316
но смущает во-перввых нагромождение двух реле последовательно, а во-вторых - будет ли это второе мощное реле нормально работать с током порядка 0,1А при своих номинальных 10А?
Расстроился. Чувствую себя обманутым."Аудиоинструмент" в своём репертуаре, бляха муха... Транс от силы ватт на 80.
Так и поступлю.Дядя Петр, нагрузишь тор, измеришь напряжения, погоняешь, если закипит- выставляй претензии. А если тянет схему- забей и слушай музыку.