Смотрите видео ниже, чтобы узнать, как установить наш сайт в качестве веб-приложения на домашнем экране.
Примечание: Эта возможность может быть недоступна в некоторых браузерах.
С5-5 есть в металле, а есть в пластике. Их там вообще 5 видов, и все разные. Все надо обмерять на предмет индуктивности.Есть отечественные С5-5 хорошие, НО их надо проверять, не все хорошие, вот например один из хороших - С5-5-8 Вт - 24 Ом 2%
Посмотреть вложение 11127
Вот это в точку! Замерить АЧХ высокоомных резисторов проблемно, слишком много тонкостей..., поэтому проще снять характеристики с резистора.Да, ты прав, там был резонанс на сотнях кГц, особенно у резисторов на 330-470 и 680 ком.
У низкоомных с этим порядок. ПТМНы скорее напоминают RC цепочку параллельную. Или ещё точнее, RCL.
Вот этот измерялС5-5 есть в металле, а есть в пластике. Их там вообще 5 видов, и все разные. Все надо обмерять на предмет индуктивности.
Н.Сухов к своему усил.ВВ вставил прибамбас который назвал "компенсатор сопр-я проводов" (типа того). Только усилителю активное сопротивление проводов по барабану. А вот реактивное в купе с электро-механическими акустики это уже реально.А потом просто ткнул осциллографом на выход усилителя и сравнил с тем, что вдали от него, на метре провода к нагрузке.
Они и будут мутные. Вход усилителя это не только "номин. напряжение" но и входное сопротивление. Если первое жестко, то второе как Бог дал, обычно пишут "не менее....". Проверте емкость\индуктивность имеющихся шнурков. Ранешняя аналоговая запись ограничивала крутизну фронтов сигнала в автомате, цифр. практически нет. И сразу появились шнурки с золотыми жилами.В журнале хаендном в 90-х годах был такой тест, там много чего наизмеряли, но выводы как обычно мутные ни о чем.
А самое веселое, когда при замерах конкретной головки ни одно из сочетаний нагрузки не обеспечивает ровной ачх. По причине того, что любая башка это вещь в себе и часто далекая от идеала. К тому же настройка на слух по догадкам, что там творится на 18-20 тыщах- фигня ещё та.Н.Сухов к своему усил.ВВ вставил прибамбас который назвал "компенсатор сопр-я проводов" (типа того). Только усилителю активное сопротивление проводов по барабану. А вот реактивное в купе с электро-механическими акустики это уже реально.
Столкнулся с этим в агрегате с запредельными токами. Когда реактивное сопротивление стало играть главную роль. И это на общей длинне проводов всего 4 метра. Моделирование показало, что длиннее 4 метров устройство работать не будет (при адском сечении провода 50-75 мм2 !)
Они и будут мутные. Вход усилителя это не только "номин. напряжение" но и входное сопротивление. Если первое жестко, то второе как Бог дал, обычно пишут "не менее....". Проверте емкость\индуктивность имеющихся шнурков. Ранешняя аналоговая запись ограничивала крутизну фронтов сигнала в автомате, цифр. практически нет. И сразу появились шнурки с золотыми жилами.
Например практически всегда в фонокорректорах пишут "отклонение АЧХ от RIAA 0,5%" Эта же схема при анализе с эквивалентом реальной головки и нормальным эквивалентом реальных шнурков (как рекомедует гуру Шкритек) даёт АЧХ мама не горюй. По этому в дорогих фонокорректорах вставлена ручная настройка входа. Щелкай, слушай и сомневайся.
О "ровной АЧХ" можно забыть. Когда дилетанты пишут - простительно, но когда гуру - это мазурики. И то что на столе измерено это не в работе. Кроме электрики добавляется механика. Даже супер-пупер измирительная пластинка не даст полной картины.А самое веселое, когда при замерах конкретной головки ни одно из сочетаний нагрузки не обеспечивает ровной ачх.
В стерео усредняется и не такой раскосяк, который можно считать бедой. Не усложняйте. К тому же вряд ли у вас есть личный опыт возни с измерительным винилом. Без которого понять на слух, что за башка просто невозможно. Например, что можете сказать про это. Трагедия или суперзвук?О "ровной АЧХ" можно забыть. Когда дилетанты пишут - простительно, но когда гуру - это мазурики. И то что на столе измерено это не в работе. Кроме электрики добавляется механика. Даже супер-пупер измирительная пластинка не даст полной картины.
Но измерять головку надо обязательно. Кроме прогнозируемого небольшого отклонения параметров дважды встретился, что каналы разные, а это уже конечно беда и полный шлак.

полторы дБ разбаланс, в средине. найдите круче. Наверху у всех бошек пляска , этот случай - просто удача.С гуру не спорят. А что дало разбаланс АЧХ? Гдето 3-5dB, на картинке масштаб мелкий.
Молодые, всё по барабану, ни каких проблем. И то что в степи замести могло и то что ГАЗ 21 машина холодная жуть (как раз в то время моя первая машина) даже печку переделал ей на прямоток. А в степи заглох в мороз через полчаса - сосулька.
1,5dB это даже не пыль. Это ничего. Сам измерительный комплект такое может дать.полторы дБ разбаланс, в средине.
Ежели производители станут приводить реальные замеры бошек
Где можно посмотреть методику и технику ваших измерений (желательно подробно)? Завтра для меня актуально будет.Куда жутчее - механический резонанс её подвижки с чудовищным выбросом на 12 килах и с седлом перед ним .Вот это увидеть - не хватит успокоительного.


Нигде. Только в личном общении. Там много чего склалось в один красивый узор, по отдельности не получится.Где можно посмотреть методику и технику ваших измерений (желательно подробно)? Завтра для меня актуально будет.


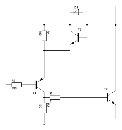
Для чистого результата я зашунтировал бы базы выходных триодов резисторами нужного номинала, скажем, 1 к для кремния и 100 Ом для германия.Схема с общим эмиттером (ОЭ) выходного транзистора
Посмотреть вложение 11718
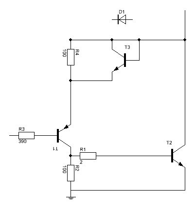
"Пила" означает что на этой частоте у синусоиды начинает выравниваться (становиться ровной) боковая грань, то есть превращаться в пилу.
"Ампл." означает что на этой частоте размах сигнала уменьшается в 1,4 раза по амплитуде, как при проверке транзисторов.
Вывод:
Высокочастотные драйверы немного "вытягивают" выходные транзисторы по частоте в схеме Дарлингтона.
В схеме Шиклаи 100% обратная связь "вытягивает" всю пару до уровня драйверов, и заметно повышает частотку П210Б
Транзистор Т3 комплементарен Т1, или взять тот же как Т1 включив соответственно?Вячеслав.
Если есть возможность проверте схему Шиклаи с диодом Баксандалла и транз-м вместо диода.
Посмотреть вложение 11976