Выбор транзисторов для усилителя

  • Автор темы Автор темы slami
  • Дата начала Дата начала
Посмотрите эту конструкцию. Поймёте, что меня интересует.
Автор не описывает как он подобрал транз-ры (в первоист. то же нет). Проверить усиление пар на разных токах это можно. Но частотные характеристики так же интересны.
 
Посмотрите эту конструкцию. Поймёте, что меня интересует.
Автор не описывает как он подобрал транз-ры (в первоист. то же нет). Проверить усиление пар на разных токах это можно. Но частотные характеристики так же интересны.
Где-то на форумах,человек писал, что ради эксперимента этот выходной каскад в этом усилителе заменил Агеевским и последний запел значительно лучше.
 
Где-то на форумах,человек писал,
Сегодня все как чукчи. Писатели.
Вариантов выходного каскада можно много подставить. Такой как в оригинале это супер простой но.....простота схемы это не главное в УНЧ. Опять же автор конструкции далеко не новичек и не трепло. Сложность для него не приоритет.
 
2SA940 и 2SC1815 есть, 2SC5200 нет, но можно на 2SC3012 проверить
 
2SA940 и 2SC1815 есть, 2SC5200 нет, но можно на 2SC3012 проверить
Меня больше интересует эффект от диода Баксандалла и его квази на транз-ре. Может с поганенькими низкочастотными транзисторами даже и лучше будет виден результат. Из того что есть в наличии проверить. Главное тенденция, а не конкретные данные с транз-рами те что в схеме.
1. Без диода. 2. С диодом. 3. Транзистором вместо диода.
Интересно, будет разница или нет.
 
Флаг в руки, спектроанализатор на шею. И все варианты перебрать, для ясности. А здесь- кто вам важно расскажет? Гугл, разве что...
 
Понял проверю, мне также интересно с запирающими резисторами сравнить
 
Посмотрите эту конструкцию. Поймёте, что меня интересует.
Автор не описывает как он подобрал транз-ры (в первоист. то же нет). Проверить усиление пар на разных токах это можно. Но частотные характеристики так же интересны.
В любом случае почерпнуть кое что можно для сборки другого гибридного. Спасибо.
 
В любом случае почерпнуть кое что можно для сборки другого гибридного.

Интересно то, что автор в дальнейшем модернезировал ламповый каскад, не трогая выходной. И отказался от ООС транз-ная часть - ламповая часть. Такой древнючий выходной блок он поставил после серии экспериментов с комплемент. парами. Насколько они "комплементарные" нам Вячеслав в натуре показал, чем подтвердил выводы автора на эту тему.
 
Посмотрите эту конструкцию. Поймёте, что меня интересует.
Автор не описывает как он подобрал транз-ры (в первоист. то же нет). Проверить усиление пар на разных токах это можно. Но частотные характеристики так же интересны
Про диод Баксандалла. Если глянем вверх, на повторитель Дарлигнтона, там у нас по пути от входа до выхода - два перехода б-э, а если глянем вниз, то уже один, драйверного транзистора. Уравнять это помогает врезанный в эмиттер драйвера диод плюс резистор. Но поскольку диод и переход немного отличаются порогом открывания, то вернее будет врезать туда такой же транзистор ввключенный диодом.
В принципе, схема напомнила Заратустру, только проще немного. Играть конечно будет и неплохо. Но для себя я эти схемки отодвинул в сторону.

Где-то на форумах,человек писал, что ради эксперимента этот выходной каскад в этом усилителе заменил Агеевским и последний запел значительно лучше.
В плане замены этого выходного каскада на Агеевский я -за. А недавно смакетил выходник по Лачиняну, там вообще танк. И с лампой на раз стыкуется, входное сопротивление десятки килоом.
 
Вариантов замены транзисторной части много, на любой вкус.
Но "Сложно каждый может сделать, талант инженера сделать просто".
 
Не помню в какой книге это была описана эта схема с диодом (схема старая отечественная). Но дело не в пороге открывания так как схема не закрытая и через все полупроводники течет ток. Единственное в том описании диод не был зашунтирован резистором. Суть этого диода в следующем, транзистор Q1 (в данной схеме) служит для термостабилизации тока покоя, которая осуществляется компенсацией температурного дрейфа эмиттерных переходов транзисторов выходного каскада и для симметрии вверху 2 эмиттерных перехода, а внизу только один, второй переход заменен диодом, который должен иметь тот же материал что и транзисторы в схеме.
 
Я не мог толкового обьяснения найти в русск. язычном инете. про этот диод
Единственное это у А.Петрова в Радиомире, но....и там что то не совсем то.
..............
Схема конечно в этом гибриднике совсем для начинающих, но привлекает то, что вместо двух кучь мощ-ных транзисторов для подбора надо одну. А цена у них есно не малая. Да и Вячеслав наглядно показал по pnp\npn парам что это не совсем пары.
Подбором по усилению не обойтись.
 
Последнее редактирование:
Про диод Баксандалла можно прочитать в книге "Проектирование усилителей мощности звуковой частоты" Дугласа Селфа на стр. 138., он уменьшает искажения в схемах Дарлингтон-Шиклаи. КУСОК КНИГИ.
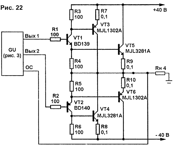
Лично мне импонирует среди схем выходных каскадов схема от Bryston, если говорить о комплементарности транзисторов:
pic22.jpg

По схемотехнике выходных каскадов, можно ещё почитать здесь http://soundbarrel.ru/amp_vt/vih_kaskad.html#url
 
Про диод Баксандалла можно прочитать в книге "Проектирование усилителей мощности звуковой частоты" Дугласа Селфа на стр. 138., он уменьшает искажения в схемах Дарлингтон-Шиклаи.
Читал. Так все пишут.

По схемотехнике выходных каскадов, можно ещё почитать здесь
А. Петров у меня в фаворе. Проектировал и делал то что проектировал. Но ничего не поделаешь...не молодой уже, возраст как не хочешь, а.....
Статьи его очень хорошие.
 
Заглянул в пропасть незнания, понял, что нечего глупостями заниматься. Столько схем, а идеальной нет и не будет.
Статью Петрова прочел на одном дыхании, очень многое узнал впервые.
Но поскольку есть уже свои варианты. работающие , новые схемы приму к сведению.
Брайстновский выходной каскад понравился очень. Ещё бы узнать, в чем его плюсы. Идеологически все красиво и правильно, только неужели не применяют эту схему исключительно из жадности добавить лишний транзистор?
 
Последнее редактирование:
Недостаток думаю есть, вроде красиво, но транзистор VT1 и VT3 (VT2 и VT4) ПОЧТИ Шиклаи - у него нет 100% ОС по току, по сути PNP и NPN включены по току параллельно и все. Думаю еще есть минус: если рассмотреть скоростную работу на высоких частотах, VT3 будет включаться чуть с задержкой, так как по току управление VT5 драйвером чуть быстрее, чем VT3 через коллектор VT1. Надо будет ограничивать частоту пропускания иначе сквозной ток.
 
Статью Петрова прочел на одном дыхании, очень многое узнал впервые.
Все его статьи интересны, а когда появлялись были и первыми в отеч. литературе по многим вопросам. Да и читаются легко, есть к этому талант.

Вот его класс А. 50вт это конечно шибко круто, два в одном. И комнату греть зимой и музыку слушать Но 10-25 из 50 всегда можно сделать.
 

Вложения

Он "хитро" поступил, так как вертикальный полевик трудно раскачать из-за их большой входной емкости, он применил двухтактный драйвер на каждый затвор, как в импульсных БП на полевиках работающих на повышенных частотах.
 
Статья вышла 2009 году. Пока сделал, проверил, написал. Почти три пятилетки прошло, как раньше говорили.
...................
Мне она интерес (схема) тем, что он к стокам нагрузку подключил (как в ламповом пуш-пуле). А если сложить с мыслями\выводами автора Медьведко о реальной самоиндукции электр.\механической системы динамиков, то это решает одну из проблем "переключения" в классе АВ. Да и в классе А "левый" отклик катушек динамиков сигнал не озонирует при общих истоках. ООС весчь хорошая, но меньше грязи-тем ей проще.
 
Последнее редактирование:
Он "хитро" поступил, так как вертикальный полевик трудно раскачать из-за их большой входной емкости, он применил двухтактный драйвер на каждый затвор, как в импульсных БП на полевиках работающих на повышенных частотах
Понял, спасибо!
 
Вот вам супер-пупер....цена.
Главное красиво как написано" в Lysios специалисты Audiozen переработали симметричный силовой каскад, работающий в классе AB. В квазикомплиментарной схеме также применен диод Баксандалла." ....лично, в своём гараже диод Баксандалл стругал.
 
Смотрю на огромный выбор схемных решений, от простых до дико навороченных , с разъяснением того. зачем эти навороты. По идее, усилители с этими решениями обязаны звучать безупречно , а тема поиска прекращена. Как бы не так бы.
Пытаюсь вспомнить хоть один случай, чтобы транзисторная схема очаровала с первых звуков или по крайней мере не вызвала отторжения. И эти случаи ну точно не касаются промышленных усилителей, и фирменных и наших. Да. какие-то были, там, Электра Е11 от Мюзикал Фиделити, JVC AX-40 , но то было давно и неправда. Остальное- серое унылое либо наждак и рашпиль.
Особенно никак звучал легендарный Электрокомпаниет от Матти Отала, серятина -не то слово.
Вчера погонял свой измерительный унч , которым колонки настраиваю, все устраивает, и полоса и мощность, импульс просто загляденье. И звучит на диво . Схема- три детали, опер и два полевика. Ну. ещё два стабилитрона. И звучит. И кз не боится, искры летят из проводов и все.
И не факт, что замени я эту схему на вылизанную теориями, ту же от Дугласа Селфа, новая уделает эту простушку во всем. Не факт. Есть что-то в стороне. про которое мало знаем.

Он "хитро" поступил, так как вертикальный полевик трудно раскачать из-за их большой входной емкости, он применил двухтактный драйвер на каждый затвор, как в импульсных БП на полевиках работающих на повышенных частотах.
Про вертикалы Р-проводимости рассказывал знающий человек, что у тех, что есть в продаже у нас, порочная характеристика , с провалом на ВАХе. У настоящих американских ИРФов этого нет, а китаезы что-то сэкономили в кристалле. отчего именно Р транзисторы дрянь и в звуке их применять гнилое дело. А учитывая огромную емкость затвора и термозависимость, выгода от вертикалов сомнительная.
 
Читаю эту Дугласа Селфа мунографию, и не пойму таких наворотов, ну никак.
Для меня самым лучшим усилителем является простейший 4-х транзисторный Джон Линсли Худ 1969г. И пусть потребляемый ток в режиме А большой, но ведь не это главное...
 
Читаю эту Дугласа Селфа мунографию, и не пойму таких наворотов, ну никак.
Для меня самым лучшим усилителем является простейший 4-х транзисторный Джон Линсли Худ 1969г. И пусть потребляемый ток в режиме А большой, но ведь не это главное...
Ток покоя Линси Худа убирает главную беду транзисторов -биполяров: ступеньку.
Я тут осваиваю тему Л-Х на германии, уже установил на могучих радиаторах 1Т806, буду макетить. В раскачку скорее всего поставлю 1т321в, хотя и помню про твой 605й. Посмотрим, что лучше.
Драйверный -там режим вежливый, думаю, что 321й справится. Входной МП10 , с ромбиком.
Хотя идейно туда просится кремень.
 
Из-за чего весь сыр-бор с транзисторами. Сунулся искать латералы... а у нас с ними проблемы, говорят были.... На заказ, где гарантия что не перемаркер, их вед сейчас не выпускают (2SK1058 и 2SJ162), про алиэкспресс вообще не говорю. Вот народ и старается из того что под рукой. Может кто знает где точно нормальные и цена не конская?
 
Из-за чего весь сыр-бор с транзисторами. Сунулся искать латералы... а у нас с ними проблемы, говорят были.... На заказ, где гарантия что не перемаркер, их вед сейчас не выпускают (2SK1058 и 2SJ162), про алиэкспресс вообще не говорю. Вот народ и старается из того что под рукой. Может кто знает где точно нормальные и цена не конская?
Сейчас все на себе проверяется, за свои. И риски тоже ваши. Китайцы тему прочухали, теперь держись, ребята. Я уже влетел на трешечку, купил на Али десяток " латералов"
 
Ток покоя Линси Худа убирает главную беду транзисторов -биполяров: ступеньку.
Я тут осваиваю тему Л-Х на германии, уже установил на могучих радиаторах 1Т806, буду макетить. В раскачку скорее всего поставлю 1т321в, хотя и помню про твой 605й. Посмотрим, что лучше.
Драйверный -там режим вежливый, думаю, что 321й справится. Входной МП10 , с ромбиком.
Хотя идейно туда просится кремень.
ГТ321 если только на радиаторы ставить, при токе 50 мА постоянного тока и постоянной нагрузки они не очень, в насыщении только. На мой взгляд П605 (А) только
 

Последние сообщения

Статистика форума

Темы
3,306
Сообщения
263,458
Пользователи
2,548
Новый пользователь
Александр Н.
Назад
Сверху Снизу