Германиевые УНЧ

Это макет выхода,но в принципе играет как самостоятельный усилитель.Усиление можно добыть уменьшив резистор 470 ом с выхода повторителя
Сам повторитель сейчас упрощен, выкинул крутилку, база сидит на средней точке делителя из 27 кил вверху и 30 кил внизу.
Спереди можно поставить два транзистора (от HeatKit-схема здесь была) или опера.
 
Параллелить выходные не вариант?
Зачем? Есть очень токовые германцы. Кстати, ГТ813 еще не встречал. А с 1Т813 знаком.

Когда-то в одной книге, сборнике схем, с твердыми палитурками, обнаружил схему с кремниевым нпн транзистором ВК в одном плече, и с германиевым пнп в другом. Этот вариант был вынужденным, тогда еще мощные комплементарные были лишь на горизонте будущих событий.
А сейчас, на новом витке, разнородные транзисторы в плечах оказались находкой. Замечтательно решающей сразу несколько вопросов.
 
Последнее редактирование:
Спереди можно поставить два транзистора (от HeatKit-схема здесь была) или опера.
Есть упомянутая вами схема от Хит-кита. Запомнил.
А еще есть супермыслишка про выход на 1Т910 в виде повторителя с резистором в эмиттере. Тока 910й не боится, резистор можно взять Ом 5. дать ему пару ампер , пущай летает. И стабильность выше крыши.
И посикоку выяснили, что в роли повторителя летают даже тормоза и асфальтовые катки, то можно спараллелить кучу 214-х, пущай их П605 качает с током в 50 мА.
Вот вам и вариант, пристроить в звук валявшиеся на чердаке всякие П4- П214- 215 , не говоря про суперовые ГТ806.
Счас быстренько скидаем такой кунштюк с резистором. Для пробы.

вот стартовая схема по этой идее, но на ГТ806. А в свете нынешней возни оказалось, что обычный германии там прекрасно работают, просто радиатор побольше нужен, а стабильность сама автоматом получится, через резистор в эмиттере.
 
Последнее редактирование:
А толковый результат и возможен только после массы экспериментов.
Практика-теория-практика.
 
давно так не смеялся. Эта парочка П215-ГТ906 в процессе макетирования JLH спелись и скорешевались друг с дружкой, чую, без налива там не обошлось.
В итоге одиночный П215 с мощным резистором в эмиттере и раскачке по Худу напрочь отказался бежать далеко по частоте, уже с 10 кил стал капризничать и нетрезвым голосом вопить: без моего кореша 906-го отказываюсь бежать. Зато его кореша, 906й и 806й спокойно отработали на полную до 100кгц с резистором в эмиттере 15 Ом, питанием 30 вольт и током в ампер.
Выдали оба ровно 4 вольта выходного сигнала на 10 Омах и 3 вольта на 5 Омах.
Остается подивиться прозорливости Линсли Худа, сочинившего такой волшебный кунштюк.
Как ни крути, а возвращаешься к старту.
 
Последнее редактирование:
Единственно что, Худ не ставил разночастотные транзисторы в плечи ВК.
 
Единственно что, Худ не ставил разночастотные транзисторы в плечи ВК.
Интересно, что на той же веге спорили про негодность высокочастотных транзисторов в схеме, до мордобоя, искали специальные тупорылые с граничной в 800кгц трназисторы, гарантию невозбуда.
Тут же смакетил на всем, что было в тумбочке. Ни намека на возбуд, хотя, что-то было с ГТ906а. успокоил резючок 20 ом в базу нижнего транзистора и все. Никаких ускоряек, замедляек, цобелей и шмобелей.

фильм ужасов такое на сон грядущий , кпд 5%))))
С пробуждением вас от летаргического сна в 21 веке. Сейчас ценятся именно эти первые ватты. Остальные грузятся самосвалами бесплатно, вам на голову.
В Краснодаре, наверное, народ наваливает, шоб погромше? Иначе перед пацанами неудобно. За что денюхи плочены? :)
Зато недавно обнаружил, что с телефонного выхода сидюка колонки звучат аж бегом и еще как.
 
Ничего себе сколько экспериментов проведено.. +like
Ничего, зато чуток прояснилось, где нужно прищемить схемку, чтобы перестала улетать от нагрева. Самый ужас был с германием на входе. МП10. Не говоря уже про никудышние частотные свойства и токи утечки.
 
Германий обожает каскодное включение. Тогда обратные токи и полоса уже нипочем.
Но схема обрастает количеством деталей.
 
Потрібно , "на вещи смотреть- ширше!"(С). ;)
Ідея то лише похідна, обгрунтування виправдань за результати.
 
Последнее редактирование:
Когда-то в одной книге, сборнике схем, с твердыми палитурками, обнаружил схему с кремниевым нпн транзистором ВК в одном плече, и с германиевым пнп в другом. Этот вариант был вынужденным, тогда еще мощные комплементарные были лишь на горизонте будущих событий.
А сейчас, на новом витке, разнородные транзисторы в плечах оказались находкой.
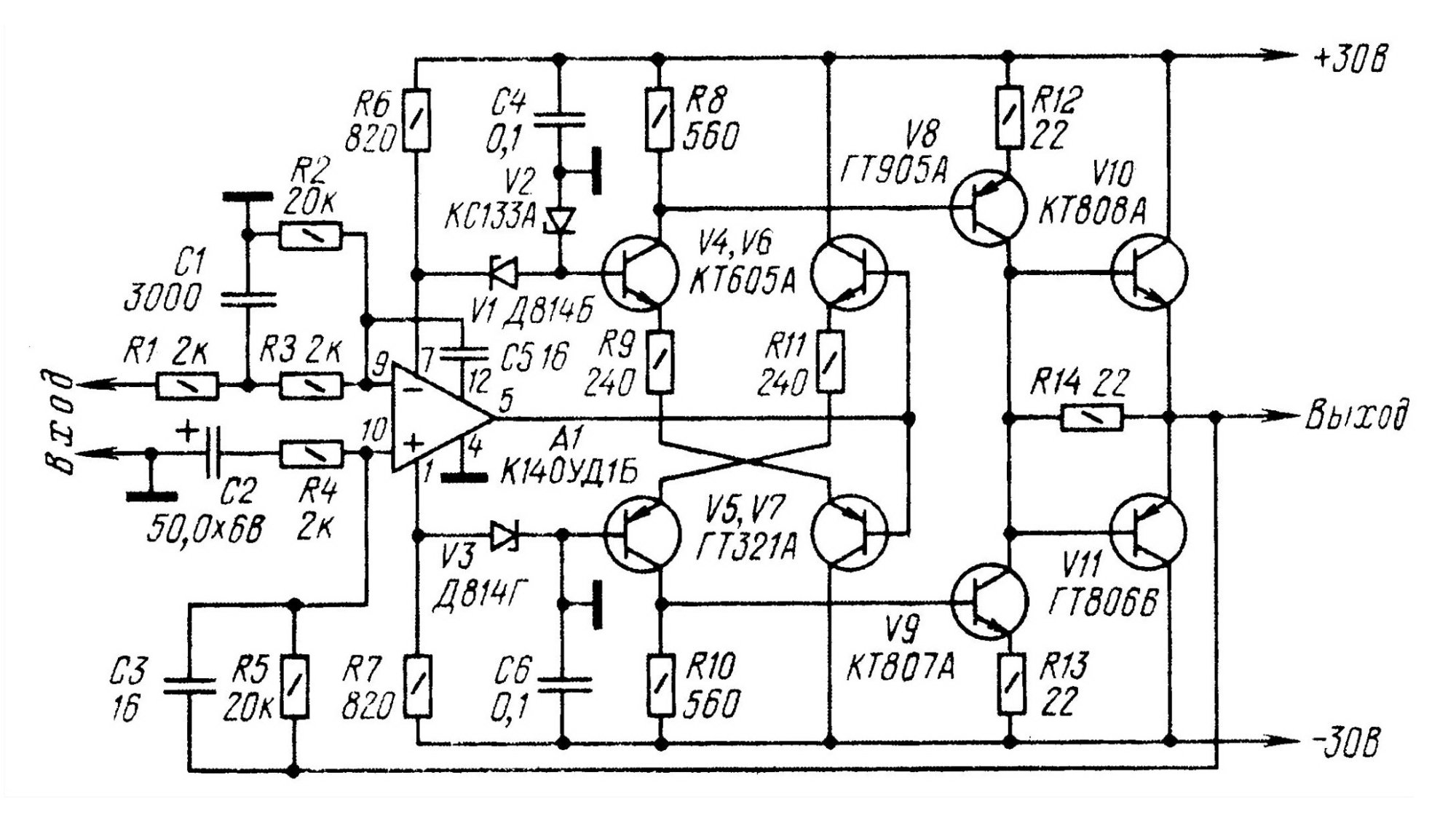
Крылов уже применял 47лет назад(Радио №1 1977г.) такое решение ...ГТ806 и КТ903 .

Крылов _ ВК ГТ806-КТ903.jpg
 
Подскажите можно ли сделать параллельник который обычно был на гт402 gt-404
Просто в ряд на п-605a?
У меня тут лежит кучка штук 20 этих транзисторов.
 
Подскажите можно ли сделать параллельник который обычно был на гт402 gt-404
Просто в ряд на п-605a?
У меня тут лежит кучка штук 20 этих транзисторов.
пробуйте. Я не делаю так.
 
Подскажите можно ли сделать параллельник который обычно был на гт402 gt-404
Просто в ряд на п-605a?
У меня тут лежит кучка штук 20 этих транзисторов.
П605А классные транзисторы. Измерить бы их все по точкам, и пустить в ход.
Как предвыходные, в пару к ГТ806, и собрать на них ушник.
 
пробуйте. Я не делаю так.
V1 ошибка в схеме
kwwkTUuj8UY.jpg

П605А классные транзисторы. Измерить бы их все по точкам, и пустить в ход.
Как предвыходные, в пару к ГТ806, и собрать на них ушник.
Да нет, мне бы моноусилитель ватт 8-10
Под 4-8 ом выход, двухканальный преамп с раздельной регулировкой частот на каждый канал.
Работать на гитаре под минусаIMG_20240109_103623.jpgэтот d класс не вставляет по звуку
 
Последнее редактирование модератором:
Типовые обратные токи КБ и ЭБ не превышают 9 - 12 микроампер... Не знаю, это надо на практике проверять.
Можно не проверять, а просто почитать паспорт или нормальный справочник.
 

Вложения

  • 608.PNG
    608.PNG
    131.1 KB · Просмотры: 139
Проблема с этим преампом
Перегруз по входу на громкости больше 50%, обрезаны низкие частоты
 

Вложения

  • IMG_20240109_172802.jpg
    IMG_20240109_172802.jpg
    609.5 KB · Просмотры: 137
  • IMG_20240109_172828.jpg
    IMG_20240109_172828.jpg
    562.7 KB · Просмотры: 127
  • IMG_20240109_172855.jpg
    IMG_20240109_172855.jpg
    607.2 KB · Просмотры: 150
  • IMG_20240109_175633.jpg
    IMG_20240109_175633.jpg
    397 KB · Просмотры: 210
  • 1521362021_7170_FT467122_001_.jpg
    1521362021_7170_FT467122_001_.jpg
    47.2 KB · Просмотры: 155
  • IMG_20240109_180017.jpg
    IMG_20240109_180017.jpg
    104.3 KB · Просмотры: 153
  • IMG_20240109_172745.jpg
    IMG_20240109_172745.jpg
    602.8 KB · Просмотры: 150
Міняйте розділювальні електролітичні конденсатори
 
С1, С2, С7, С8, С9.
По черзі, незважаючи на те, що їх хтось колись міняв.
 
Да нет, мне бы моноусилитель ватт 8-10
Под 4-8 ом выход, двухканальный преамп с раздельной регулировкой частот на каждый канал.
Работать на гитаре под минусаПосмотреть вложение 82463этот d класс не вставляет по звуку

Проблема с этим преампом
Перегруз по входу на громкости больше 50%, обрезаны низкие частоты
а что ждать от устройства. запитанного от 9 вольт. Дайте 24 вольта, уйдет перегруз.
 
На Ебае появились германиевые 100 ваттные моноблоки Альтек с межкаскадными трансами.Это те,что в основном использовались в кинотеатрах в 60-70хгг. 15 лет назад такую пару можно было взять за 300 зелёных и объявы висели по месяцу.Прошло время народец начал прозревать, и что-то подозревать наверное нули искажений в даташитах уже не вштыряют :
 
И к стати,в индустрию мира грёз(в кинотеатры )вваливались огроменные финансы,тк. это уже в 1960- был проект глобалистов .Он позволяет промывать мозг для управления стадом и одновременно получать огромнейшую прибыль от проката.
 
Треба було зробити краплю спецприпою, для цього потрібні були П216/П217.
Тож довелось поміряти свої непаяні два П217Г, та три П217В. Всі виробництва 67..68 років.
Одразу поміряв зворотній струм колектор-база на семи вольтах. Він у цієї п'ятірки вклався в інтервал 0,04....0,065 мА. Всі маніпуляції з германцями чисто пінцетом, та крокодильчиками стенду.
Дельта струму бази 1,0-0,5=0,5 мА. Дельта струму колектора у всіх цих транзисторів попала в інтервал 42...156 мА. Струм попав приблизно в типовий, заичайний струм спокою для класу АВ.
Результати по беті П217Г:
N1.........100
N3.........160
Результати по беті П217В:
N2..........90
N4..........104
N5..........134
Почитав паспорт. Подивився графіки залежності бети від струму колектора
Почухав потилицю, порився в коробці, там знайшовся один паяний П217Г. Він і пішов на розкурочку.
Висновок з "лабораторки" - балдю від здатності "германців" не обвалювати бету на низьких струмах колектора. І не виключатись, навіть коли джерело струму бази знизить його до нуля. Для пушпулів ідеально.
 
На Ебае появились германиевые 100 ваттные моноблоки Альтек с межкаскадными трансами.Это те,что в основном использовались в кинотеатрах в 60-70хгг. 15 лет назад такую пару можно было взять за 300 зелёных и объявы висели по месяцу.Прошло время народец начал прозревать, и что-то подозревать наверное нули искажений в даташитах уже не вштыряют :
Альтек-это ЖБЛ (Харман) по-новому.
 

Статистика форума

Темы
3,307
Сообщения
263,630
Пользователи
2,548
Новый пользователь
Александр Н.
Назад
Сверху Снизу