Германиевые УНЧ

не народные они,,,,а с ОБ можно п 609 у них полоса отличная и транс будет простой
Да , найти кп903 .... это сейчас квест. КП901 мне сосед по даче подарил ,давно правда, ФЭИ растаскивали ,а он большим начальником был. Сам тащил , и с со мной делился. Но вот когда я ему в "сарайчик" на даче телик из ничего собрал , и с машиной (ваз2107) помог ... вот тогда ваще) . " ..куртка кожаная - три штука . портсигар золотой - три штука ..")) Генератор ,милливольтметр , осцилограф , ну и из ЗИПов кое что) Вот только времени не подарил((. Идей то много ... Вот, есть такое . хочу на даче антенну поставить ,длинный лучь , канатик есть , приёмник Поляковский ,в своё время UK3ABG хорошо рулила) какие связи делали ... Время ...

Юрий! Всегда слежу за вашими схемами,как и за трудами АБ.Очень интересно , познавательно и не традиционно.Традиционная схемотехника для меня себя исчерпала,т.к. с возрастом пришёл к мнению,что звук живёт в простых схемах с небольшой ООС и чувствительной нагрузкой 8 и более Ом.
Да , 8 ом . а лучше 16. С возрастом мудрость приходит) АБ2 на латералах ,последний вариант (первый тоже собирал, потом подкорректировал)) АС 2х 4гд28 + 2гд38 ,катуха и 2.0 мкф ,ОЯ и на даче , на прополке радио джаз( жена тоже любит)) не надо больше ничего) Но жаба душит(( 2А3 Александра .

П605 элементарно заменить на BD140. Они и дешевле и работать будут точно так же. Раз схема в классе А.
Можно ещё на КТ814, но не везде конечно.
Предлагаю перестать заниматься фигнёй.)
1306 намного лучше , макетку пока не могу выложить. Но попробовал 1837 .1930, хуже, мыло. Им в мощники .ват сто).Транзисторы оригиналы. Это главное. Рогов ,помнится , 1930 рекомендовал в свой на 1530 , 201.Собрал .оригиналы купил. потом ирф 240 поставил . для саба годно , но не для звука. Вот такая фишка((
 
И кстати - у предложенных вами граничная частота 700 МГц Как бы не "засвистел" старичок Худ
из вч транзистора более низкочастотный сделать не проблема,проблема нелинейности миллера,который можно сделать независимым от напряжения(небольшая керамика между Б-К)
 
Чтобы не быть голословным. Любителям настраивать на слух. Вот, добавил в Шушурина кой чего, замерять было лень. Я и стал слушать. Звучит - отлично. А на осциллограммах на следующий день вот такое:
171604815288028847.jpg

И так на любых частотах, в режиме молчания- ничего нет. И долго бы оно проработало в таком режиме? Если что- генерация на 10МГц. На слух вообще не воспринимается, спектроанализатор ловит с трудом и то -косвенно.
А потом бочкарёвские рассказы "ой внезапно сгорело", ой а что случилось. Ой транзисторы = неоригинал.) _neuchi
 
NEULO, так это любители вкусных искажений. У них чем шерстистее сигнал, тем лучше усилитель. Т.е. доработанный вами Шушурин, со сниженными искажения им точно не понравится. Ибо стерильный и бездуховный, как дистиллированная вода.
 
Да , найти кп903 .... это сейчас квест. КП901 мне сосед по даче подарил ,давно правда, ФЭИ растаскивали ,а он большим начальником был. Сам тащил , и с со мной делился. Но вот когда я ему в "сарайчик" на даче телик из ничего собрал , и с машиной (ваз2107) помог ... вот тогда ваще) . " ..куртка кожаная - три штука . портсигар золотой - три штука ..")) Генератор ,милливольтметр , осцилограф , ну и из ЗИПов кое что) Вот только времени не подарил((. Идей то много ... Вот, есть такое . хочу на даче антенну поставить ,длинный лучь , канатик есть , приёмник Поляковский ,в своё время UK3ABG хорошо рулила) какие связи делали ... Время ...
2п903 полно, просто нужно место знать. Другое дело, что там в коробках лежит, может лучшее выбрано , остался мусор .
 
Утренняя развлекуха напомнила мне об одном дельце. Юра настоятельно рекомендовал собрать одну его схемку и сравнить с Белым Драконом.
Вот эту:

semigor-kisa-mk-5-jpg.98622
юрик.jpg
В общем и целом симулятор говорит что эта штуковина - вполне работоспособна и даже имеет невысокий уровень искажений. И даже "короткий спектр".
Осталось выяснить каким образом можно сравнить повторитель, у которого усиление по напряжению примерно ровно 1 и мощный усилитель, которого усиление 15.
Повторителю нужен т.н. "драйвер", это во первых. От него и будут зависить(50 на 50) искажения.
Да и.. Повторитель с током покоя 2А против усилителя с током покоя 50мА. Нуну. Разница в потреблении в режиме молчания немножко равна 40 разикам. Юрин усилитель значит и искажений должен вносить в 40 раз меньше. Но нет, искажений разумеется больше. Учитывая сколько потрачено на разработку и отладку Дракона времени- ничего удивительного. Это вам не в паинте чёрточки рисовать. Это труд , каждый день, в симуляторе и в железе(печатных плат создано 2 варианта, макетов штуки четыре). А потом напильником и зубилом. Такие дела.
Так что Юра, ходить срать в чужие темы на чужие схемы- занятие недостойное. Тьфу на тебя ещё разик, если в первый раз недолетело.
Модель во вложении.
 

Вложения

  • UAN8.asc
    UAN8.asc
    3.9 KB · Просмотры: 98
Последнее редактирование:
опять мимо,у меня от 1до5 больше не надо,лучше пред поставить
Кстати по поводу преда Есть на примете что то дельное ? С регулировкой НЧ-ВЧ и баланса А то по разным УНЧ инфы много На любой вкус и цвет А вот по предам как то слабенько Одни вариации Солнцева или Эллиот
 
Кстати по поводу преда Есть на примете что то дельное ? С регулировкой НЧ-ВЧ и баланса А то по разным УНЧ инфы много На любой вкус и цвет А вот по предам как то слабенько Одни вариации Солнцева или Эллиот
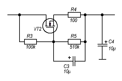
надо? могу схемку дать попожже, но платку придется самим.
 
я же давал ,вот
 

Вложения

  • драйвер гибриду.png
    драйвер гибриду.png
    9.8 KB · Просмотры: 210
Дуровое решение, ламповый драйвер на межкаскаднике к транзисторнику. Потому как этот драйвер сам работает на динамик без костылей.
 
ламповый драйвер на межкаскаднике к транзисторнику
а мощность? при питании 100в? 1вт? ,именно при питании 100,,,,150в транс очень простой в изготовлении даже для школьника под низкоомную лампу,(требованя к изоляции небольшие,полоса широкая при простейшем секционировании тк Ктр=4,индуктивности 10Гн достаточно)даже готовый ТВК пойдет без перемотки
а мощность этого гибридника при 25в питании 10вт на 8ом ,18вт на 4ом
кроме того драйвер не требует дорогих высоковольтных электролитов в питании,достаточно 150,,,200вольтовых или даже 63...100в если выпрямитель сделать по схеме удвоения напр

готовый ТВК и три резистора,где напряг?и оконечник 5деталей образно
ЗЫ я стараюсь уйти от долгостроя,и схемы предлагаю самые простые при хорошем звучании,чтобы смакетить и послушать можно было за один выходной) тк все быстро переменчиво в современном мире... а на ведре деталей сверхглубокоосник в симуляторе это не мое,тем более вся схемотехника прошлого века,детали просто сейчас более скоростные и можно больше петлевого выжать но до железа это редко доходит,да и есть принцип достаточности малости искажений,имхо 0,1%при коротком спектре в А классе с головой
 
Последнее редактирование:
готовый ТВК и три резистора,где напряг?и оконечник 5деталей образно
ЗЫ я стараюсь уйти от долгостроя,и схемы предлагаю самые простые при хорошем звучании,чтобы смакетить и послушать можно было за один выходной) тк все быстро переменчиво в современном мире... а на ведре деталей сверхглубокоосник в симуляторе это не мое,тем более вся схемотехника прошлого века,детали просто сейчас более скоростные и можно больше петлевого выжать но до железа это редко доходит,да и есть принцип достаточности малости искажений,имхо 0,1% в А классе с головой
Ага. Три детали это на схеме. А само питание, чтобы при включении на вход усилителя не влетело с анода? Это не мелочи. И они здесь за кадром.
 
А само питание, чтобы при включении на вход усилителя не влетело с анода
ничего там не влетит -трансформатор стоит(это не резистор!),ну можно простейшую задержку сделать если хочется,хотя и она не нужна-при включении лампа заперта пока разогреется все плавно устаканится

для лучшей фильтрации ,в питании перед кондером достаточно небольшого резистора 50...100ом тк кондер достаточно большой емкости,можно сделать такой дроссель
 

Вложения

  • Электронный дроссель 2.gif
    Электронный дроссель 2.gif
    3.2 KB · Просмотры: 154
Последнее редактирование:
для лучшей фильтрации ,в питании перед кондером достаточно небольшого резистора 50...100ом тк кондер достаточно большой емкости,можно сделать такой дроссель
Вы уверены, что электронный дроссель выглядит именно так?
Скажу иначе: могу ли я быть уверенным, что эта схема работает как надо.
 

Вложения

  • Снимок экрана (157).png
    Снимок экрана (157).png
    75.8 KB · Просмотры: 160
схему взял первую попавшуюся в поиске,я его вообще не применяю,резистора 100ом+470мкф с головой для трансформаторной схемы
со стабилитроном не нужно режим подбирать,а в моей может прийдется смещение подобрать
 
Преимуществ у этого дерьма нет и быть не может.
Преимущества у нормальных схем.
Один замысел чего стоит - кручением одной ручки можно получить выходной каскад или ОЭ или ОК или что-то среднее, со всем комплектом искажений особенно высокодуховной второй гармоники.
 
Последнее редактирование модератором:
Этот ближе к правде. Не считая очень мелких замечаний.
В этой схеме как раз исправлены некоторые нюансы А именно убран электролит (С2) , имеющий утечку Правильно выбран номинал резистора R3 , устраняющий короткие выбросы на затворе во время нарастания напряжения Ну и как совершенная мелочь (но все таки) - этот фильтр может работать без нагрузки Возможно еще есть нюансы Но вроде схема работоспособна
 
Дело даже не в лсд или лса.
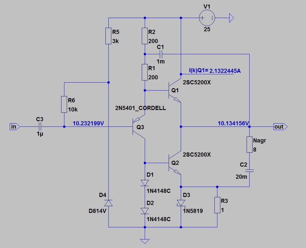
Чёт мне непонятна роль регулирующего подстроечника.
1716967038632.png
Вот так меняется постоянное напряжение на выходе.
1716967116959.png
А вот так усиление на нижнем выводе нагрузки.
Чего регулирует то? :unsure:
И ток покоя 2 ампера. А чтоб было 900мА нужно по 560ом резисторы в вольтобавку.
 
Я думаю, что эта схема создана Юанем для утилизации транзисторов и вечернего рукоблудия. Кому то нужны усилители которые не искажают, а кому то устройства для звуковых эффектов. Jedem das seine.
Кстати на РадиоКоте есть один любопытный индивид Ибуки, очень по стилю сообщений похож на Юаня. Я не ошибаюсь? Я для него симулировал несколько вариантов усилителей с выходным каскадом Худа.
Не понимаю, а что же так привлекает всех в этой жутко нелинейной хрени как Худ? Видимо высокодуховная вторая гармоника.
 
Последнее редактирование:
И ток покоя 2 ампера. А чтоб было 900мА нужно по 560ом резисторы в вольтобавку.
это от бэтты зависит надо 0,8...1а,значит 560ом
подстроечник меняет глубину оос в повторителе
земля у тебя на ползунке?сказано ведь -автономное питание,шины питания изолированы от земли
 
это от бэтты зависит надо 0,8...1а,значит 560ом
подстроечник меняет глубину оос в повторителе
земля у тебя на ползунке?сказано ведь -автономное питание,шины питания изолированы от земли
Так изолировал, и подстроечник движком на земле. Хотя это конечно дико неудобно. А стерево надо друг от друга изолировать или ненадо?
 
Так изолировал, и подстроечник движком на земле.
когда ползунок на замле Ку=1 при передвижении Ку=нижний резистор разделить на верхний +1,те уменьшаем оос
питание в каждом канале отдельное обязательно
вот тут почитай первую страницу темы про преимущества этого питания чел даже диоды ставил для тестирования

 
От такого питания получается мультипликативная помеха от коммутации диодов выпрямителя. Источник питания болтается вместе с сигналом и вторичной обмоткой трансформатора. Юаню грибы и прочие вещества вводящие в измененное состояние сознания давать нельзя.
 
но есть над чем поработать
схема делалась конкретно под А_1 он гитарист и три детали спаять для него проблема поэтому сделано так без преда,ему хватит для него вот это идеал но слабый по моще
у эрика клэптона такой был по его словам и у заппы
поросенок называется
 

Вложения

  • заппа.jpg
    заппа.jpg
    105.3 KB · Просмотры: 155
схема делалась конкретно под А_1 он гитарист и три детали спаять для него проблема поэтому сделано так без преда,ему хватит для него вот это идеал но слабый по моще
у эрика клэптона такой был по его словам и у заппы
поросенок называется
рискну предположить что это схемотехника усилка "юности кп-101/105" или "мальчиша". оно ещё и играет как то?)
 
поэтому когда говорят ой я получил ламповое звучание мне всегда смешно. можт триодное? или ул- пентодное?)(оно же почти лучево-тетродное)
вот и переключай драйвер тот же но под двухтакт обмотки вторичные
 

Вложения

  • ГИБРИД ГЕРМ 555.png
    ГИБРИД ГЕРМ 555.png
    44 KB · Просмотры: 144

Статистика форума

Темы
3,309
Сообщения
263,924
Пользователи
2,548
Новый пользователь
Александр Н.
Назад
Сверху Снизу