Германиевые УНЧ

Надо просто перевести, пока на работе нет времени
Восторг! Вся технология намотки без секретов и дымовой завесы великой тайны. бери, мотай. Если тяма есть. Даже зазор в 1 мил упомянут. А мил это не мм, это одна тысячная дюйма.
 
Транс намотать как Григорьев в 3 сложенных провода "трифиляр", всё просто.
Согласование межкаскадного транс-ра очень простое при этом методе. Только "трифиляр" мотается не 3 проводами , а "сколько надо по расчету" Потом комбинацией соединений обмоток получаем и коэф-т трансфомации и всё остальное.
Но едино страх и очкование пересиливают "глаза боятся, руки делают". Причем делают за вечер, без напряга, в отличку от последующих танцев шамана с фазонвертором, например.
Обдумываю одну конструкцию, согласующий каскад на трансф-ре решит все проблемы. Сделаю? Нет. Ссыкотно. А что, а как, а на чем? пересиливает разумное решение.
 
Последнее редактирование:
Последнее редактирование:
Угу. две соточки с половиной. Скотч вдвое толще.
Даже 0,01мм. Только не гнать лошадей. Правда другим методом и даже на феррите, а у него прочность, мама не горюй.
Сначало мотается катушка по расчету. Затем без фанатизма надфилем (напильником) тихонечко формируем зазор, регулярно проверяя индуктивность. Долго? Совсем нет. На маленьком сердечнике минутное дело.
Покупал сердечники с готовым зазором, отлично. Но перестали возить полную номенклатуру. А так любой зазор и главное при расчете не надо голову морочить с подгонкой к фабричному зазору.
 

Вложения

  • 00164287.gif
    00164287.gif
    25.5 KB · Просмотры: 368
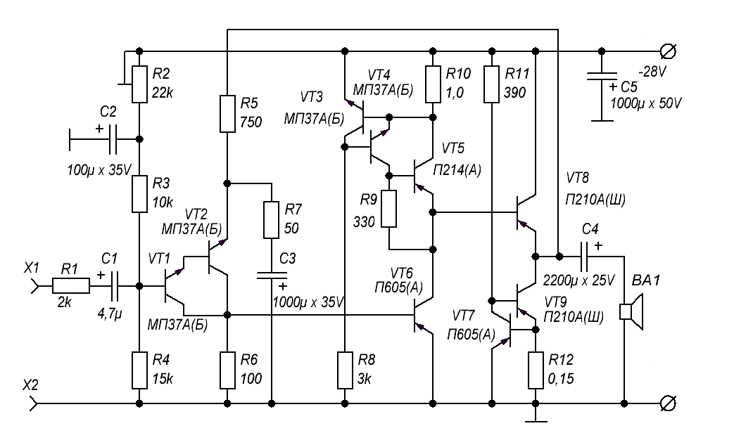
Их можно на ГТ813 или 1Т901а и ток покоя поднять.Первые два тоже разные попробовать.Может транс -кольцо на аморфном железе, там и витков намного меньше нужно будет.
Благодаря аморфному трансу получим шире полосу и меньше искажений из-за увеличения скорости.
 
А ,что если параллельно первичке воткнуть через например 10 мкф ещё маленький согласующий высокочастотный трансик,а с него на два п605А сделать ВЧ выход,без ООС. Т.к её будет отрабатывать схема на большом трансе.Тем самым мы улучшим ВЧ и сразу на двухполоску получим выход.Идея сырая,но подумать нужно.
 
История была с аморфами. За деньги работодателя его советник по железкам приобрел новые аморфные выходники от Тамуры, F5013 .по памяти, 5 килоом. Там что-то под 800долл за штуку. Привез, я прицепил один на моноблок, а второй моноблок оставил как был, на Танго X-5s, железо-никелевый сплав. Закрыл оба кожухами. Шеф прибежал, -включай! Включил, тестовую песню. Спрашивает: а где -какой? А меня зло взяло, с этих аудиофильских игрушек, говорю: а на слух определите. какой где. Он молча слушал, раз 20 перекидывали с канала в канал, потом подходит, говорит: этот-лучший. Снимаю колпак- там Танго X-5S Значит, Тамура проиграла. Значит- деньги верни, под две тысячи долларов или покупай себе. Советник мычал, мычал, пыхтел-пыхтел, что-то внушил , мол. нужно отслушать, не так все просто. Но эффект оказался смазанным.
Трансы мы потом оставили для моноблока на 2а3, а Танго на 5 кил уехал в мощник на паре 211 в параллель. 25 ватт выжали с него.
 
Он молча слушал, раз 20 перекидывали с канала в канал, потом подходит, говорит: этот-лучший. Снимаю колпак- там Танго X-5S Значит, Тамура проиграла.
Скорее всего пальцем в небо.
Когда долго сомневаешся, иной раз такое купишь....Придешь домой, мама моя, за что деньги на ветер.
Аморфное железо наверное лучше, но и остальное должно быть лучше вплоть до теоретического расчета.
 
К списку усилителей на германии с межкаскадными трансами из поста 694 хочу добавить:Realistic SA100B,Knight-854,Teleton-201,Heatkit AA-21,Heatkit AA-22,Nikko TRM-30 IC(чуть мощнее 40-ка),Rogers Ravensbrook,Knicht 870.Последние два,правда на кремнии.
 
Скорее всего пальцем в небо.
Когда долго сомневаешся, иной раз такое купишь....Придешь домой, мама моя, за что деньги на ветер.
Аморфное железо наверное лучше, но и остальное должно быть лучше вплоть до теоретического расчета.
А там и не было разницы, особено учитывая мизерные уровни прослушивания и почти равные параметры выходников. Но у Танго омическое ниже, мощность выше , габариты больше.
Поэтому на большой мощности из-за потерь на выходном сопротивлении Тамуры усилитель с этим выходником не додавал 1, 5 ватта против ТангоX-5
 
Надо просто перевести, пока на работе нет времени. Намотка бифилярно видимо для вторичек, но можно намотать умнее, трифиляр. Начать первичку, в какой то момент добавить бифиляр к ней а потом завершить первичку.
Delco100Watt_01.jpg
Так вот же оно! Поздняков ("Радио 6/71") точно так же намотал. Вторичку в 2 провода, а первичку разбить пополам и мотать "бутербродом", разместивши вторички между половинками:
Снимок экрана в 2021-04-09 17-51-07.png
 
Посмотреть вложение 13801
Так вот же оно! Поздняков ("Радио 6/71") точно так же намотал. Вторичку в 2 провода, а первичку разбить пополам и мотать "бутербродом", разместивши вторички между половинками:
Посмотреть вложение 13802
Вы совершенно точно привели смысл статьи, я сомневался в фразе сплит примари и бифилар секондари , оказалось, думал как надо.
 
Посмотреть вложение 13801
Так вот же оно! Поздняков ("Радио 6/71") точно так же намотал. Вторичку в 2 провода, а первичку разбить пополам и мотать "бутербродом", разместивши вторички между половинками:
Посмотреть вложение 13802
Так и мотал тогда - толстой колбасой.
 
Ни фига он не худой. И вообще - по факту, однотактник. Там на выходе просто повторитель, нагруженный источником тока. Реализация всей балалайки достаточно спорная.
Вы совершенно точно привели смысл статьи, я сомневался в фразе сплит примари и бифилар секондари , оказалось, думал как надо.
Ключевое слово там '... split primary sandwiching bifilar secondaries'
 
Последнее редактирование:
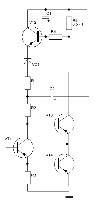
yes1111, промоделируйте схемку термостабилизации Худа на германии, возможно нужно подобрать R5 понадобится. Ток увеличивается, соответственно увеличивается падение на R5, следовательно уменьшается напряжение на драйверных резисторах и ток уменьшается. VT2 можно ГТ321, так как на нем падение небольшое.
Выходной Худа.GIF
 
Ночью, не раньше. Сейчас пока спокойно заняться не смогу. Хотя, как мне представляется навскидку, простые эмиттерные резисторы в выходном каскаде будут работать эффективнее. Поскольку там усиление по напряжению, снимаемому с резисторов - датчиков тока, будет иметь место, а в предлагаемой схеме - нет (VT2 в ней всего лишь повторитель).

Вот здесь я уже подразумевал сделать термозависимыми источники тока, внедрив терморезистор (в чистом виде, или в комбинации с обычным резистором - эксперимент покажет, - в позицию R14 - 68 Ом).

Кстати... меня вот сейчас другая муза посетила. Взять напряжение с эмиттерных резисторов, выделить оттуда постоянную составляющую (там же класс А, так что от сигнала она зависеть не будет!), усилить и приложить к управлению источником тока. Принцип тот же, что и у Вас, но обещает намного эффективнее стабилизировать ток. Надеюсь, ОУ там не возбраняется (на звук не повлияет)?
 

Вложения

  • Снимок экрана в 2021-04-05 03-40-45.png
    Снимок экрана в 2021-04-05 03-40-45.png
    28.3 KB · Просмотры: 273
Последнее редактирование:
промоделируйте схемку термостабилизации Худа на германии
За всё время существования этой схемы с 1969 года, ещё никто(!) не придумал для неё термостабилизацию. Эо раз. Сама идея этой схемы была уйти от "ступеньки" и это получилось. Так зачем же делать Худа на германии?! Процесс ради процесса?)) На Веге есть ветка по худу которой уже много лет. Если резюмировать все варианты этой чудо-схемы, то это просто сказка о потерянном времени. Прикладываю крайнюю, я кобы самую самую офигительную схему Худа на кремнии.
JLH2021.JPG

Не говариваю. Вдруг у вас получится то, что ни у кого не получалось.
 
Скажем так. Пока еще никем строго не доказано, что термостабиллизация усилителя Худа невозможна в принципе. А раз так, то почему бы не попробовать?
 
Пробуйте конечно. Я уже прошёл по этим граблям. Тоже считал себя умнее всех)) И таких наступивших уже целая армия))
 
Я не считаю себя умнее. Просто интересно стало. И делать почти нечего, т.к. все равно сижу на карантине.
 
Тоже считал себя умнее всех)) И таких наступивших уже целая армия))
Так несколько тысяч лет все считали, что земля плоская и на трех китах лежит. Глупые, не в курсе были, что не на китах, а на трех слонах!
 
Так у Александра всё хорошо получилось!А когда в симуле его схему проверили на 16 Ом и 36В, то характеристики получились лучше чем в симуле его работаюший смакетированый экземпляр.Теперь по транзисторам, выходные гт806 при t 60С имеют h21 150 (замеры SLAMI) МJL3281A h21 120.На раскачке германий если будет стоять П609Б примерно равен BD140.Единственное можно ещё попробовать входной поменять на кремний bc107.Но даже в том виде в котором тестировал Александр, полоса шире,а спектр короче,чем у кремния JLH традиционного.У германиевого усилителя два недостатка,это малая вых мощьность,которую нужно решать качественной чуствит. акустикой,и второй- нужны радиаторы не менее 2000см/кв. на каждый транзистор,принудительное охлаждение и термостабилизация.Т.к германий -не кремний. долго может не протянуть. .

Сейчас еще раз глянул на Вегу,там под 240 страниц, и вот из всего этого нашёл самый правильный совет.О чём здесь писал не однократно:
Цитата
Сообщение от FEDGEN Посмотреть сообщение

Как вам ещё долго топать , дорога ваша будет длинной , конец будет печален,шли вы не туда и время не вернёшь.
icon_frown.gif
и обратно не пойдёшь


Да действительно дорога была длинной, и тернистой...но это личный опыт, без него в этом деле ни как. Звук на столько многогранен и разнообразен, что получить все и сразу невозможно, да и вся Hi-Fi индустрия на этом построена... Но сейчас к счастью, тот желаемый звук уже почти вот вот...
icon_vo.gif


И небольшой личный совет, всем тем кто негативно отзывается о JLH, НЕ НАДО ЕГО ЦЕПЛЯТЬ К МНОГОПОЛОСНЫМ АС С ТЯЖЕЛОЙ НАГРУЗКОЙ!!! ни чего хорошего вы не услышите! Не для этого он! Подберите АС, и чем выше будет уровень подходящих АС тем больше услышите!!!

Поясню:FEDGEN усиленно утверждает,что худ не звучит,но при этом слушал его на YMAHA SN1000 ,а это тяжёлая акустика со сложными фильтрами,чтоб её "запустить" усь должен от 30 Ватт.
 
YAMAHA NS-1000 спокойненько работает с моим старым двухтактником на 6П14П - 15 Вт, и никаких "раскачек" ей не нужно. Усилителю уже 17 лет, так и работает, бедняга... Даже лампы не менял знакомый за все это время.
 
Сделаю хитрее. В эмиттеры выходных триодов врежу подобранные позисторы)))
Это хорошо. Но позисторы и током греются. Или Вы специально подберете их именно так, чтобы ток в цепи стабилизировался, наподобие бареттера?

Ладно, пока что прошу прощения - не буду сегодня больше ничего умного делать, спать сильно хочется. Накопилось за несколько ночей.
 

Статистика форума

Темы
3,307
Сообщения
263,587
Пользователи
2,548
Новый пользователь
Александр Н.
Назад
Сверху Снизу