Катушка Тесла-Мишина. Работающая схема от АБ

Недавно смакеченный выходной каскад по схеме Рода Эллиотта с диодами в эмиттерах вых транзисторов прекрасно годится на выход для катушки.Настройки не просит, включи и радуйся.С питанием 30 вольт резисторы смещения взять по 12-15 ком, разгрузив опер, схема бежит до 800 кгц, сигнал идеальный,ток покоя 35-50 ма.Удобно будет следить за резонансом, размах индикатора выше в разы.
IMG_20220817_193232.jpg

В начале возни с катушками и поиска нормальных схем, а не паскудных пародий из сети, остановился на параллельнике по Агееву, позже был повторитель на латералах, просто, круто,но они быстро исчезли, нужно было найти что-то похожее.И вот кажись,нашел.
 
Последнее редактирование модератором:
И вот кажись,нашел.
Вот это и есть простой народный усилитель.
Детали не дефицитные, простая и понятная настройка.
И без всяких псевдонаучных заскоков.
Качества для "катушки" хватит с избытком.
Но в схеме ашибка.
Выв. 8 мсх. должен идти на + питания.
 
Вот это и есть простой народный усилитель.
Детали не дефицитные, простая и понятная настройка.
И без всяких псевдонаучных заскоков.
Качества для "катушки" хватит с избытком.
Но в схеме ашибка.
Выв. 8 мсх. должен идти на + питания.
Может и ошибка, все равно бы нашел.Возился с макетом на 544уд2,ноги сместил на одну или две, включил,не пашет.Микросхема кипит.Ни на что не надеясь, сделал как надо.Работает!!!

Вот это и есть простой народный усилитель.
Детали не дефицитные, простая и понятная настройка.
И без всяких псевдонаучных заскоков.
Качества для "катушки" хватит с избытком.
Но в схеме ашибка.
Выв. 8 мсх. должен идти на + питания.
А! Ну это не ошибка, просто недотяг до питания, вычислить косяк просто.А мог бы питание наоборот завести, что мне стоит.Палить опера будет другой,хехе.Шутка злая.

Вот это и есть простой народный усилитель.
Детали не дефицитные, простая и понятная настройка.
И без всяких псевдонаучных заскоков.
Качества для "катушки" хватит с избытком.
Но в схеме ашибка.
Выв. 8 мсх. должен идти на + питания.
Смотрите, усиление равно 28, можем ставить 544УД2 с разомкнутыми 1-8 ,на полный газ, полоса мощника под 800 кгц, устойчивость в порядке, можно катушку подключать.И до 32 вольт по питанию не думать про питание микросхемы.
 
Смотрите, усиление равно 28, можем ставить 544УД2 с разомкнутыми 1-8 ,на полный газ, полоса мощника под 800 кгц, устойчивость в порядке, можно катушку подключать.И до 32 вольт по питанию не думать про питание микросхемы.
Полоса мощника с запасом? Отлично.
Но при взгляде в datasheet TL082, полоса пропускания при максимальном размахе - может будет 300 кГц, может - нет.
DOC000204875-1_5.png

Если Вы пробовали и всё работает с запасом хотя бы до 350 кГц - отлично. В противном случае надо пробовать.
КР544УД2 работает, я убедился, а TL082 - не знаю, хотя TL082 намного доступнее.
Достоинство КР544УД2 и некоторого старья в наличии выводов для внешней коррекции.
 
Полоса мощника с запасом? Отлично.
Но при взгляде в datasheet TL082, полоса пропускания при максимальном размахе - может будет 300 кГц, может - нет.
Посмотреть вложение 42664
Если Вы пробовали и всё работает с запасом хотя бы до 350 кГц - отлично. В противном случае надо пробовать.
КР544УД2 работает, я убедился, а TL082 - не знаю, хотя TL082 намного доступнее.
Достоинство КР544УД2 и некоторого старья в наличии выводов для внешней коррекции.
С 082-м всё ясно\. он с усилением в 28 бежит на полный газ до 100 килогерц, с усилением 30 - до 190. Зато не свистнет никогда, выходной каскад куда шустрее него.
 
- Пример. Однополярное питание 30 В. Условно ОУ питается от +-15 В. Выше этого напряжения синус он не выдаст. Хороший ОУ выдаст примерно +-14 В относительно искусственной средней точки (полпитания). Это амплитуда на экране, а действующее напряжение 14/1,41=10 В. При усилении ОУ=10, напряжение от ЗГ должно быть 1 В. При усилении ОУ=20, напряжение от ЗГ должно быть 0,5 В. Если больше, то будет ограничение, нам этого не надо.
Усиление каскада на ОУ выбирается резистором в обратной связи.
- Осциллографом надо убедиться, что ЗГ+ОУ обеспечивают уровень до ограничения (это 13...14 В) на частоте не менее 300 кГц.
При необходимости можно подстроить усиление и уровень от ЗГ.
- Итак, на выходе надо добиться 28 В от пика до пика на 300 кГц (скорее будет чуть меньше), оно же +-14 В от средней точки, оно же 10 В действующего.
И это напряжение не должно сильно проседать при подключении выходного каскада усилителя по току, назовём его УМ (усилитель мощности).
При данной схемотехнике максимум выходного напряжения определяется питанием ОУ потому что УМ усиливает по току, но по напряжению ослабляет, пусть остаётся 90%.
Поэтому чтобы выжать мощность побольше, надо поднять питание ОУ.
Вчера вечером по вашим рекомендациям проверил, что у меня выходит. На рисовалось такая картина. С генератора XR2206 можно снять максимум 1.7в амплитуды, на ОУ на выходе по постоянному току 12в (напомню у меня Uпит=24в.) по переменному току максимум 11в в размахе или +-5.5в амплитуды дальше ограничения синусоиды. Выше вы пишите с 30в питания нужно получить 28в в размахе или 13..14в амплитуды. Логично что у меня с питанием 24в должно быть 20..21в в размахе и 10..11в амплитуды (если конечно эта зависимость линейна), а у меня ровно в половину меньше 11в в размахе или +-5.5в амплитуды. Выводы: добавить Uпит до 30в и посмотреть что будет или менять ОУ.

P.S.
Пересмотрел даташиты на уд2 везде указано Uвых не менее = +-10в , но не водном не нашел зависимости Uвых от Uпит.
 
Вчера вечером по вашим рекомендациям проверил, что у меня выходит. На рисовалось такая картина. С генератора XR2206 можно снять максимум 1.7в амплитуды, на ОУ на выходе по постоянному току 12в (напомню у меня Uпит=24в.) по переменному току максимум 11в в размахе или +-5.5в амплитуды дальше ограничения синусоиды. Выше вы пишите с 30в питания нужно получить 28в в размахе или 13..14в амплитуды. Логично что у меня с питанием 24в должно быть 20..21в в размахе и 10..11в амплитуды (если конечно эта зависимость линейна), а у меня ровно в половину меньше 11в в размахе или +-5.5в амплитуды. Выводы: добавить Uпит до 30в и посмотреть что будет или менять ОУ.

P.S.
Пересмотрел даташиты на уд2 везде указано Uвых не менее = +-10в , но не водном не нашел зависимости Uвых от Uпит.
Сигнал на выходе опера с питанием два по 15 или один на 30 чуть меньше чем само питание, скажем, 13, 5-14 на пике. Выходной повторитель отожрет ещё вольтик, вот уже осталось их 13 Просадка на резонансе ещё полвольта -вольт долой, 12-13. Это пиковое, эффективное - 0,7 от пикового. 8 с копейками. Импеданс катухи 7 ом, ток эфф под ампер, пиковый полтора.

Вчера вечером по вашим рекомендациям проверил, что у меня выходит. На рисовалось такая картина. С генератора XR2206 можно снять максимум 1.7в амплитуды, на ОУ на выходе по постоянному току 12в (напомню у меня Uпит=24в.) по переменному току максимум 11в в размахе или +-5.5в амплитуды дальше ограничения синусоиды. Выше вы пишите с 30в питания нужно получить 28в в размахе или 13..14в амплитуды. Логично что у меня с питанием 24в должно быть 20..21в в размахе и 10..11в амплитуды (если конечно эта зависимость линейна), а у меня ровно в половину меньше 11в в размахе или +-5.5в амплитуды. Выводы: добавить Uпит до 30в и посмотреть что будет или менять ОУ.

P.S.
Пересмотрел даташиты на уд2 везде указано Uвых не менее = +-10в , но не водном не нашел зависимости Uвых от Uпит.
И шо такое сигнал на выходе опера ПО ПОСТОЯННОМУ ТОКУ 12 ВОЛЬТ ? Это вы так режим указали или выходной сигнал по осциллографу?

Вчера вечером по вашим рекомендациям проверил, что у меня выходит. На рисовалось такая картина. С генератора XR2206 можно снять максимум 1.7в амплитуды, на ОУ на выходе по постоянному току 12в (напомню у меня Uпит=24в.) по переменному току максимум 11в в размахе или +-5.5в амплитуды дальше ограничения синусоиды. Выше вы пишите с 30в питания нужно получить 28в в размахе или 13..14в амплитуды. Логично что у меня с питанием 24в должно быть 20..21в в размахе и 10..11в амплитуды (если конечно эта зависимость линейна), а у меня ровно в половину меньше 11в в размахе или +-5.5в амплитуды. Выводы: добавить Uпит до 30в и посмотреть что будет или менять ОУ.

P.S.
Пересмотрел даташиты на уд2 везде указано Uвых не менее = +-10в , но не водном не нашел зависимости Uвых от Uпит.
С питанием 24 вольта опер выдаст по 11 вольт на пике, 22 размах, эффективного будет 11 на 0,7-7,7 вольта.
 
В том то и дело что не выдаёт. Получается ОУ кривой? покупал в чипе. Есть 140уд6а может её попробовать?
какой нахрен уд6? Скоростных оперов пока что два, 544уд2 и 574 уд 2, прочие обвалялись
 
Голова болит из-за перемены погоды, поэтому заранее прошу извинить, если напишу дурь.
С генератора XR2206 можно снять максимум 1.7в амплитуды
Достаточно. ПОКА понижать не надо.
на ОУ на выходе по постоянному току 12в (напомню у меня Uпит=24в.)
СТОП. В китайском наборе вроде стабилизатор по питанию. Не помню режимы XR2206, в голове крутится 16 В. Посмотрите справочный листок, завышать напряжение нет смысла, достаточно 12 В.
Поэтому или стабилитроны или маломощный микросхемный стабилизатор - так надёжнее.
по переменному току максимум 11в в размахе или +-5.5в амплитуды дальше ограничения синусоиды.
СТОП, Вы не пишете В КАКОЙ ТОЧКЕ.
После микросхемы или на мощном выходе???
Если после микросхемы - неудовлетворительно.
Я злопамятный и припомню, что уже писал про желательность подстроечника на плате с ОУ - не надо каждый раз перепаивать.
Поэтому надо "покрутить" резистор ООС (усиление каскада).
Уточните КАКОЙ ОУ у вас стоит (простите, тяжело сейчас листать и искать).
Если КР544УД2 то если он исправен, то обязан работать нормально. Проверьте его усиление (по номиналам резисторов), а также надо проверить конденсатор коррекции - что там стоит или перемычка?
Попробуйте вместо 300 кГц дать низкую (звуковую) частоту, хотя бы 3 кГц. Это ОСОБЕННО касается если вы поставили другую микросхему.
Большинство других работать на 300 кГц НЕ БУДЕТ.
Выше вы пишите с 30в питания нужно получить 28в в размахе или 13..14в амплитуды.
Я осторожно писал с учетом двух вещей - микросхема обычная, не rail-to-rail то есть напряжение на её выходе будет меньше, чем напряжение питания.
По паспорту (на память) НЕ ХУЖЕ +-10 В (или 12 В) при питании +-15 В. На практике может быть до +-13...14 В и уменьшаться с ростом частоты и нагрузкой. Насколько - зависит от многих факторов, не будем глубоко лезть.
Короче, на выходе КР544УД2 (надо еще букву посмотреть - А или Б, не помню какая лучше) при отключенном каскаде УМ должно быть хотя бы +-12 В - проверьте.
Может казаться. Фигли там, усиление =10 частота 300 кГц, щаз я сбацаю на одном (двух) транзисторах.
Я отказался от этой мысли. Усилить можно, но я ХОТЕЛ линейного усиления (дурь, наверное и упрямство), ну не люблю когда криво.
Ещё замечу. Бокарёв по старой привычке всегда пишет К544УД2 и не делает различия от КР544УД2, а это разные микросхемы, в первую очередь корпусом.
Когда я работал в НИИ, микросхемы К140УТ1А у нас не потреблялись, только 140УТ1А. Потому что К - презренный ширпотреб, который ЗАПРЕЩЕНО было ставить в наши изделия, как конденсаторы К50-6 и много чего. Пишу потому что функционально могут быть аналоги, но качество исполнения (а значит и параметры) - разное.
Логично что у меня с питанием 24в должно быть 20..21в в размахе и 10..11в амплитуды
Добавлю - примерно 7 В действующего напряжения.
На выходе всего усилителя и под нагрузкой.
Выводы: добавить Uпит до 30в и посмотреть что будет или менять ОУ.
Просто так поднимать напряжение рано. Надо разобраться и не забыть защитить микросхему генератора.
Внятно так и не понял - сколько после ОУ и сколько на выходе УМ без нагрузки и под нагрузкой.
Тут всё просто. Если на вых. УМ на 1..2 В ниже, чем на входе, УМ в норме. Проблема в каскаде с ОУ.
 
Голова болит из-за перемены погоды, поэтому заранее прошу извинить, если напишу дурь.

Достаточно. ПОКА понижать не надо.

СТОП. В китайском наборе вроде стабилизатор по питанию. Не помню режимы XR2206, в голове крутится 16 В. Посмотрите справочный листок, завышать напряжение нет смысла, достаточно 12 В.
Поэтому или стабилитроны или маломощный микросхемный стабилизатор - так надёжнее.

СТОП, Вы не пишете В КАКОЙ ТОЧКЕ.
После микросхемы или на мощном выходе???
Если после микросхемы - неудовлетворительно.
Я злопамятный и припомню, что уже писал про желательность подстроечника на плате с ОУ - не надо каждый раз перепаивать.
Поэтому надо "покрутить" резистор ООС (усиление каскада).
Уточните КАКОЙ ОУ у вас стоит (простите, тяжело сейчас листать и искать).
Если КР544УД2 то если он исправен, то обязан работать нормально. Проверьте его усиление (по номиналам резисторов), а также надо проверить конденсатор коррекции - что там стоит или перемычка?
Попробуйте вместо 300 кГц дать низкую (звуковую) частоту, хотя бы 3 кГц. Это ОСОБЕННО касается если вы поставили другую микросхему.
Большинство других работать на 300 кГц НЕ БУДЕТ.

Я осторожно писал с учетом двух вещей - микросхема обычная, не rail-to-rail то есть напряжение на её выходе будет меньше, чем напряжение питания.
По паспорту (на память) НЕ ХУЖЕ +-10 В (или 12 В) при питании +-15 В. На практике может быть до +-13...14 В и уменьшаться с ростом частоты и нагрузкой. Насколько - зависит от многих факторов, не будем глубоко лезть.
Короче, на выходе КР544УД2 (надо еще букву посмотреть - А или Б, не помню какая лучше) при отключенном каскаде УМ должно быть хотя бы +-12 В - проверьте.
Может казаться. Фигли там, усиление =10 частота 300 кГц, щаз я сбацаю на одном (двух) транзисторах.
Я отказался от этой мысли. Усилить можно, но я ХОТЕЛ линейного усиления (дурь, наверное и упрямство), ну не люблю когда криво.
Ещё замечу. Бокарёв по старой привычке всегда пишет К544УД2 и не делает различия от КР544УД2, а это разные микросхемы, в первую очередь корпусом.
Когда я работал в НИИ, микросхемы К140УТ1А у нас не потреблялись, только 140УТ1А. Потому что К - презренный ширпотреб, который ЗАПРЕЩЕНО было ставить в наши изделия, как конденсаторы К50-6 и много чего. Пишу потому что функционально могут быть аналоги, но качество исполнения (а значит и параметры) - разное.

Добавлю - примерно 7 В действующего напряжения.
На выходе всего усилителя и под нагрузкой.

Просто так поднимать напряжение рано. Надо разобраться и не забыть защитить микросхему генератора.
Внятно так и не понял - сколько после ОУ и сколько на выходе УМ без нагрузки и под нагрузкой.
Тут всё просто. Если на вых. УМ на 1..2 В ниже, чем на входе, УМ в норме. Проблема в каскаде с ОУ.
Проверил и сравнил оба варианта 544уд2 в металле и пластике, пластик хуже по частоте полной мощности,но с разорванной перемычкой 1-8 тянет на полную за 300 кил, с усилением 28-30.Что нам просто на руку, разгоним все что генератор выдаст.По умолчанию ставим пластик, ноги 1-8 не соединять! Иначе рухнет со ста кил
 
Просто так поднимать напряжение рано. Надо разобраться и не забыть защитить микросхему генератора.
Внятно так и не понял - сколько после ОУ и сколько на выходе УМ без нагрузки и под нагрузкой.
Тут всё просто. Если на вых. УМ на 1..2 В ниже, чем на входе, УМ в норме. Проблема в каскаде с ОУ.
Постараюсь ответить на все вопросы:
- ИМС генератора питается через резистор подпертый стабилитроном 15в
- на ОУ (544уд2а) Uпит 24в, на шестой ноге (выход) 11в от пика до пика и 5.5в амплитуда
- на выходном каскаде 11в от пика до пика и 5.5в амплитуда.
- потенциометры установил: на уд2а между 3 и 6 ногой, и ИМС генератора регулировка амплитуды. (в результат регулировки ограничения амплитуды на выходе уд2а в районе 5.5в )

Проверил и сравнил оба варианта 544уд2 в металле и пластике, пластик хуже по частоте полной мощности,но с разорванной перемычкой 1-8 тянет на полную за 300 кил, с усилением 28-30.Что нам просто на руку, разгоним все что генератор выдаст.По умолчанию ставим пластик, ноги 1-8 не соединять! Иначе рухнет со ста кил
Перемычка 1-8 установлена при её удалении синусоида становится лохматой на амплитуду не влияет.
 
Постараюсь ответить на все вопросы:
И это правильно, а я попробую попридираться.
- ИМС генератора питается через резистор подпертый стабилитроном 15в
Хорошо.
- на ОУ (544уд2а) Uпит 24в, на шестой ноге (выход) 11в от пика до пика и 5.5в амплитуда
ПЛОХО. Вот проблемное место.
- на выходном каскаде 11в от пика до пика и 5.5в амплитуда.
Хорошо.
- потенциометры установил: на уд2а между 3 и 6 ногой, и ИМС генератора регулировка амплитуды. (в результат регулировки ограничения амплитуды на выходе уд2а в районе 5.5в )
Я предупреждал, что придираюсь и ругаюсь (в интересах дела).
Придирка - вы не пишете КР544 или К544 хотя я несколько раз намекал на это. smile_17
Придирка. Вижу ошибку.
544.jpg

Резистор между выв. 3 и 6 - грубейшая ощибка, поэтому НАСТОЯТЕЛЬНО ПРОШУ нарисовать кусочек схемы с номиналами - каскад на ОУ и его соединение с вых. первой микросхемы (интересует только её выход и как соединяется со входом ОУ).
Слышу "ой, ну конечно выв. 2, это и дурак поймёт".
Но оставляю просьбу нарисовать как угодно фрагмент схемы.
Перемычка 1-8 установлена при её удалении синусоида становится лохматой на амплитуду не влияет.
Лохматость, помнится, была у Шарика из Простоквашино. Думаю, здесь возбуждение. :)
***
Пока вижу два варианта - брак микросхемы, не та микросхема, поэтому повторяю просьбу.
Подайте на вход не 300 кГц, а несколько кГц и посмотрите амплитуду.
Или ваша ошибка, поэтому схема на бумажке должна точно соотвествовать сборке из деталек.
 
Придирка - вы не пишете КР544 или К544 хотя я несколько раз намекал на это.
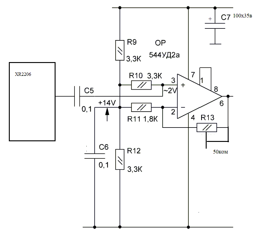
кр544уд2а
езистор между выв. 3 и 6 - грубейшая ощибка, поэтому НАСТОЯТЕЛЬНО ПРОШУ нарисовать кусочек схемы с номиналами - каскад на ОУ и его соединение с вых. первой микросхемы (интересует только её выход и как соединяется со входом ОУ).
Слышу "ой, ну конечно выв. 2, это и дурак поймёт".
Но оставляю просьбу нарисовать как угодно фрагмент схемы.
- ошибся конечно резистор между выв. 2 и 6
- сигнал с генератора на третью ногу.
1662635517818.png


Характеристики у к544 и кр544 которые нас интересуют одинаковы Uвых +-10в
Или ваша ошибка, поэтому схема на бумажке должна точно соотвествовать сборке из деталек.
Специально проверил печатку всё соответствует приложенной выше схеме.
 
Принято. Вопрос снят.
- ошибся конечно резистор между выв. 2 и 6
Не поверите, но всяко бывает.
- сигнал с генератора на третью ногу.
Всё верно. Но теперь я имею право поглумиться и поиздеваться. smile_7
Хе-хе-хе.
Усиление ОУ в таком включении равно 1+R13/R11=3,8.
Сколь у вас там с генератора? Вольта полтора? Умножим на 3,8 и получим 5,5...6 В на пальцах.
Никакими 10...13 вольтАми не пахнет.
Замените переменный резистор ну пусть на 10 кОм и последовательно к нему 5,1...6,2 кОм.
Снова измерьте и напишите результат.
Характеристики у к544 и кр544 которые нас интересуют одинаковы Uвых +-10в
На бамажке и НЕ ХУЖЕ. В натуре может быть иначе, особенно по частотным свойствам. Кстати, 3...10 кГц вы так и не подали. smile_17
 
Кстати, 3...10 кГц вы так и не подали. smile_17
Я сейчас на работе приду домой и проверю

Усиление ОУ в таком включении равно 1+R13/R11=3,8.
Вы наверное тоже ошибаетесь R13=50k, R11=1.8k, Kус=1+50k/1.8k=28.7

Да и если бы у меня было бы усиление 3.8 то это была бы синусоида 5..6 вольт , а у меня после 5..6 вольт она уходит в ограничения если покрутить R13.
 
Вы наверное тоже ошибаетесь R13=50k, R11=1.8k, Kус=1+50k/1.8k=28.7
Да, ошибся - между цифрами и буквами нет пробела.
Тогда недаром вопрос про 3 кГц. Если на них будет размах почти до питания, а на ВЧ - скукожится, значит мелкосхемы, как бы это помягче...
Заглянул на Авито - по 30...70 руб за штуку, есть и 574 серия. Она считалась люксом, а КР544 - фигнёй, но последняя устойчивее.
Да и если бы у меня было бы усиление 3.8 то это была бы синусоида 5..6 вольт , а у меня после 5..6 вольт она уходит в ограничения если покрутить R13.
Снова подозрение на микросхему. Если на НЧ размах большой, то 100%.
Почему я вожусь с этой мелкосхемой? С ними всё очень просто. Можно на транзисторах, но деталей будет гораздо больше.
Хотя если собрать усилитель в стиле оконечника - симметричный, то несколько маломощных транзисторов и несколько резисторов, но надо макетировать, пробовать, важно не охватывать общей обратной связью предусилитель и УМ во избежание проблем.
Если не к спеху, я бы заказал кучку микросхем на Авито впрок. Дороже всего будет доставка.
Советую Авито-доставку, это та же почта, но есть небольшие гарантии.
 
Откинуть выход микросхемы, сделать усиление под 30, убрать перемычку 1-8, дать на вход сигнал до начала ограничения по 6 ноге, там видно будет, откуда раннее ограничение.Оно еще по току бывает.Когда нагрузка выше нормы.

Когда собрал паровоз ,включил и оно не пашет, то разбирай и двигайся от начала к концу.Генератор, опер, потом мощник. и когда опер выдал все что можно, к нему подкинуть мощник.

Перемкнуть 1-8 нужно в случае усиления опера от 1 до 20, а выше по усилению нужно размыкать, иначе скорость нарастания рухнет и полоса вместе с ней. Генерацию убираем резисторами по входу и выходу, ом по 200 .

Постараюсь ответить на все вопросы:
- ИМС генератора питается через резистор подпертый стабилитроном 15в
- на ОУ (544уд2а) Uпит 24в, на шестой ноге (выход) 11в от пика до пика и 5.5в амплитуда
- на выходном каскаде 11в от пика до пика и 5.5в амплитуда.
- потенциометры установил: на уд2а между 3 и 6 ногой, и ИМС генератора регулировка амплитуды. (в результат регулировки ограничения амплитуды на выходе уд2а в районе 5.5в )


Перемычка 1-8 установлена при её удалении синусоида становится лохматой на амплитуду не влияет.
Мне проще было бы понимать, если определиться с терминами.Что вы называете амплитудой.По привычке считаю ее от средней линии скопа до макушки синуса.Эффективное напряжение ,грубо, из трех клеток на пике -две это эффективное.Размах- от макушки до макушки.Он же двойная амплитуда.Минус три дб , когда из трех клеток амплитуды падает до 2,1.
 
Мне проще было бы понимать, если определиться с терминами.Что вы называете амплитудой.По привычке считаю ее от средней линии скопа до макушки синуса.Эффективное напряжение ,грубо, из трех клеток на пике -две это эффективное.Размах- от макушки до макушки.Он же двойная амплитуда.Минус три дб , когда из трех клеток амплитуды падает до 2,1.
Всё верно я тоже так же понимаю эти определения, а что кто то иначе?

Кстати, 3...10 кГц вы так и не подали.

Я сейчас на работе приду домой и проверю
Пришел, проверил. Всё вопрос решен. _da Как говорится в пословице "Не было бы счастья да не счастье помогло". Проблема в ослике старичок С1-49 1974 года рождения на пределах 5, 2, 1, В/дел. начинает врать в меньшую сторону с 12 кГц и по чуть чуть к 30 кГц уже все показания ровно в два раза. "Наверное пора сдирать подковы" (с)
 
Пришел, проверил. Всё вопрос решен. _da Как говорится в пословице "Не было бы счастья да не счастье помогло". Проблема в ослике старичок С1-49 1974 года рождения на пределах 5, 2, 1, В/дел. начинает врать в меньшую сторону с 12 кГц и по чуть чуть к 30 кГц уже все показания ровно в два раза. "Наверное пора сдирать подковы" (с)
Я тоже попадался на неисправном скопе, у него делитель взят был другой и от этого дикий завал на вч.
 
Проблема в С1-49 1974 года рождения
Дабля, есть другая поговорка, но из вежливости умолчу.
Тем не менее, мне непонятно - вы измеряли напряжение с выхода ЗГ на память до 1,7 В и всё было нормально, хотя не факт что было 1,7 В. А тут такой завал - нелогично. Кстати, если бы вы воспользовались делителем 1:10 то всё было бы нормально.
Хорошо, что вы честно написали причину, но интересно было бы узнать как вы это определили.
И всё-таки непонятно. На память он до 5 МГц что немного, но в данном случае достаточно.
Думаю, это неисправность. На вашем месте я бы поискал неисправность и отремонтировал его. Похоже, проблема во входных каскадах, что-то с конденсаторами. Сохнут и обрываются не только электролиты. Может быть простой непропай.
Несмотря на посредственные параметры, я не стал бы отправлять его на покой.
В части правдивости он даст фору ЛЮБОМУ цифровому. Цифровые РИСУЮТ сами, а аналоговые показывают то что есть.
 
Тем не менее, мне непонятно - вы измеряли напряжение с выхода ЗГ на память до 1,7 В и всё было нормально, хотя не факт что было 1,7 В. А тут такой завал - нелогично. Кстати, если бы вы воспользовались делителем 1:10 то всё было бы нормально.
Я указал какие пределы врут
на пределах 5, 2, 1, В/дел. начинает врать в меньшую сторону с 12 кГц и по чуть чуть к 30 кГц уже все показания ровно в два раза.
Выход с ЗГ мерил на пределе 0,5 В/Д там всё ОК
Повторюсь делителя нет.
Хорошо, что вы честно написали причину, но интересно было бы узнать как вы это определили.
По вашему совету.
Кстати, 3...10 кГц вы так и не подали. smile_17
Я сейчас на работе приду домой и проверю
включил Г3-118 выставил 1кГц подключил к С1-49 (1 В/Д) на генераторе выставил 2в и множителем прошелся от 1, 10, 100, 1000, чтобы выяснить что сигнал не меняется с ростом частоты и увидел обратное. И так по всем пределам ручки "Усиления" Выяснилось пределы 5, 2, 1 врут. Вот и вся история.
 
Осциллом смотреть ТОЛЬКО с делителем 1:10, есть Тайвань и тп, чтобы не вносил емкость входную, кабеля, может дойти и до 500 пф. Или двумя проводками, как деды учили, и покороче, и разнести, тогда С вх=50-70 пф
 
Мой вариант чудо прибора. Сделал по образу и подобию А.Б. микроамперметр показывает ток потребления в момент резонанса, катушка вшита в пояс от старых джинсов.
1663096300727.jpeg

катушка разогревается до 50 гр. радиаторы BD 437, 438 примерно также.

- Вопрос сколько по времени держать катушку на больном месте и сколько раз в день можно проводить процедуру.
 
Выяснилось пределы 5, 2, 1 врут. Вот и вся история.
Не хочется искать схему. Там внутри "свой" делитель и надо тщательно проверить его. Основная схема должна быть исправна, в неё можно не лазить, хотя в своём С1-94 (цифры те же, но осциллограф другой) я много чего отпрофилактировал.
Достоинство обоих осциллографов - они небольшие, особенно мой из-за того что стоит вертикально.
Сделал по образу и подобию А.Б. микроамперметр показывает ток потребления в момент резонанса,
НЕТ. Не в момент резонанса, а ВСЕГДА. Он показывает общий ток потребления. Я неправ?
Сойдёт, хотя мне это не нравится.
Подозреваю, что вам приходилось делать приёмники прямого усиления. Вот и тут нужен такой же двухполупериодный детектор на двух диодах, лучше точечных германиевых, если остались. Если нет, то совеременных 1N4148. ГлЯнул, в дорогом чипедипе 2 руб за штуку, однако!
катушка вшита в пояс от старых джинсов.
Опяит буду критиковать.
Дурацкие конструкции с ручкой, как у окулиста когда надо один глаз закрыть, мне не нравятся.
Круг или квадрат со скруглёнными углами лучше.
Сзади пластиковая скоба в которую продевается широкая резинка. Нет, не от трусов, а шириной 5...6 см. На её концах пришиваем липучку.
Длина такая, чтобы удобно застёгивать на пузе трудовой мозоли и греть поясницу.
Если на колене, можно эту резинку просто завязать, на подобных местах - тоже.
Держать надо долго. Хочу посмотреть как кто-то будет держать деревянную лопатку с ручкой у себя между лопатками хотя бы полчаса.
По крайней мере я так сделал, мне нравится.
катушка разогревается до 50 гр. радиаторы BD 437, 438 примерно также.
Радиаторы пущай греются. А пластик катушки через полчаса разогревается у меня так, что на многих местах трудно (а главное - ненужно) терпеть.
Проблема решается просто - подкладывается любая тряпка. Носки - мало, а трусы - самы раз.
Нам нужен не тепловой перегрев, а радиоволны.
Хотя думаю, что умеренный нагрев больного места - хорошо (не для всех болячек), он вызывает дополнительный прилив крови.
Вопрос сколько по времени держать катушку на больном месте и сколько раз в день можно проводить процедуру.
Странный вопрос. Вы сколько водки-коньяку за раз пьёте для удовольствия? А вот Мешин (это он катушку придумал) уже 20 лет не пьёт.
Я, как правило, включаю максимальную мощность и держу полчаса минимум, обычно - час на одном месте, это касаемо больших областей тела.
Приспособился делать это в постели - всё равно долго не засыпаю. Прибор рядом на тумбочке. Периодически слежу за током - он меняется при прогреве, а в матрасе есть металлические детали, которые влияют на резонанс.
Ручкой настройки "грубо" почти не пользуюсь, как и ручкой "уровень", а ручкой "точно" - постоянно.
В принципе её можно не трогать, но при включении прибора слабый резонанс и надо ооочень долго ждать пока катушка нагреется. Поэтому резонанс настроен при горячей катушке.
после включения чуть кручу ручку до резонанса, а потом, при прогреве, кручу назад.
Я не говорю, что это правильно, но от 5 минут эффект соответствущий, как от рюмки водки: то ли пил, то ли не пил.
И повторю, начал я всё это из-за колена (только сейчас про него вспомнил) и эффект пришел далеко не сразу, а через несколько дней, и это явный эффект, а не избавление от боли. Избавление гораздо позже, я еще по привычке месяц прихрамывал пока не забыл, что надо хромать.
Другие места, бывает один-два сеанса. Перестало болеть, забываешь о болячке и прибор не включаешь. Но рискну предположить, что неделя не помешает.
Жена жаловалась на спину - я клал катушку ей за спину на подушку пока она полулёжа смотрела телевизор. Два раза ещё просила, потом - нет, значит помогло.
Думаю, с областью головы надо быть осторожнее по мощности и времени. Шея иногда болит - помогает.
Сейчас поясница разболелась, посмотрим, хочу надеяться, что поможет.
Я скептик и самовнушение у меня работает слабо, я всегда во всем сомневаюсь.
Поэтому не знаю, поможет Вам или нет. Думаю, рискнуть можно, но одного сеанса мало и мощность прибора должна быть приличной.
Забыл. Легко могу после одного места, греть другое.
Не замечал при длительном включении утомления или других подобных эффектов.
Шнур от прибора я сделал длинный 1,5...2 метра, не помню. И поставил разъем что позволяет при необходимости вынуть разъём, перейти на другое место, потом вернуться и продолжить.
Но я перестраховщик. Поэтому перед вынимания разъема выключаю питание, вряд ли усилителю нравится когда при максимальной громкости колонки втыкаешь-вытыкаешь.
Не агитирую, но мне помогает когда "кости болят" - это типично старческий недуг.
 
НЕТ. Не в момент резонанса, а ВСЕГДА. Он показывает общий ток потребления. Я неправ?
Абсолютно правы.Из за сложной нагрузки в выходных транзисторах иногда возникает "сквознячок",
Он и не дает точно настроить по максимуму тока выходную мощность. Впрочем ошибка небольшая.
Вот такой индикатор на ферритовой "гантельке" как раз очень удобная вещь. Можно и просто на небольшом кусочке феррита намотать два - три десятка витков.
 

Вложения

  • Датчик гантелька.jpg
    Датчик гантелька.jpg
    27.8 KB · Просмотры: 154
поверю на слово!
Верить нельзя никому! (с Мюллер) Даже мне. Пока не приспичит, не интересно. Люди пробуют когда приспичит. Таблетки - результат неоднозначный, одно лечим, другое - калечим. От диабета приходится пить - тут без вариантов. Чтобы ходить на процедуры, надо обладать железным здоровьем и массой времени.
Если дома есть прибор, который помогает при некоторых болячках, разве это плохо?
Это не чудо и не лекарство от всех болезней.
 
Мне помогло. Несколько лет назад, когда строил свой дом пришлось одному делать потолочное перекрытие,
а для этого нужно было закинуть наверх и уложить с полсотни балок ,
это брус 200х100 и длинной 6 метров. Килограммов по 60 каждая.
В общем повредил плечевые суставы. Вроде раздавил там какие то хрящики и еще что то.
Если взять за ключицу и пошатать влево - вправо, то люфт был 2 - 3 мм.
Похоже на люфт сильно изношенных рулевых наконечников или шаровых опор в автомобиле.
Врач посмотрел рентг.снимок и обрадовал, что в моем возрасте это уже не лечится,
хотя конечно можно попробовать поколоть Румалон в суставы, но вряд ли поможет.
В общем не стал я колоться, а решил попробовать народными средствами - полгода налегал на холодец, всякие заливные с желатином, свиные шкурки и т.п.
Мазал суставы хондроитином и импортными спортивными мазями. В итоге за полгода результатов ноль, только сильно повысился холестерин.
С катушкой было так : первый день, результат нулевой, на второй,, чувствую вроде,чуть лучше, еще через 2 дня боли прошли. Каждый сеанс по 5 минут.
Потом,где то раз в неделю минут по 5 по 10.
Люфт в суставах правда ощутимо уменьшился только месяца через 3, через год пропал совсем. Сейчас без проблем могу поднять мешок цемента 50кг.
Не скажу, что на 100% вылечился, но субьективн процентов на 80 восстановился.
 
Колол лед в гараже позапрошлой весной, повредил плечо, боли не давали спать, потопал к травматологу. Снимок, УЗИ, повреждение сухожилий, врач выписал разных уколов на 20 с лишним тыс. плюс физиотерапия. Травма остается травмой, чувствую изредка плечо, боли нет, выполняю земляные работы в саду, пилю деревяшки вручную, значит медицина все правильно сделала. Тему эту читаю, пытаюсь убедить себя, что мне это понадобиться потом. Пью курсами хондроитин с глюкозамином, можно найди не очень дорогих производителей, особенно околоспортивных, ну это больше для профилактики.
 
Мой вариант чудо прибора. Сделал по образу и подобию А.Б. микроамперметр показывает ток потребления в момент резонанса, катушка вшита в пояс от старых джинсов.
Посмотреть вложение 43050
катушка разогревается до 50 гр. радиаторы BD 437, 438 примерно также.

- Вопрос сколько по времени держать катушку на больном месте и сколько раз в день можно проводить процедуру.
Обычно поначалу эффект убойный, снимает боль или судороги за секунды или минуты.Со временем возникает типа привыкание и приходится держать подольше.Кино смотреть,лежа на катухе.Полчаса примерно, мне хватает минут 25-20,если нога разнылась.

У выходного каскада в режиме АВ ток покоя какой-то.Не большой, миллиампер 100.На резонансе примерно 600, поэтому амперметр по питанию хорошо отслеживает момент резонанса, сделал так и убедился,что пашет .
 

Статистика форума

Темы
3,302
Сообщения
262,881
Пользователи
2,544
Новый пользователь
vlad'mir
Назад
Сверху Снизу