Германиевые УНЧ

Электрон 20 приехал гитарный вход просто выдран
На выходе на динамики одного канала воткнулся первый и пятый штырёк и к 8 омному динамику гитарному с комбикомаршал и подал минусовку ну что-то там пропёрдывается с каких кондёров начинать?
Возможно по распайке не попал
 
Последнее редактирование:
Начинать с измерения напряжений. ГТ402\404 (40 вольтовые) менять на 814\815:(
 
Последнее редактирование:
Начинать с измерения напряжений. ГТ402\404 (40 вольтовые) менять на 814\815:(
если менять то на бд139\140,2n5401\5501 или хоть кт3107и\кт3102и
но больше толку будет от замены в первом каскаде и УНе мп26 и мп37 на кт3107И и КТ3102И
 
Последнее редактирование:
если менять то на бд139\140,2n5401\5501 или хоть кт3107и\кт3102и
но больше толку будет от замены в первом каскаде и УНе мп26 и мп37 на кт3107И и КТ3102И
В электроне я ничего менять не буду мне его надо настроить на 33 вольтах полпитания - если там есть настройка и все! Запитать от импульсника и сделать гитарник

Если сил хватит на проект

А Второй канал можно отдать на эксперименты по замене ВК на гт 806
А хотя зачем? стерео то не будет
 
В электроне я ничего менять не буду
замена транзисторов первых двух каскадов значительно уменьшит искажения
замена п214 на гт806 тоже намного снизит искажения на вч
 
замена транзисторов первых двух каскадов значительно уменьшит искажения
замена п214 на гт806 тоже намного снизит искажения на вч
Юрий какие искажения?
Я не из секты 0,001 % кни, я вырос слушая Вегу 101
Так уж сложилось в семье была Вега
От нее остались колонки
 
Я не из секты 0,001 % кни, я вырос слушая Вегу 101
меня всегда раздражало цикание и шипелявое шершавое звучание у п 213,214 на вч и только п605 звучали нормально,гт705\703 тоже не айс,это мои воспоминания о германии,давно это было,гт806 должны звучать хорошо на вч
 
Полпитания- это R1.
 
А Второй канал можно отдать на эксперименты по замене ВК на гт 806
А хотя зачем? стерео то не будет
Вторым каналом пустить минусовку, всех делов приделать на вход крутилку, уровень выставлять, а можно и на пульте это сделать, при наличии.
 
замена транзисторов первых двух каскадов значительно уменьшит искажения
замена п214 на гт806 тоже намного снизит искажения на вч
Для гитары все наоборот нужен драйф значит по хкр искажения с искажениями еще лучше звук.
 
Для гитары все наоборот нужен драйф значит по хкр искажения с искажениями еще лучше звук.
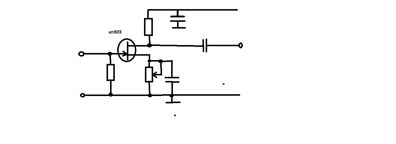
лучше сделать исказитель с искажениями низких порядков(2я и 3я гармоники),например на джифете или лампе, а усилитель линейный,каша и ступенька это не хорошо и для гитары
 

Вложения

  • искажатель.png
    искажатель.png
    5.7 KB · Просмотры: 72
Очень хорошо добавляют вторую гармонику пентоды с удлинённой характеристикой в триодном включении - 6К4П, 6К13П. У них это заложено в конструкции - криво (с переменным шагом) намотана сетка.
 
Для гитары все наоборот нужен драйф значит по хкр искажения с искажениями еще лучше звук.
Зачем сюда писать какой то бред?
Для гитары на лампе входное сопротивление 1 мегаом чтобы был чистый и хороший звук. Что там в электроне я не зн там гитарный вход вырван с мясом
А Перегруз идёт всегда отдельной педалью

лучше сделать исказитель с искажениями низких порядков(2я и 3я гармоники),например на джифете или лампе, а усилитель линейный,каша и ступенька это не хорошо и для гитары
У меня всё это есть и на лампе и на полевиках и на операционниках и три гитарных процессора.
В усилителе мне нужен просто чистый звук без искажений.
И правильная чувствительность по входу
 
Очень хорошо добавляют вторую гармонику пентоды с удлинённой характеристикой в триодном включении - 6К4П, 6К13П. У них это заложено в конструкции - криво (с переменным шагом) намотана сетка.
Дядя Олег, есть крутой триод с варимю, прислали коробку. не знаю теперь, куда их , 6С 32б . Срет четными гармониками, дальше, чем видит.
 
В качестве регуляторной, характеристики рассчитаны на быструю подстройку без перерегулирования.
Рахмат лукум за подсказку, а то жалко выбросить. А в стаб самое то. Усиление под сотку.
 
Как в электоне 20
Перепаять 5 Дин на большой Джек монохотя бы 1 гитарный входи выход на динамики там должно быть + - только вместо 5 дин
 
Как в электоне 20
Перепаять 5 Дин на большой Джек монохотя бы 1 гитарный входи выход на динамики там должно быть + - только вместо 5 дин
 
А причем тут XLR?
Нет я понимаю что на входе есть только сигнал и земля, но начинаешь разбирать, а там на вход 5 дин столько всего подпаяно
 
Там ничего нового важного и полезного нет
Тогда отвечаю. Паяльником лучше всего.

Сколько там ВСЕГО?
IMG_0423.jpeg

IMG_0422.jpeg


На гитарном входе два провода. 3-сигнал, 2- земля.
 
Последнее редактирование:
Тогда отвечаю. Паяльником лучше всего.

Сколько там ВСЕГО?
Посмотреть вложение 111035
Посмотреть вложение 111036

На гитарном входе два провода. 3-сигнал, 2- земля.
Я же говорю тут наворочено всего
Разъемы соединены цельной жилой это что? Ещё земля?
 
Ну и что дальше делать
Моно Джек сигнальная и земля а тут наворочена всего ну скажем здесь два сигнальных вместе остальное что получается только земля
Землю моно джека к общей земле подпаиваем. Провод, который приходит на 3 ногу разъема к центральному контакту джека.
Два сигнальных вместе с какой целью?

Гитарный разъем распаян по своему. 2 - земля, сигнал - 1 нога. Хотя провода всего два и на какую ногу они подпаяны монопенисуально.
Выковыриваете 5дин, ставите маму для джека и припаиваете провода. Всё.
IMG_0432.jpeg

 
Последнее редактирование:
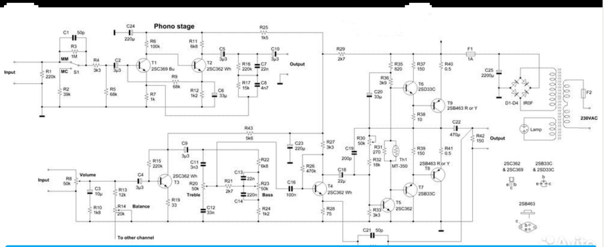
Вот такая схема есть если кто то что разберет ВК с ft 0.4мгц
Сделано японцами для Европы в шестидесятых
 

Вложения

  • IMG_20241105_230017.jpg
    IMG_20241105_230017.jpg
    141.7 KB · Просмотры: 177

Статистика форума

Темы
3,309
Сообщения
264,132
Пользователи
2,548
Новый пользователь
Александр Н.
Назад
Сверху Снизу